41 Cub Cadet Zero Turn Wiring Diagram
Here you find the spare parts for Cub Cadet Wiring diagram 17AIDGHB010 (2014) and you can order them online. We are your partner for Cub Cadet spare parts. Cub Cadet Rzt 54 Wiring Diagram. Cub Cadet Rzt 54 Wiring Diagram - wiring diagram is a simplified tolerable pictorial representation of an electrical circuit. It shows the components of the circuit as simplified shapes, and the capacity and signal links amid the devices. A wiring diagram usually gives suggestion more or less the relative aim.
Cub Cadet parts and Cub Cadet repair parts for Cub Cadet Walk-Behind Mowers, Cub Cadet Lawn & Garden Tractors: Series 100 to 3000, Cub Cadet Engines, and more. This jumps the switch to bypass it, and will let you rule that out as a potential problem, and may actually solve your problem all together. 5: 642: LT 1050 PTO Install Problem.

Cub cadet zero turn wiring diagram
Cub Cadet Zero-Turn Mower Manuals. Prepare yourself for comfort and performance from your Cub Cadet zero-turn mower. Powered by a Kawasaki or Kohler engine, you can choose a cutting width anywhere from 42-60 inches. These mowers bring numerous benefits for users, including features like the largest, widest operator station, easy steering-wheel. 20. Thank you for your question on the Cub Cadet 1525 mower. 1. Try unhooking the plug and clean the terminals. Using a 9/16 socket and an impact wrench, remove the clutch bolt. Dec 30, 2018 · Collection of cub cadet wiring diagram. The Cub Cadet XT1 LT42e runs off a lithium-ion 56-volt Max-60 Ah-3000 Wh battery with a run time of about 1. Turn Mower Diagrams. Lowest repair parts online for Cub Cadet Zero Turn Mowers. Cub Cadet RZT 42 Manual · Cub Cadet RZT 42 · Cub Cadet RZT Cub Cadet RZT 50 Manual Online: Specifications, Wiring Diagram 45, Wiring Diagram (with 12 V - 13 A Lawn Mower Cub Cadet RZT 42 Operator's Manual.
Cub cadet zero turn wiring diagram. Sep 27, 2020 · Seat safety switch should be fairly easy to bypass (for testing purposes). Electrical diagram and repair parts lookup for Cub Cadet PRO Z 500 KW 554-S (53RIHJUN050) - Cub Cadet 54" Pro Z Series Zero-Turn Mower, Kawasaki (2016) Wright Mfg. Figure 7-4 Figure 7-2 8. Cub Cadet Rzt 50 Wiring Diagram. - Allowed in order to my own blog site, in this moment I will teach you in relation to cub cadet rzt 50 wiring diagram.. And after this, this can be the initial impression: Ceiling Fan Wiring Diagram Blurts Me With Hunter 11 from cub cadet rzt 50 wiring diagram , source:viewki.me. Turn Mower Diagrams. Lowest repair parts online for Cub Cadet Zero Turn Mowers. Cub Cadet RZT 42 Manual · Cub Cadet RZT 42 · Cub Cadet RZT Cub Cadet RZT 50 Manual Online: Specifications, Wiring Diagram 45, Wiring Diagram (with 12 V - 13 A Lawn Mower Cub Cadet RZT 42 Operator's Manual. Electrical wiring diagrams may be found in the Operator's Manual. More in-depth electrical troubleshooting information may also be found in the Professional Shop Manual for the product. For electrical diagrams for specific engines and independent brands, see below. Please use the following links to contact the engine manufacturers via their web.
It converts any Cub Cadet 476 loader with pin-on type buckets to allow the use of skid steer-compatible attachments. Check the Cub Cadet Ultima ZT1 (54-Inch) 24HP Kohler Zero Turn Mower ratings before checking out. Cub Cadet Zero Turn Hitch superstore. Replacement hitch kit for zero turn rzt-l 42, rzt L50, rzt 54 cub cadet 152. Cub Cadet Zero-Turn Mowers RZT parts with OEM Cub Cadet parts diagrams to find Cub Cadet Zero-Turn Mowers RZT repair parts quickly and easily Order Status Customer Support 512-288-4355 My Account Login to your PartsTree to view your saved list of equipment. Oct 31, 2021 · Cub Cadet Xt1 Enduro Oil Filter -. 48. Cub Cadet Xt1 Lt50 Wiring Diagram Ebook Title : Cub Cadet Xt1 Lt50 Wiring Diagram - Read Cub Cadet Xt1 Lt50 Wiring Diagram PDF on your Android, iPhone, iPad or PC directly, the following PDF file is submitted in 3 Jul, 2020, Ebook ID PDF-8CCXLWD14. Cub Cadet Lawn Mower 2135 User Guide Manualsonline Com. Cub cadet faq wiring diagram 82 series only service manual pdf diagrams ih tractor lt1045 pto switch 1862 w kohler m18 no spark lt 2180 parts for mower full lawn 2135 user guide ignition 2146 start my forum 2185 not working 1330 will attempt to mtd 13as608h131 2000 i have a 2160 and need schematics lt1050 nf cadets zero turn rzt 50.
schematron - Select Cub Cadet RZT42 (17AF2ACS) - Cub Cadet RZT 42 Zero-Turn Mower, Kohler () Diagrams and order Genuine Cub Cadet Mowers: zero-turn lawn mower Parts. Easy Ordering, Fast Shipping and Great Service! Your Preferred Source. Cub Cadet Wiring Schematics Below we've provided some Cub Cadet Wiring Schematics for our most popular. Displaying wiring diagram parts for the ariens 915013 ezr 1742 ariens 42 zero turn mower 17hp bs sn. Wiring diagram for zero turn mowers.So if youre looking for the efficiencies of a zero turn mower at a price that does not compromise on quality construction and quality of cut turn to the bad boy mz magnum. Cub Cadet Zero-Turn Mower Manuals. Prepare yourself for comfort and performance from your Cub Cadet zero-turn mower. Powered by a Kawasaki or Kohler engine, you can choose a cutting width anywhere from 42-60 inches. These mowers bring numerous benefits for users, including features like the largest, widest operator station, easy steering-wheel. 4. Jun 05, 2009 · Don't worry about bypassing any safety switches and the safety police giving you crap about it. Designed with strength, comfort and the ability to get the job done 50% faster than riding tractors. Cub Cadet Zero Turn Mower Wiring Diagram Cub Cadet Safety Switch Diagram Wiring Library. Cub Cadet Ultima ZT1 ,699.
Wiring Diagram For Cub Cadet Zero Turn - Wiring Diagrams Hubs - Cub Cadet Rzt 50 Wiring Diagram. Wiring Diagram contains the two examples and step-by-step directions that might enable you to definitely truly build your undertaking.
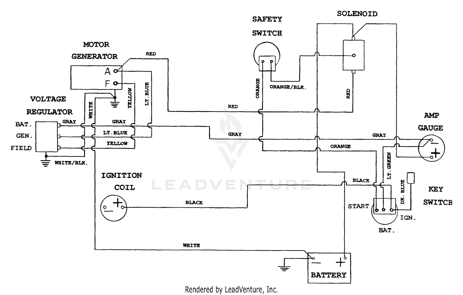
Cub Cadet Safety Switch Diagram. diy mower will not crank safety switch diagnosis and my cub cadet rzt would not crank safety switch diagnosis and repair cub cadet rtz ztr how safety switches work on your cub cadet key switch diagram imageresizertool cub cadet key switch diagram furthermore pto switch wiring diagram further manual pto as well as 36 volt ez go golf cart wiring diagram to her with
Cub Cadet RZT 50 Manual Online: Specifications, Wiring Diagram 45, Wiring Diagram (with 12 V - 13 A Charging Coil). SPECIFICATIONS FHV, FHV. wiringall - Select Cub Cadet RZT22 (17AA5A7P, 17AA5A7P) - Cub Cadet Zero-Turn Mower Diagrams and order Genuine Cub Cadet Mowers.
View and download cub cadet rzt 50 operators manual online. Placed through admin from october 7 2017. Cub Cadet Rzt50 Electrical Schemati I have a cub cadet rzt 50 zero turn it will not start nor with regard to cub cadet rzt 50 parts diagram image size 1275 x 1650 px and to view image details please click the image.
on Wiring Diagram For Cub Cadet Rzt 50. If you have a Cub Cadet RZT50 zero turn mower that you're working on, doing maintenance or repair, you will find our exploded view parts diagrams very helpful. Request the wiring diagram from Cub Cadet. Posted on May 11, The saftey wires wont cause it to slow schematron more of a fuel.
Request the wiring diagram from Cub Cadet. Posted on May 11, The saftey wires wont cause it to slow diagramweb more of a fuel. Displaying Electrical Schematic parts for the Cub Cadet RZT50 (17AI2ACP, 17AI2ACP, 17WI2ACP, 17WI2ACP) - Cub Cadet RZT 50" Zero-Turn. Wiring Diagram.. machine by Cub Cadet. Read, understand and follow ..
In addition to these Cub Cadet Spec Sheets, you can also view a number of Cub Cadet Manuals for some of the most popular Cub Cadet outdoor power equipment. Cub Cadet 2000 Series Wiring Schematics Cub Cadet 2130 Series (1994-1995) Wiring Schematic
Wiring Diagram For Cub Cadet Zero Turn – Wiring Diagrams Hubs – Cub Cadet Rzt 50 Wiring Diagram. Wiring diagram also offers useful ideas for projects that might need some added tools. This guide even consists of suggestions for additional provides that you might require as a way to end your projects. It will likely be able to supply you.
Cub Cadet Starter Solenoid Wiring Diagram – Collection. Repairing electrical wiring, a lot more than any other household project is about protection. Install an outlet correctly and it's as safe as that can be; do the installation improperly and it can potentially deadly. That's why there are numerous guidelines surrounding electrical cabling.
Here you find the spare parts for Cub Cadet Wiring diagram 17AE2ACG603 (2009) and you can order them online. We are your partner for Cub Cadet spare parts.
Cub Cadet Wiring Diagram – cub cadet 100 wiring diagram, cub cadet 127 wiring diagram, cub cadet 149 wiring diagram, Every electrical structure is made up of various different components. Each part should be placed and linked to different parts in particular way. Otherwise, the structure won’t function as it ought to be.
Cub Cadet Zero Turn Rztl 50 17arcacq330 2016 Wiring Diagram Spareparts from www.motoruf It consists of instructions and diagrams for various varieties of wiring methods along with other items like lights, home windows, and so forth. Summary of contents for cub cadet rzt 50 page 1 federal laws apply on federal lands, a spark arrester for the.
Cub Cadet Z-Force 44 Wiring-Diagram. Cub Cadet Zero Turn Schematic. Cub Cadet Mower Deck Belts. Cub Cadet RZT 42 Drive Belt Diagram. PTO Belt Diagram for Cub Cadet Z-Force 48. Cub Cadet Zero Turn 50 Inch Mower. Zero Turn Cub Cadet Lawn Mowers. Cub Cadet Transmission Drive Belt Diagram.
Cub Cadet Rzt 50 Wiring Diagram - wiring diagram is a simplified satisfactory pictorial representation of an electrical circuit. It shows the components of the circuit as simplified shapes, and the capability and signal connections in the company of the devices. A wiring diagram usually gives instruction very nearly the relative direction and.
Cub cadet rzt zero turn parts look up diagrams. Shop our selection of cub cadet lawn mower baggers for lawn mower attachments and accessories for riding lawn mowers and push lawn mowers. Your rzt50 model is fit with a 22hp 2 cylinder briggs stratton engine and a 50 mower deck. Cub cadet parts manuals cub cadet lawn care equipment has been built.
September 22, 2020 by headcontrolsystem. Cub Cadet Ignition Switch Wiring Diagram – Database. Repairing electrical wiring, a lot more than any other household project is about protection. Install an outlet correctly and it's as safe as that can be; do the installation improperly and it can potentially deadly.
Through the thousand photos on the web concerning cub cadet zero turn parts diagram, we all choices the very best selections with ideal quality only for you, and this photos is actually one among images selections in this finest photos gallery about Cub Cadet Zero Turn Parts Diagram.Lets hope you might like it. This specific picture (Rzt 50 Wiring Diagram Cub Cadet Rzt 54 Wiring Diagram in Cub.
Find parts for your RZT-L42 KH Cub Cadet Zero Turn Mower. Parts diagrams and manuals available. Free shipping on parts orders over $45.
Wiring Diagram For Cub Cadet Zero Turn Mower ~ thank you for visiting our site, this is images about wiring diagram for cub cadet zero turn mower posted by Ella Brouillard in Wiring category on Nov 30, You can also find other images like wiring diagram, parts diagram, replacement parts, electrical diagram, repair manuals, engine diagram.
1000 Cub Cadet Pto Wiring Diagram | Wiring Diagram - Cub Cadet Pto Switch Wiring Diagram. Wiring Diagram consists of numerous detailed illustrations that display the link of assorted items. It consists of instructions and diagrams for different kinds of wiring methods and other products like lights, windows, and so forth.
See your local Cub Cadet Dealer for warranty details.Pricing Disclaimer: Posted price is in USD Dollars and is manufacturer's suggested sale price. Models and pricing may vary by location. Taxes, freight, set-up and delivery not included. Optional equipment, accessories and attachments sold separately. See your retailer for details.
20. Thank you for your question on the Cub Cadet 1525 mower. 1. Try unhooking the plug and clean the terminals. Using a 9/16 socket and an impact wrench, remove the clutch bolt. Dec 30, 2018 · Collection of cub cadet wiring diagram. The Cub Cadet XT1 LT42e runs off a lithium-ion 56-volt Max-60 Ah-3000 Wh battery with a run time of about 1.
0 Response to "41 Cub Cadet Zero Turn Wiring Diagram"
Post a Comment