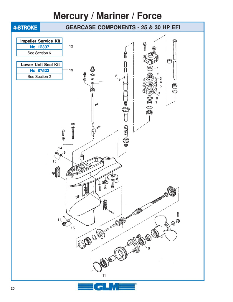
41 Force Lower Unit Diagram
In this how to video,I be Showen you how to remove a lower unit on a 1993 mercury marine force 70hp.. THANKS FOR WATCHING AND CHECK OUT MY OTHER "HOW TO VIDEOS" Lower Unit Seal Kits - Mercury/Mariner/Force OUTBOARD LOWER UNIT PARTS 9-74212 Seal Kit, lower unit Replaces: Mercury 26-77066A1 Fits: 4(1 cyl), 4.5, 7.5 & 9.8hp Lower Unit Seal Kits - Johnson/Evinrude continued 9-74516 Seal Kit, Gear Housing Replaces: Mariner 27-92648M For: W48, 55, W-55 & 60 models 9-74518 Seal Kit, Gear Housing Replaces.
In physics, a force is an influence that can change the motion of an object.A force can cause an object with mass to change its velocity (e.g. moving from a state of rest), i.e., to accelerate.Force can also be described intuitively as a push or a pull. A force has both magnitude and direction, making it a vector quantity. It is measured in the SI unit of newton (N).

Force lower unit diagram
Large selection of quality mercruiser parts, marine engines, marine parts, boats parts and accessories, such as Mercuiser engines, exhaust, motors, and other boating supplies and accessories. Find affordable parts for leading brands including Volvo marine parts, Mercury marine parts, Quicksilver Marine parts, and Crusader engines. Download the DegreeTutors Guide to Shear and Moment Diagrams eBook. 📓. This is a problem. Without understanding the shear forces and bending moments developed in a structure you can't complete a design. Shear force and bending moment diagrams tell us about the underlying state of stress in the structure. So naturally they're the starting. Feb 24, 2012 · What is an Electrical Conductor? In electrical engineering, a conductor (or electrical conductor) is defined as an object or type of material that allows the flow of charge in one or more directions.Materials made of metal are common electrical conductors, as metals have a high conductance and low resistance.. Electrical conductors allow electrons to flow between the atoms of that material.
Force lower unit diagram. Question 1. In diagram 1, Magnet Y weighs 80 units (as shown from the machine). Magnet Y is resting on the machine. Magnet Y does not exert any magnetic force of attraction on the machine. Next, Magnet Z was placed close to Magnet Y as shown in diagram 2. Force 0E203000 THRU 0E287999 - 1997 OEM Outboard Parts. Catalog. Mercury. Force Outboard Parts By HP & Serial. 75HP. 0E203000-THRU-0E287999 - 1997. 1991 Force 70 HP Complete Lower Unit PN 819123T8,819123A8 Fits 1991-98 70-75 HP. $1,449.00. $97.08 shipping. or Best Offer. GA2T21006 Force 50 HP Drive Shaft Long 20" PN FA89128-1 Fits 1974-1992. $60.00. Dis-assembly and reassembly of a lower unit on a Mercury outboard. This video shows how to take apart the gearcase of an outboard motor and shows how it wor...
FRL unit. Filter, Pressure Regulator, and Lubricator are combined in a unit. These three units together are called FRL units or Service units. Compressed air from compressor comes in FRL unit wherein, the air is filtered, controlled, and lubricated. Such prepared and. View parts diagrams and shop online for H120412SD [ELPT] : 1996 Force Outboard 120. Offering discount prices on OEM parts for over 50 years. FAST $4.95 shipping available. Mercury Marine Technical Library. Our Mercury Marine Parts technical expertise also allows PPT to provide our boating customers with direction regarding Direct Replacement Mercury Outboard Parts options. In certain cases OEM Mercury Marine Parts are the better option but in many cases there are good, economical alternative part options such as with Sierra Marine Parts. Lower Unit/Gear Case Mercury. Complete Lower Unit Mercury. Mercury Parts By HP or MODEL. 115 Hp EFI 4 Stroke Mercury 2013. 15 Hp Mercury 2 Cyl. 175 hp Black Max. 25 HP XD 77-94. 40 HP 3 Cyl. 40 Hp Mercury 4 cyl.
Feb 06, 2006 · A free-body diagram for the car is shown at left. Both the normal force, N (blue components) and the friction force, f (red components) have been resolved into horizontal and vertical components. Notice that the friction force acts up the incline, to keep the car from sliding toward the center of the turn. View parts diagrams and shop online for H0856F85A : 1985 Force Outboard 85. Offering discount prices on OEM parts for over 50 years. FAST $4.95 shipping available. Many other lower unit parts available. Please call for assistance 1-800-463-9001. If you need help identifying your motor, submit the form at the bottom of our home page. Compound microscope is a type of optical microscope that is used for obtaining a high-resolution image. There are more than two lenses in a compound microscope. Learn about the working principle, parts and uses of a compound microscope along with a labeled diagram here.
Re: 1995 Force 120 Cooling flow path Hi Guys : New member so if I sound like a newbe I am. I have a 1997 75 hp Force, just resealed the lower unit and replaced the water pump. My question is I seem to have good water flow out the exhaust but hardly any out the pee tube @ idle. If I raise the rpm then I get flow from the pee tube but not high.
Linsoul Kz Zsn Pro Dual Driver 1ba 1dd Hybrid Metal Earphones Hifi In Ear Monitor With Detachable 2pin Cable Zin Alloy Panel W
Yg 5104 Hp Outboard Lower Unit On Wiring Diagram 2003 90 Yamaha. 90 hp outboard wiring diagram mercury outboard parts drawing 60 125 hp mercury outboard parts by year mariner mark force chrysler sears sportjet oem diagram for oil injection components boats net.
A free-body diagram is a special example of the vector diagrams that were discussed in an earlier unit. These diagrams will be used throughout our study of physics. The size of the arrow in a free-body diagram reflects the magnitude of the force. The direction of the arrow shows the direction that the force is acting.
There are several points of interest in the diagram above: P: Proportional limit, E: Elastic limit, Y U: Upper yield point, Y L: Lower yield point, U: Ultimate strength, F: Fracture point or the breakpoint, Different material has different stress-strain graph and it looks different based on the characteristics. We will learn all these in brief.
Many polymeric materials having chain-like structures similar to polyethylene are known. Polymers formed by a straightforward linking together of monomer units, with no loss or gain of material, are called addition polymers or chain-growth polymers.A listing of some important addition polymers and their monomer precursors is presented in the following table.
110 Machine Design The force P has to overcome the friction as well as cause lifting of the body in vertical direction. To find the relationship between force P, called effort, and weight of the body, W, we have to consider the equilibrium of the body on an inclined plane as shown in Figures 5.7(a) and (b). The free body diagram clearly shows forces along and
Call for quote. If you would like help choosing an item or have any other questions about iboats new and rebuilt engine parts, please call our friendly customer service representatives toll free at 1-800-706-1233 or if you are outside of the U.S. you can reach us at 001-801-571-0071.
Sherrington was the first to recognize this fundamental relationship between an α motor neuron and the muscle fibers it innervates, for which he coined the term motor unit.Figure 16.4The motor unit. (A) Diagram showing a lower motor neuron in the spinal cord and the course of its axon to the muscle.
Rebuilt Mercury Lower Units, Outboard Gearcase, Mercury Rebuilt Torque master lower units, Rebuilt Mariner Lower Unit, Johnson Lower Unit, Evinrude Magnum Gearcase, Evinrude Etec E-tec Lower Unit, Rebuilt boat Lower unit, nosecone 3.3Liter Rebuilt Yamaha HPDI Lower Units , Force Lower Unit Outboard Lower Unit 1 year warranty NOW OFFERING.
Johnson 1987 30 hp outboard lower unit diagram he torque on a omc prop 225hp 1993 how to set throttle position on 1999 9.9 evinrude 4 stroke 1987 evinrude 115 thermostat problems 1982 50 hp mercury fuel system witch is the number piston on a 1984 johnson 90 hp how do i change my pump impeller on my 1981 yamaha 15hp outboard how to remove timing.
Joined. Mar 7, 2009. Messages. 707. Jun 8, 2019. #1. I have a Force 9.9 - oe116603 this is a 1984 I think and looks brand new. But... I cannot get the lower unit off. When the shifte is put in reverse it will come down 1/4 inch and I have pounded on it with a plastic hammer.
36111 LRU. Johnson Evinrude 1995 & UP 20" 60° ETEC Lower Unit 75 90 100 115 HP 1 YEAR WTY!! $1,500.00. 36110 LRU. Johnson Evinrude 1995 & UP 20" 60° ETEC Lower Unit 75 90 100 115 HP 1 YR WTY. $1,450.00. 36109 LRU. 1992 & UP Johnson Evinrude 20" Lower Unit 150 175 200 225 HP V6 1 YEAR WTY! $1,000.00.
FORCE LOWER UNITS STK# PRICE DETAILS; 1667-9011G81 120 Hp, 3 Dog Reverse, 1995-1999 BW25A $1,795 1667-9011G80 120 Hp, 6 Dog Reverse, 1995-1999 BW25BF $1,595 1667-9011G75 90 Hp, 3 Dog Reverse, 1995-1999 BW26A $1,795.
Categories. Mercruiser® Sterndrive. OMC Stringer / Cobra® Sterndrive. Volvo SX Sterndrive. Mercury / Mariner / Force Outboards. Mercury / Mariner / Force Outboard Complete Lower Units. Mercury / Mariner / Force OB Gearcase Housing. Mercury / Mariner / Force OB Shafts. Mercury / Mariner / Force OB Gears.
90 Hp Mercury Outboard Parts Manual Tractor. Mercury Outboard Parts By Year Mariner Mark Force. Mercury Mariner Outboard Parts By Hp Liter 90hp Oem. Mercury Marine 90 Hp 3 Cylinder Block Parts. Yo 8374 Mercury Jet Parts Diagram. Mercury Elpto 90 Hp Manual. Mercury Force 90 H P 1991 L Drive 90ld91b Intake Cover.
At Advanced Marine Inc, we have been rebuilding Johnson and Evinrude lower units for over 30 years. With our experience and years of testing you can be sure you are getting the best quality lower unit parts at a great price.. PLEASE NOTE: Items displayed below are for your information only. We have many more parts not listed.
Download the DegreeTutors Guide to Shear and Moment Diagrams eBook. 📓. This is a problem. Without understanding the shear forces and bending moments developed in a structure you can't complete a design. Shear force and bending moment diagrams tell us about the underlying state of stress in the structure. So naturally they're the starting.
Drill down to the Horsepower, Serial Number Range and Engine Section to get an online inventory of original and aftermarket Force boat parts. We carry Force outboard motor parts for vintage and current model outboards. Choosing the Correct Parts. Your Force serial number is the key to finding the correct parts for your motor.
All Engine Parts & Diagrams. Select engine section to view parts diagram & parts list. Bottom Cowl. Carburetor - 40 H.p. (92C) E000001, E065371. Carburetor - 40 H.p. E065372, E093699.
Re: Lower unit interchange chart. If it has two 2 barrel carbs on a V4, it's a crossflow from the 1960's through the 1990's. There were no 140 crossflows after 1984; that's when the V4 loopers come in. The early V4 Loopers had 15 spline propshafts on the extra long gearcases but had 13 spline propshafts on the others.
Feb 24, 2012 · What is an Electrical Conductor? In electrical engineering, a conductor (or electrical conductor) is defined as an object or type of material that allows the flow of charge in one or more directions.Materials made of metal are common electrical conductors, as metals have a high conductance and low resistance.. Electrical conductors allow electrons to flow between the atoms of that material.
Key to keeping your Force outboard running smoothly are oil, lube and filter changes as required. Wholesale carries Premium Lower Unit Gear Lube and Bearing Grease from Sierra as well as Q uicksilver 2-Cycle Outboard Oil and a host of other fine products from Mercury. We are your one-stop shop to keep your Force Outboard, and any craft you.
See on-line do-it-your-self-tech illustrations and exploded view parts drawing 3.0 hp to 250 horsepower for use with Force, Honda, Yamaha, Evinrude/Johnson and Mariner/Mercury outboard motors parts. Tech support. Our live tech support number is (416) 751-7326. TC Electronics/Marine on-line tech charts and parts illustrations.
35167 SCW. 309304-5 Force Chrysler U.S. Marine Concealed Side Mount Control Box NOS! $350.00. 34888 CTB-C. 8M0056573 Mercury 2014 Lower Mounts & Covers 75 80 90 100 115 HP 4-Stroke 4 Cyl. $40.00. 34811 RMT. 8M0056774 Mercury 2014 Upper Mounts & Covers 75 80 90 100 115 HP 4-Stroke 4 Cyl. $50.00.
Large selection of quality mercruiser parts, marine engines, marine parts, boats parts and accessories, such as Mercuiser engines, exhaust, motors, and other boating supplies and accessories. Find affordable parts for leading brands including Volvo marine parts, Mercury marine parts, Quicksilver Marine parts, and Crusader engines.
Forces on sails result from movement of air that interacts with sails and gives them motive power for sailing craft, including sailing ships, sailboats, windsurfers, ice boats, and sail-powered land vehicles.Similar principles in a rotating frame of reference apply to wind mill sails and wind turbine blades, which are also wind-driven. They are differentiated from forces on wings, and.
Tilt and Trims and Components. Gearcases. Gearcase Rebuild Kits. Gearcase Parts Diagrams. Gearcase Components. Cooling System Parts. Didn't find the Outboard Part you needed? We have many additional parts in our warehouse. Please contact us directly to let us do a custom search for the part you need.
0 Response to "41 Force Lower Unit Diagram"
Post a Comment