43 Murray Drive Belt Diagram

Murray 12.5 Hp Riding Mower Wiring Diagram. Murray Lawn Mower Ignition Switch Wiring Diagram. Belt Diagram For Craftsman Riding Mower Lt1000. Ferris Mower Drive Belt Diagram. John Deere D105 Lawn Mower Belt Diagram. Ferris Mower Drive Belt Replacement. Craftsman Lawn Tractor Drive Belt Replacement. John Deere X300 Mower Drive Belt Replacement. Types of Belts Murray lawn tractors use. In general, Murray lawn tractors need to use two types of belts for riding. One is a transmission belt, and the second one is a mowing deck drive belt. Both of them help the mower to work properly with their blades. Some precautions to take before exchanging the belts

Could anybody send me a diagram on how to change a drive belt on a Murray riding mowe [ 1 Answers ] I need a diagram of a drive belt for a Murray riding mower Model number 425612X99A and engine # Model 313707 /type 0126-E1/code 01905ZE, so I can change it for an old friend that is down in luck. Any diagrams will be highly appreciated.

Murray drive belt diagram

Murray drive belt diagram

This tutorial has 5 parts. Watch all of them. The belt is murray part # 37×75 which translates to 1/2 wide by 91.25 around. Source: i.ebayimg . The v belt found on your tractor is specially designed to engage and disengage safely. Source: www.fixya . Deck belt diagram for model917256522. Source: s1.manualzz . This drive belt replacement procedure works for common. For the talk..Southern Offroad Mowers on FacebookJoin the Experience!! Thanks for watching, Comment ,Rate and Subscribe!.. Thanks to all of my Googlers yo...

Murray drive belt diagram. Hello James, thank you for writing. The Drive Belt for your model is part 954-04219. We do not have instructions for this particular part. We do however have a YouTube channel with repair videos that may be of assistance to you. Murray repair parts and parts diagrams for Murray 13AO785S058 - Murray Lawn Tractor (2013) Order Status Customer Support 512-288-4355 My Account Login to your PartsTree to view your saved list of equipment. How to Install a Murray 40-Inch Drive Belt. Murray is a major name in lawn and garden maintenance equipment, with several lawn mower models on the market. The Murray 40-inch riding lawn mower has. i need a drive belt diagram for a murray 42702x4a ride on mower thanks vscotthall@yahoo on June 06, 2012: can you send me a pic diagram on how the drive belt goes on for a 12 hp murray riding mower. this one broke and not sure how it goes back.

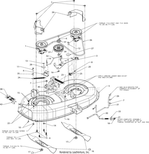
Murray M19546 Drive Belt Diagram. Here are a number of highest rated Murray M19546 Drive Belt Diagram pictures upon internet. We identified it from trustworthy source. Its submitted by supervision in the best field. We recognize this kind of Murray M19546 Drive Belt Diagram graphic could possibly be the most trending subject bearing in mind we. Murray drive belt diagram. Need a belt diagram. Need a belt diagram. Mtd m19546 murray select 46 riding mower 2016 deck inch murray lawn mower deck parts diagram belt routing charts for attractive wiring diagram for murray riding lawn mower sketch yard machine riding mower belt diagram mtd drive resized fine photos. I replace the drive belt on a Murray widebody, thanks for watching and take a look at Southern Offroad Mowers!! Get your Murray today with diagrams, accessories and repair advice from eReplacementParts! Worldwide shipping, no hassle returns. 877-346-4814. Departments. Murray Drive Belt Part Number: 37X88MA Replaces: 037X88, 037X88A, 037X88MA, 037X88WMA, 37X88MA, 7769210MA.

Murray 465306x8B - Lawn Tractor (2005) Parts Diagrams. SWIPE SWIPE. Chassis & Hood. Electrical System. Engine Mount Assembly. Motion Drive. Mower Housing. Mower Housing Suspension. Murray EMT H 15 5HP 42" Murray Lawn Tractor 2012 Parts Diagrams. mower deck blade belt falls off when disengaging you need to print out a illustrated parts diagram and take it out to your mower and see what is missing or bent like belt keepers. Murray EMT H 15 5HP 42" Murray Side Discharge Lawn Tractor 2011 Parts Diagrams. Murray 465612x99B - Lawn Tractor (2001) Parts Diagrams. SWIPE SWIPE. Chassis & Hood. Drive Assembly. Electrical System. Engine Mount Assembly. Mower Housing. Mower Housing Suspension. New Member. Jul 25, 2009, 05:20 PM. Murray 42 inch drive belt diagram. I tried to replace the drive belt and can't get it right can someone please send me a diagram to see how the belt goes. rodney heat. View Public Profile.

Solved Motion Drive Belt Came Off 10 Hp 30 Deck Mower - Murray drive belt diagram

Solved Motion Drive Belt Came Off 10 Hp 30 Deck Mower

This tutorial has 5 parts. Watch all of them.

Replacement Motion Belt For Murray Widebody Lt 17 5 Hp 46 - Murray drive belt diagram

Replacement Motion Belt For Murray Widebody Lt 17 5 Hp 46

Remove the belt from the pulley system on the mower deck and install the replacement belt. Do not use any belt other than a Murray belt. This will ensure the belt is the correct size. Pull the belt toward the clutch pulley on the bottom of the engine and wrap the belt around the pulley. 00:00. 00:05 12:45.

1696084 Murray 42 Mower Deck 2012 Partswarehouse - Murray drive belt diagram

1696084 Murray 42 Mower Deck 2012 Partswarehouse

Murray drive belt diagram questions answers with pictures fixya murray 46 deck 1999 2009 small engine equipment parts el 6027 murray riding mower parts diagram huskee drive belt installation how to install pin on books worth reading home and garden. Looks like a 2008 model.

Briggs Amp Amp Stratton Yard Power Formerly Murray - Murray drive belt diagram

Briggs Amp Amp Stratton Yard Power Formerly Murray

Woniu 37X87 Deck Drive Belt Replaces Murray 037X87MA 37X87 37X87MA Lawn Mower V-Belt. 4.3 out of 5 stars. 21. $13.99. $13.. 99. Get it as soon as Mon, Aug 16. FREE Shipping on orders over $25 shipped by Amazon.

Murray Ms18542 96044000800 Front Engine Lawn Tractor Parts - Murray drive belt diagram

Murray Ms18542 96044000800 Front Engine Lawn Tractor Parts

Here are a number of highest rated Murray Lawn Mower Belt Diagram 42 Inch pictures upon internet. We identified it from well-behaved source. Its submitted by direction in the best field. We say you will this kind of Murray Lawn Mower Belt Diagram 42 Inch graphic could possibly be the most trending subject next we share it in google pro or facebook.

Cutter Deck Drive Belt Murray Amp Hayter Dc1240 Dc1440 Dc 1640h 145r 1001223ma Ebay - Murray drive belt diagram

Cutter Deck Drive Belt Murray Amp Hayter Dc1240 Dc1440 Dc 1640h 145r 1001223ma Ebay

The belt is murray part # 37×75 which translates to 1/2 wide by 91.25 around. Source: i.ebayimg . The v belt found on your tractor is specially designed to engage and disengage safely. Source: www.fixya . Deck belt diagram for model917256522. Source: s1.manualzz . This drive belt replacement procedure works for common.

Page 29 Of Murray Lawn Mower 405000x8c User Guide - Murray drive belt diagram

Page 29 Of Murray Lawn Mower 405000x8c User Guide

Model numbers on Murray push mowers and walk behind mowers are normally on the center of the deck between the brackets that mount the lower handle. If your manual is still not found after verifying the model number, please see our Operator's Manual FAQ for more information. Please note that support for models built in 2005 or prior is not.

Murray Motion Drive By Crigby - Murray drive belt diagram

Murray Motion Drive By Crigby

Murray 465306x8 Drive Belt Diagram 14.08.2018 5 Comments Looking for support of your Murray mower or garden tools? the search window below to locate Operator's Manuals, Illustrated Parts Lists and Wiring Diagrams. James Reed, the belt part number is X61MA, it is a 37X61 V-belt. Diagram attached, hope this helps, good luck. Block Image.

Installation Repair And Replacement Of Murray Scotts 46561x8 - Murray drive belt diagram

Installation Repair And Replacement Of Murray Scotts 46561x8

For the talk..Southern Offroad Mowers on FacebookJoin the Experience!! Thanks for watching, Comment ,Rate and Subscribe!.. Thanks to all of my Googlers yo...

Venta Gt Murray Drive Belt Replacement Gt En Stock - Murray drive belt diagram

Venta Gt Murray Drive Belt Replacement Gt En Stock

Posted: 06/13/13. Options. Permalink. History. tw1276, you did not tell us if you are looking for the drive belt or the mower belt. Both images are attached. Hope this helps, good luck. Mower diagram. Drive Diagram.

Solved Flow Of Belt Between Two Small Pulleys On A Murry Fixya - Murray drive belt diagram

Solved Flow Of Belt Between Two Small Pulleys On A Murry Fixya

Murray 42 inch riding mower drive belt diagram. Looks like a 2008 model. Belt diagram 42 murray riding mower. On sears tractors the drive belt routing is under the foot rest. This is so dumb. If you happen to own a murray riding mower with a 42 inch cutting deck you enjoy two blades of grass cutting power stuffed under that moderate sized deck.

Wiring Diagram Info 35 Drive Belt Diagram Murray Riding Mower - Murray drive belt diagram

Wiring Diagram Info 35 Drive Belt Diagram Murray Riding Mower

Murray lawn tractors use two types of rubber belts: a transmission belt and a mowing deck drive belt. The belts stretch and wear with use, temperature changes and time.

Solved Belt Routing Diagrams For Murray Select 46 Inch Fixya - Murray drive belt diagram

Solved Belt Routing Diagrams For Murray Select 46 Inch Fixya

Deck drive belt for murray 40 cut decks lt tractors built 1989 newer side discharge 12 x 86 38 murray 037x62ma 37x62. Murray Tractor Deck Drive Belt Timed Deck Part 37x60 New In Oem. Murray Drive Belt Diagram New Buy Murray Cutter Deck Belt 37 62. Riding Lawn Mower Cutting Deck Belt Replacement Instructions Youtube.

Belt Diagram For Murray Murray Riding Mower Ifixit - Murray drive belt diagram

Belt Diagram For Murray Murray Riding Mower Ifixit

Deck drive belt for murray 40 cut decks lt tractors built 1989 newer side discharge 12 x 86 38 murray 037x62ma 37x62. It features a high performance 1150 gross hp 344cc briggs stratton power built engine with a simple on and off switch for easy starting. Murray 38 Inch Deck Belt Diagram Luxury Buy Genuine Murray Ride.

Murray 3 Belt Set Deck Amp Drive B5 37 X 88ma 37 X 112ma 37 X - Murray drive belt diagram

Murray 3 Belt Set Deck Amp Drive B5 37 X 88ma 37 X 112ma 37 X

QIJIA Lawn Mower Tractor Pump Drive Belt 1/2" x 85 1/4" for Murray 7035500YP 7800192-7800581; Snapper 7035500, 7035500YP. $13.99 $ 13. 99. Get it Mon, Sep 20 - Thu, Sep 23. FREE Shipping

Murray Sentinel Deck Blade Drive Belt 125 102 125 102 Murray - Murray drive belt diagram

Murray Sentinel Deck Blade Drive Belt 125 102 125 102 Murray

Craftsman Riding Lawn Mower Deck V-Belt Replacement #532429636 This video provides step-by-step instructions for replacing the deck v-belt (or deck drive belt) on Craftsman lawn mowers. The most common reason for replaci...

Home Amp Garden Murray M175 42 42 Mower Deck Rebuild Kit - Murray drive belt diagram

Home Amp Garden Murray M175 42 42 Mower Deck Rebuild Kit

Messages. 7,000. Jun 18, 2018. #2. LeeHulcher said: I have a Murray Riding mower 425303x92 that I need to install a new motion belt size 37x112 on. The husband didn't notice the belt layout when he removed it and now we need a diagram. This model has a dual tension pulley on the right hand side. Any help would be so gratefully appreciated, I am.

Ryobi 13ao785t058 2012 M19546 2012 Parts Diagrams - Murray drive belt diagram

Ryobi 13ao785t058 2012 M19546 2012 Parts Diagrams

Home Amp Garden Lawn Mower Parts Amp Accessories Research Unir - Murray drive belt diagram

Home Amp Garden Lawn Mower Parts Amp Accessories Research Unir

Page 24 Of Murray Lawn Mower 425620x92b User Guide - Murray drive belt diagram

Page 24 Of Murray Lawn Mower 425620x92b User Guide

Murray Lawn Mower Drive Belt Gt Off 73 - Murray drive belt diagram

Murray Lawn Mower Drive Belt Gt Off 73

Murray 46 Lawn Tractor 461007x92a Ereplacementparts Com - Murray drive belt diagram

Murray 46 Lawn Tractor 461007x92a Ereplacementparts Com

I Have A Murray 42 Riding Mower Model 425303x92a With A - Murray drive belt diagram

I Have A Murray 42 Riding Mower Model 425303x92a With A

Amazon Com Murray 37x112ma Primary Drive Belt For Lawn - Murray drive belt diagram

Amazon Com Murray 37x112ma Primary Drive Belt For Lawn

Murray 13ao785t058 2012 M19546 2012 Partswarehouse - Murray drive belt diagram

Murray 13ao785t058 2012 M19546 2012 Partswarehouse

Ryobi 13ao785t058 2012 M19546 2012 Parts Diagrams - Murray drive belt diagram

Ryobi 13ao785t058 2012 M19546 2012 Parts Diagrams

Murray 1695809 46 Mower Deck Parts Diagrams - Murray drive belt diagram

Murray 1695809 46 Mower Deck Parts Diagrams

Genuine Murray 1030 10 30 Transmission Belt Driveswheels - Murray drive belt diagram

Genuine Murray 1030 10 30 Transmission Belt Driveswheels

Murray Decks By Crigby - Murray drive belt diagram

Murray Decks By Crigby

Correct Belt Path For Murray Riding Lawn Mower Cutting Deck - Murray drive belt diagram

Correct Belt Path For Murray Riding Lawn Mower Cutting Deck

Murray 46 Deck 1999 2009 Small Engine Equipment Parts - Murray drive belt diagram

Murray 46 Deck 1999 2009 Small Engine Equipment Parts

Kevlar Transmission Drive Belt Murray 42l15g60x8a 960 12 00 78 Replaces 138255 401603 - Murray drive belt diagram

Kevlar Transmission Drive Belt Murray 42l15g60x8a 960 12 00 78 Replaces 138255 401603

Deck Belt To Fit 38 Murray Hayter 125 96 38 Ride On Mower - Murray drive belt diagram

Deck Belt To Fit 38 Murray Hayter 125 96 38 Ride On Mower

Mower Belts - Murray drive belt diagram

Mower Belts

Murray 52 Garden Tractor 52100x92a Ereplacementparts Com - Murray drive belt diagram

Murray 52 Garden Tractor 52100x92a Ereplacementparts Com

Murray 42 In Tractor Deck Belt Hd37x88ma The Home Depot - Murray drive belt diagram

Murray 42 In Tractor Deck Belt Hd37x88ma The Home Depot

Murray Rasen Und Gartentraktoren 30550g Murray 30 Lawn - Murray drive belt diagram

Murray Rasen Und Gartentraktoren 30550g Murray 30 Lawn

Replacement Motion Belt For Murray Widebody Lt 17 5 Hp 46 - Murray drive belt diagram

Replacement Motion Belt For Murray Widebody Lt 17 5 Hp 46

Solved Need Diagram To Install Belt On Murray Riding Mower - Murray drive belt diagram

Solved Need Diagram To Install Belt On Murray Riding Mower

Murray 42 Questions Amp Answers With Pictures Fixya - Murray drive belt diagram

Murray 42 Questions Amp Answers With Pictures Fixya

Secondary Cutter Deck Drive Belt Hayter Dc12 40 Dc16 40 13 40 H15 40 Heritage Mu710231 - Murray drive belt diagram

Secondary Cutter Deck Drive Belt Hayter Dc12 40 Dc16 40 13 40 H15 40 Heritage Mu710231

How To Put A Belt On A Murray Riding Lawn Mower Diagram - Murray drive belt diagram

How To Put A Belt On A Murray Riding Lawn Mower Diagram

Murray M115 38 13ac77lf058 2017 Partswarehouse - Murray drive belt diagram

Murray M115 38 13ac77lf058 2017 Partswarehouse

0 Response to "43 Murray Drive Belt Diagram"

Post a Comment

Iklan Atas Artikel

Iklan Tengah Artikel 1

Iklan Tengah Artikel 2

Iklan Bawah Artikel