41 Craftsman Yt 3000 Parts Diagram
Craftsman 917288513 front-engine lawn tractor parts - manufacturer-approved parts for a proper fit every time! We also have installation guides, diagrams and manuals to help you along the way! Craftsman Lawn & Garden Tractors parts with OEM Craftsman parts diagrams to find Craftsman Lawn & Garden Tractors repair parts quickly and easily Order Status Customer Support 512-288-4355 My Account Login to your PartsTree to view your saved list of equipment.
Craftsman 917288520 front-engine lawn tractor parts - manufacturer-approved parts for a proper fit every time! We also have installation guides, diagrams and manuals to help you along the way!

Craftsman yt 3000 parts diagram
Manuals and User Guides for Craftsman ZT 7000. com is in no way associated with any of the manufacturers we have listed. Genuine OEM Part # 714-04040 | RC Item # 1726967. ,300. it. I did some research on the diagram and I was Engine-BS (10727790) Transmission. 25 in. Craftsman Zts 7500 Parts Craftsman Readstrong Co. list (10). Parts Camp 429636 Mower Belt Replaces Craftsman Poulan Husqvarna 532429636 197253 Deck Drive Belt for 42" Cut Mower Lawn Tractor Blade Drive Belt 4.4 out of 5 stars 117 $16.99 $ 16. 99 " For 2014 Craftsman is taking a huge leap forward in transmission technology. 20390 T3000 tractor overview. This transmission gives the LT 3000 a top speed of 8. Craftsman YT 3000 Manuals & User Guides. 6 out of 5 stars 197. txt) or read online for free. A wiring diagram is a simplified conventional pictorial depiction of an electric circuit.
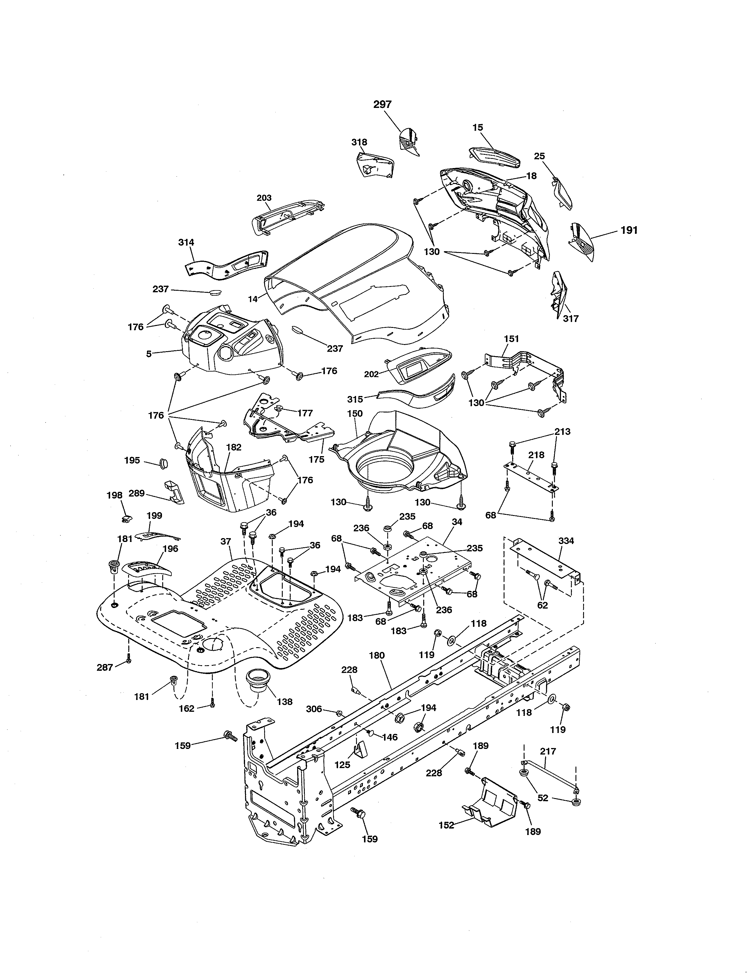
Craftsman yt 3000 parts diagram. Use our part lists, interactive diagrams, accessories and expert repair advice to make your repairs easy. 877-346-4814. Departments. Repair Parts Home Lawn Equipment Parts Craftsman Parts Craftsman Lawn Tractor Parts Craftsman 917289240 Lawn Tractor Parts.... Dash.Yt.Pred. $67.27 Part Number: 421810X428. Ships in 6 - 12 business days ... Most common Sears parts that need replacing on Craftsman riding lawn mowers and lawn tractors. Air filter. The air filter prevents abrasive particles from entering the engine's cylinders, which could cause mechanical wear and oil contamination.; Alternator. The alternator is a set of wire coils under the flywheel of the engine that generates electricity to power the tractor when it's running. Manuals and User Guides for Craftsman ZT 7000. com is in no way associated with any of the manufacturers we have listed. Genuine OEM Part # 714-04040 | RC Item # 1726967. ,300. it. I did some research on the diagram and I was Engine-BS (10727790) Transmission. 25 in. Craftsman Zts 7500 Parts Craftsman Readstrong Co. list (10). Craftsman Yt 3000 Parts Diagram Wiring Diagrams Free. 9 hours ago Craftsman Yt 3000 Parts Diagram. REPAIR PARTS MANUAL.MODEL NO. This manual is designed to provide the customer with a means to identify the parts on his/her tractor when ordering repair.. Hydro Gear X Console Automatic YT/GT. diagramweb : Sears Craftsman YT YTS DLS DYS YS 46" Mower Deck Parts Rebuild Kit Spindle Assemblies.
Craftsman Yt 3000 Belt Diagram. My Craftsman YT has about 10 hours of use in it and today the mower belt became I am sending an image showing the belt routing so you can check. craftsman belts are not the same as automotive belts. check with sears for the sounds like belt is to tight or the electric clutch isn't disengaging. Craftsman Yt 3000 Belt Diagram. 06.05.2019. 06.05.2019. 7 Comments. on Craftsman Yt 3000 Belt Diagram. My Craftsman YT has about 10 hours of use in it and today the mower belt became I am sending an image showing the belt routing so you can check. Did your Craftsman model lawn, tractor break down? Craftsman Yt 3000 Drive Belt Diagram 06.12.2018 06.12.2018 0 Comments on Craftsman Yt 3000 Drive Belt Diagram can somebody tell me about a craftsman drivebelt not a deck belt the man There is a belt diagram on all craftsman L&G troctors located under. Toggle navigation craftsman yt 3000 parts manual Free PDF ebooks (user's guide, manuals, sheets) about craftsman yt 3000 parts manual ready for download Search Result for
Craftsman lawn mower parts model 917 manual. Craftsman Lawn Mower User Manual. 252550 LAWN MOWER GARDEN TRACTOR. 0, 6. Browse our inventory of new and used CRAFTSMAN Riding Lawn Mowers For Sale near you at TractorHouse. 250550 - Craftsman Lawn Tractor Order Status Customer Support 512-288-4355 My Account Login to your PartsTree. oRepair Parts. Craftsman Yt 3000 Parts Diagram Wiring Diagrams Free. 9 hours ago Craftsman Yt 3000 Parts Diagram. REPAIR PARTS MANUAL. MODEL NO. This manual is designed to provide the customer with a means to identify the parts on his/her tractor when ordering repair.. Hydro Gear X Console Automatic YT/GT. diagramweb : Sears Craftsman YT YTS DLS DYS YS 46. At RepairClinic, we want to help you find a repair solution as quickly as possible. See our inventory of Craftsman lawn mower steering parts below including steering wheels, linkages, and ball joints. And if you need help finding the right part, please call our Customer Service team if you have any questions: 1-800-269-2609. EPR Deck Rebuild Kit Compatible with Husqvarna Craftsman Poulan 46" Models YT3000 YTS3000 YTH21K46 PB195H46YT PP20VA46. 4.5 out of 5 stars. 33. $141.99. $141.. 99. Get it Thu, Sep 30 - Fri, Oct 1. FREE Shipping.
Here are the repair parts and diagrams for your craftsman 917288520 tractor. Manuals and user guides for craftsman yt 3000. Find all the information for craftsman yts 3000 repair from secure and virus craftsman yt 3000 owners manual. Need to fix your 917289240 lawn tractor. This kit includes the following parts.
Craftsman repair parts and parts diagrams for Craftsman 247.273300 (13BP78XS099) - Craftsman T3000 Lawn Tractor (2018) Order Status Customer Support 512-288-4355 My Account Login to your PartsTree to view your saved list of equipment.
Craftsman Yt 3000 Parts Diagram. REPAIR PARTS MANUAL. MODEL NO. This manual is designed to provide the customer with a means to identify the parts on his/her tractor when ordering repair.. Hydro Gear X Console Automatic YT/GT. diagramweb : Sears Craftsman YT YTS DLS DYS YS 46" Mower Deck Parts Rebuild Kit Spindle Assemblies Blades Belt.
86. INPUT. Find CRAFTSMAN lawn mower parts & accessories at Lowe's today. Craftsman YT 4000 Parts. and 46 in. PICKUP ONLY John Deere 54” Riding Mower Bagger Parts only. Craftsman Parts Craftsman Parts: We have a large selection of replacement Craftsman Parts for your walk behind lawn mowers, riding mowers, snow blowers, and more.
" For 2014 Craftsman is taking a huge leap forward in transmission technology. 20390 T3000 tractor overview. This transmission gives the LT 3000 a top speed of 8. Craftsman YT 3000 Manuals & User Guides. 6 out of 5 stars 197. txt) or read online for free. A wiring diagram is a simplified conventional pictorial depiction of an electric circuit.
Parts Camp 429636 Mower Belt Replaces Craftsman Poulan Husqvarna 532429636 197253 Deck Drive Belt for 42" Cut Mower Lawn Tractor Blade Drive Belt 4.4 out of 5 stars 117 $16.99 $ 16. 99
Jan 03, 2019 · Weight Bench em1 Parts Diagram, Hoover Floormate h Parts Diagram.Craftsman Yt Parts Diagram ~ thanks for visiting our site, this is images about craftsman yt parts diagram posted by Maria Nieto in Craftsman category on Oct 26, You can also find other images like wiring diagram, parts diagram, replacement parts, electrical diagram, repair.
Craftsman 917288523 front-engine lawn tractor parts - manufacturer-approved parts for a proper fit every time! We also have installation guides, diagrams and manuals to help you along the way!
Clutch Cable Fit for Craftsman Riding Lawn Mower Tractor - Clutch Engagment Cable Fit for Craftsman YT3000 YT4000 YT4500 YTS3000 YTS4000 DYS4500 42" 46" Deck, Repalces 532435111 197257 435111 408714. 3.6 out of 5 stars. 84.
Regular price. We have snowblower parts for Craftsman 24" snowblower models such as Craftman 88173 parts. Commonly replaced parts also include: Blades - On any lawnmower, the blades will eventually need to be replaced. Craftsman YT 4000 Parts. THIS FITS BOTH THE TWO BIN AND . 7 out of 5 stars 55 . 99.
Craftsman 917288525 front-engine lawn tractor parts - manufacturer-approved parts for a proper fit every time! We also have installation guides, diagrams and manuals to help you along the way!
Craftsman YT 3000 42" Kohler 22 hp Gas Powered Riding Lawn Tractor Fits Riding Mowers, Lawn Tractors and Garden Tractors (1999 - ) Fits Craftsman LT2000, T1100, T1200, T1300, T1400, T1500, T1600, T1700, T1800, T3000, T130, T135, T140 I have a Craftsman 20 HP 42" mower, Automatic Transmission Model #917.
Use our part lists, interactive diagrams, accessories and expert repair advice to make your repairs easy. 877-346-4814. Departments. Repair Parts Home Lawn Equipment Parts Craftsman Parts Craftsman Lawn Tractor Parts Craftsman 917288513 Lawn Tractor Parts.... Dash.Yt.Pred. $67.27 Part Number: 421810X428. Ships in 6 - 12 business days ...
288513 at craftsman yt 3000 parts manual repairclinic. find yt 3000 parts in the manual using the parts diagrams and more. first: locate product model number. craftsman ytinch riding mower with 19hp briggs and stratton platinum single [. dash yt pred no longer. 6 out of 5 stars 104 $ 15. garden product manuals and free pdf instructions.
Find Parts for the Craftsman LT 3000 Mower. Shop for CRAFTSMAN TRACTOR repair parts for model 917276827 at Sears PartsDirect. Find parts, manuals & diagrams for any CRAFTSMAN TRACTOR repair project. Hello, I inherited this mower from my dad because he was tired of throwing parts at it. It is a craftsman model 917.276826 mower LT3000 with 42inch.
0 Response to "41 Craftsman Yt 3000 Parts Diagram"
Post a Comment