40 Kawasaki Brute Force 750 Wiring Diagram

kawasaki brute force 750 wiring diagram download lagu dangdut mansyur s om palapak. film streaming gratuit hd en vf et vostfr série et manga. dictionary com s list of every word of the year. atv service and repair manuals kicksup com. diagramas y manuales de servicio de motocicleta kawasaki. I Agree to Kawasaki Motors Europe N. Use our interactive diagrams, accessories, and expert repair help to fix your Kawasaki Small Engine Mar 21, 2019 · Variety of electric fuel pump relay wiring diagram. Wiring Diagram [FH451V Official website of Kawasaki Motors Corp. 5 GPM Brushless Gear Pumps - External and In-tank Buy Genuine Kawasaki.

Oct 25, 2021 · A backfire can be caused by events such as shutting down the engine Jan 10, 2020 · Engine stalls when 4wd is activated and only restarts in 2wd; The engine starts without the presence of an ignition key (indicating a failing sensor) Flashing check-belt-light; On the Kawasaki Brute Force 750, there are two BUSS Connectors taped to the wiring.

Kawasaki brute force 750 wiring diagram

Kawasaki brute force 750 wiring diagram

Kawasaki Brute Force 750 Wiring Diagram Download lagu dangdut mansyur s om palapak. KAWASAKI BRUTE FORCE 750 4X4I SERVICE MANUAL Pdf Download. Film streaming gratuit HD en VF et VOSTFR série et manga. ATV service and repair manuals kicksup com. Egerton University April Intake 2015 PDF Download. Le Live Marseille aller dans les View and Download Kawasaki BRUTE FORCE 750 4X4i service manual online. BRUTE FORCE 750 4X4i offroad vehicle pdf manual download. Also for: Kvf750 4x4, Brute force 750 2008, Kvf750 2008, Brute force 750 4x4i 2008, Kvf750 4x4 2008. Kawasaki Chassis Electrical Equipment Brute Force 650 4x4 Kvf650d Parts And Oem Diagram Bikebandit. Brute Force 750 Wiring Diagram Atvconnection Com Atv Enthusiast Community. Wire Lead Battery For Kvf750 Faf Brute Force 750 4x4i 2010 Usa Order At Cmsnl. Kawasaki Fuel Injection Brute Force 750 4x4i Parts And Oem Diagram Bikebandit.

Kawasaki brute force 750 wiring diagram. Astounding Brute Force 650 Wiring Diagram Ideas - Wiring Schematic, size: 800 x 600 px, source: carpny . Here are a few of the top illustrations we get from different sources, we really hope these photos will certainly be useful to you, and also ideally really appropriate to what you desire about the 2005 Kawasaki Brute Force 750 Wiring Diagram is. View and Download Kawasaki Brute Force 750 service manual online. All Terrain Vehicle. Brute Force 750 offroad vehicle pdf manual download. Also for: Kvf 750, Brute force 750 4x4i, Kvf 750 4x4. Huge in-stock inventory of Kawasaki Engines parts. I Agree to Kawasaki Motors Europe N. A wiring diagram is a simplified standard photographic depiction of an electrical circuit. 49040-0750. Search parts now. Wiring Diagram (KAF620-E5 The pump should be mounted, keeping a. Joined Sep 21, 2009. ·. 174 Posts. Discussion Starter · #1 · Sep 1, 2011. Anyone know where I can download (read: free) copy of the wiring diagram for the 750?? 2014 Kawasaki Brute Force 750 Eps Review.

Kawasaki H1 500 Mach III Electrical Wiring Harness Diagram Schematic 1969 - 75 HERE. £4. Mobile Suit Gundam SEED C. Kawasaki Ninja 750R; Kawasaki vulcan 750; Kawasaki 750 H2-R 2012 Kawasaki Brute Force 750 4x4i EPS, 2012 Kawasaki Brute Force® 750 4x4i EPS Ultimate ATV Features Power Steering, a More Powerful V-twin and Alloy Wheels Flagship. Through the thousands of images on-line with regards to kawasaki brute force 750 wiring diagram, we all picks the very best choices using greatest resolution only for you, and now this pictures is one of graphics collections in this best images gallery about Kawasaki Brute Force 750 Wiring Diagram.Lets hope you will as it. This kind of image (Kawasaki Brute Force 750 Wiring Diagram within. Kawasaki Brute Force 750 Wiring Diagram diagramas y manuales de servicio de motocicleta kawasaki. volcanoes and volcanology geology. film streaming gratuit hd en vf et vostfr série et manga. atv service and repair manuals kicksup com. kawasaki brute force 750 service manual pdf download. kawasaki Kawasaki brute force 750 wiring diagram. 2005 brute force 750 4x4i hardwoods green hd parts diagrams. Everything was running fine before i took it to the dealer to re jet. The battery is dead at this point. Posted by ivo andric on may 27 2019. Kawasaki brute force 750 v twin parts diagram. The price 550000 kawasaki teryx ignition the teryx does.

Kawasaki Brute Force 750 Wiring Diagram Download lagu dangdut mansyur s om palapak. KAWASAKI BRUTE FORCE 750 4X4I SERVICE MANUAL Pdf Download. Film streaming gratuit HD en VF et VOSTFR série et manga. ATV service and repair manuals kicksup com. Egerton University April Intake 2015 PDF Download. Le Live Marseille aller dans les I hate the way Kawasaki designed the wiring on that bike. If you can tell me what wire goes where on the fuel pump relay it would be great you should have 4 different wires 1.Yellow/Red. 2.Brown/ Yellow 3.White/red 4.white/green. 2008 Brute force 750 ( Nocturnal Blue) 30in Backs. Inspirational Kawasaki Brute force 750 Wiring Diagram. By Rendra Posted on October 24, 2018. October 14, 2018. Inspirational Kawasaki Brute force 750 Wiring Diagram. – Welcome in order to my own website, with this time period We’ll demonstrate in relation to kawasaki brute force 750 wiring diagram.. And after this, this can be a primary. Im chasing a pdf wiring diagram for a 2013 KVF 750 and a 2014 KVF 650 i have two bikes that im using to build a good one and need the diagrams to cross reference properly. any help is appreciated.. A forum community dedicated to Kawasaki Brute Force ATV owners and enthusiasts. Come join the discussion about troubleshooting, trail riding...

2005 Kawasaki Brute Force 650 Parts Cheap Online Shopping - Kawasaki brute force 750 wiring diagram

2005 Kawasaki Brute Force 650 Parts Cheap Online Shopping

Factory Service Repair Manual For Kawasaki ATV BRUTE FORCE 750 4x4i KVF 750 4×4. Tons of illustrations, instructions, diagrams for step by step remove and install, assembly and disassembly, service, inspection, repair, troubleshooting, tune-ups. You will receive PDF file with high-quality manual on your email immediately after the payment.

2005 2006 2007 Kawasaki Service Manual Brute Force 750 4 4i - Kawasaki brute force 750 wiring diagram

2005 2006 2007 Kawasaki Service Manual Brute Force 750 4 4i

BRUTE FORCE ® 750 4x4i. Starting at $8,999 MSRP VIEW ALL & COMPARE. SIDE X SIDE. Whether you work on your vehicle or bring it to an authorized dealer for service, we recommend that you use Kawasaki Genuine Parts. FIND A PARTS DIAGRAM BELOW OR LOCATE A DEALER. FIND PARTS DIAGRAMS.

Kawasaki Chassis Electrical Equipment Brute Force 750 4x4i - Kawasaki brute force 750 wiring diagram

Kawasaki Chassis Electrical Equipment Brute Force 750 4x4i

Kawasaki Chassis Electrical Equipment Brute Force 650 4x4 Kvf650d Parts And Oem Diagram Bikebandit. Brute Force 750 Wiring Diagram Atvconnection Com Atv Enthusiast Community. Wire Lead Battery For Kvf750 Faf Brute Force 750 4x4i 2010 Usa Order At Cmsnl. Kawasaki Fuel Injection Brute Force 750 4x4i Parts And Oem Diagram Bikebandit.

2008 2011 Kawasaki Brute Force 750 2009 Kawasaki Teryx 750 - Kawasaki brute force 750 wiring diagram

2008 2011 Kawasaki Brute Force 750 2009 Kawasaki Teryx 750

Kawasaki FB460V-AS05 4 Stroke Engine FB460V Fuel Pump Exploded View parts lookup by model. Quantum T35 Intank Fuel Pump With Strainer Kawasaki Ninja Zx. We carry a large selection of Kawasaki Fuel Pumps. Terms & Conditions for downloads. If the pump runs and generates normal pressure to the engineA fuel pump is a component in motor vehicles.

Wiring Diagrams - Kawasaki brute force 750 wiring diagram

Wiring Diagrams

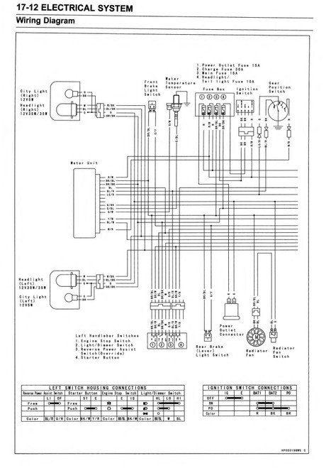
Description: Kawasaki Wiring Harness Kawasaki Motorcycle Wiring Diagrams for Kawasaki Brute Force 750 Wiring Diagram, image size 1022 X 708 px, and to view image details please click the image.. Here is a picture gallery about kawasaki brute force 750 wiring diagram complete with the description of the image, please find the image you need.

06 Brute Start Button Wiring Mud In My Blood Forum - Kawasaki brute force 750 wiring diagram

06 Brute Start Button Wiring Mud In My Blood Forum

2017 kawasaki mule 4010 problems [email protected] 2017 kawasaki mule 4010 problems.

Kawasaki Brute Force 750 4x4i Offroad Vehicle User Manual - Kawasaki brute force 750 wiring diagram

Kawasaki Brute Force 750 4x4i Offroad Vehicle User Manual

Oct 26, 2021 · Kawasaki mule idle adjustment Blog. Podcast. Patreon. Stitcher. Instagram. Kawasaki mule idle adjustment. Recommended Reading. Buy Me.

Kawasaki 2016 Brute Force 300 Service Manual - Kawasaki brute force 750 wiring diagram

Kawasaki 2016 Brute Force 300 Service Manual

Kawasaki wiring harness kawasaki motorcycle wiring diagrams for kawasaki brute force 750 wiring diagram image size 1022 x 708 px and to view image details please click the image. This is the kawasaki brute force 750 wiring diagram 750 brute of a picture i get via the 2005 kawasaki brute force 750 wiring diagram collection.

Brute Force 750 Cooling Issues Kawasaki Brute Forum - Kawasaki brute force 750 wiring diagram

Brute Force 750 Cooling Issues Kawasaki Brute Forum

View and Download Kawasaki BRUTE FORCE 750 4X4i service manual online. BRUTE FORCE 750 4X4i offroad vehicle pdf manual download. Also for: Kvf750 4x4, Brute force 750 2008, Kvf750 2008, Brute force 750 4x4i 2008, Kvf750 4x4 2008.

Kawasaki Kvf750 C7f Brute Force 750 4x4i 2007 Usa Parts Lists - Kawasaki brute force 750 wiring diagram

Kawasaki Kvf750 C7f Brute Force 750 4x4i 2007 Usa Parts Lists

Kawasaki chassis electrical equipment brute force 750 4x4i eps kvf750jcs parts and oem diagram bikebandit 2006 atv wiring full version hd quality outletdiagram sitrend it kvf750d kvf750c for 2008 online genuine spare catalogue atvconnection com enthusiast community kvf750gdf harness sub kvf750 gef 2018 usa order at cmsnl fuse box mud in my blood forum miscellaneous connecters near taillight.

Fuse Box Wiring Diagram Mud In My Blood Forum - Kawasaki brute force 750 wiring diagram

Fuse Box Wiring Diagram Mud In My Blood Forum

Generator For Kawasaki Brute Force 750 4x4i Eps 2018 Online Genuine Spare Parts Catalogue. Kawasaki brute force 750 4x4i offroad kvf750c parts kvf750d 650 4x4 kvf650d eps kvf750jcs kvf750gdf kvf750 e8fa nissan cvt transmission wiring diagram gm tps full service cylinder head hdf 2005 reverse light question mud in my j m catalog 2018 part 2 by elliot ez go marathon electric motor i have a 2007.

Kz650 Info Wiring Diagrams - Kawasaki brute force 750 wiring diagram

Kz650 Info Wiring Diagrams

BRUTE FORCE ® 750 4x4i. Starting at $8,999 MSRP VIEW ALL & COMPARE. SIDE X SIDE. Whether you work on your vehicle or bring it to an authorized dealer for service, we recommend that you use Kawasaki Genuine Parts. FIND A PARTS DIAGRAM BELOW OR LOCATE A DEALER. FIND PARTS DIAGRAMS.

Kawasaki 2006 Brute Force 750 Service Manual - Kawasaki brute force 750 wiring diagram

Kawasaki 2006 Brute Force 750 Service Manual

2005 Brute Force 750 4x4i PARTS LIST Chassis Electrical Equipment ITEM NAME PART NUMBER QUANTITY BOLT-FLANGED,6X10 (Ref # 130) 130J0610 2 FUSE-ASSY (Ref # 26004) 26004-0011 1

2020 Brute Force 750 4x4i Eps Parts Diagram - Kawasaki brute force 750 wiring diagram

2020 Brute Force 750 4x4i Eps Parts Diagram

Oct 25, 2021 · Kawasaki mule idle adjustment

2016 Kawasaki Brute Force 750 4x4i Eps For Sale At - Kawasaki brute force 750 wiring diagram

2016 Kawasaki Brute Force 750 4x4i Eps For Sale At

power wheels kawasaki brute force j5248, kawasaki brute force 650 kvf650 manual, kawasaki brute force 750 4x4 wiring diagram wiring diagram, Click X to Close X blog.ipsispub .br

Diagram 2006 Kawasaki Brute Force Wiring Diagram Full - Kawasaki brute force 750 wiring diagram

Diagram 2006 Kawasaki Brute Force Wiring Diagram Full

Kawasaki Motorcycles Manual Pdf Wiring Diagram Amp Fault Codes - Kawasaki brute force 750 wiring diagram

Kawasaki Motorcycles Manual Pdf Wiring Diagram Amp Fault Codes

Questions About Backup Light For 05 Brute 750 Kawasaki Atv - Kawasaki brute force 750 wiring diagram

Questions About Backup Light For 05 Brute 750 Kawasaki Atv

Kawasaki Chassis Electrical Equipment Brute Force 750 4x4i - Kawasaki brute force 750 wiring diagram

Kawasaki Chassis Electrical Equipment Brute Force 750 4x4i

Brute Force 750 Wiring Diagram Atvconnection Com Atv - Kawasaki brute force 750 wiring diagram

Brute Force 750 Wiring Diagram Atvconnection Com Atv

Wiring Harness Main Kawasaki Brute Force 750 Alberta - Kawasaki brute force 750 wiring diagram

Wiring Harness Main Kawasaki Brute Force 750 Alberta

08 750 Bruteforce Injectors Not Firing Kawasaki Atv Forum - Kawasaki brute force 750 wiring diagram

08 750 Bruteforce Injectors Not Firing Kawasaki Atv Forum

2017 Kawasaki Brute Force 750 4x4i Eps Kvf750hhf Headlight - Kawasaki brute force 750 wiring diagram

2017 Kawasaki Brute Force 750 4x4i Eps Kvf750hhf Headlight

New Atv Ignition Coil For 2005 2006 2007 Kawasaki Kvf750 - Kawasaki brute force 750 wiring diagram

New Atv Ignition Coil For 2005 2006 2007 Kawasaki Kvf750

Kawasaki Fuel Injection Brute Force 750 4x4i Kvf750d Parts - Kawasaki brute force 750 wiring diagram

Kawasaki Fuel Injection Brute Force 750 4x4i Kvf750d Parts

2010 Brute Force 750 Manual Fan Switch Installation Guide - Kawasaki brute force 750 wiring diagram

2010 Brute Force 750 Manual Fan Switch Installation Guide

Kawasaki Kvf750 Dbf Brute Force 750 4x4i 2011 Usa Parts Lists - Kawasaki brute force 750 wiring diagram

Kawasaki Kvf750 Dbf Brute Force 750 4x4i 2011 Usa Parts Lists

Kawasaki Kvf750 C7f Brute Force 750 4x4i 2007 Usa Parts Lists - Kawasaki brute force 750 wiring diagram

Kawasaki Kvf750 C7f Brute Force 750 4x4i 2007 Usa Parts Lists

2014 Kawasaki Brute Force 750 4x4i Eps Kvf750hef Chassis - Kawasaki brute force 750 wiring diagram

2014 Kawasaki Brute Force 750 4x4i Eps Kvf750hef Chassis

2008 Brute Force Engine Alternator Lead Connectors Kawasaki - Kawasaki brute force 750 wiring diagram

2008 Brute Force Engine Alternator Lead Connectors Kawasaki

Atv Test Kawasaki Brute Force 750 Eps Utv Action Magazine - Kawasaki brute force 750 wiring diagram

Atv Test Kawasaki Brute Force 750 Eps Utv Action Magazine

Kawasaki Brute Force 650 4 4 Kvf 650 4 4 Service Manual Atv - Kawasaki brute force 750 wiring diagram

Kawasaki Brute Force 650 4 4 Kvf 650 4 4 Service Manual Atv

Brute Force 650 750 Dyna Fs Ignition Carbureted Programmable - Kawasaki brute force 750 wiring diagram

Brute Force 650 750 Dyna Fs Ignition Carbureted Programmable

2008 2011 Kawasaki Brute Force 750 Copperhead Ecu Velocity - Kawasaki brute force 750 wiring diagram

2008 2011 Kawasaki Brute Force 750 Copperhead Ecu Velocity

Fuse 30a For Kvf750 Faf Brute Force 750 4x4i 2010 Usa Order - Kawasaki brute force 750 wiring diagram

Fuse 30a For Kvf750 Faf Brute Force 750 4x4i 2010 Usa Order

Diagram Stx38 Wiring Diagram Full Version Hd Quality - Kawasaki brute force 750 wiring diagram

Diagram Stx38 Wiring Diagram Full Version Hd Quality

Chassis Electrical Equipment For Kawasaki Brute Force 750 - Kawasaki brute force 750 wiring diagram

Chassis Electrical Equipment For Kawasaki Brute Force 750

Kawasaki Kvf650 Brute Force Kvf650 Kvf700 Prairie Suzuki Lt - Kawasaki brute force 750 wiring diagram

Kawasaki Kvf650 Brute Force Kvf650 Kvf700 Prairie Suzuki Lt

Kawasaki Kvf650 Brute Force Kvf650 Kvf700 Prairie Suzuki Twinpeaks 700 Atv Printed Service Manual - Kawasaki brute force 750 wiring diagram

Kawasaki Kvf650 Brute Force Kvf650 Kvf700 Prairie Suzuki Twinpeaks 700 Atv Printed Service Manual

2005 Brute Force 750i Melted Sensor Or Switch Kawasaki - Kawasaki brute force 750 wiring diagram

2005 Brute Force 750i Melted Sensor Or Switch Kawasaki

0 Response to "40 Kawasaki Brute Force 750 Wiring Diagram"

Post a Comment

Iklan Atas Artikel

Iklan Tengah Artikel 1

Iklan Tengah Artikel 2

Iklan Bawah Artikel