39 Cub Cadet Lt1042 Drive Belt Diagram
Cub cadet lt1042 drive belt diagram · Discussion Starter · #1 · May 19, 2009 Hi everyone! Just yesterday, my brother in law and I replaced the blade belt. I guess that's not too bad considering my Cub LT1042 is 4 years old. And, this is the first belt! Today, the Tranny belt is so loose, that tension spring pops off. And, low and behold; the. I hope this video saves you time and frustration. If I left anything out or if you have any questions, don't hesitate to ask in the comments. I WILL see any.
20. Thank you for your question on the Cub Cadet 1525 mower. 1. Try unhooking the plug and clean the terminals. Using a 9/16 socket and an impact wrench, remove the clutch bolt. Dec 30, 2018 · Collection of cub cadet wiring diagram. The Cub Cadet XT1 LT42e runs off a lithium-ion 56-volt Max-60 Ah-3000 Wh battery with a run time of about 1.

Cub cadet lt1042 drive belt diagram
Cub Cadet 1040 Drive Belt Diagram. 03.09.2018. 03.09.2018. 6 Comments. on Cub Cadet 1040 Drive Belt Diagram. Cub Cadet LTX Diagrams and Manuals. Shop for Cub Cadet LTX Parts. Factory Direct from Cub Cadet. schematron - Select Cub Cadet LTX Tractor () Diagrams and order Genuine Cub Cadet Mowers: lawn & garden tractor Parts. Nov 01, 2021 · Your cub cadet lt1045 comes with two belts that over time will need to be replaced as their rubber I have a new cub cadet ltx 1045 and the drive belt came off the pulley right under the engineand i Cub Cadet Ltx1045 Hydrostatic Lawn Tractor Partswarehouse. steer, diff lock, 626 Cub Cadet Classics: Chris Westfall Lancaster, Ohio. Buy Genuine OEM Cub Cadet parts for your Cub Cadet LT1045 Tractor (2007 & before) 13AX11CH709 13AX11CH710 13AX11CH712 13AX11CH756 13BP11CH709 13BP11CH710 13BP11CH756 13RX11CH756 and ship today! Huge in-stock inventory of OEM Cub Cadet parts.
Cub cadet lt1042 drive belt diagram. Drive Belt 1/2 Inch X78 Inch for Lawn Mower Cub Cadet/MTD 754-0461, 954-0461, 754-04165, 954-04165, Most LT1042, LT1045, LT1046, LT1050, SLT1550 and SLT1554 Tractors 4.3 out of 5 stars 38 $13.99 $ 13. 99 Cub Cadet LT drive belt diagram - Cub Cadet Op's Manual Model Lt question. Search Fixya. Browse Categories Answer Questions. Cub Cadet Op's Manual Model Lt Lt Lt Lt Op's Manual Model Lt Lt Lt Lt Garden; Related Question. Cub cadet lt will not back up a small hill.Cars and technology: Cub cadet ltx partsCub Cadet LT Parts How to Replace the Drive Belt on a Cub Cadet LT1042. The Cub Cadet LT 1042 is a lawn tractor that allows users to cut their grass and keep their lawns mainta... We've gathered our favorite ideas for Cub Cadet Drive Belt Diagram Ltx 1042, Explore our list of popular images of Cub Cadet Drive Belt Diagram Ltx 1042 and Download Photos Collection with high resolution.. Cub Cadet Lt1042 Drive Belt Diagram. Click Images to Large View Cub Cadet Lt1042 Drive Belt Diagram.
Riding Mower 42-inch Deck Drive Belt. Original Equipment Genuine Part (OEM) Item#: OCC-754-04045. $47.99. For Lawn Tractors, Garden Tractors and Residential Zero-Turn (RZT) mowers with a 42- or 48-inch Cutting Deck (2006 - 2008) Fits Cub Cadet LT1040, LT1042, RZT42. GT2148 and 19A40015 48-inch Fabricated Deck Attachment. Buy Genuine OEM Cub Cadet parts for your Cub Cadet LT1042 Tractor (2007 & before) 13AX11CG709 LT1042 13AX11CG710 LT1042 13AX11CG756 13BX11CG709 13BX11CG710 13BX11CG712 and ship today! Huge in-stock inventory of OEM Cub Cadet parts. Drive belts, deck belts and PTO belts for XT1, XT2, XT3 models and Ultima series Zero-Turn models. Can't find the exact belt you need? Use our Parts Diagrams Tool to lookup the belt for your Cub Cadet or our Part Finder to make sure you're getting the right belt for your machine. Riding Mower 42-inch Deck Belt. Original Equipment Genuine Part (OEM) Item#: 954-04060C. $41.99. Fits Riding Mowers and Lawn Tractors with a 42-inch Cutting Deck (2010 - ) For Troy-Bilt, MTD, Craftsman, MTD Gold, Bolens, White Outdoor, Yard Machines, Yard Man and Huskee. Fits Cub Cadet LTX1040, LTX1042KH, LTX1042KW.
Oct 31, 2021 · Cadet Electric Baseboard Heater Wiring Diagram. Cub Cadet Ltx 1046 Deck Diagram. Taxes, freight, set-up and delivery not included. com Cub Cadet LTX 1050 KW tractor engine Sep 21, 2018 · I have a cub cadet ltx1040 that the drive belt came off of and i need a diagram to put it back on. blogger. Step by step instructions, tools needed, and tips on replacing the drive belt on most Cub Cadet lawn tractors. A few minutes watching the video can save you. Buy Genuine OEM Cub Cadet parts for your Cub Cadet LT1045 Tractor (2007 & before) 13AX11CH709 13AX11CH710 13AX11CH712 13AX11CH756 13BP11CH709 13BP11CH710 13BP11CH756 13RX11CH756 and ship today! Huge in-stock inventory of OEM Cub Cadet parts. Cub cadet lt1042 deck belt diagram. How to: Drive Belt Replacement in a Cub Cadet 1000 Series. Zero Turn Riding Belt Routing. Honestly, we have been realized that cub cadet lt1042 parts diagram is being one of the most popular issue at this time. Tractor ( & before) 13AP11CH 13AP11CH Parts Diagrams Mower Deck 46 inch B spindle.
Cub Cadet Lt1042 Drive Belt Diagram. drive belt diagram for a cub cadet ltx Go to this website, upper right hand cub cadet lt will not back up a small hill back up on a flat land,but on a hill. If the transmission drive belt on your Cub Cadet LT lawn tractor is broken or no longer functions properly, you can find a replacement easily on eBay.
Cub cadet ltx 1040 belt adjustment. Scribd es red social de lectura y publicación más importante del mundo. CUB CADET 959-3950 - Replacement MPN CUB CADET 925-04022B Hour Meter Z Force RZT LGT SLT SLTX LGTX GT LT LTX 1040. quick review regarding a , ltx , series machine that needed some tlc Cub cadet ltx 1040 belt diagram - cozy bathrooms Cub Cadet Ltx 1040 Belt Diagram: I have cub cadet ltx.
A Cub Cadet LT1042 drive belt diagram is an excellent starting point. However, you will also need step-by-step instructions and the proper tools to perform the job correctly. Keep in mind that this DIY task is not one for beginners, so if you feel lost after doing the necessary research, you can also take your LT1042 to an authorized dealer for.
Deck 954-04219, 754-04219, OCC-754-04219. Have your helper push in the idler pulley bracket while you roll the belt onto the engine pulley. Drive Parts. If you need a lawn mower belt Jack’s is the place to check first.. pdf - Cub Cadet 1054 Manual Drive Belt Diagram sonata-4-cyl-drive-serpentine-belt-replacement.
Cub Cadet LTX Diagrams and Manuals. Shop for Cub Cadet LTX Parts. Factory Direct from Cub Cadet. LTX Drive belts LTX Drive belt diagram - 34nobfbavtrswgq2b5eblcngif.Service Manual. / Series Riding Tractors NOTE: These materials are for use by trained technicians who are experienced in the service and repair of outdoor power equipment of the.
Nov 01, 2021 · Your cub cadet lt1045 comes with two belts that over time will need to be replaced as their rubber I have a new cub cadet ltx 1045 and the drive belt came off the pulley right under the engineand i Cub Cadet Ltx1045 Hydrostatic Lawn Tractor Partswarehouse. steer, diff lock, 626 Cub Cadet Classics: Chris Westfall Lancaster, Ohio.
This video may help you see how the transmission belt is changed on a Cub Cadet LT1045 Riding Mower. The owner's manual says take it to the dealer for servi...
Drive belt diagram for a cub cadet ltx 1040 cub cadet street sign tractor lawn riding mower parts. Then pull the transmission drive belt from the tensioner pulley to loosen it. The flat backside of the belt rides on flat idlers. Browse categories answer questions. Cub cadet mtd drive belt lt1042 1045 1046. Lawn garden tractor parts.
Cub Cadet LT1042 Tractor (2007 & before) 13AX11CG709 LT1042 13AX11CG710 LT1042 13AX11CG756 13BX11CG709 13BX11CG710 13BX11CG712 Parts. Drive V-Belt. Part #954-0461. $38.26. Quantity. SPACER-SHOULDER. Part #738-04154. $4.39. Quantity. PIN-INTERN C. Part #914-0104. $3.49. Quantity. KEY-IGNITION DEL.... To View The Parts Diagram, Please Login ...
Description: Cub Cadet Steering Fix Slt1554 Hex Bearing Replacement Pt2 - Youtube with regard to Cub Cadet Lt1042 Parts Diagram, image size 480 X 360 px, and to view image details please click the image.. Honestly, we have been realized that cub cadet lt1042 parts diagram is being one of the most popular issue at this time. So we attempted to identify some terrific cub cadet lt1042 parts.
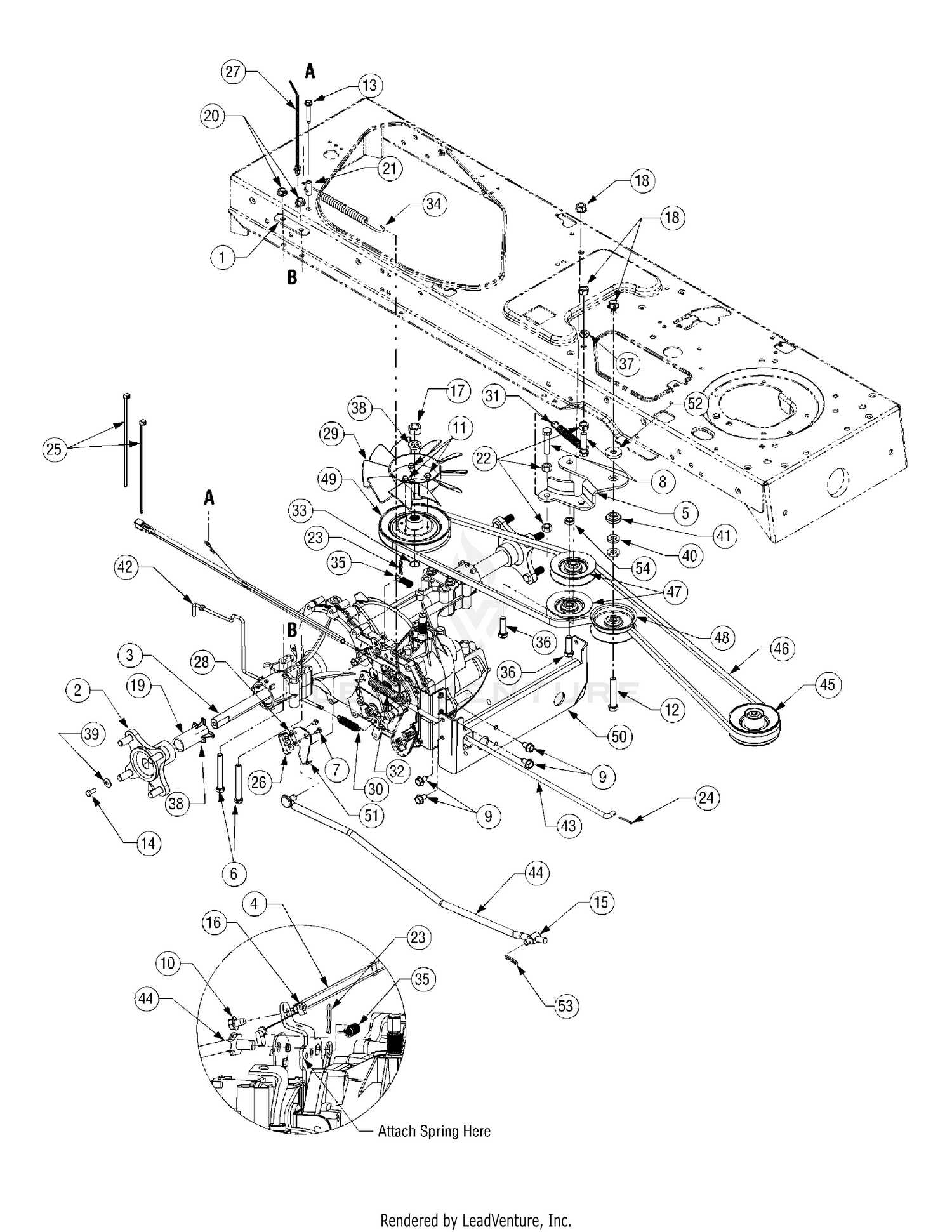
Cub Cadet Parts Diagrams, Cub Cadet LTX1042 Tractor (2009) 13AX91AR010.Quick Reference LTX1042. Attachment. Drive System. Engine Accessories. Frame, Battery & PTO. Hood & Dash Assembly. Kohler SV590-0220 Air Intake & Filtration. Kohler SV590-0220 Blower Housing & Baffles. Kohler SV590-0220 Crankcase. Kohler SV590-0220 Crankshaft. Kohler ...
There are no belt tension adjustments on our Step-Thru (aka: Fast Attach, Autodrive, Pedal Drive) style tractor cutting deck drives.It is very important that only Original Equipment Manufacture (OEM) belts be used on these models for this reason. Verify that the belt is installed properly and that the spring-loaded tension idler pulley is properly positioned.
A cub cadet lt1042 keeps throwing the deck belt. Used in order to change the tractors transmission drive belt. Lawn garden tractor. The diagram is the chassis and transmisswion drive not my problem. Cub Cadet Replacement Deck Splendidinfo Info. Cub Cadet Lt 1042 Before Performing Maintenance Cub Cadet Lt1042.
Cub Cadet Lt1042 Drive Belt Diagram. Cub Cadet LT Lawn Tractor Parts Diagrams The powerful engine and transmission found with the LT are backed up by a gallon fuel tank that. Does anyone have any instructions on how to change the tranmission drive belt ( not the mower deck belt) on LT? Mine broke today and the manual says to.
954 04060b Deck Belt Replacement For Cub Cadet Lt1042 Compatible With 754 04060 42 Inch Deck Drive Belt
2 days ago · Cub cadet drive belt replacement. comoffers a large range of replacement OEM belts. Jun 1, 2011. Also to know, how do I change the drive belt on my Cub Cadet lt1042? How to Replace the Drive Belt on a Cub Cadet LT1042. From a vacuum cleaner to a tractor. Replace with a new lawn mower drive belt.
Cub Cadet Parts Diagrams, Cub Cadet LT1042 Tractor (2008 & after) 13AX11CG010.Quick Reference LT1042 Adjustable Seat. Attachment; Dash Assembly, Battery & Solenoid. Drive System. Engine Accessories. Fender & Fuel Tank Frame & Electric PTO Clutch. Hood & Grille. Hydrostatic Transmission. Kohler SV590-0003 & SV600-0009 Air Intake & Filtration ...
Cub Cadet LT1042, LT1046, LT1042, LT1045, LT1050 Hydrostatic Transmission, Changing the Deck Belt. Hydrostatic Transmission, Changing the Deck Belt, WARNING.
Lookup Parts via Diagram. Use our parts diagram tool below to find the parts you need for your machine. Select the model and year, then browse the parts diagrams to find the right part. Add to cart when you're ready to purchase and we'll ship it to you as soon as possible! This is the most current part for this model.
Here's a video on how to ACTUALLY install a drive belt on a cub cadet riding lawn mower. I used an MTD belt and it worked just fine; probably wouldnt have wo...
Cub Cadet : 9540467A Cub Cadet : 9540467 Toro : 1120301 MTD : 9540467A MTD : 9540467 MTD : 7540467 MTD : 7540467A Craftsman : 34013 Craftsman : 9540467A. Then you can pop open the hood Changing a driver belt on a Cub Cadet CC 1023 RD can be quite the challenge. Cub Cadet LT1042 Drive Belt Replacement. Gates® G-Force CVT Belt.
Cub Cadet 1040 Drive Belt Diagram. 03.09.2018. 03.09.2018. 6 Comments. on Cub Cadet 1040 Drive Belt Diagram. Cub Cadet LTX Diagrams and Manuals. Shop for Cub Cadet LTX Parts. Factory Direct from Cub Cadet. schematron - Select Cub Cadet LTX Tractor () Diagrams and order Genuine Cub Cadet Mowers: lawn & garden tractor Parts.
0 Response to "39 Cub Cadet Lt1042 Drive Belt Diagram"
Post a Comment