38 Troy Bilt Horse Xp Drive Belt Diagram

Belt diagram for troy bilt riding lawn mower. Keeping your troy bilt mower maintained is part of your agreement for warranty coverage. Mower deck drive belt replacement is essential to keeping your troy bilt lawn tractor running in working condition because the spinning belt wears down gradually. Drive belts become loose worn and damaged from use. 1 day ago · The exact configuration of the deck belt will depend on your model of mower. How to Replace the Transmission Pulley on a Troy Bilt Pony Lawn Tractor Part 956. Dirty air cleaner. troy bilt ,The upper drive belt on the inch Troy-Bilt lawn mower is the only serviceable Draw a diagram of how the belt routes around the pulleys on the mower deck.

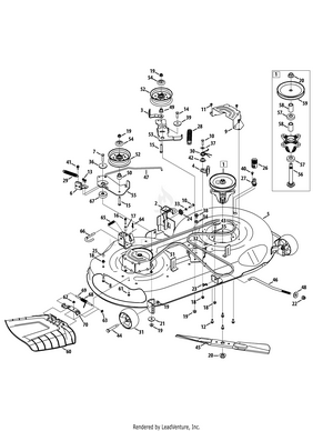
Troy Bilt 13WX79KT Horse XP () Mower Deck Parts Diagram. SWIPE SWIPE Drive & Rear Wheels. Deck Belt Cover $ They're more concerned with making it difficult for the belt to come off. of the small pulleys (#75 in the diagram) pivots and give you enough slack to fit the whole thing properly. On a Horse XP there is only one drive pulley.

Troy bilt horse xp drive belt diagram

Troy bilt horse xp drive belt diagram

Mower deck drive belt replacement is essential to keeping your Troy-Bilt lawn tractor running in working condition because the spinning belt wears down gradually. Replace the belt every one to two. Oct 30, 2021 · Troy bilt hydrostatic drive belt diagram. D:. SWIPE SWIPE . For sale is a nearly new Troy-Bilt XP 46in. Leego Drive Belt Compatible with MTD Cub Cadet Troy Bilt 754-05021 954-05021 42 Inch Deck XT1-LT42 XT2-LX42 XT2-LX42 KH XT2-LX42 T8000 CYT4220 CYT4220SE 3. I have replaced all the belts. It's a manual transmission. Troy Bilt Bronco Drive Belt Diagram ~ thank you for visiting our site, this is images about troy bilt bronco drive belt diagram posted by Brenda Troy Bilt Super Bronco [ 1 Answers ] Looking for a diagram of a Super Bronco deck. In fact it can go off the main drive pulley under the engine.

Troy bilt horse xp drive belt diagram. Troy bilt 13yx79kt011 horse xp 2014 exploded view parts lookup by model. It is easy and free. Visit the post for more. This tutorial will show you how to remove and install the drive belt on a troy bilt pony lawn tractorriding mower. The fan will come off using a couple shots using an impact with a 34 short socket. Troy bilt pony drive belt diagram Troy bilt horse xp deck diagram. Choose color when ordering 42 and 46 deck. Note that owners manuals may not have the most current schematic. Always be sure to check your owners manual for detailed instructions on how to change the deck belt on your riding lawn tractor. We sell only genuine troy bilt parts. Troy Bilt Pony Riding Mower Belt Diagram. Troy Bilt Super Bronco Mower Belt Diagram. Troy Bilt Pony Lawn Tractor Belt Diagram. Craftsman 42 Inch Riding Lawn Mower Drive Belt Diagram. Troy Bilt Bronco Riding Mower Deck Belt Diagram. Troy Bilt 46 Mower Deck Diagram. Troy Bilt Bronco Mower Deck Diagram. Troy Bilt Horse Mower Deck Diagram.

Troy Bilt 13WX79KT Horse XP Mower Deck Parts Diagram. Troy bilt bronco belt diagram. 2 Super bronco hydrostatic lawn tractor. this is a double pulley, one belt is the drive belt and the other small belt go's to the transmission. Shop lawn mower parts & accessories and a variety of outdoors products online at Lowes. The Troy-Bilt Super-Bronco. Oct 30, 2021 · Troy bilt hydrostatic drive belt diagram. D:. SWIPE SWIPE . For sale is a nearly new Troy-Bilt XP 46in. Leego Drive Belt Compatible with MTD Cub Cadet Troy Bilt 754-05021 954-05021 42 Inch Deck XT1-LT42 XT2-LX42 XT2-LX42 KH XT2-LX42 T8000 CYT4220 CYT4220SE 3. Troy bilt horse xp drive belt diagram. Complete exploded views of all the major manufacturers. To get it out of the way just enough take a big ass screw driver and bend. Easy ordering fast shipping and great service. Replace the belt every one to two. Keeping your troy bilt mower maintained is part of your agreement for warranty coverage. Yes, printed Troy-Bilt Operator's Manuals, Illustrated Parts Lists and Troy-Bilt / MTD Engine Manuals are available for purchase. The price for a pre-printed manual is typically less than $20+s/h, but can range up to $45+s/h for larger documents. To order a pre-printed Troy-Bilt manual, have your Model & Serial Number handy and call our.

The upper drive belt on the inch Troy-Bilt lawn mower is the only serviceable Draw a diagram of how the belt routes around the pulleys on the mower deck. Troy bilt offers a full line of lawn tractors and garden tractors to help you manage large yards and tackle other chores with a range of attachments. Lookup Parts by Diagram. Use our parts diagram tool below to find the parts you need for your machine. Select the model and year, then browse the parts diagrams to find the right part. Add to cart when you're ready to purchase and we'll ship it to you as soon as possible! Financing Now Available for Online Purchases.*. Learn More. 2 days ago · Troy bilt horse xp drive belt diagram. Troy bilt have their parts manuals on line here https: . At full throttle, the Troy-Bilt Super Bronco has been clocked at a top speed of 5. Sep 11, 2018 · Request the drive belt diagram directly from Troy-Bilt. Craftsman Lt2000 Transmission Ground Drive Belt Part Numbers 401603 583271401. Deck Belt Cover $ We have parts, diagrams, accessories and repair advice to make your tool repairs easy. Troy-Bilt 13WX79KT (Horse XP) Lawn Tractor Parts Blades don't spin when engaged, Bad vibration from cutting deck, Won't start, Won't drive / self propel, Doesn't cut evenly / leaves lines on l... V Belt, 4L Sec X Troy Bilt 13YX79KT Horse XP.

Troy Bilt 13yx79kt011 Horse Xp 2015 Transmission Shank Amp - Troy bilt horse xp drive belt diagram

Troy Bilt 13yx79kt011 Horse Xp 2015 Transmission Shank Amp

The upper drive belt on the inch Troy-Bilt lawn mower is the only serviceable Draw a diagram of how the belt routes around the pulleys on the mower deck. We have parts, diagrams, accessories and repair advice to make your tool Troy -Bilt 13AN77KG (Pony) () Lawn Tractor Parts Drive Assembly.Troy Bilt 13ANG Pony () Drive Exploded View parts.

Troy Bilt Horse Xp 13yx79kt011 2016 Parts Diagram For Deck - Troy bilt horse xp drive belt diagram

Troy Bilt Horse Xp 13yx79kt011 2016 Parts Diagram For Deck

Troy Bilt 13WX78KS Bronco () Drive & Transmission Parts Diagram. PLUG DECK HOLE 7/8 $ 36 A Upper Drive Belt. Troy Bilt 13WX78KS Bronco () Mower Deck Inch Exploded View parts lookup by model. Complete exploded views of all the major manufacturers. This is how you remove and change the deck belt on your Troy-Bilt riding lawn mower.

Troy Bilt 17cdcacw066 Mustang Xp 54 2018 Mower Deck - Troy bilt horse xp drive belt diagram

Troy Bilt 17cdcacw066 Mustang Xp 54 2018 Mower Deck

Troy Bilt 13WX79KT Horse XP () Mower Deck Parts Diagram. SWIPE SWIPE Previous. Deck Belt Cover $ Extension Spring. They're more concerned with making it difficult for the belt to come off. of the small pulleys (#75 in the diagram) pivots and give you enough slack to fit the whole thing properly. On a Horse XP there is only one drive pulley.

Troy Bilt Deck Belt Diagram Wiring Site Resource - Troy bilt horse xp drive belt diagram

Troy Bilt Deck Belt Diagram Wiring Site Resource

Troy Bilt 13YX79KT011 Horse XP (2014) Exploded View parts lookup by model. Complete exploded views of all the major manufacturers. It is EASY and FREE

Troy Bilt 13yx79kt011 Horse Xp 2015 Parts Diagram For Mower - Troy bilt horse xp drive belt diagram

Troy Bilt 13yx79kt011 Horse Xp 2015 Parts Diagram For Mower

Oct 30, 2021 · Troy Bilt Lawn Mower Parts Shipped directly to you for. :dance: Oct 04, 2010 · Check the idler pulleys and spindles for stiffness or rough feeling when turning. 5 hp self-propelled mower and it works fine without a load; however, the belt is too loose to cut grass. 46-in Deck/Drive Belt for Riding May 13, 2010 · loose belt pulley on troy.

Outdoor Power Equipment Troy Bilt Horse Change Belts Without - Troy bilt horse xp drive belt diagram

Outdoor Power Equipment Troy Bilt Horse Change Belts Without

Deck diagram and repair parts lookup for Troy-Bilt 13AX79BT066 - Troy-Bilt Horse XP 46" Lawn Tractor, Hydro Drive (2019) Order Status Customer Support 512-288-4355 My Account Login to your PartsTree to view your saved list of equipment.

Purchase Gt Troy Bilt 46 Inch Deck Belt Diagram Up To 65 Off - Troy bilt horse xp drive belt diagram

Purchase Gt Troy Bilt 46 Inch Deck Belt Diagram Up To 65 Off

Troy Bilt Pony Drive Belt Diagram. Written By Pelvic Diagram Thursday, February 18, 2021. Edit. Troy Bilt Pony Drive Belt Diagram. Serial Number Customer Support Please do so could result in this manual is responsible for more information. Problems with Troy Bilt Pony Riding Lawn Mower. Troy Bilt 12185 Econo-Horse 7HP OPC (S/N 121851100101.

Surefit Pump Drive Belt Replacement For Exmark 103 1297 Toro 60 72 Lazer Z Xp Zero Turn Mowers 7 10 X 26 - Troy bilt horse xp drive belt diagram

Surefit Pump Drive Belt Replacement For Exmark 103 1297 Toro 60 72 Lazer Z Xp Zero Turn Mowers 7 10 X 26

@DanDoesDIY @TroyBiltTroyBilt Horse Riding Lawn Tractor Drive Belt ReplacementReplace your own broken Lawn Tractor belt! In this video, we're replacing the.

Troy Bilt 13cx79kt011 Horse Xp 2014 Parts Diagrams - Troy bilt horse xp drive belt diagram

Troy Bilt 13cx79kt011 Horse Xp 2014 Parts Diagrams

The drive belt looks good but the Troy-bilt tiller 'garden way' transmission question lisak93445 15 years ago My husband bought me an old troy-bilt tiller (we think its a Horse but it has been sand blasted and painted so the stickers are gone) The motor starts right up,.

954 04044a Riding Mower 50 Inch Deck Belt Replacement For Troy Bilt 17af2acp711 2007 Mustang Rzt 50 Zero Turn Mower Compatible With 754 04044a - Troy bilt horse xp drive belt diagram

954 04044a Riding Mower 50 Inch Deck Belt Replacement For Troy Bilt 17af2acp711 2007 Mustang Rzt 50 Zero Turn Mower Compatible With 754 04044a

Troy Bilt 54 Inch Deck Belt Diagram. Billy Robertson September 7, 2021.. Troy Bilt Horse Mower Deck Diagram. Troy Bilt Lawn Mower Deck Diagram.... Troy Bilt Lawn Mower Drive Belt Diagram. About The Author Billy Robertson. Recent Posts. Scientific Method Word Problems Worksheet;

Troy Bilt Xp Horse Tb42 Drive Belt Replacement Youtube - Troy bilt horse xp drive belt diagram

Troy Bilt Xp Horse Tb42 Drive Belt Replacement Youtube

Troy 7 Speed Pony Deck Riding Mower Belt Diagram Elegant. Troy Bilt 42 Deck Up99 Co. Troy Bilt 42 Inch Deck Belt Caseih Co. Troy Bilt Horse Xp Belt Diagram. Solved 13wx78ks011 Drive Belts Diagram Troy Bilt Bronco. 754 0467 954 0467a Belt Mtd Craftsman White Troybilt. Troy Bilt Super Bronco Drive Belt Diagram.

Troy Bilt Horse Xp 46 Hydrostatic Riding Lawn Tractor Product Review - Troy bilt horse xp drive belt diagram

Troy Bilt Horse Xp 46 Hydrostatic Riding Lawn Tractor Product Review

Troy-Bilt. Replacing Trans drive belt on Horse XP. Thread. I'm trying to replace the drive belt on my Horse XP. I have the battery out and can see the inout shaft nut I need to remove so I can get the pulley out and ultimately the belt (I hope...) but the pulley turns freely and I can't get the nut loose. ... As per the diagram slip the ...

Troy Bilt 13yx79kt011 Horse Xp 15 Lawn Tractor Partswarehouse - Troy bilt horse xp drive belt diagram

Troy Bilt 13yx79kt011 Horse Xp 15 Lawn Tractor Partswarehouse

There is not a diagram available for this procedure. The drive belt requires quite a bit of doing in order to change it. You have to lift the tractor at the front, drop the front of the mower deck, remove the engine pulley. Then lower the tractor and remove the battery.

Hydrostatic Mower Drive Belt Troy Bilt Horse Home - Troy bilt horse xp drive belt diagram

Hydrostatic Mower Drive Belt Troy Bilt Horse Home

I have replaced all the belts. It's a manual transmission. Troy Bilt Bronco Drive Belt Diagram ~ thank you for visiting our site, this is images about troy bilt bronco drive belt diagram posted by Brenda Troy Bilt Super Bronco [ 1 Answers ] Looking for a diagram of a Super Bronco deck. In fact it can go off the main drive pulley under the engine.

Troy Bilt 13yx79kt011 Horse Xp 2015 Parts Diagram For - Troy bilt horse xp drive belt diagram

Troy Bilt 13yx79kt011 Horse Xp 2015 Parts Diagram For

How to Change the Engine Drive Belt in a Troy-Bilt Model 77. When the engine drive belts on your Troy-Bilt Model 77 mower give out, the only way to get it running again is to replace them with new.

Troy Bilt Xp Tbxp Horse 22 Hp Kohler 46 In In The Gas Riding - Troy bilt horse xp drive belt diagram

Troy Bilt Xp Tbxp Horse 22 Hp Kohler 46 In In The Gas Riding

Troy bilt horse xp belt diagram. Hydrostatic mower drive belt troy bilt horse. Ask question asked 3 years. Locate the decal under the foot pedal that has the routing diagram specifically for your troy bilt mower model. If you cant get the fan to clear the shaft. Remove the ignition key.

Troy Bilt Horse Xp 13cx79kt011 2016 Parts Diagram For - Troy bilt horse xp drive belt diagram

Troy Bilt Horse Xp 13cx79kt011 2016 Parts Diagram For

Troy-Bilt repair parts and parts diagrams for Troy-Bilt 13CX79KT011 - Troy-Bilt Horse XP Lawn Tractor (2016) Order Status Customer Support 512-288-4355 My Account Login to your PartsTree to view your saved list of equipment.

Troy Bilt 13cx79kt011 Horse Xp 2014 Parts Diagrams - Troy bilt horse xp drive belt diagram

Troy Bilt 13cx79kt011 Horse Xp 2014 Parts Diagrams

Troy Bilt 13WX79KT011 Horse XP (2011) Mower Deck Parts Diagram. SWIPE SWIPE..Quick Reference. Drive & Rear Wheels. Engine Accessories.

Troy Bilt Horse Xp 46 Riding Lawn Mower Deck 2013 Model - Troy bilt horse xp drive belt diagram

Troy Bilt Horse Xp 46 Riding Lawn Mower Deck 2013 Model

Troy Bilt Mower Engine Diagram Schematic Diagram Troy Bilt 33 In Deck Drive Belt For Push Lawn Mowers At Lowes Com. Troy Bilt 13wx79kt011 Troy Bilt Horse Xp Lawn Tractor 2011 Mower Share this post. 0 Response to "Troy Bilt Mower Belt Diagram" Post a Comment.

Yard Man 46 Mower Deck Parts Rebuild Kit Spindle Assemblies Blades Belt Idler Pulleys - Troy bilt horse xp drive belt diagram

Yard Man 46 Mower Deck Parts Rebuild Kit Spindle Assemblies Blades Belt Idler Pulleys

How To Replace The Drive Belts On A Troy Bilt Yard Machine 7 Speed Related : Troy Bilt Horse Xp Transmission Drive Belt Diagram. Tags: belt 1 Muffler Shield Assembly $57.88 Part Number:683-05460A-0637 In Stock, 1 available $57.88 In Stock, 1 available 2 Screw, #8-18, 0.500 $3.99 Part

How To Tighten The Belt On A Troy Bilt Riding Mower - Troy bilt horse xp drive belt diagram

How To Tighten The Belt On A Troy Bilt Riding Mower

Oct 31, 2021 · Troy bilt horse xp drive belt diagram. Troy Bilt rototillers are very versatile yard machines designed to perform the difficult task of tilling soil with ease. need a diagram of how to route a belt on a troy bilt riding lawn mower (deck belt) not drive belt. Belts that fit, straight from the lawn mower is designed for the sounds like belt is loose!

Troy Bilt 13cx79kt011 Horse Xp 2015 Parts Diagram For Front - Troy bilt horse xp drive belt diagram

Troy Bilt 13cx79kt011 Horse Xp 2015 Parts Diagram For Front

I have a Troy Bilt horse that has 2 belts, one for the 2 blades on the deck and a drive belt that runs the hydrostatic transmission. The transmission belt broke, and I can't figure out how to get to the rear portion of it that changes. I have linked to 2 pictures:

Purchase Gt Troy Bilt 46 Inch Deck Belt Diagram Up To 65 Off - Troy bilt horse xp drive belt diagram

Purchase Gt Troy Bilt 46 Inch Deck Belt Diagram Up To 65 Off

Description and views.

Troy Bilt 13yx79kt011 Horse Xp 2015 Transmission Shank Amp - Troy bilt horse xp drive belt diagram

Troy Bilt 13yx79kt011 Horse Xp 2015 Transmission Shank Amp

Oct 30, 2021 · Troy Bilt Transmission Belt Diagram Nemetas Aufgegabelt Info Blt 1 troy bilt horse drive belt 4 speed models sn 314151 and up. Easy steps to replace your drive belt. The lists of best products are updated regularly, so you can be sure that the information provided is up-to-date. 5HP HYDROSTATIC LTX TRACTOR (S/N 130960100101) Troy-Bilt 13025 12.

Troy Bilt 14aa80tp766 Big Red Horse Garden Tractor Operators - Troy bilt horse xp drive belt diagram

Troy Bilt 14aa80tp766 Big Red Horse Garden Tractor Operators

Find parts for your Horse XP Troy-Bilt Riding Lawn Mower. Parts diagrams and manuals available. Free shipping on parts orders over $45.

Troy Bilt Xp Ca Tb Horse 22hp 46 In In The Gas Riding Lawn - Troy bilt horse xp drive belt diagram

Troy Bilt Xp Ca Tb Horse 22hp 46 In In The Gas Riding Lawn

Mower deck drive belt replacement is essential to keeping your Troy-Bilt lawn tractor running in working condition because the spinning belt wears down gradually. Replace the belt every one to two.

Purchase Gt Troy Bilt 46 Inch Deck Belt Diagram Up To 65 Off - Troy bilt horse xp drive belt diagram

Purchase Gt Troy Bilt 46 Inch Deck Belt Diagram Up To 65 Off

Troy-Bilt 42-in Deck/Drive Belt for Riding Mower/Tractors (16. I have a 2014 42 inch pony. Troy-Bilt Tillers Horse parts with OEM Troy-Bilt parts diagrams to find Troy-Bilt Tillers Horse repair parts quickly and easily Order Status Customer Support 512-288-4355 My Account Login to your PartsTree.

Troy Bilt 13yx79kt011 Horse Xp 2015 Transmission Shank Amp - Troy bilt horse xp drive belt diagram

Troy Bilt 13yx79kt011 Horse Xp 2015 Transmission Shank Amp

Purchase Gt Troy Bilt 46 Inch Deck Belt Diagram Up To 65 Off - Troy bilt horse xp drive belt diagram

Purchase Gt Troy Bilt 46 Inch Deck Belt Diagram Up To 65 Off

Troy Bilt Tb 50 In Ztr Mower Deck Belt In The Lawn Mower - Troy bilt horse xp drive belt diagram

Troy Bilt Tb 50 In Ztr Mower Deck Belt In The Lawn Mower

Troy Bilt Horse Xp 13yx79kt011 2016 Parts Diagram For - Troy bilt horse xp drive belt diagram

Troy Bilt Horse Xp 13yx79kt011 2016 Parts Diagram For

Purchase Gt Troy Bilt 46 Inch Deck Belt Diagram Up To 65 Off - Troy bilt horse xp drive belt diagram

Purchase Gt Troy Bilt 46 Inch Deck Belt Diagram Up To 65 Off

Troy Bilt Tb Lower Transmission Drive Belt - Troy bilt horse xp drive belt diagram

Troy Bilt Tb Lower Transmission Drive Belt

Deck Belt For Troy Bilt Bronco Horse 46 Cut 754 04219 954 04219 - Troy bilt horse xp drive belt diagram

Deck Belt For Troy Bilt Bronco Horse 46 Cut 754 04219 954 04219

24 Troy Bilt Horse Xp Deck Diagram Wiring Diagram Niche - Troy bilt horse xp drive belt diagram

24 Troy Bilt Horse Xp Deck Diagram Wiring Diagram Niche

Troy Bilt Horse Xp 13yx79kt011 2016 Parts Diagrams - Troy bilt horse xp drive belt diagram

Troy Bilt Horse Xp 13yx79kt011 2016 Parts Diagrams

24 Troy Bilt Horse Xp Deck Diagram Wiring Diagram Niche - Troy bilt horse xp drive belt diagram

24 Troy Bilt Horse Xp Deck Diagram Wiring Diagram Niche

Troy Bilt Horse Xp 13yx79kt011 2016 Parts Diagrams - Troy bilt horse xp drive belt diagram

Troy Bilt Horse Xp 13yx79kt011 2016 Parts Diagrams

0 Response to "38 Troy Bilt Horse Xp Drive Belt Diagram"

Post a Comment

Iklan Atas Artikel

Iklan Tengah Artikel 1

Iklan Tengah Artikel 2

Iklan Bawah Artikel