43 Briggs And Stratton Generator Parts Diagram
Main Unit (207719) diagram and repair parts lookup for Briggs & Stratton 030430-1 - Briggs & Stratton 5,500 Watt Portable Generator Order Status Customer Support 512-288-4355 My Account Login to your PartsTree to view your saved list of equipment. If you can't find the replacement Briggs & Stratton Parts you need in the categories above, see All Briggs & Stratton Parts Here. How to Find Your Briggs & Stratton Engine Model/Serial Number The model number system on a Briggs and Stratton engine includes a model number, an engine type number, and a code number that can be found on a metal.
Briggs & Stratton 030469-0 generator parts - manufacturer-approved parts for a proper fit every time! We also have installation guides, diagrams and manuals to help you along the way!

Briggs and stratton generator parts diagram
Briggs & Stratton Generator Model 040305B-0 Parts. Briggs & Stratton Generator Model 040305B-0 Parts are easily labeled on this page to help you find the correct component for your repair. Filter results by category, title and symptom. You can also view diagrams and manuals, review common problems that may help answer your questions, watch related videos, read insightful articles or use our. Briggs & Stratton 01532-2 generator parts - manufacturer-approved parts for a proper fit every time! We also have installation guides, diagrams and manuals to help you along the way! Briggs and Stratton Illustrated Parts Diagrams available online from LawnMowerPros and ready to assist you in finding your repair parts. We are an Authorized Briggs and Stratton Small Engine Dealer carrying a large selection of Illustrated Parts Lists.
Briggs and stratton generator parts diagram. Briggs & Stratton Generator Model 040305B-0 Parts. Briggs & Stratton Generator Model 040305B-0 Parts are easily labeled on this page to help you find the correct component for your repair. Filter results by category, title and symptom. You can also view diagrams and manuals, review common problems that may help answer your questions, watch related videos, read insightful articles or use our. Briggs & Stratton repair parts and parts diagrams for Briggs & Stratton 030253-0 - Briggs & Stratton 5,550 Watt Portable Generator Order Status Customer Support 512-288-4355 My Account Login to your PartsTree to view your saved list of equipment. Briggs and Stratton Illustrated Parts Diagrams available online from LawnMowerPros and ready to assist you in finding your repair parts. We are an Authorized Briggs and Stratton Small Engine Dealer carrying a large selection of Illustrated Parts Lists. Briggs & Stratton 030651-00 generator parts - manufacturer-approved parts for a proper fit every time! We also have installation guides, diagrams and manuals to help you along the way!
Main Unit (318925) diagram and repair parts lookup for Briggs & Stratton 040336-00 - Briggs & Stratton 20kW Home Standby Generator Order Status Customer Support 512-288-4355 My Account Login to your PartsTree to view your saved list of equipment. Briggs & Stratton Generator Model 01470-0 Parts. Briggs & Stratton Generator Model 01470-0 Parts are easily labeled on this page to help you find the correct component for your repair. Filter results by category, title and symptom. You can also view diagrams and manuals, review common problems that may help answer your questions, watch related videos, read insightful articles or use our repair. Briggs & Stratton Generator Model 01140-1 Parts. Briggs & Stratton Generator Model 01140-1 Parts are easily labeled on this page to help you find the correct component for your repair. Filter results by category, title and symptom. You can also view diagrams and manuals, review common problems that may help answer your questions, watch related videos, read insightful articles or use our repair. Repair Parts Home Lawn Equipment Parts Briggs and Stratton Parts Briggs and Stratton Generator Parts Briggs and Stratton 030244-0 8,000 Watt Portable Generator Parts.. The Generator and engine are shown on two different parts diagrams as each has its own model number. The model number of your generator's engine is stamped on the valve cover.
Briggs & Stratton 01532-2 generator parts - manufacturer-approved parts for a proper fit every time! We also have installation guides, diagrams and manuals to help you along the way! Shop directly from Briggs and Stratton! This is the Official Briggs & Stratton online source for genuine OEM lawnmower parts, small engines, replacement engines, outdoor power equipment engines, and replacement parts. I too have a Briggs & Stratton portable generator, model 030430-1, 5500 watt unit. My unit has never been used and was purchased new 6 years ago and it had been in garage storage since then. It was bought for emergency power outages such as the one we had last weekend. Unit starts fine, just not generating voltage needed. Generator Parts: Briggs & Stratton Maintenance Kits; View results. Recently viewed. Free delivery on Orders over $299. We offer free shipping on all orders over $299 within the lower 48. Satisfied or refunded. See Return Policy. Top-notch support. For any questions please call 248-437-9299 or email us sales@sps-hv .
Parts & Accessories. Keep your lawn mower and outdoor power equipment running at peak performance with Briggs & Stratton parts and accessories. Whether you're searching for a replacement carburetor, or a simple spark plug, Briggs & Stratton small engine parts are guaranteed to fit and built to last longer than aftermarket or generic parts.
Watch Video. $7.09. ADD TO CART. Briggs & Stratton Original Equipment 491588S Air Filter. Briggs & Stratton genuine parts are specially designed to exact OEM standards, manufactured and tested to help deliver optimum performance in Briggs & Stratton engines. Briggs & Stratton Generator Air Filter. Genuine OEM Part # 17211-ZL8-023 | RC Item.
Find the operator's manual or illustrated parts list for your Briggs & Stratton engine or product by following the instructions below. Looking for a part number? Use the Parts Lookup tool to find your part number, availability & pricing, and order online.
Briggs & Stratton 030430 generator parts - manufacturer-approved parts for a proper fit every time! We also have installation guides, diagrams and manuals to help you along the way!
The best way to buy repair parts for your Briggs & Stratton is to begin by searching for your Briggs & Stratton model number on PartsTree and use the OEM Briggs & Stratton parts diagrams to find the parts that fit exactly like the originals from the Briggs & Stratton factory. When you locate your Briggs & Stratton model tag, take a picture for.
Hello dickjoan2009, You will need to locate the model (Or series) and type of the engine of the Briggs and Stratton, and then find the parts diagram on this site www.ereplacementparts .Then you should be able to locate the parts you are looking for.
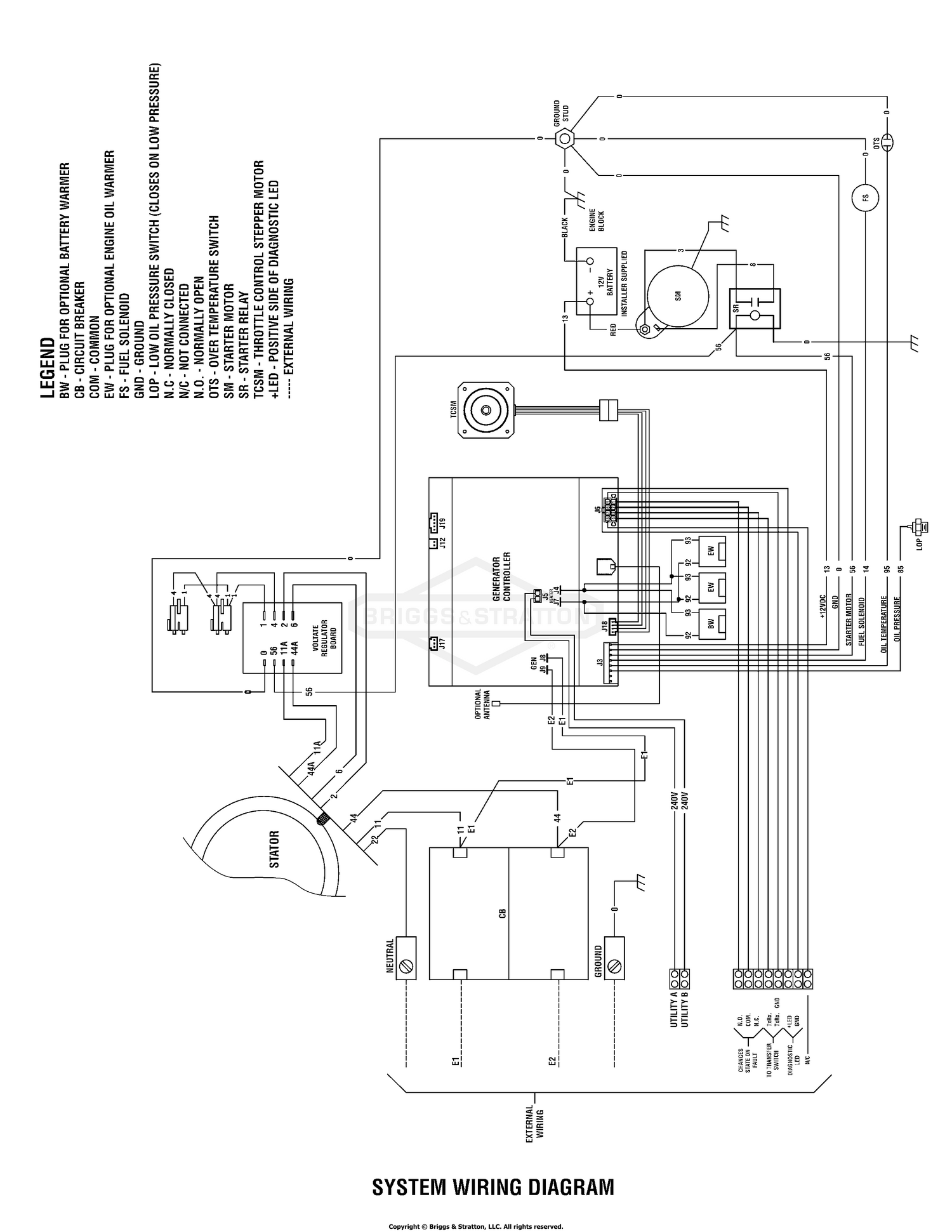
Description: Powermate Formerly Coleman Pm0545007.01 Parts Diagram For pertaining to Briggs And Stratton Generator Parts Diagram, image size 1500 X 956 px, and to view image details please click the image.. Here is a picture gallery about briggs and stratton generator parts diagram complete with the description of the image, please find the image you need.
Parts Lookup Tool. This interactive page will allow you to find the exact replacement part you need, using official parts diagrams from the manufacturer. Even better, once you find your part, you can easily add it to your cart and check out – getting you up and running even faster. To begin, please click the brand of your engine or equipment.
Briggs and Stratton Power Products 030237-0 - 7,800 Watt Troy-Bilt Exploded View parts lookup by model. Complete exploded views of all the major manufacturers. It is EASY and FREE
Briggs and Stratton 130232-2100-99 Exploded View parts lookup by model. Complete exploded views of all the major manufacturers. It is EASY and FREE
Briggs and Stratton 44R877-0008-G1 Parts Diagrams. Parts Lookup - Enter a part number or partial description to search for parts within this model. There are (262) parts used by this model. (5/9 Amp. Regulated) (5/9 Amp.
Briggs and Stratton Power Products 030697-00 - 2,200 Watt Briggs & Stratton Inverter Generator Alternator & Control Panel (80020881P1) Exploded View parts lookup by model. Complete exploded views of all the major manufacturers. It is EASY and FREE
Briggs & Stratton Generators Home Standby Generator parts with OEM Briggs & Stratton parts diagrams to find Briggs & Stratton Generators Home Standby Generator repair parts quickly and easily. Order Status Customer Support 512-288-4355 My Account. Login to your PartsTree to view your saved list of equipment.
Briggs and Stratton 131G32-0001-01 Carburetor Exploded View parts lookup by model. Complete exploded views of all the major manufacturers. It is EASY and FREE
Use our part lists, interactive diagrams, accessories and expert repair advice to make your repairs easy. 877-346-4814. Departments. Repair Parts Home Lawn Equipment Parts Briggs and Stratton Parts Briggs and Stratton Generator Parts Briggs and Stratton 030430-0 5,500 Watt Portable Generator Parts.
Briggs and Stratton Generator parts that fit, straight from the manufacturer. Use our interactive diagrams, accessories, and expert repair help to fix your Briggs and Stratton Generator. 877-346-4814. Departments Accessories Appliance Parts Exercise.
Briggs Engine Parts. Repair your Briggs and Stratton engine with air filters, spark plugs, oil filters, starters, and Briggs maintenance kits. OEM Briggs parts for Vanguard, ELS, Pro Series, Intek and Quantum engines. Briggs & Stratton Parts Diagram Lookups. How to find your Briggs Model number?
Description: Briggs And Stratton 31C707-0154-E1 Parts Diagram For Carburetor with regard to Briggs And Stratton Carburetor Parts Diagram, image size 1180 X 1408 px, and to view image details please click the image.. Here is a picture gallery about briggs and stratton carburetor parts diagram complete with the description of the image, please find the image you need.
3: Parts. Series 020000 to 05G900 Engines. Series 060000 to 060900 Engines. Briggs and Stratton 020000 to 05G900 Series Engines. Briggs and Stratton 060000 to 060900 Series Engines.
0 Response to "43 Briggs And Stratton Generator Parts Diagram"
Post a Comment