41 Craftsman Rear Tine Tiller Parts Diagram
200298711 Tiller 24723000 Tiller 247297650 Tiller 247297730 Tiller 247297750 Sears 5 Hp Chain Drive Tiller 247297780 Sears 8-H.P. Tiller 24729852 Craftsman Tiller Model 247.29852 (24729852, 247 29852) Parts Samsung model RF28HMELBSR AA 0000 bottom mount refrigerator genuine parts. craftsman 917 parts list and diagram need to fix your 917 rear tine tiller we have parts diagrams accessories and repair advice to make your tool repairs easy. G. READ Arteries Of the Leg Diagram.
Craftsman 917296030 rear-tine tiller parts - manufacturer-approved parts for a proper fit every time! We also have installation guides, diagrams and manuals to help you along the way!

Craftsman rear tine tiller parts diagram
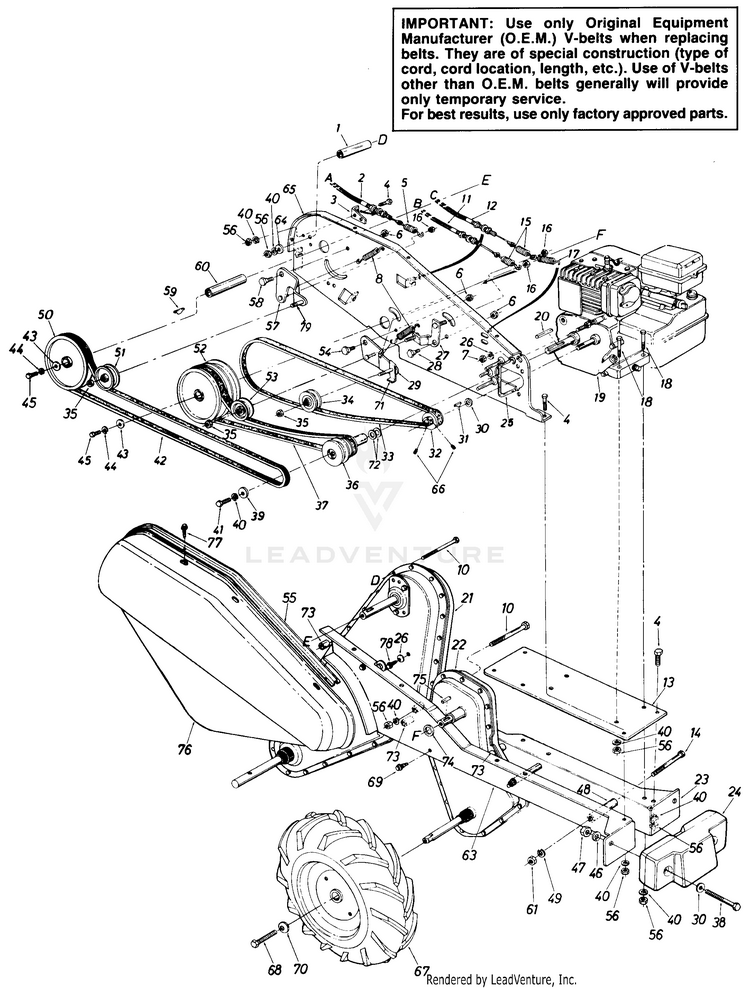
Craftsman 917299850 rear tine tiller parts. Craftsman tiller flywheel key. To find a specific part for your tiller choose your model from the list above click the chat button or call 1 800 252 1698. Husqvarna 132801 rear tine tiller drive belt genuine original equipment manufacturer oem part. Craftsman rear-tine tillers make it easy for you to turn the soil and incorporate soil amendments in your garden. If the wheels or tires on your Craftsman rear-tine tiller won't turn, or the engine runs rough or won't start, find the Craftsman tiller parts you need to fix the problem at Sears PartsDirect. How to repair and reassemble a Transmission for a Craftsman rear tiller 917299020, stuck in neutral
Craftsman rear tine tiller parts diagram. CRAFTSMAN° 5.5 HP 24 INCH TINE WIDTH FRONT TINE TILLER • Assembly • Operation • Customer Responsibilities • Service and Adjustments • Repair Parts Sears Canada, Inc., Toronto, Ontario M5B 2B8 Popular Craftsman Tiller Parts. Lock Nut. Part Number: 712-04063. In Stock, 12 available. This is a genuine manufacturer-sourced replacement hardware that is commonly utilized on Craftsman lawn and garden equipment. A lock nut is a type of nut that resists loosening when it is properly threaded onto a bolt. View and Download Craftsman 917.293493 owner's manual online. REAR TINE TILLER WITH DUAL ROTATING TINES 7.0 HP 19 Inch Tine Width. 917.293493 tiller pdf manual download. Rear Tine Tiller. The powerful 208cc engine breaks through tough soil with the help of its aluminum encased gear-drive transmission. An adjustable depth stake and 14-In. tilling width is suited for a wide array of applications. Its four counter rotating 10-In. steel tines will give you the power you need to muscle through any garden or tough.
Quality Craftsman Tiller Replacement Parts From Repair Clinic. Maintaining your garden with a Craftsman tiller is a lot easier with help from Repair Clinic. We stock replacement parts for all Craftsman models, including the 24-inch 208cc Front Tine Tiller, the 14-inch 208cc Rear Tine Tiller, and the 29cc 4-cycle Gas Cultivator. The best way to find parts for Craftsman tiller model 247.29932 / 2012 is by clicking one of the diagrams below. You can also browse the most common parts for Craftsman tiller model 247.29932 / 2012. Craftsman repair parts and parts diagrams for Craftsman 917.296250 (954329172) - Craftsman 500RTTA Series Rear-Tine Tiller (2002-12) (Sears) Order Status Customer Support 512-288-4355 My Account Login to your PartsTree to view your saved list of equipment. Need to fix your 917.299080 900 Series Rear Tine Tiller? Use our part lists, interactive diagrams, accessories and expert repair advice to make your repairs easy.
Craftsman rear-tine tillers make it easy for you to turn the soil and incorporate soil amendments in your garden. If the wheels or tires on your Craftsman rear-tine tiller won't turn, or the engine runs rough or won't start, find the Craftsman tiller parts you need to fix the problem at Sears PartsDirect. MTD Tillers parts with OEM MTD parts diagrams to find MTD Tillers repair parts quickly and easily Order Status Customer Support 512-288-4355 My Account Login to your PartsTree to view your saved list of equipment. Craftsman 917299060 rear-tine tiller parts - manufacturer-approved parts for a proper fit every time! We also have installation guides, diagrams and manuals to help you along the way! New tiller parts for your rear tine or front tine roto tiller or cultivator. We have genuine and aftermarket parts for all of the major brands. Get back on the job quick -- fast shipping and great service!
CRAFTSMAN° REAR TINE TILLER WITH DUAL ROTATING TINES 7.0 HP 17 Inch Tine Width. tiller all parts and hardware you assemble must be tightened securely. Use the cor-rect tools as necessary to insure proper tightness. CUSTOMER RESPONSIBILITIES • Read and observe the safety rules.
$ $ 12 74 Prime. Parts diagram for transmission - tine Craftsman Sears 6 h.p. and 8 h.p. rear tine tillers. Report This by Manage My Life. July 12th, Craftsman rear tine rototiller transmission problem. 2 answers. Transmission fluid for rear tine tiller.Craftsman model tiller - gas - rotary genuine partscraftsman rear tine transmission | eBay
Craftsman Tillers parts with OEM Craftsman parts diagrams to find Craftsman Tillers repair parts quickly and easily Order Status Customer Support 512-288-4355 My Account Login to your PartsTree to view your saved list of equipment.
Need to fix your 917294270 Tiller? Use our part lists, interactive diagrams, accessories and expert repair advice to make your repairs easy.
How to repair and reassemble a Transmission for a Craftsman rear tiller 917299020, stuck in neutral
Craftsman 917299850 rear tine tiller parts. Craftsman tiller flywheel key. To find a specific part for your tiller choose your model from the list above click the chat button or call 1 800 252 1698. Husqvarna 132801 rear tine tiller drive belt genuine original equipment manufacturer oem part.
Model # Craftsman rear tine, gas tiller. Parts Diagrams (5) No parts found. Main Frame This option is valuable if you expect to revisit Sears PartsDirect using this computer and browser in the future. Craftsman Rear-Tine Tiller Drive Belt Genuine Original Equipment Manufacturer (OEM) Part for Craftsman, Poulan, Western Auto, Rally. by Craftsman.
Transmission diagram and repair parts lookup for Craftsman 917.296250 (954329172) - Craftsman 500RTTA Series Rear-Tine Tiller (2002-12) (Sears) Order Status Customer Support 512-288-4355 My Account Login to your PartsTree to view your saved list of equipment.
Craftsman rear tine tiller repair.Forgot to post the final version. There is one part that we ended up having to take it apart and flip over because we put.
Between $10 and $25. Kuupo Carburetor Air Filter Fuel Line Tune-Up Parts Kit for 791077 696981 Intek 190 6 HP 206 5.5hp Carb Motor 6.5 HP Power Craftsman Tiller Washer Go Kart Engine Generator. 4.6 out of 5 stars. 494.
Craftsman rear tine tiller repair - stuck gears.After removing gearbox and taking apart we found the issue for our rear tine tiller not shifting. Waiting on.
Thie tiller is having driveline issues.
Use our part lists, interactive diagrams, accessories and expert repair advice to make your repairs easy. 877-346-4814. Departments. Repair Parts Home Lawn Equipment Parts Craftsman Parts Craftsman Misc Tool Parts Craftsman 917296020 Rear Tine Tiller Parts.
Find parts for your Craftsman 208cc Rear-Tine Tiller 247.299320. Parts diagrams and manuals available. Free shipping on parts orders over $45.
ILLUSTRATED PARTS BOOK 196cc Rear Tine Tiller PRTT196E.1 PRTT196E.2. MAT Engine Technologies, LLC, REV. 20180928 - 1 - A203140 Table of Contents Upper Handle Assembly.
0 Response to "41 Craftsman Rear Tine Tiller Parts Diagram"
Post a Comment