40 Club Car Front End Parts Diagram
Cart Parts is your source in finding the correct replacement Suspension parts for your Club Car golf cart. We carry an extensive inventory of parts that meet or exceed OEM quality standards. Most of our Club Car parts come with a 1 year manufacturer defect warranty. We carry parts for Club Car Precedent, DS, Carryall, Turf, XRT, and various. Buggies Unlimited carries OEM or aftermarket replacement suspension parts that have been specially developed to meet or exceed the manufacturer's original equipment specifications. We stock Club Car front suspension and rear suspension, including shocks and leaf springs, as well as bushings, king pins, spindles, and more.
10L0L Bushing and Sleeve Kit for Club Car DS and EZGO TXT 1994-UP, Golf Cart Front or Rear Leaf Spring & Front Upper A Arm Suspension fit Club Car DS Models Gas & Electric 1981 + UP. 4.7 out of 5 stars. 513.

Club car front end parts diagram
Club car front end parts diagram. Home club car ds front end repair kit fits 1993 up club car ds front end repair kit fits 1993 up on sale limited time. Front suspension parts for club car ds xrt carryall and precedent golf cart models. Club car precedent rear leaf spring lock nut bolt fits 2004 up item. Can i get a diagram of the front end parts. 10L0L Complete Front End King Pin Joints Repair Kit for Club Car Precedent 2004-up Gas/Electric Golf Cart, OEM# 102287201 103638601 103638801 4.0 out of 5 stars 16 $52.99 $ 52. 99 Club Car Parts Diagram Front End. Posted through carpny team from may 13 2016. Steering and front suspension parts club car steering and front suspension parts golf car catalog has an immense selection of steering and front suspension parts for club car ds and precedent model golf carts many of their utility vehicles and personnel carriers.
Club car front end parts diagram. Club car front end parts diagram. Home club car ds front end repair kit fits 1993 up club car ds front end repair kit fits 1993 up on sale limited time. Front suspension parts for club car ds xrt carryall and precedent golf cart models. Club car precedent rear leaf spring lock nut bolt fits 2004 up item. Can i get a diagram of the front end parts. Doing front end golf cart repairs means that you'll need access to a number of excellent club car golf cart parts for your Model DS, Precedent Electric, or gasoline golf cart. Blockbuster Golf Cars, Inc., offers golf cart suspension parts, front hubs with bearings, front wheel seals, and lug bolts, as well as spindle dust covers, and eccentric adjustment screws for your needs. Replacement parts and accessories can be obtained from our network of authorized dealers and distributors. You can obtain the name and phone number of your closest authorized Club Car dealer or distributor by visiting our web site at www.clubcar and clicking on the " Distributor Search" link or by calling our toll-free Service Parts and Wiring Diagram for Club Car Electric Golf Cart Inspirationa Diagram Likewise Club Car Golf Cart Wiring. We collect plenty of pictures about Club Car Parts Diagram Front End. and finally we upload it on our website. Many good image inspirations on our internet are the very best image selection for Club Car Parts Diagram Front End..
Browse our online catalog to find the parts you need for your 1984-1991 Club Car Gas Golf Cart. Click on the image or link to view a full diagram and order parts. Accelerator Pedal Assy. Air Cleaner. Bag Attach. Kit - 2 Pass.. Front Suspension Assy. Fuel System - Part 1. Fuel System - Part 3. Fuel System - Part 4. Replacement parts and accessories can be obtained from our network of authorized dealers and distributors. You can obtain the name and phone number of your closest authorized Club Car dealer or distributor by visiting our web site at www.clubcar and clicking on the " Distributor Search" link or by calling our toll-free Service Parts and Description: 1998-1999 Club Car Ds Gas Or Electric - Club Car Parts & Accessories regarding Club Car Ds Parts Diagram, image size 580 X 792 px, and to view image details please click the image.. Honestly, we have been remarked that club car ds parts diagram is being one of the most popular field at this moment. So that we tried to identify some great club car ds parts diagram graphic for. 10L0L Complete Front End King Pin Joints Repair Kit for Club Car Precedent 2004-up Gas/Electric Golf Cart, OEM# 102287201 103638601 103638801 4.0 out of 5 stars 16 $52.99 $ 52. 99
PARTS AND SERVICE. When you purchase a Club Car vehicle, you're not just buying a product. You're buying years of history, research, and product innovation. That's why it's important to remember every Club Car vehicle is the sum of its quality parts. Keeping your Club Car in top condition year after year is a wise investment! Club Car Parts Manuals 1976-1980 (Caroche) 1981-84 DS (Electric) 1984-1985 DS Golf Car (Electric Vehicles) 1985-91 DS (Gas) 1988-91 Carryall (Gas) 48-Volt Club Car Powerdrive 3 Charger Relay Board Assembly (Fits 1996-Up) Sale! Regularly $92.99. Now: $78.99. 48-Volt Club Car Powerdrive 3 Electric Charger Button Diode Assembly (Fits 1996-Up) Sale! Regularly $83.99. Now: $70.99. 48-Volt Club Car Powerdrive 80" AC Charger Cord Set (Fits 1996-Up) Golf Car Catalog offers spindles, spindle bushings, king pins and associated parts for many Club Car golf cart models, as well as utility vehicles and personnel carriers. Club car has a unique set-up on their front suspension compared to other golf cart manufacturers.
Club Car Parts. CartParts is your source in finding the correct replacement parts for your Club Car golf cart. We carry an extensive inventory of parts that meet or exceed OEM quality standards. Most of our Club Car parts come with a 1 year manufacturer defect warranty. We carry parts for Club Car Precedent, DS and Carryall.
Description. Club Car DS front end rebuild kit to restore your Club Car DS golf cart to factory new performance. Fits 1993 and Up gas and electric golf carts. Includes the following parts. 2 King pins. 2 Leaf spring bushings with sleeves. 4 Lower delta plate bushings. 4 Lower A plate bushings.
Club-Car Golf Cart Parts & Accessories. We carry all your Club Car golf cart parts and accessories to your existing Club Car DS, Precedent, XRT, or Carry All golf carts. We offer high-quality replacement parts and custom fitted accessories to make your cart look, feel, and run the way you want it to.
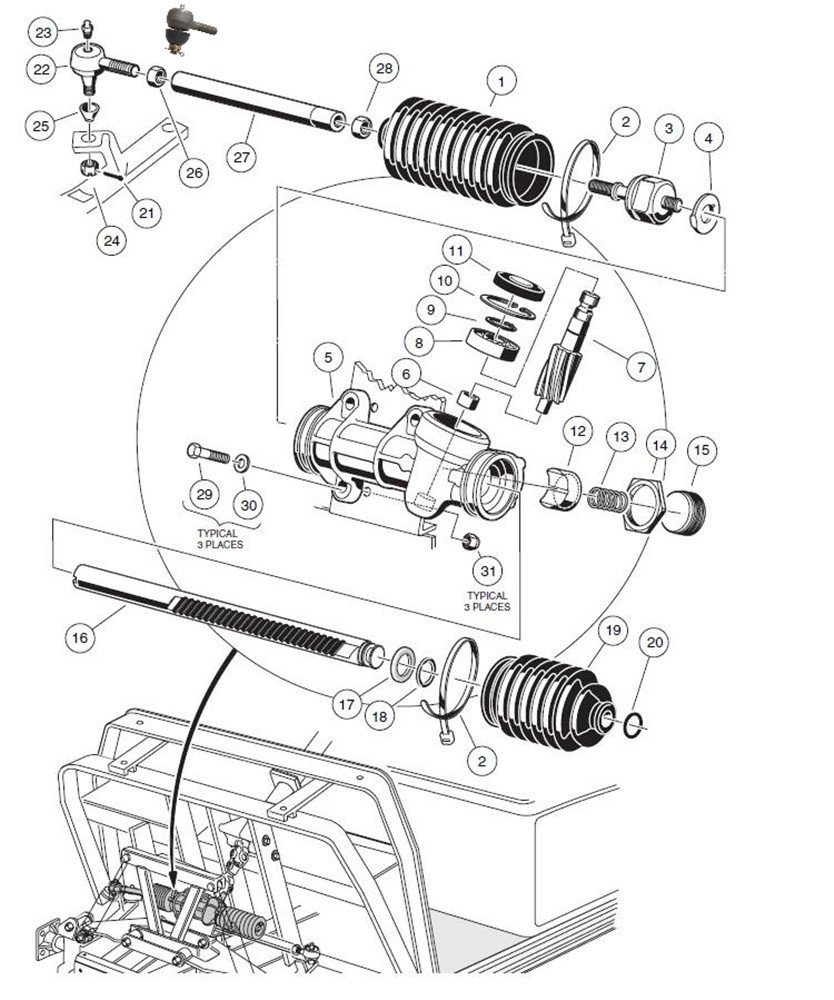
/ Front Suspension - Lower. Front Suspension - Lower. Front Suspension - Lower. Front Suspension - Lower. Front Suspension - Lower. Item Price Qty Required Diagram ID; 103777201 - SPINDLE ASSEMBLY L.H. (2000-2003) $265.61. 1. 1. 102354203 - ASM- SPINDLE- LH (2004 - 2013). Your Source for Club Car Golf Cart Parts | Largest Selection Available...
Creation date. Nov 1, 2020. Tags. club car front suspension diagram. Overview Discussion. Club Car DS Front Suspension Parts Diagrams - Front Suspension Parts Diagrams for Mid 90's Club Car DS Models. [ATTACH type="full"... You do not have permission to view the full content of this resource. Log in or register now.
Product Diagrams; Madjax Lift Kits. 16-001 - 6" A-Arm Lift Kit for Club Car Precedent. 16-008 - 4" A-Arm Lift Kit for Yamaha Drive . 16-010 - 3.5" A-Arm Lift Kit for Club Car Precedent . 16-013 - Lo-Pro Lift Kit for Club Car Precedent . 16-014 - Lo-Pro Lift Kit for Club Car DS . 16-015 - 6" A-Arm Lift Kit for E-Z-GO RXV . 16-016 - 6" A-Arm.
Club Car DS Front Suspension Parts Diagrams - Front Suspension Parts Diagrams for Mid 90's Club Car DS Models :clubcar: HotRodCarts. Resource. Nov 1, 2020. club car front suspension diagram. Category: Club Car Gas Diagrams.
Repair Kit, Front End, Club Car Precedent 04+. SKU: SPN-0057. $169.95. $146.95. Add to Cart. Club Car Precedent Stainless Steering Column Cover (Years 2004-Up) SKU: 29091.
Home > Manuals > Club Car Illustrated Parts List: TP0019 IPL, XRT 550 Gasoline Vehicle: IPL English TP0012 IPL, 1970-1973 Caroche Golf Car (Electric Vehicles) IPL English 8958 1976-1980 Caroche Golf Car (Electric Vehicles) IPL English 8239 IPL, 1975 Club Car Golf Car (Electric Vehicles) IPL English 7878.
Club Car, E-Z-GO pre 1983, Cushman, Melex, Legend, Noland, Nordskog, Westinghouse, Pargo, Taylor Dunn, Karrior, Hyundai, and Yamaha with 36 volt systems and Crows Foot receptacle DC Charger Cord with Moulded Plastic Yellow Housing with retractable Crowfoot Angled Blades for Lester Charger used on Club Car, Columbia Par Car, E-Z-GO, Cushman, Melex,
Club Car Parts Diagram Front End. Posted through carpny team from may 13 2016. Steering and front suspension parts club car steering and front suspension parts golf car catalog has an immense selection of steering and front suspension parts for club car ds and precedent model golf carts many of their utility vehicles and personnel carriers.
Description : Xj Cherokee Replacement Suspension – 4 Wheel Parts in Front End Suspension Parts Diagram, image size 630 X 590 px. Description : Front Suspension – Lower – Club Car Parts & Accessories with regard to Front End Suspension Parts Diagram, image size 580 X 770 px. Description : 70-78 Front Suspension Parts Diagram throughout.
Need to replace the parts to any shocks, springs or suspension parts on your Club Car golf cart? We've got brand new replacement parts for all Club Car golf carts | Golf Cart Garage.. Repair Kit, Front End, Club Car Precedent 04+ SKU: SPN-0057. $169.95 $146.95. Add to Cart.
Club car front spring mounting plate fits select ds and xrt models item. Front suspension lower. Blockbuster golf cars inc offers golf cart suspension parts front hubs with bearings front wheel seals and lug bolts as well as spindle dust covers and eccentric adjustment screws for your needs. Your source for club car golf cart parts largest.
CLUB CAR DS FRONT END REPAIR KIT (93-UP) 6915 CLUB CAR DS FRONT END REPAIR KIT (93-UP) $144.95 $99.65.
Golf Car Catalog has an immense selection of steering and front suspension parts for Club Car DS and Precedent model golf carts, many of their utility vehicles, and personnel carriers. This large section includes everything below your steering wheel down through the column, and all of the steering and suspension components under your golf cart.
Front Suspension. Rear Suspension. Front and Rear Shocks. Front and Rear Leaf Springs. Set of (20) Club Car 1/ 16 x 1-1/ 2 Cotter Pin (Fits 1976-Up) $5.99 More Information. Bearing Race Cup (Fits Select Club Car and E-Z-GO Models) $7.99 More Information. Buggies Unlimited Deluxe Front End Repair Kit - Club Car Precedent (Fits 2004-Up)
0 Response to "40 Club Car Front End Parts Diagram"
Post a Comment