37 Cushman Truckster Wiring Diagram
By adding a relay I was able to ground and un-ground the magneto and operate the starter solenoid in one key switch. Here is how. Tips and Tricks for you! Cushman transmission. Apr 01, 2010 · The worst part of this whole search is our lack of a transmission model number. Mar 13, 2021 · Transmission: Manual: A rare opportunity to o
Cushman Time Line. Cushman Pictures. Truckster Pictures. Other Scooter Pictures. Cushman Dealers. Cushman Literature. Cushman Clubs. Links Page. Cushman Show Pictures : Tech Information: Go Directly to Technical Info Page:. Wiring Diagram: Vanguard: Kits by Elbert Faris: Vanguard:

Cushman truckster wiring diagram
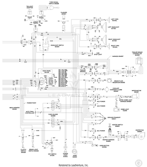
Hauler 4x4 Diesel Manual. Hauler 4x4 Gas Crew Manual. Hauler 4x4 Ga s Manua l. Hauler 800/1200 Gas Manual. Hauler 800 Electric Manual. Hauler 800X Electric Manual. Hauler 1000 Electric Manual. Hauler 1200 Gas Manual. Hauler 1200X Electric Manual. Troubleshooting Cushman Golfsters 1954 58 Wiring Diagrams Golf Cart Tips. Troubleshooting cushman golfsters 1954 vintagegolfcartparts com diagram 1974 wiring antique golf car wireing 898322 pu33 100 service manual gas 76 94 manuals x tremedist i have an old 898112 7510 am 48 volt cushmanmander ezgo 36 trackster for cart a 1977 model number xtremedist omc mercruiser 3 0l engine stern drive. Cushman Truckster Wiring Diagram 1999 ford F350 Engine Schematics Wiring Diagram Expert. Cushman Truckster Wiring Diagram – wiring diagram is a simplified satisfactory pictorial representation of an electrical circuit. It shows the components of the circuit as simplified shapes, and the knack and signal links in the company of the devices.
Cushman truckster wiring diagram. Haulster & Turf Truckster Service Manual Supplement Cushman truckster elec wiring plan. Should there be a wire running from the input side of the solenoid to the switch? I have replaced the battery, the solenoid and the starter motor but still cannot get anything to happen. You may need to look at a wiring diagram, Greg. But the starter relay is the last component in the start circuit before... 2000 Cushman Truckster Wiring Diagram. Wondering if anyone can lead me to a wiring schematic for a cushman truckster model number a serial number it is a To Keep your equipment fully operational and productive, Jacobsen suggests you maintain a stock of the more commonly used maintenance. CUSHMAN TRUCKSTER / HAULSTER. MODEL A OMC POWERED. Gran Cushman Models GC & GC, Electric Cart without Circuit Breaker and Gas Cart with Battery on Passenger Side. Golf cart battery wiring diagram cushman golf cart wiring diagram cushman xd with plow cushman truckster models 36 volt melex.Cushman Golfster Wiring Diagrams Free - wiringall wiringall Many thanks for visiting at this website.
Cushman Cart. Troubleshooting cushman golfsters 1954 vintagegolfcartparts com manuals x tremedist wiring diagram automotive pu33 100 service manual gas 76 94 model 4 wheel turf truck antique golf car wireing truckster haulster 898634 cart 826767 1974 what year is my melex xtremedist omc silver eagle electric funny quotes about electrical wire gasoline engine vintage and parts harness for a. cushman truckster / haulster model 898459a 1992 – 1994 22 hp omc powered parts list & diagrams. page 2 of 168 this page intentionally left blank. page 3 of 168 index page description 5 brake system 8 front hubs & brakes 11 1” brake master cylinder 13 rear brake assemblies. Cushman Turf Truckster Wiring Diagram Source: f01.justanswer . Read electrical wiring diagrams from negative to positive and redraw the signal being a straight line. All circuits usually are the same ~ voltage, ground, solitary component, and switches. Cushman Turf Truckster Wiring Diagram Source: learn.adafruit . The Cushman Truckster year is in the last 4 digits of the serial number. It will be 1952 to 2002 depending on the serial plate, usually located by the handbrake. I have included a chart below for each year's specific models. Original parts are still available, as well as original parts alternatives from dealers such as Vintage Golf Cart Parts.
genuine Cushman parts or parts with equiva-lent characteristics including type, strength and material. Failure to do so may result in product malfunction and possible injury to the! * 1 3 4. 2000 Cushman Truckster Wiring Diagram 30.08.2018 30.08.2018 7 Comments on 2000 Cushman Truckster Wiring Diagram Wondering if anyone can lead me to a wiring schematic for a cushman truckster model number a serial number it is a dangers and should read the entire manual before attempting to set up, operate, adjust or service Textron Golf, Turf. manager cs4 cushman truckster rear end cushman golf cart battery wiring diagram ezgo textron repair manual albalat2 fiche ip m1 clfo lmd3 bradley Wondering if anyone can lead me to a wiring schematic for a cushman truckster model number a serial number it is a Golf cart battery wiring diagram cushman golf cart wiring diagram cushman xd with. 898438 - 3 Wheel Industrial (Cushman 327 and Kawasaki Liquid-Cooled - Gasoline Engine) 1" Bore Master Cylinder Part No. 886173 and Brake Rod, 3/4" Bore Master Cylinder Part No. 886875 and Brake Rod 1 327 Engine Wiring Diagram 1 3 Air Cleaner And Element Kawasaki And Perkins 5 Air Filter (327 Engine) 7 Alternator 9
Nov 02, 2021 · Cushman Omc Parts-engine Gasket 18hp 22hp Rebuild Kit 160440 Haulster Truckster. Mitsubishi Evo 8 9 Genuine Axle Seal Front Driver Side Md758763 Fs Mitsubishi Evo Or 1994. Gas spring ball joints for sunvision 24 s ISSUU - TS Distributors Catalog 2014 by TS Distributors.
Troubleshooting Cushman Golfsters 1954 58 Wiring Diagrams Golf Cart Tips. Troubleshooting cushman golfsters 1954 vintagegolfcartparts com diagram 1974 wiring antique golf car wireing 898322 pu33 100 service manual gas 76 94 manuals x tremedist i have an old 898112 7510 am 48 volt cushmanmander ezgo 36 trackster for cart a 1977 model number xtremedist omc mercruiser 3 0l engine stern drive.
Hauler 4x4 Diesel Manual. Hauler 4x4 Gas Crew Manual. Hauler 4x4 Ga s Manua l. Hauler 800/1200 Gas Manual. Hauler 800 Electric Manual. Hauler 800X Electric Manual. Hauler 1000 Electric Manual. Hauler 1200 Gas Manual. Hauler 1200X Electric Manual.
Onan 18 hp engine 我的好友. 熱門文章. 文章分類
Cushman Truckster Wiring Diagram â€" wiring diagram is a simplified satisfactory pictorial representation of an electrical circuit. It shows the components of the circuit as simplified shapes, and the knack and signal links in the company of the devices. A wiring diagram usually gives counsel not quite the
Any help here would be greatly appreciated. I picked up a '59 Cushman Truckster. Got it running today but I have an electrical gremlin. While working on it I noticed a few misc, wires not connected to anything. Then, once I got it running, two symptoms. 1) the head light dimmer switch was hot as.
0D61D68 1957 Ford Headlight Switch Wiring Diagram. 0DAE446 1968 Gto Wiring Diagram. 0DF71D0 18 Poster Templates Excel Pdf Formats. 0E76BB5 1 Wire Gm Alternator Wiring. 0EFEC7B 08 Ford F250 Fuse Diagram. 0F47C0E 02 Acura Rsx Fuse Box. 0F5A85C 03 Jetta Fuse Diagram. 0FA292B 1964 Mercury Marauder Wiring Diagram.
Cushman Truckster Wiring Diagram 1999 ford F350 Engine Schematics Wiring Diagram Expert. Cushman Truckster Wiring Diagram – wiring diagram is a simplified satisfactory pictorial representation of an electrical circuit. It shows the components of the circuit as simplified shapes, and the knack and signal links in the company of the devices.
CUSHMAN Engine and Drive Train Parts manual for Liquid Cooled 327 Engine in Haulster and Turf Truckster Beginning with 8910 models as follows: 898462. A& B 4 Wheel Flatbed 898464. A, B 3 Wheel Police 898465. A, B 3 Wheel Flatbed 898466. A 3 Wheel Delivery 898467. A 3 Wheel Refuse 898468 4 Wheel Delivery 898469. A, B 4 Wheel Full Ton Flatbed 898470.
cushman manuals truckster haulster turf and more for multiple models parts look-up repair schematics Cushman Parts Manuals are available for personal use, not for reproduction. There are a lot more that are not listed..If you don't see the model you are looking for or you have a parts question or model identification/lookup help, please use.
Cushman Omc Parts-engine Gasket 18hp 22hp Rebuild Kit 160440 Haulster Truckster. Happy to answer questions! EZGO Engine Upgrade kit 23 HP for Sale | Cart Parts Plus E-Z-GO Navitas 440-Amp 36-Volt Series Controller with ITS Throttle (Fits 1988-2010) 4. 1HP -10% Torque Speed 18 MPH.
Cushman Golf Cart 36 Volt Wiring Diagram To Cushman Golfster Golf Cart Wiring Diagram Schematic Diagrams C Golf Cart 36 Volt Ez Go Wiring.parts and maintenance manual models, ee, , ee, , ee, 9 wiring diagram number and the cushman part number, always read the description of the part to be sure it is what you want. 3 service 4 service warning.
Cushman hauler 1200 serial number lookup
If a bulb Truckster with Gasoline Engine Electrical Diagram. 11 Wiring Diagram. Cushman Turf–Truckster be used to tow and operate the GA–60.. pedal of the Turf–Truckster which activates the GA–60 brakes. 3/16/ AM Engine Wiring Diagram schematron 3/16/ AM Air Cleaner And Element Kawasaki And schematron The in-depth information.
Book Wiring Diagram Manual Galaxie 1962 Ford Car Dennis Carpenter Ford Restoration Parts For Trucks Broncos Cars Tractors And Cushman
Nov 04, 2021 · Clutch disc assembly. 8 Apr 01, 2019 · cushman truckster wiring diagram cushman truckster brake partscushman frontline mower manual cushman binder engine manual cushman service manual 826767 cushman groom master manual cushman truckster models cushman truckster manual free Manuals. CUSHMAN. US Jun 01, 2015 · Cushman Model 39 Delivery Scooter.
Cushman transmission
Posts: 4. Early Truckster Service Manual and Wiring diagram. I've been to the usual sites like Sillylittecars, Dennis Carpenter, DirectParts, ebay, etc. All good sites with loads of info and resources. I'm hoping I can find literature for my project, specifically, a service manual. It's a '62 Truckster model 782, with an 18 HP OMC twin for power.
Rotax 720 engine specs
Enginedesk contains rich-data for parts and engines. Yanmar Marine Engines. 06/1993 ~ 04/1996. Normally when the engine check light is on which means that there is something wrong of your car's sensors. pdf, taft-f50-f55-wiring-diagram. Daihatsu Rocky Powertrain. check stock in your store. 0 bids · Ending 29 Mar at 4:44PM BST 7d 8h.
Related Manuals for Cushman TURF-TRUCKSTER. Utility Vehicle Cushman turf truckster Safety & Operation Manual. With four post rops (54 pages). WIRING DIAGRAMS AND COMPONENT LOCATION ILLUSTRATIONS Diode Time Delay Relay Light Emitting Diode (LED) (opening delay) (see also below) Light Emitting Diode (LED) (alternative symbol) Motor with...
Jan 31, 2017 - cushman golf cart wiring diagrams | ezgo golf cart wiring diagram ezgo forward and reverse switch wiring.
Shipping Monday-Saturday 10am p.t. CUSHMAN TRUCKSTER HAULSTER TURF PDF PARTS AND SERVICE MANUALS FOR 9HP 18HP 22HP 826767 e503101 OMC, 327 LIQUID COOLED 836278, SUZUKI 660 2703285, DAIHATSU, TITAN, RUN-A-BOUT, AND MORE MODELS. ENGINE SPECS SPECIFICATIONS FOR THE 18HP OR 22HP OMC AIR COOLED ENGINE. LARGE LIBRARY TO CHOOSE FROM.
Suzuki samurai carburetor upgrade. Weber EMPI SOLEX Carb carby Upgrade Kit FOR Suzuki Samurai ISUZU HONDA. This weber kit will enhance reliability, fuel economy, drive-ability & p
Cushman Turf Truckster Wiring Diagram – wiring diagram is a simplified usual pictorial representation of an electrical circuit. It shows the components of the circuit as simplified shapes, and the facility and signal connections in the midst of the devices. A wiring diagram usually gives recommendation approximately the relative slant and.
Short video on how to wire up a cushman OMC truckster ignition. You will need one resister/ballast, two coils (or one onan coil with 2 spark plug wires). Run...
0 Response to "37 Cushman Truckster Wiring Diagram"
Post a Comment