39 johnson outboard fuel line diagram

Outboard Parts: Evinrude Outboard: Evinrude Fuel System ... Propeller SALE!!: Props For OMC & Cobra: OMC Stringer 100-245HP Pin Drive 1967-1977 How to Troubleshoot the Fuel System on an Evinrude 9.9 ... The Evinrude 9.9 hp outboard is a popular marine engine for small boats. The two- or four-stroke engine -- depending on which year it was built -- causes few problems, but issues with the fuel system will be encountered on occasion. You should check four main areas when investigating fuel system problems: gas tank, ...

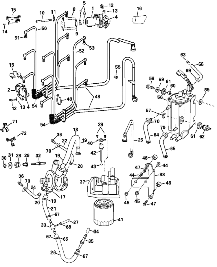
fuel distribution lines - Johnson Outboard Forum fuel distribution lines 03-15-2014, 12:41 PM need the hose routing diagram for the primer solenoid and fuel dist. lines for my 1980 85 hp Johnson. original carbs had no nipple attachment for the solenoid lines. have acquired a pair of carbs with nipples and want to install them. any assistance greatly appreciated.

Johnson outboard fuel line diagram

Johnson outboard fuel line diagram

Johnson , Evinrude, OMC, Bombardier Fuel Line Assembly This full fuel line assembly includes our high quality primer bulb, premium A1 hoses and the engine and tank connectors. The fuel line hoses are the standard 18 inches to the tank and 54 inches to the engine. (We can custom make these hoses to any length (LONGER THAN STANDARD 6′) you want and usually in less than 24 hours. PDF OUTBOARD FUEL SYSTEMS DIAGNOSIS - iiNet The sketch in figure 2 shows a typical V4 outboard fuel system. With gauges inserted (using Tee fittings) and some clear hose, it is then just a matter of operating the motor at maximum fuel flow (wide open throttle) and note the readings. Fuel and Oil Pump Fuel Pressure Gauge Fuel Filter Fuel Vacuum Gauge Clear Fuel Line Carburetors Fuel in ... Johnson - Evinrude Fuel System Parts - Go2marine Johnson - Evinrude Fuel System boat parts, find carburators, fuel pumps, filters and other Johnson - Evinrude boat parts Javascript is disabled on your browser. To view this site, you must enable JavaScript or upgrade to a JavaScript-capable browser.

Johnson outboard fuel line diagram. 1988 johnson fuel line Diagrams | Boating Forum - iboats ... very simple when you step back and look at it. you have supply from hose connection to vro pump, you have the pulse line to vro pump. you have an out going line from vro, that splits to the carbs, and the primer, IN connection. you have the primer out line that splits to the carbs, and the block. take one system at a time. it is not rocket science. Johnson - Evinrude Outboard Fuel System - Go2marine Johnson - Evinrude Outboard Fuel System, find carburators, fuel pumps, filters and other Johnson - Evinrude boat parts Javascript is disabled on your browser. To view this site, you must enable JavaScript or upgrade to a JavaScript-capable browser. Johnson Outboard 4.5HP OEM Parts Diagram for Fuel Tank - 3 ... Johnson J5RHCNR 1982 Fuel Tank - 3 Gal Diagram. Catalog; Johnson; Outboard; 4.5HP; J5RHCNR 1982; Fuel Tank - 3 Gal; Check Availability. Select your address # Description Price Qty; 1: FUEL TANK ASSEMBLY 0392063 ... FUEL LINE, Screen, nipple assy. 0392062 Ships in 2 to 3 days. $12.00 $11.04 Add . 15. ELBOW Johnson/Evinrude - Parts Diagrams Find the exact marine boat parts you need online. Stocking thousands of OEM & aftermarket marine parts by top suppliers. Free shipping on orders over $100!

need fuel diagram for a 1985 Johnson GT 150 V6 fuel primer… 11,409 satisfied customers. I have a 1985 70 (vro changed to regular fuel pump), carbs. I have a 1985 Johnson 70 (vro changed to regular fuel pump), carbs rebuilt, cleaned, new fuel lines, new tank and gas hose,new power pack, new … read more. What Size Fuel Line To Use For An Outboard, 5/16" or 3/8 ... Of course, the 3/8″ fuel line will work for any of the outboards. But most smaller outboards have fittings or quick connects on them that are set for a 5/16″ hose. It's basically the standard hose for the smaller engines. Like we said in the beginning, the 3/8″ line is required on anything that is larger than a 115 HP engine. The Straw Theory 2003 Outboard 115 [J115PL4STS] - Parts Lookup - Crowley Marine View parts diagrams and shop online for J115PL4STS : 2003 Outboard 115. Offering discount prices on OEM parts for over 50 years. FAST $4.95 shipping available. Johnson Evinrude Outboard Motor Parts by Year 1955 to 2011 Find accessories and kits by diagram for 1972-2012 Johnson Evinrude outboard motors. Find Your Engine Drill down from the year, horsepower, model number and engine section to get an online inventory of genuine OEM and aftermarket Johnson Evinrude outboard parts.

1978 Johnson Evinrude 15 hp Outboard Parts by Model Number Find accessories and kits by diagram for 1978 Johnson Evinrude outboard motors. Find Your Engine Drill down from the year, horsepower, model number and engine section to get an online inventory of genuine OEM and aftermarket Johnson Evinrude outboard parts. Evinrude - Outboard - Fuel Pump kits - Outboard - Water Pump kits; Spark Plugs - Evinrude E-TEC - Evinrude DI ... - Dock and Anchor Line - Drain and Baitwell Plugs - Fenders - Gas Caps - Light Base - Light Pole Storage Clips ... EVINRUDE - 105 - AB Models - 115 - 2011 - 2012 - AA Models - AF Models - 2013 - AB Models - 130 - 2011 - AF Models Amazon.com: johnson outboard fuel line iFJF 32-858104K08 Fuel Line Hose Kit 5/16" 10 Ft Replacement for Yamaha Marine Johnson Mercury Outboard 4 hp-200 hp with Primer Bulb Tank Quick Female Connector 35-816296-4 Fuel Filter. 4.0 out of 5 stars. 92. Johnson Outboard Fuel System - Wholesale Marine Johnson/Evinrude 0502905 Fuel Water Separator Filter OEM replacement filter for Johnson and Evinrude Outboard engines. For use on 1995-1998 models. Johnson/Evinrude 25 Micron marine fuel tilers have a thicker (.022") steel can for additional corrosion...

I have a 2000 115 hp ocean pro. I can't seem to find a good diagram of the fuel line and vacum ...

I have a 2000 115 hp ocean pro. I can't seem to find a good diagram of the fuel line and vacum ...

Johnson Evinrude Fuel System - VintageOutboard.com Domestic on line orders - shipping and handling USPS air for $8.95 regardless of size. Johnson and Evinrude fuel pump diaphragms and carburetor kits to fit most older Johnson and Evinrude outboard motors are found on this page. See our other pages for more Mercury, Johnson and Evinrude outboard motor parts.

Mercury Outboard Fuel Pump Diagram - Free Wiring Diagram

Mercury Outboard Fuel Pump Diagram - Free Wiring Diagram

PDF OUTBOARD FUEL SYSTEM PARTS - Marc's Marine • manufactured to the strictest standards & specifications • kits available w/ powder coated aluminum mounting bracket or 316 stainless steel and 1/4" or 3/8" npt inlet/ outlet benefits: • high efficiency media filters out emulsified water and other contaminants for improved engine protection and performance • prevents costly repairs to the fuel …

FUEL INJECTION PUMP - 2003 Yamaha Outboard 115hp F115TLRB | Crowley Marine

FUEL INJECTION PUMP - 2003 Yamaha Outboard 115hp F115TLRB | Crowley Marine

Johnson 15 Hp Outboard Fuel Pump Diagram - Diagrams ... 21 Gallery Of Johnson 15 Hp Outboard Fuel Pump Diagram 9.9 Johnson Outboard Fuel Pump Diagram Johnson Outboard Fuel Pump Diagram Johnson Outboard Vro Fuel Pump Diagram Mercury 150 Outboard Water Pump Diagram 12v Relay Wiring Diagram Fuel Pump 2002 Ford Explorer Sport Trac Fuel Pump Wiring Diagram Briggs And Stratton Fuel Pump Hose Routing

in need of a fuel line diagram 1963 johnson 40 hp Page: 1 - iboats Boating Forums | 349934

in need of a fuel line diagram 1963 johnson 40 hp Page: 1 - iboats Boating Forums | 349934

Email this Story to a Friend - mkart.it Evinrude outboard parts Johnson Evinrude Outboard Motors 1956 2001 All Models Service Manual PDF April 13th, 2019 - Johnson Evinrude Outboard Motors 1956 2001 All Models Service Manual PDF removal 9 9HP Evinrude outboard 2 Stroke Carburetor diagram floating needle on 1998 Johnson outboard 10HP fuel pump 1 / 12 Due to COVID-19, your local dealer ...

fuel system Parts for 2002 250hp e250fpxsnf Outboard Motor

fuel system Parts for 2002 250hp e250fpxsnf Outboard Motor

Amazon.com: johnson outboard fuel line kit iFJF 32-858104K08 Fuel Line Hose Kit 5/16" 10 Ft Replacement for Yamaha Marine Johnson Mercury Outboard 4 hp-200 hp with Primer Bulb Tank Quick Female Connector 35-816296-4 Fuel Filter. 4.0 out of 5 stars. 68.

Wiring Diagram For Evinrude Etec 60 Hp 2008 Motor

Wiring Diagram For Evinrude Etec 60 Hp 2008 Motor

0772564 FUEL LINE 5/16"ID - Evinrude & Johnson, OMC ... FUEL LINE 5/16"ID Fuel Line 25' - 5/16" 0772564 Satisfaction rating 5 out of 5 ( 17 Ratings ) $8.68 $8.68 Ships immediately 5+ IN STOCK Quantity: Add to Cart Guaranteed fitment for 68 different models This is an OEM part manufactured by Evinrude & Johnson, OMC Flat rate shipping starting at $4.95 30 day return policy Product Description

1970 Johnson 40 hp Awakening Page: 1 - iboats Boating Forums | 418008

1970 Johnson 40 hp Awakening Page: 1 - iboats Boating Forums | 418008

Evinrude Outboard 30HP OEM Parts Diagram for FUEL TANK ... Buy OEM Parts for Evinrude Outboard 30HP FUEL TANK Diagram . Chat Now Yamaha Mercury Honda Evinrude Suzuki Johnson Tohatsu OMC Prop Finder. Order Help. Check Order Status. Help & Info; Contact Us ... CLAMP, Fuel line 0123112 Ships in 2 to 3 days. $8.47 $7.62 Add . 18: SCREW 0330336 Ships in 2 to 3 days. $6.10 $5.49 Add . 19: WASHER 0305863 ...

Wiring Diagram For Evinrude Etec 60 Hp 2008 Motor

Wiring Diagram For Evinrude Etec 60 Hp 2008 Motor

EVINRUDE JOHNSON Outboard Wiring Diagrams -- MASTERTECH ... OUTBOARD WIRING DIAGRAMS. These diagrams are accurate to the best of our knowledge; however, variations can exist, such as between remote control and tiller models. Please verify your wiring before doing any work. 18-25 HP STARTER SYSTEM THRU 1972. 18-25 HP ELECTRIC START 1973-76.

0 Response to "39 johnson outboard fuel line diagram"

Post a Comment

Iklan Atas Artikel

Iklan Tengah Artikel 1

Iklan Tengah Artikel 2

Iklan Bawah Artikel