37 snapper riding lawn mower parts diagram

All Riding Lawn Mowers (22) Accessories & parts. 5HP Manual/Gear 36in Riding Lawn Mower . Craftman yts 3000. Troy-Bilt TB 30 in. It started feeling sluggish going uphill, then randomly wouldn't move when put in gear (a little shake seemed Ride-on Troubleshooting. Starter for Riding Lawn Mower Tractor Fits Honda 3813 Ht3813 Ht3813k1 for sale online. Find Your Snapper Manual & Parts Lists. Model numbers can be found on the Product Identification Tag located on your Snapper product. They are used to look up your product's Operator's Manual and Illustrated Parts Lists.

Snapper mower parts, Snapper snow blower parts, Snapper tractor parts and more.Snapper.parts is mobile friendly with a lightning fast Parts Lookup tool, Great Prices and Fast Shipping! Buy OEM - We supply only original manufacturer parts for Snapper Mowers and all Snapper Outdoor Power Equipment.

Snapper riding lawn mower parts diagram

Snapper riding lawn mower parts diagram

Sr1433 Snapper Riding Lawn Mower Issue Electrical Lawnsite Is The Largest And Most Active Online Forum Serving Green Industry Professionals. Snapper 250815be Rear Engine Rider Series 15 Parts Diagram For Wiring Schematic 8hp Briggs. Snapper Yz145382bve 38 14 5 Hp Ztr Yard Cruiser Series 2 Parts Diagram For Schematic Wiring. Snapper Rear-Engine Riding Mowers parts with OEM Snapper parts diagrams to find Snapper Rear-Engine Riding Mowers repair parts quickly and easily. Snapper Riding Mower Belt Replacement Diagram. solved snapper diagram belt replacement fixya snapper diagram belt replacement need diagram on changing the belt serial model 21hp 42" cut snapper riding lawn snapper rear engine rider belt replacement showing the right way to replace the belt on a snapper rear engine rider yttloc3385 follow me on twitter tloc3385

Snapper riding lawn mower parts diagram. SNAPPER Parts Diagrams by Model. SNAPPER 1696471-00 Snow Blower Parts Diagrams. SNAPPER 2167519B Parts Diagrams. SNAPPER N2167519B Parts Diagrams. SNAPPER NP2167519B Parts Diagrams. SNAPPER NP2187519BV Parts Diagrams. SNAPPER P216019KWV Parts Diagrams. SNAPPER P217019BV Parts Diagrams. SNAPPER P217019BVE Parts Diagrams. Total Ratings 9, $27.99 New. 2 Pack OEM Snapper 7075115yp Axle Boot Replaces 7075115. 4.6 out of 5 stars. (5) Total Ratings 5, $19.16 New. Set of (4) Snapper 11024 7011024 1-1024 Transmission Plugs Lawnmower Parts. 5 out of 5 stars. Description: Unique Snapper Rear Engine Rider Parts Manual 58 On Espresso with Snapper Riding Lawn Mower Parts Diagram, image size 612 X 793 px, and to view image details please click the image.. Here is a picture gallery about snapper riding lawn mower parts diagram complete with the description of the image, please find the image you need. Murray mower deck spindle bearings. Murray mower deck spindle bearings

Mtd Riding Mower Parts Diagram. Your tag will be a small white sticker, no bigger than a business card, normally found under the seat, near the battery box. As seen in the example, the model number will be displayed below the MODEL heading (Example: Z235), and the serial number will be underlined on the top-right corner of the tag (Example ... "snapper riding lawn mower parts" Snapper 7600208YP Smooth Clutch Kit. 4.8 out of 5 stars 114. $64.93 $ 64. 93 "snapper lawn mower belt" Stens 265-199 Belt Replaces Snapper 7022252 Lesco 050467 Snapper 2-2252 1-8236 73-1/2-Inch by-1/2-inch. 4.6 out of 5 stars 409. $15.34 $ 15. 34 $16.65 $16.65 Snapper Exploded View parts lookup by model..Parts lookup for Snapper power equipment is simpler than ever.. Commercial Lawn & Turf Mowers · Engines.Select Snapper 281014BE - Snapper 28 Rear-Engine Rider, Series 14 Diagrams and order Genuine Snapper Mowers: rear-engine riding lawn mower Parts.Select Snapper 301014BE - Snapper 30 Rear-Engine Rider, Series 14 Diagrams and order Genuine ... Quality Snapper Lawn Mower Replacement Parts From Repair Clinic. Snapper is the name you turn to for the best in lawn equipment, including a full line of push mowers, riding mowers, and zero turn mowers. Repair Clinic is the company you choose to provide you with genuine Snapper replacement parts.

Jack's carries Snapper walk-behind mowers, and, riding mowers. If you need a replacement part for your Snapper mower we carry air filters, attachments, frames, gaskets, covers, oil filters, wheels, and more. Check out our selection of Snapper Parts below or use our Snapper Parts Lookup with exploded parts diagrams. Snapper Lawn Mower 150814BE. Snapper Rear Engine Riding Mowers Safety Instructions & Operator's Manual. Pages: 24. See Prices. 1-16 of over 2,000 results for "snapper riding mower parts" Price and other details may vary based on product size and color. Snapper Drive Disc 5-3103 and 5-7423 with Brake Liner Installed. May 25, 2020 · Having a defective lawn mower can get really frustrating, especially when there are many possible reasons behind it. Given that a lawn mower has many parts comprising it, it’s not surprising that it can pose many issues as well. However, as frustrating as these may be, a simple regular check-up of your lawn mower can make things easier for you.

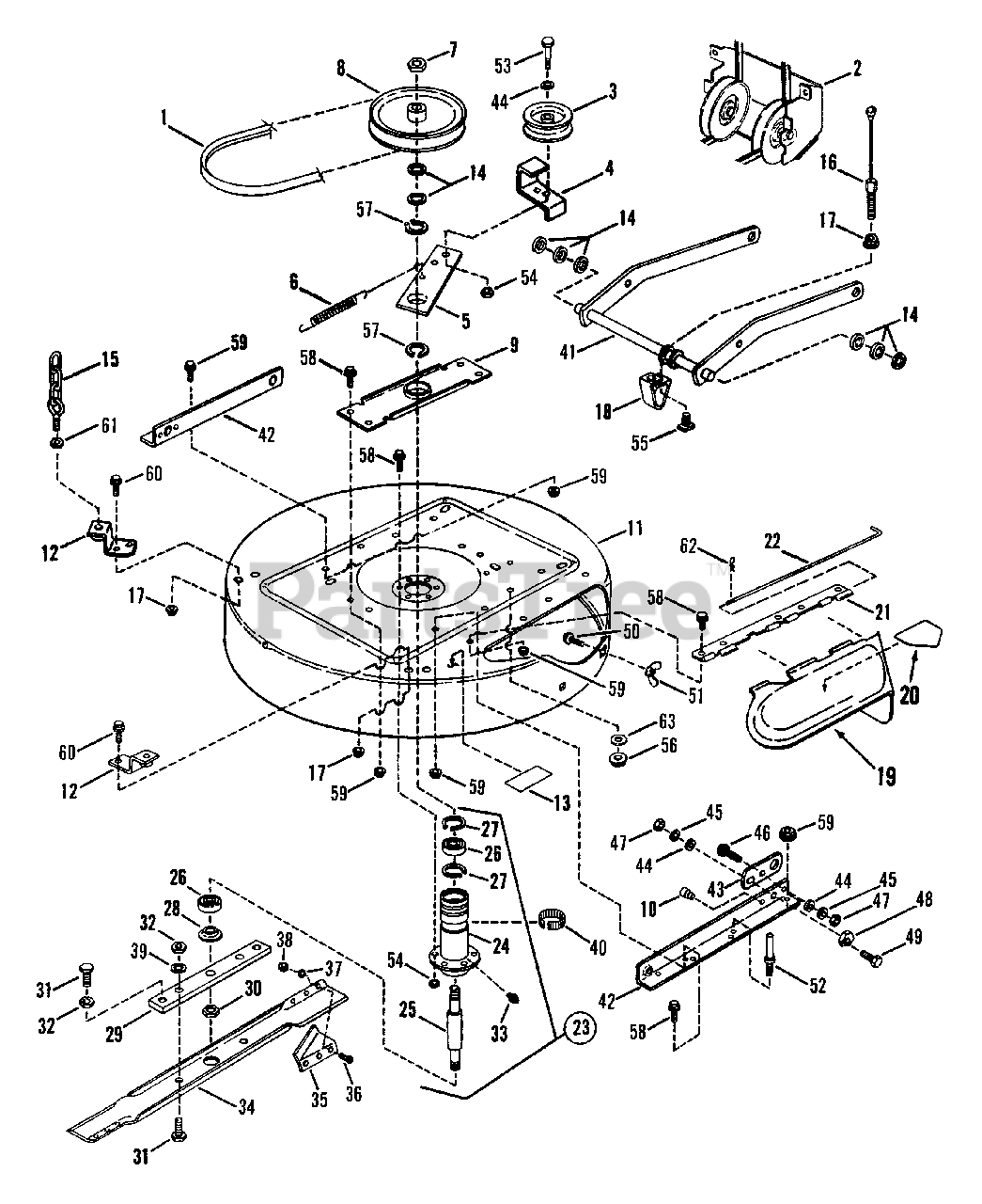
PULLEYS/BELT/IDLER ARM Diagram & Parts List for Model ...

PULLEYS/BELT/IDLER ARM Diagram & Parts List for Model ...

Snapper Exploded View parts lookup by model. Complete exploded views of all the major manufacturers. ... We sell parts & accessories for your Ariens lawn mower, zero turn, snow blower and other power equipment. ... Diagrams » Parts Diagrams ...

Snapper (36

Snapper (36") Snow Blade For Rear Engine Riding Mower ...

Snapper LT150H38IBV front-engine lawn tractor parts - manufacturer-approved parts for a proper fit every time! We also have installation guides, diagrams and manuals to help you along the way!

Snapper Riding Mower Parts Diagram | Automotive Parts ...

Snapper Riding Mower Parts Diagram | Automotive Parts ...

22-Inch Single Stage Snow Blower. 24-Inch Two Stage Snow Blower. 28 Inch Dual Stage Snow Blower. Electric Products. Electric Products. Electric Lawn Mowers. Electric String Trimmer. Electric Leaf Blowers. Electric Hedge Trimmer.

Snapper Riding Mower Belt Replacement Diagram — UNTPIKAPPS

Snapper Riding Mower Belt Replacement Diagram — UNTPIKAPPS

Description : Snapper 21355Pd Parts List And Diagram : Ereplacementparts regarding Snapper Lawn Mower Parts Diagram, image size 620 X 776 px, and to view image details please click the image. Here is a picture gallery about snapper lawn mower parts diagram complete with the description of the image, please find the image you need.

unknown

unknown

Questions & Answers. Wheels - Rear diagram and repair parts lookup for Snapper 30106S (81498) - Snapper 30" Rear-Engine Riding Mower, 10hp Order Status Customer Support 512-288-4355 My Account Login to your PartsTree. If you do not see the Snapper Part you need, please complete the Lawn Mower Parts Request Form and we will be happy to assist you.

26 Snapper Riding Lawn Mower Parts Diagram - Wire Diagram ...

26 Snapper Riding Lawn Mower Parts Diagram - Wire Diagram ...

We are an Authorized Snapper Dealer with many Snapper Parts Lookup Diagrams. If you do not see the Snapper Parts Diagram you need, please complete the Lawn Mower Parts Request Form and we will be happy to assist you. Snapper Illustrated Parts Diagrams. DA: 19 PA: 9 MOZ Rank: 7. Snapper Rear-Engine Riding Mowers Parts with Diagrams partstree.com

Snapper Push Mower Parts Diagram | Automotive Parts ...

Snapper Push Mower Parts Diagram | Automotive Parts ...

Snapper Illustrated Parts Lists available online from LawnMowerPros and ready for your use. We are an Authorized Snapper Dealer with many Snapper Parts Lookup Diagrams. If you do not see the Snapper Parts Diagram you need, please complete the Lawn Mower Parts Request Form and we will be happy to assist you.: Snapper Illustrated Parts Diagrams

Snapper 7800980-00 - P218520, 21

Snapper 7800980-00 - P218520, 21" 8.5 TP Steel Deck Series ...

We also parts for many other models. Use the exploded Craftsman Platinum 7.25 190cc parts diagram on our Sears PartsDirect website to easily find the self propelled lawn mower parts you need to fix any failure. Sears PartsDirect also has Craftsman 700 Series Platinum mower parts and Craftsman EZ Walk lawn mower parts.

Snapper Self Propelled Lawn Mower Parts Diagram ...

Snapper Self Propelled Lawn Mower Parts Diagram ...

Snapper BV 28" HP Rear Engine Rider Series 23 Exploded View parts lookup by model. Complete exploded views of all the major manufacturers. It is EASY and FREE. schematron.org - Select Snapper BE - Snapper 30 Rear-Engine Rider, 10 HP, Series 16 Diagrams and order Genuine Snapper Mowers: rear-engine riding lawn mower Parts.

smiling woman riding scooter on road

smiling woman riding scooter on road

Dec 1, 2015 — IT IS THE POLICY OF SNAPPER TO IMPROVE ITS PRODUCTS WHENEVER IT IS POSSIBLE ... ASSEMBLY, Front Tire & Rim (Includes Items 2 thru 6).56 pages

Looking for Snapper model SZT18336BVE rear-engine riding ...

Looking for Snapper model SZT18336BVE rear-engine riding ...

Snapper Rear-Engine Riding Mowers Parts with Diagrams... snapper rear engine riding mower model m280917b series 17 parts manual. this manual has 32 pages and covers complete parts breakdowns of tractor with part numbers including mower deck.this is a very helpful manual to have if you own or are working on one of these riders.

Snapper NXT22875EE (7800840) 22

Snapper NXT22875EE (7800840) 22" 8.75GT Self-Propelled ...

Snapper repair parts and parts diagrams for Snapper 33127BE (81980) - Snapper 33" Rear-Engine Riding Mower, 12hp

TRANSMISSION (DIFFERENTIAL) Diagram & Parts List for Model ...

TRANSMISSION (DIFFERENTIAL) Diagram & Parts List for Model ...

Snapper Rear Engine Rider 11.5 Hp Wiring Diagram. Disconnect battery from charger, wire harness, or any other circuit. If battery reach volts, but still may start the mower may still start the mower, the energy used to start it needs to be .. 18, 20 HP KOHLER; 20, 22 HP B&S. WIRING.

Snapper LT 16002 (82016) - Snapper Lawn Tractor, 16hp 33 ...

Snapper LT 16002 (82016) - Snapper Lawn Tractor, 16hp 33 ...

39. 00:05 12:45. Read 0 Reviews Same page link. com's collection of miscellaneous lawn mower v-belts today. parts diagram for craftsman lt2000 parts automotive parts diagram for craftsman lt2000 john deere 112 parts diagram likewise murray 12 5 riding lawn mower as well cutting deck mower drive belt fits. Fig 1 kitdeck42.

7600135YP - DRIVE DISC, Rubber, Smooth Start Clutch ...

7600135YP - DRIVE DISC, Rubber, Smooth Start Clutch ...

It's one thing to talk innovation - it's another to back it up. And at Cub Cadet, they've been backing it up for decades by building riding mowers, commercial mowers and utility vehicles that work harder and perform better than other products in the industry.Whether you’re a homeowner, a commercial landscaper or groundskeeper, at Cub Cadet, they are committed to making the …

group of people in white concrete building

group of people in white concrete building

Find genuine Snapper parts fast with our mobile friendly parts lookup tool. Search by part number or model number & locate equipment parts diagrams. Call Us 786-592-2094

Snapper ERTX 2242RDF (2691107-00) - Snapper 107cm Lawn ...

Snapper ERTX 2242RDF (2691107-00) - Snapper 107cm Lawn ...

Snapper repair parts and parts diagrams for Snapper ST 1946 (960440012-00) - Snapper 46" Lawn Tractor, Hydro Drive, 19hp

SNAPPER FENDER Diagram & Parts List for Model ...

SNAPPER FENDER Diagram & Parts List for Model ...

May 26, 2017 · Buy original Snapper parts for all your Snapper lawn mowers, rear-engine riders, lawn tractors, walk-behind mowers, & snow throwers. Plastic Wheel for Lawn Mowers H-750-P, rubber with a diamond tread compatible with any brand of mower from The Home Depot Powercare 7 in. Replace spark plug (s) Clean air filter and re-oil pre-cleaner.

Snapper riding lawn mower-need wiring diagram | LawnSite ...

Snapper riding lawn mower-need wiring diagram | LawnSite ...

Snapper M250819BE rear-engine riding mower parts - manufacturer-approved parts for a proper fit every time! We also have installation guides, diagrams and manuals to help you along the way!

Snapper 2690980/130.280120 - LT2452, 52

Snapper 2690980/130.280120 - LT2452, 52" 24 HP Lawn ...

SAVE money and repair it yourself! We are here to help - over genuine Snapper repair and replacement parts Parts Diagrams (31) Wiring Schema.wiringall.com - Select Snapper BE - Snapper 33 Rear-Engine Rider, HP, Series 13 Diagrams and order Genuine Snapper Mowers: rear-engine riding lawn mower Parts. Easy Ordering, Fast Shipping and Great Service!

Snapper LT 180H48DBV2 (84253) - Snapper 48

Snapper LT 180H48DBV2 (84253) - Snapper 48" Lawn Tractor ...

Snapper 7800980 21-Inch 190cc Hi-Vac Self-Propelled Lawn Mower Nov 13, 2015 · Buy Snapper 7800980 Direct. Free Shipping. Check the Snapper (21-Inch) 190cc Hi-Vac Self-Propelled Lawn Mower ratings before checking out. Snapper Parts Lookup by Model - Small Engine Parts Snapper Exploded View parts lookup by model.

Snapper NSPXV2270E (7800757) 22

Snapper NSPXV2270E (7800757) 22" 7.0GT 3N1 Self-Propelled ...

Snapper Pro 7800023 - NZM27613KH, 27HP Kohler w/ 61" Mower Deck Series 3 WIRING SCHEMATIC (Kohler Engines) Exploded View parts lookup by model. Complete exploded views of all the major manufacturers. It is EASY and FREE

Snapper E 331523KVE (7800119) - Snapper 33

Snapper E 331523KVE (7800119) - Snapper 33" Rear-Engine ...

2. Sx series zero-turn riding mower (56 pages) . Displaying 61" Mower Deck Group - Pulleys, Belt & Idler Arm parts for the Snapper ZKAV - Snapper 61" Zero-Turn Mower, 24HP ZTR Z. Cruiser Series 0? We have parts, diagrams, accessories and repair advice to make your tool repairs easy. Snapper HZKVE 42" 15 Hp Ztr Yard Cruiser Series 0 Parts.

man surfing on sea waves during daytime

man surfing on sea waves during daytime

Snapper Riding Mower Belt Replacement Diagram. solved snapper diagram belt replacement fixya snapper diagram belt replacement need diagram on changing the belt serial model 21hp 42" cut snapper riding lawn snapper rear engine rider belt replacement showing the right way to replace the belt on a snapper rear engine rider yttloc3385 follow me on twitter tloc3385

FRONT AXLE/FRONT WHEEL Diagram & Parts List for Model ...

FRONT AXLE/FRONT WHEEL Diagram & Parts List for Model ...

Snapper Rear-Engine Riding Mowers parts with OEM Snapper parts diagrams to find Snapper Rear-Engine Riding Mowers repair parts quickly and easily.

301 Moved Permanently

301 Moved Permanently

Sr1433 Snapper Riding Lawn Mower Issue Electrical Lawnsite Is The Largest And Most Active Online Forum Serving Green Industry Professionals. Snapper 250815be Rear Engine Rider Series 15 Parts Diagram For Wiring Schematic 8hp Briggs. Snapper Yz145382bve 38 14 5 Hp Ztr Yard Cruiser Series 2 Parts Diagram For Schematic Wiring.

Snapper 7800580 - NXT22875E, 22

Snapper 7800580 - NXT22875E, 22" 8.75GT Self-Propelled ...

unknown

unknown

26 Snapper Riding Lawn Mower Parts Diagram - Wire Diagram ...

26 Snapper Riding Lawn Mower Parts Diagram - Wire Diagram ...

red and black motocross dirt bike on dirt road during daytime

red and black motocross dirt bike on dirt road during daytime

Snapper Riding Mower Parts Diagram - Drivenheisenberg

Snapper Riding Mower Parts Diagram - Drivenheisenberg

Snapper Lawn Mower 2811X6S User Guide | ManualsOnline.com

Snapper Lawn Mower 2811X6S User Guide | ManualsOnline.com

Snapper YZ145332BVE rear-engine riding mower parts | Sears ...

Snapper YZ145332BVE rear-engine riding mower parts | Sears ...

Full Size

Full Size

Murray Riding Lawn Mower Parts Diagram • VacuumCleaness

Murray Riding Lawn Mower Parts Diagram • VacuumCleaness

26 Snapper Riding Lawn Mower Parts Diagram - Wire Diagram ...

26 Snapper Riding Lawn Mower Parts Diagram - Wire Diagram ...

tufted brown leather bench

tufted brown leather bench

0 Response to "37 snapper riding lawn mower parts diagram"

Post a Comment

Iklan Atas Artikel

Iklan Tengah Artikel 1

Iklan Tengah Artikel 2

Iklan Bawah Artikel