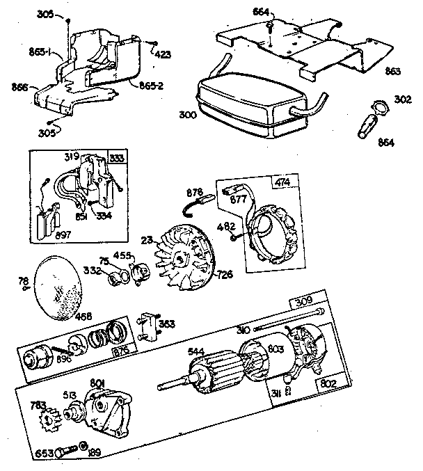
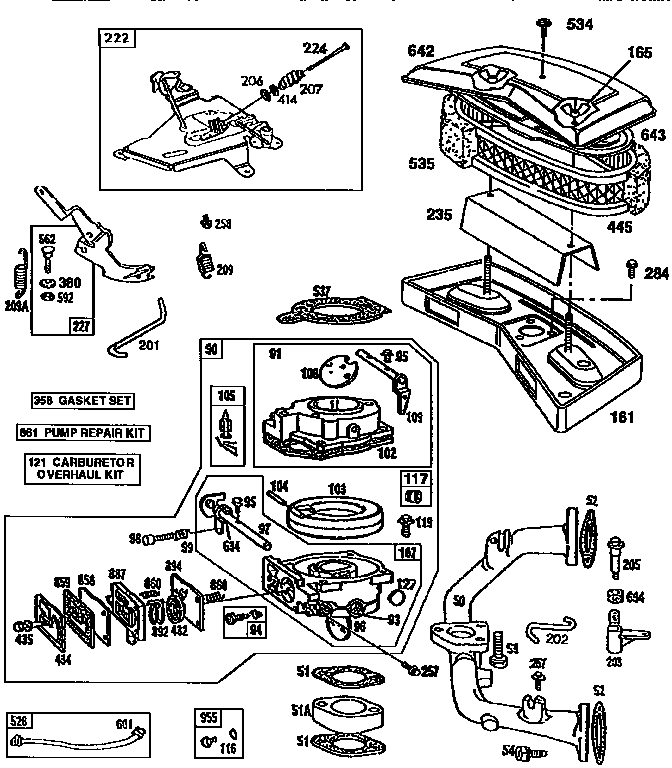
36 briggs and stratton 18 hp twin ii carburetor diagram
BRIGGS AND STRATTON 55 HP ENGINE MANUAL BRIGGS ANDSTRATTON 21 HP CARBURETOR DIAGRAM Format : PDF -Updated on February 18. Briggs 18HP Twin II I/C won't start - ... 1-16 of 120 results for "18 hp briggs and stratton carburetor" ... ALL-CARB Carburetor Replacement for Briggs & Stratton 693480 Craftsman LT1000 917270821 V-Twin + 4.6 out of 5 stars 315. $37.98 $ 37. 98. Get it as soon as Wed, Feb 2. FREE Shipping by Amazon.
Products - Items tagged as "Briggs and stratton carburetor diagram". NEW Carburetor Carb FITS Honda GX610 18 HP & GX620 20 HP V Twin Gas Engine 64.90 · NEW ...

Briggs and stratton 18 hp twin ii carburetor diagram
This specific image (Briggs And Stratton Throttle Linkage Diagram] Carburetor Governor for Briggs And Stratton Vanguard Parts Diagram) earlier mentioned is usually labelled using: briggs and stratton 16 hp vanguard parts diagram, briggs and stratton 18 hp vanguard parts diagram, briggs and stratton vanguard parts breakdown, . Feb 15, 2019 · 18 Hp Briggs Vanguard Wiring Diagram – Www.toyskids.co • – Briggs And Stratton Wiring Diagram 18 Hp. Wiring diagram also provides useful ideas for assignments which may need some additional equipment. This e-book even contains ideas for additional provides that you might want as a way to end your assignments. Briggs And Stratton 18 Hp Twin Wiring Diagram – briggs and stratton 18 hp opposed twin wiring diagram, briggs and stratton 18 hp twin wiring diagram, briggs and stratton 18 hp v twin wiring diagram, Every electric structure is composed of various unique pieces. Each component should be placed and connected with other parts in specific manner. If not, the arrangement won’t function as it ...
Briggs and stratton 18 hp twin ii carburetor diagram. Jan 04, 2022 · The diagram contains a schematic drawing of every piece contained in the carburetor and labels it using a number system. If search engine results on the various search engines. 10-12-2019 briggs and stratton 18 hp twin ii carburetor diagram briggs and stratton 18 hp twin ii fuel starving? Briggs And Stratton 18 Hp Twin Wiring Diagram. May 20, 2021 · Wiring Diagram. by Anna R. Higginbotham. briggs and stratton 18 hp twin wiring diagram – You’ll need an extensive, skilled, and easy to know Wiring Diagram. With this kind of an illustrative guide, you’ll be capable of troubleshoot, stop, and full your projects with ease. 19 Oct 2016 — Briggs and stratton 14 hp vanguard engine tapered shaft 295440 0168. Briggs and stratton 18 hp v twin carburetor diagram in this video i show ... Briggs and Stratton 422707-1214-01 Carburetor Exploded View parts lookup by model. Complete exploded views of all the major manufacturers. It is EASY and FREE
Find Your Manual or Parts List. Find the operator's manual or illustrated parts list for your Briggs & Stratton engine or product by following the instructions below. Looking for a part number? Use the Parts Lookup tool to find your part number, availability & pricing, and order online. 1. Locate your model number. Oct 03, 2012 · Hi, new to this site, need help. 18 hp opposed twin, flat head. Model 422707. Only runs with about half choke. Done a LOT of reading. New fuel lines, filter, completely disassemble carb, cleaned thoroughly, including main jet and all passages. Tank is clean, cap is good. New gaskets and main... BRIGGS ANDSTRATTON 21 HP CARBURETOR DIAGRAM Format : PDF -Updated on February 18.Briggs 18HP Twin II I/C won't start - Turns over slowly or not at all Zak,I have an MTD tractor with a Briggs & Stratton 18 HP Twin II I/C42A707-1238 engine. start i put brand new battery,plugs,fuel line,i hadthe carb 17 Mar 2018 — I have an MTD tractor with a Briggs & Stratton 18 HP Twin II I/C42A707-1238 engine. start i put brand new battery,plugs,fuel line,i hadthe carb ...
Briggs and Stratton 422707-1510-01 Exploded View parts lookup by model. Complete exploded views of all the major manufacturers. ... Found on Diagram: Carburetor, Kits/Gasket-Carburetor; 692278 . Intake Gasket. $4.20 ... $18.57 Options Add to Cart. 693508 . JET PILOT. $7.23 Options Add to ... Briggs and Stratton Opposed Twin-Cylinder Carburetor - Down-draft carb with fuel pump · #1. · 'Opposed twin-cylinder' refers to the fact that the two cylinders ... Briggs And Stratton 18 Hp Twin Wiring Diagram – briggs and stratton 18 hp opposed twin wiring diagram, briggs and stratton 18 hp twin wiring diagram, briggs and stratton 18 hp v twin wiring diagram, Every electric structure is composed of various unique pieces. Each component should be placed and connected with other parts in specific manner. If not, the arrangement won’t function as it ... Feb 15, 2019 · 18 Hp Briggs Vanguard Wiring Diagram – Www.toyskids.co • – Briggs And Stratton Wiring Diagram 18 Hp. Wiring diagram also provides useful ideas for assignments which may need some additional equipment. This e-book even contains ideas for additional provides that you might want as a way to end your assignments.
This specific image (Briggs And Stratton Throttle Linkage Diagram] Carburetor Governor for Briggs And Stratton Vanguard Parts Diagram) earlier mentioned is usually labelled using: briggs and stratton 16 hp vanguard parts diagram, briggs and stratton 18 hp vanguard parts diagram, briggs and stratton vanguard parts breakdown, .
0 Response to "36 briggs and stratton 18 hp twin ii carburetor diagram"
Post a Comment