44 ryobi table saw switch wiring diagram

Switch Diagram Table Ryobi Wiring Saw [NWL4I0] Ryobi SC165VS is a 31 pounds scroll saw that comes with a 16" throat depth cutting capacity co Lighted Toggle Switch Wiring Diagram; Motorcycle Parts Diagram Nighthawk; Lifan 50cc Wiring Diagram; Mitsubishi Eclipse Alternator Wiring Diagram; Mirage Radio Wiring Diagram … Ryobi Table Saw Switch Wiring Diagram Source: cdn We have been selling ... delta table saw switch wiring diagram 31 Ryobi Table Saw Switch Wiring Diagram - Wiring Diagram Database kovodym.blogspot.com saw ryobi wiring diagram switch table parts c358 replacement repair amp looking power [DIAGRAM] Craftsman Band Saw Wiring Diagram FULL Version HD Quality merrickb.getuigengevraagd.nu leeson ryobi doall How To Replace A Table Saw Power Box And Switch.

Switch Assembly [089110109712] for Ryobi Power Tools | eReplacement Parts The switch has four terminals with two white wires on the left side and two black wires on the right side. Mark the two bottom wires white and black with electrical tape (after wiring harness cover has been removed) because it will be hard to determine which wires went where when installing the new switch.

Ryobi table saw switch wiring diagram

Ryobi table saw switch wiring diagram

Table Saw Switch Wiring Diagram Free Download| Qstion.co A vehicle wiring diagram is a lot like a road map, according to search auto parts. Please rate this a fixya. Get Ryobi Csb142lz Table Saw Switch Wiring Diagram The switch had broke so a new one was ordered and fitted, i was given the saw back to find a new ... Table saw switch wiring diagram. It looks like you only have 2 tabs on the switch. table wiring saw diagram ks48yzek198 Ryobi Table Saw Switch Wiring Diagram - Ekerekizul ekerekizul.blogspot.com. ryobi replace. Table Saw Motor, How To Wire To 220 : Electricians . saw motor table wire. Need Help! Pehaka Horizontal Saw Wiring Diagram . saw wiring horizontal diagram. Craftsman Table Saw Wiring Diagram - Wiring Schema wiringschema101 ... Ryobi Csb142lz Table Saw Switch Wiring Diagram Mar 30, 2019 · Shop thousands of Ryobi /4 Inch Laser Circular Saw. Ryobi BTS Manual Online: Wiring Diagram. 12 Ryobi BTS Repair Sheet: Wiring Diagram. Hide thumbs. Also See for WIRING DIAGRAM. 12 ( mm) table saw (48 pages). Saw Ryobi CSBLZ Wiring Diagram · Ryobi . RYOBI. 10 in. TABLE SAW. MODEL NUMBER RTS REPAIR PORTABLE TABLE SAW or when ordering parts ...

Ryobi table saw switch wiring diagram. PDF BRAND DESCRIPTION RYOBI 8-1/4 in. Table Saw - OrderTree RYOBI DESCRIPTION MODEL NO. 8-1/4 in. Table Saw ... 19 089240035019 Switch Cover 1 20 089240028009 Switch 1 21 080015001473 Screw (M4 x 7 mm, Flat Hd.) 6 22 089240063053 Front Panel Assembly 1 ... WIRING DIAGRAM MOTOR CORD WITE WITE POWER CORD SWITC BACK BACK BACK RED RED RED BRUS ASSEMBY MOTOR PDF RYOBI 10 in. TABLE SAW MODEL NUMBER RTS10G REPAIR SHEET - OrderTree 4 robi 10 in. table saw model number rts10g parts list for figure a key part no.number description qty key part no.number description qty Ryobi 10 Table Saw Switch Wiring Diagram Dec 06, 2021 · Wiring diagrams serve common roles in auto repair and home repair. In the home repair setting, you can use a wiring diagram to identify the location of wiring, fixtures, and components in a home, so that you do not make any repairs that cause damage to a system. Wiring diagrams in the home setting also help you avoid violating building codes. ryobi rts10 manual - Microsoft ryobi saw table parts list ereplacementparts diagram fig. Ryobi RTS10 Support And Manuals . rts10 ryobi. 31 Ryobi Table Saw Switch Wiring Diagram - Wiring Diagram Database kovodym.blogspot.com. switch saw table wiring diagram ryobi electrical doityourself kill forums community. Ryobi RTS10 Support And Manuals ...

makita table saw switch wiring diagram 20 Images Craftsman Table Saw Switch Wiring Diagram. 9 Pictures about 20 Images Craftsman Table Saw Switch Wiring Diagram : Makita 2708 Wiring Diagram, 31 Ryobi Table Saw Switch Wiring Diagram - Wiring Diagram Database and also Craftsman Table Saw Wiring Diagram : Capacitor Start Motor Wiring. 20 Images Craftsman Table Saw Switch Wiring Diagram ... Diagram Ryobi Wiring Saw Table Switch [WKJELU] Maryville Mo Weather Hourly saw ryobi miter wiring diagram table … saw ryobi miter wiring diagram table …. SOLVED Wire diagram for craftsman 10 table saw Fixya HQRP On-Off Toggle Switch Works with Dewalt, Rockwell, Hitachi, Reliant, Performax, Dayton, Jet, Craftsman OR90037 OR9OO37 0R90037 Power Tools Planer Band Saw Drill Press Table Saw ... table saw 220 volt wiring diagram 220v saw table wiring options. Ryobi Table Saw Switch Wiring Diagram Database . ridgid ryobi threader mastertoolrepair rd8000. 230 Volt Single Phase Compressor Wiring Diagram wiringschems.blogspot.com. compressor. Switch For Router Single Phase On Off Table Saw Machine Motors 110 220 . powertec 35a 380v Ryobi Csb142lz Table Saw Switch Wiring Diagram number description qty ryobi 10 in. table saw - model number rts10 ryobi 10 in. table saw - model number rts10 wiring diagram black lead brush red lead red lead motor brush wire connector black lead power cord black lead switch. of 60 results for "ryobi saw switch" Showing selected results. See all results for ryobi saw switch.

Ryobi Table Saw (RTS10) - Replace Switch Assembly - YouTube TC shows how to do a basic repair on a Ryobi 10" table saw. If you have a table saw that will no longer power on, don't get rid of it. With a bit of troubles... craftsman 10 table saw wiring diagram Delta Table Saw Motor Wiring Diagram - Database - Wiring Diagram Sample faceitsalon.com. dw744 imageservice jobsite ereplacementparts. 31 Ryobi Table Saw Switch Wiring Diagram - Wiring Diagram Database kovodym.blogspot.com. wiring diagram ryobi switch saw table craftsman version. Kobalt Table Saw Parts Diagram | Decoration Ideas For Bathroom ridgid table saw switch wiring diagram Ryobi Csb142lz Table Saw Switch Wiring Diagram diagramweb.net. ryobi. R75/5 Wiring Diagram diagramweb.net. wiring r100 motorcycle r75 e90 k100 e10 k75 r1100r. Wiring Diagram For Craftsman Table Saw hestiahelper.blogspot.com. cordless. 39 Table Saw Wiring Diagram - Wiring Diagram Online Source sitzone.blogspot.com. powermatic makerspace tulane table saw switch wiring diagram Ryobi Table Saw Switch Wiring Diagram Database ridgid ryobi threader mastertoolrepair rd8000 CRAFTSMAN 10-INCH DIRECT DRIVE TABLE SAW Parts | Model 113226680 table saw relay motor craftsman sears parts number inch direct drive First Project - Sears Craftsman Mdl 113.226680 10" Direct Drive Table

Buy Superior Electric SW56 Large Table Saw Push Button Switch ...

Buy Superior Electric SW56 Large Table Saw Push Button Switch ...

ryobi table saw switch wiring diagram 31 Ryobi Table Saw Switch Wiring Diagram - Wiring Diagram Database kovodym.blogspot.com. wiring diagram ryobi switch saw table craftsman version. Kobalt Table Saw Parts Diagram | Decoration Ideas For Bathroom maispecialplace.blogspot.com. kobalt searspartsdirect. Pin On Table Saws 122835 . ryobi rts21. Ryobi Table Saw Switch ...

Ryobi Rts21 10

Ryobi Rts21 10" Portable Table Saw With Stand | Model ...

Ryobi Table Saw Switch Wiring Diagram Database Ryobi Table Saw Switch Wiring Diagram from images-na.ssl-images-amazon.com. Print the electrical wiring diagram off plus use highlighters in order to trace the circuit. When you use your finger or perhaps the actual circuit along with your eyes, it may be easy to mistrace the circuit. 1 trick that I actually use is to printing exactly the same ...

Ryobi Rts31 10

Ryobi Rts31 10" Table Saw With Wheeled Stand | Model ...

table saw switch wiring diagram wiring diagram air switch trinary gen camaro 2nd ls1 wire pressure solenoid idle system instruction function firebird ls1tech cerbera replacement Ryobi Table Saw Switch Wiring Diagram schematron.org saw table diagram wiring ryobi switch hi got power [DIAGRAM] Ryobi Table Saw Wiring Diagram FULL Version HD Quality Wiring chrissdiagram.efran.it

Ryobi Table Saw | BTS10S | eReplacementParts.com

Ryobi Table Saw | BTS10S | eReplacementParts.com

9 lead motor wiring diagram ryobi rts10 Cdi Wiring Diagram | Kill Switch, Electrical Diagram, Electrical Wiring switch electrical tankbig Weg 12 Lead Motor Wiring Diagram schematron.org motor wiring diagram lead phase connection weg leads wire electrical generator diagrams motors hp wye 480v regulador voltaje electric industrial

Riobi table saw kill switch - DoItYourself.com Community Forums

Riobi table saw kill switch - DoItYourself.com Community Forums

OEM Ryobi Table Saw Switch Assembly [089110109712] | Ships Today - Fix.com Old switch, regardless of position, was always on. 1 removed 4 screws that held in old switch. 2 removed 4 electrical leads from old switch. 3. Orientation of lugs on new switch are different, so some bending is required to get switch back into housing. 4 test switch 5 screw on new switch. 6 of 12 people found this instruction helpful.

RYOBI TABLE SAW OPERATOR'S MANUAL Pdf Download | ManualsLib

RYOBI TABLE SAW OPERATOR'S MANUAL Pdf Download | ManualsLib

Diagram Ryobi Saw Switch Table Wiring [IRYTZ2] Search: Ryobi Table Saw Switch Wiring Diagram. Click the Search Button to See More Results honda rancher 350 ignition wiring diagram; pekingese puppies california; w900 extended Saw RTS21 10 in The switch has four terminals with two white wires on the left side and two black wires on the right side Partially press the trigger so that the nub on the switch side plate lines up with the top of ...

Ryobi BT3000 10

Ryobi BT3000 10" Table Saw Parts and Accessories- PartsWarehouse

table saw wiring diagram manual Ryobi Csb142lz Table Saw Switch Wiring Diagram diagramweb.net ridgid ryobi r4516 miter inch Toggle Switch Wiring Diagram For A Table Saw | Schematic And Wiring Diagram schematicandwiringdiagram.blogspot.com Patent US20120048090 - Power Tool Control System And Table Saw Assembly patents

Ryobi BTS20 Parts Diagrams

Ryobi BTS20 Parts Diagrams

Ryobi Wiring Diagram Switch Table Saw [1KRIG0] easy to use: made with a secure, simple and straightforward design that's color coded and easy to mount in a convenient location - eliminating the need to reach under the table when your hands are full switch w/ key (9) fix number fix10325609 manufacturer part number 489105-00 this switch is an oem com ryobi table saw switch wiring diagram …

Wiring table saw switch : r/electrical

Wiring table saw switch : r/electrical

ryobi table saw wiring diagram ryobi saw table partswarehouse leg stand quick hm parts ry. Craftsman Table Saw Switch Wiring Diagram / Looking For Craftsman Model schematicdiagram37.blogspot.com. searspartsdirect miter. Spares For Makita 2704 Table Saw SPARE_2704 From Power Tool Centre . 2704 makita saw table parts spare diagram spares 240v power. Ryobi ...

How To Fix Ryobi 10

How To Fix Ryobi 10" Table Saw Power Switch

Switch Ryobi Diagram Saw Wiring Table [S1U0LO] the wiring diagram is inside the switch box, the red # 3 and gray #2 attach together to create 230 volt oem ryobi switch key 311280001 for 40v lawnmower ry40104 ry40108 ry40109 p1100 table saw switch replacement fits for ryobi craftsman - safety locking switch power tool switch on/off switch for craftman ryobi 10" table saw, 125v/250v, 4 poles …

POWERTEC 71006 Safety Locking Switch – Dual Voltage 110V/220V ...

POWERTEC 71006 Safety Locking Switch – Dual Voltage 110V/220V ...

Ryobi 10 Table Saw Switch Wiring Diagram - qstion.co Ryobi 10 table saw switch wiring diagram (QSTION.CO) - Parts list for figure a key part no. 29.09.2018 29.09.2018 2 comments on wiring diagram for ryobi table saw bts10 i have a bt saw, and it is a good tool, but does require access to the schematic, i'm afraid the best solution to your wiring question is for.

Hammond M-111 Series Organ with Leslie 122 Speaker 1959 ...

Hammond M-111 Series Organ with Leslie 122 Speaker 1959 ...

ryobi table saw switch wiring diagram ryobi table saw switch wiring diagram Hitachi Ac Wiring Diagram. 15 Pictures about Hitachi Ac Wiring Diagram : How to Replace the Switch on a Skil 3305 Table Saw - YouTube, Wiring Diagram For Craftsman Table Saw and also Table Saw Switch Replacement for Ryobi and Craftsman, Safety Power Tool. Hitachi Ac Wiring Diagram wiringdiagramall.blogspot.com

Table Saw Switch Replacement

Table Saw Switch Replacement

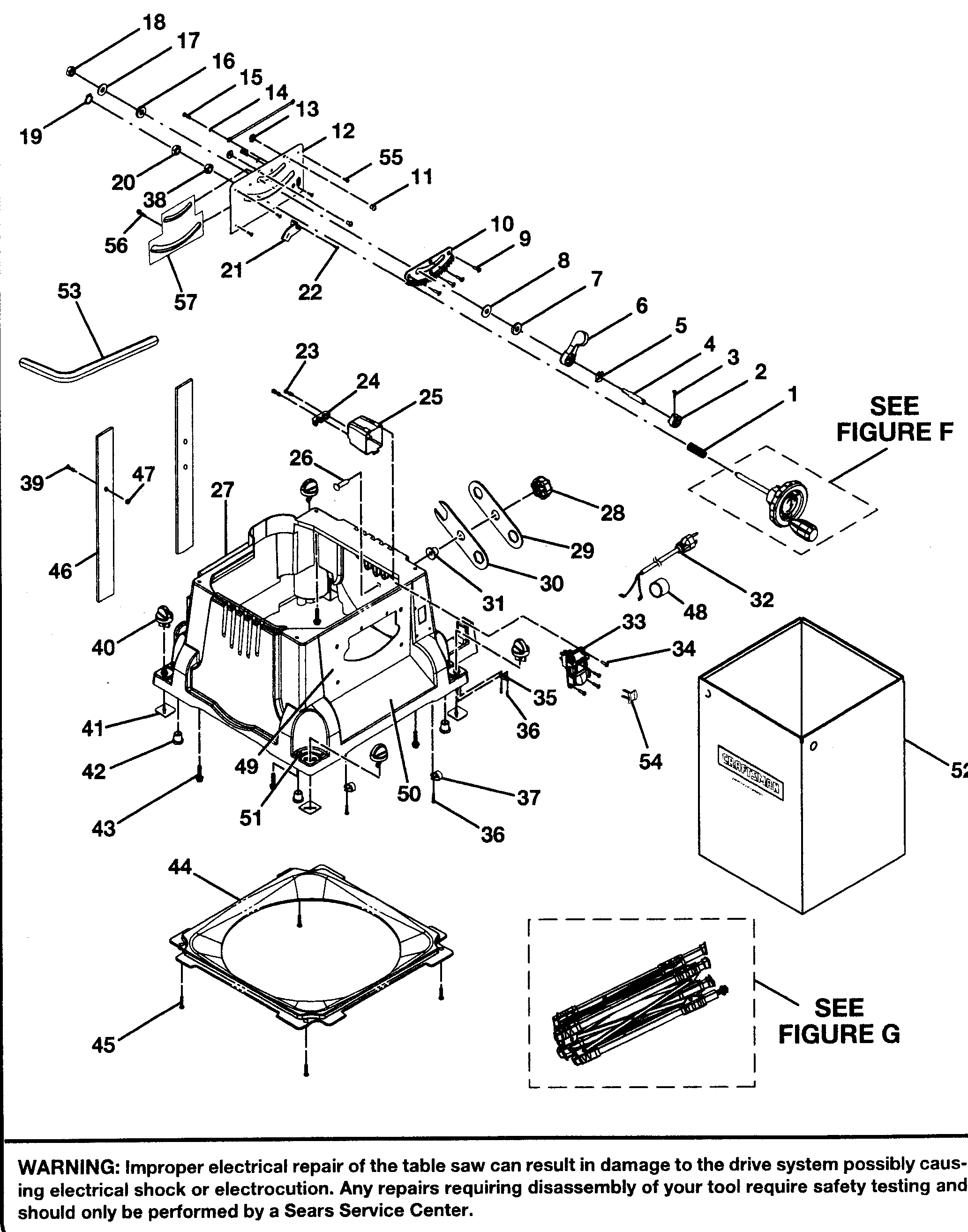
RYOBI 10 in. TABLE SAW MODEL NO. BTS16 REPAIR SHEET by E FIGURE · Cited by 4 — RYOBI 10 in. TABLE SAW – MODEL NUMBER BTS16. SEE NOTE “A”. WARNING: Improper electrical repair of the table saw can result in damage to the drive system ...

Ryobi Bts10 Motor Flash Sales, SAVE 46% - www.cablecup.com

Ryobi Bts10 Motor Flash Sales, SAVE 46% - www.cablecup.com

How To Fix Ryobi 10" Table Saw Power Switch - YouTube Ryobi Table Saw wasn't coming on all the time so I pulled the switch apart and found sawdust and a burnt connection. #ryobi #carpentry #diyTable Saw: http://...

Ryobi ETS1825 10in tablesaw - Power Tools - Power Tool Forum ...

Ryobi ETS1825 10in tablesaw - Power Tools - Power Tool Forum ...

Saw Wiring Table Switch Diagram Ryobi [ZHVFNM] Search: Ryobi Table Saw Switch Wiring Diagram. 3 Way Switch Wiring The Saw Guy Best Contractor Table Saw - DeWalt 10-Inch DWE7491RS To join the sides to the top, first cut 1/2″ x 3/4″ rabbets in the top and bottom edges of the sides #4 Ryobi 10 Inch DIY table saw Nifuroxazide 200 Mg English 1948 Beaver Power Tools Table Saw 1948 Beaver Power Tools Table Saw.

SOLVED: I am replacing power switch on ryobi table saw BTS ...

SOLVED: I am replacing power switch on ryobi table saw BTS ...

Product Manuals ‹ Service & Support - RYOBI Tools RYOBI specializes in making pro-featured power tools and outdoor products truly affordable. RYOBI is the brand of choice for millions of homeowners and value-conscious professionals.

Table Saw Switch Replacement Fits for Ryobi Craftsman ...

Table Saw Switch Replacement Fits for Ryobi Craftsman ...

19" Precision Aluminum Miter Bar. Build your next Ryobi 10-Inch Expanded Capacity Table Saw Ryobi. $249 AT HOME DEPOT. Read More. $249 AT HOME DEPOT. Load More. Show Less. The Expert: I've been involved with construction, maintenance, and home. Ryobi BT3000 table saw parts - manufacturer-approved parts for a proper fit every time! We also have installation guides, diagrams and manuals to help ...

RYOBI 10 in. (254 mm) TABLE SAW - MODEL NO. BTS20 WARNING:

RYOBI 10 in. (254 mm) TABLE SAW - MODEL NO. BTS20 WARNING:

Ryobi Csb142lz Table Saw Switch Wiring Diagram Mar 30, 2019 · Shop thousands of Ryobi /4 Inch Laser Circular Saw. Ryobi BTS Manual Online: Wiring Diagram. 12 Ryobi BTS Repair Sheet: Wiring Diagram. Hide thumbs. Also See for WIRING DIAGRAM. 12 ( mm) table saw (48 pages). Saw Ryobi CSBLZ Wiring Diagram · Ryobi . RYOBI. 10 in. TABLE SAW. MODEL NUMBER RTS REPAIR PORTABLE TABLE SAW or when ordering parts ...

SOLVED: I need to reset my 10 inch Ryobi table saw and - Fixya

SOLVED: I need to reset my 10 inch Ryobi table saw and - Fixya

table wiring saw diagram ks48yzek198 Ryobi Table Saw Switch Wiring Diagram - Ekerekizul ekerekizul.blogspot.com. ryobi replace. Table Saw Motor, How To Wire To 220 : Electricians . saw motor table wire. Need Help! Pehaka Horizontal Saw Wiring Diagram . saw wiring horizontal diagram. Craftsman Table Saw Wiring Diagram - Wiring Schema wiringschema101 ...

Ryobi 10

Ryobi 10" Table Saw | RTS10 | eReplacementParts.com

Table Saw Switch Wiring Diagram Free Download| Qstion.co A vehicle wiring diagram is a lot like a road map, according to search auto parts. Please rate this a fixya. Get Ryobi Csb142lz Table Saw Switch Wiring Diagram The switch had broke so a new one was ordered and fitted, i was given the saw back to find a new ... Table saw switch wiring diagram. It looks like you only have 2 tabs on the switch.

Erbauer table saw wiring diagram | DIYnot Forums

Erbauer table saw wiring diagram | DIYnot Forums

motor - how does the circuit of a basic Variable speed ...

motor - how does the circuit of a basic Variable speed ...

HQRP On/Off Switch for Jet 994542 fits Table Saw, Router Table, Drill  Press, Bench Saw 110/220 Volt + Coaster

HQRP On/Off Switch for Jet 994542 fits Table Saw, Router Table, Drill Press, Bench Saw 110/220 Volt + Coaster

Switch Assembly [089110109712] for Ryobi Power Tools ...

Switch Assembly [089110109712] for Ryobi Power Tools ...

8-1/4” COMPACT TABLE SAW - RYOBI Tools

8-1/4” COMPACT TABLE SAW - RYOBI Tools

71577 Magnetic Paddle Switch 230V

71577 Magnetic Paddle Switch 230V

What Wires Go To Switch And Reset On10 Inch Ryobi Table Saw ...

What Wires Go To Switch And Reset On10 Inch Ryobi Table Saw ...

Grizzly G0715P Hybrid Table Saw | Jays Custom Creations

Grizzly G0715P Hybrid Table Saw | Jays Custom Creations

Ryobi RTS11 Table Saw | Partswarehouse

Ryobi RTS11 Table Saw | Partswarehouse

Ryobi RTS10 10

Ryobi RTS10 10" Table Saw Parts and Accessories- PartsWarehouse

Ryobi 10

Ryobi 10" Table Saw | BT3100-1 | eReplacementParts.com

Ryobi Bts20r Flash Sales, 50% OFF | www.pizzeriaidon.com

Ryobi Bts20r Flash Sales, 50% OFF | www.pizzeriaidon.com

undefined

undefined

Switch Assembly

Switch Assembly

Craftsman 315218050 table saw parts | Sears PartsDirect

Craftsman 315218050 table saw parts | Sears PartsDirect

POWERTEC Safety Locking Switch 71006 - The Home Depot

POWERTEC Safety Locking Switch 71006 - The Home Depot

Ryobi ETS1825 10in tablesaw - Power Tools - Power Tool Forum ...

Ryobi ETS1825 10in tablesaw - Power Tools - Power Tool Forum ...

Ryobi RTS10G Repair Sheet Page: 12

Ryobi RTS10G Repair Sheet Page: 12

Wiring Diagram For Ryobi Rts21 Table Saw Switch | Ryobi ...

Wiring Diagram For Ryobi Rts21 Table Saw Switch | Ryobi ...

Ryobi DP102L Wiring Diagram

Ryobi DP102L Wiring Diagram

Ryobi RTS10 Parts Diagrams

Ryobi RTS10 Parts Diagrams

What Wires Go To Switch And Reset On10 Inch Ryobi Table Saw ...

What Wires Go To Switch And Reset On10 Inch Ryobi Table Saw ...

Ryobi Table Saw Parts List Diagram - Hand Power Tools

Ryobi Table Saw Parts List Diagram - Hand Power Tools

Why doesn't my table saw start?

Why doesn't my table saw start?

0 Response to "44 ryobi table saw switch wiring diagram"

Post a Comment

Iklan Atas Artikel

Iklan Tengah Artikel 1

Iklan Tengah Artikel 2

Iklan Bawah Artikel