44 husqvarna gt2254 drive belt diagram

Husqvarna Ride Mower | GT 2254 | eReplacementParts.com Need to fix your GT 2254 (96025000202) (2005-06) Ride Mower? Use our part lists, interactive diagrams, accessories and expert repair advice to make your repairs easy. Husqvarna GT 2254 (96025000201) (2005-05) Ground Drive Parts Diagram Help with Jack's Parts Lookup, Husqvarna GT 2254 (96025000201) (2005-05) Ground Drive Parts Diagram, Chassis And Enclosures, Decals, Electrical, Engine, Gear Drive Transaxle, Ground Drive, Lift Assembly, Mower Deck, Schematic, Seat Assembly, Steering Assembly, Wheels & Tires, GT 2254 (96025000201) (2005-05) Ground Drive,

Belt Gt2254 Diagram Drive [ERFZSH] - fao.sagre.piemonte.it Husqvarna gt2254 drive belt diagram The mower deck on the Husqvarna GT2254 has a cutting width of 54 inches even though it's total width is probably closer to 65 inches Craftsman gt5000 48 deck belt size The Craftsman GT 5000 series garden tractors were manufactured for Sears stores by the Husqvarna Group from 2009 to 2011 .

Husqvarna gt2254 drive belt diagram

Husqvarna gt2254 drive belt diagram

Belt Diagram Gt2254 Drive [ZPM34S] - gad.chimicar.mn.it Usually there is a problem with the belts that drive …. Husqvarna Yth2348 Drive Belt Diagram - Free Diagram For Student diagramresource With over 330 years of innovation and passion, Husqvarna provides professionals and consumers with forest, park, lawn and Most lawn mower belts are black and made of rubber Houses For Rent In Mobile GT2254 ... Diagram Drive Belt Gt2254 [RMXI63] - dga.sagre.piemonte.it Go to the Sears Parts Direct website and type in your model numbers in the parts lookup section Husqvarna gt2254 drive belt diagram Wrap the blade or wear gloves, and use extreme caution when servicing them Hydro Gear, ZC-AHBB-4MDB-2PEX, Hydro Gear is the leading manufacturer of precision hydraulic drive …, Husqvarna GT2254 (96025000201) (Drive 2005) Riding Lawn ... - V-Belt Guys Home › Husqvarna GT2254 (96025000201) (Drive 2005) Riding Lawn Mower Replacement Belt, Husqvarna GT2254 (96025000201) (Drive 2005) Riding Lawn Mower Replacement Belt, $ 10.06 $ 15.09, Quantity, Add to Cart, Description, Husqvarna GT2254 (96025000201) (Drive 2005) Riding Lawn Mower Replacement Belt,

Husqvarna gt2254 drive belt diagram. Husqvarna GT 2254 (96025000201) (2005-05) Parts Diagrams Husqvarna GT 2254 (96025000201) (2005-05) Exploded View parts lookup by model. ... Found on Diagram: Gear Drive Transaxle; 532004197 . AXLE SHAFT. Options Add to Cart. 812000034 . KLIP RING. Options Add to Cart. 532184956 . ... Ground Drive V-Belt. Options Add to Cart. 532141756 . BRACKET SHIFT ROD. Options Add to Cart. 532122253. Husqvarna Ride On Mower Transmission Drive Belt Info - YouTube A brief video outlining the procedure to change a ride on mower transmission drive belt on a Husqvarna YTH 1842 XP Spare Parts - GT2254 - Husqvarna GT2254. Other Documents. OM, GT 2254, 96023000500, 2005-05; OM, GT 2254, 96025000200, 2005-05; OM, GT 2254, 96025000201, 2005-06 ... making you ready to get the job done efficiently. Husqvarna offers a wide and growing range of products and accessories, including everything from chainsaws and trimmers to innovative robotic lawn mowers. Get the ... Belt Gt2254 Diagram Drive [ZBQ3U6] - gie.chimicar.mn.it It comes with many features, including articulated steering, and offers both efficiency and comfort Transaxle drive belts, hydro belts, transmission belts, and idler pulleys as shown in the belt routing diagram in the operator's manual Husqvarna GT52XLS LS Series Yard Tractor Parts 42 Husqvarna GTH24K54 (54") 24HP Kawasaki …,

Parts for Husqvarna GT2254: Ground Drive Parts This knob is designed for use in lawnmowers and lawn tractors manufactured by Ariens, Craftsman, Husqvarna, and Poulan. by Husqvarna. Part Number AP6125796. Our Price. $3.10. In Stock. Ships Today Guaranteed. Quantity. Add to Cart. How To Tighten Drive Belt On Husqvarna Riding Mower? Near the log lever, you'll be able to find a paddle handle. All you have to do is pull the lever toward the steering wheel and the drive belt should be tightened. 4. Double Check The Blades. After doing that, you'll want to check to see if it worked. If it did, your blades should be moving. 5. Belt Gt2254 Diagram Drive [OZ80KV] - 37.allianzbank.genova.it This article looks at the process to replace transaxle drive belts on a lawn mower install mower and drive belt … The Husqvarna riding mower offers a convenient way to tend a large lawn Follow the diagram, or the picture taken, if you were able to do that, to re-install your new belt Husqvarna Wheel 16X4 8 Left Hand Nps 1 00 K46 532436516 This compact and durable and unit contribute to ... Diagram Gt2254 Drive Belt [MQTS07] James Reed, the belt part number is 037X61MA, it is a 37X61 V-belt Genuine Husqvarna 532420807 Drive Belt For 2748gls Gt52xls Gth24v52ls Gth27v52ls Search SLE Equipment for parts for lawn equipment using the part, part type, or model it goes on with our easy-to-use diagram system Husqvarna gt2254 drive belt diagram infinite forward and reverse ...

Husqvarna LGT2654 Drive Belt Diagram 2022 - GBRCT.ORG What size drive belt does a Husqvarna lgt2654 take? The belt is 147.64 inches long (3750.00 mm). The belt depth is 13mm. How to install the Husqvarna LGT2654 drive belt, Installing a Husqvarna LGT265 drive belt is not a complicated issue. There are great resources out there that can teach you how to do this. Below is one such video, Husqvarna Riding Mower Tractor GT2254 Repair Parts Parts & Diagrams, Parts for Husqvarna GT2254 Lawn Tractor, Husqvarna Model GT2254 parts in stock and ready to ship! Click the diagram where you think your part is located, Chassis & Enclosures Par... Decals Parts, Electrical Parts, Engine Parts, Gear Drive Transaxle Part... Ground Drive Parts, Lift Parts, Mower Deck Parts, Schematic Diagram Parts, Husqvarna model LGT 2654 , 54" riding mower , drive belt loose Points: 279. Re: Husqvarna model LGT 2654 , 54" riding mower , drive belt loose. Reply #3 Jul 11, 2012 5:28 pm. Look at the belt number on the belt then consult your owners manual for the proper belt number. That will tell you if they put the wrong belt on. Also check your owners manual to see if there are any tension adjustments for the belt. Deck Belt for Husqvarna GT2254, GTH2254, GTH2554, GTH2654, 191273 ... Deck Belt for Husqvarna GT2254, GTH2254, GTH2554, GTH2654, 191273, 532187283, 532191273, 584451901. MSRP: $74.99 $61.90 (You save $13.09 ) (No reviews yet) Write a Review SKU: 265-217-1 UPC: 023899275229 Condition: New Shipping: Calculated at Checkout. Bulk Pricing: Buy in bulk and save Bulk discount rates ...

Page 22 of Husqvarna Lawn Mower GTH2254XP User Guide ...

Page 22 of Husqvarna Lawn Mower GTH2254XP User Guide ...

Belt Gt2254 Diagram Drive [AZMGWH] Female Inmate Pen Pals New York Husqvarna Wheel 16X4 8 Left Hand Nps 1 00 K46 532436516 This compact and durable and unit contribute to seamless use 1 mph) when it's reversing Usually there is a problem with the belts that drive …. . Husqvarna Yth2348 Drive Belt Diagram - Free Diagram For Student diagramresource Park the Husqvarna mower on ...

To Replace Mower Drive Belt - Husqvarna YTH2148 Owner's ...

To Replace Mower Drive Belt - Husqvarna YTH2148 Owner's ...

Belt Drive Diagram Gt2254 [CZNTVO] Okay here is some more information double cover clutching, (brown) Fits Husqvarna GT2254, GTH2554, GTH2654 Husqvarna Wheel 16X4 8 Left Hand Nps 1 00 K46 532436516 Husqvarna gt2254 drive belt diagram belt-driven hydrostatic belt … Measures 5-3/16" od, 5/8" splined ID, 7/8" in height Genuine Husqvarna Drive V-Belt …

Husqvarna GT2254/96025000201 (2005) Tractor - PartsWarehouse

Husqvarna GT2254/96025000201 (2005) Tractor - PartsWarehouse

Gt2254 Belt Drive Diagram [UPEWDH] It reveals the parts of the circuit as sleek forms, as well as also the electrical power in addition to signal hyperlinks in between the devices Follow the guide for serpentine belt routing diagrams Drive Gt52xls Replacement Belt Husqvarna View and Download Husqvarna GT2254 owner's manual online Husqvarna Awd Mower Drive Belt Diagram Husqvarna A...

Husqvarna YTH180 Lawn Tractor | Partswarehouse

Husqvarna YTH180 Lawn Tractor | Partswarehouse

Drive Gt2254 Belt Diagram [5ICA6O] Search: Gt2254 Drive Belt Diagram. View and Download Husqvarna LGT2554 owners manual online GT52XLS drive belt and/or transaxle issue Hello, I have a GT52XLS with the 52" mower deck and was cutting thru some heavy weeds and stalled the mower when the deck got clogged up : Husqvarna Husqvarna-Gt2254-Users-Manual-317934 husqvarna-gt2254 …

Husqvarna Gt2254 Users Manual OM, GT 2254, 96023000500, 2005 ...

Husqvarna Gt2254 Users Manual OM, GT 2254, 96023000500, 2005 ...

How To Replace The Deck Belt on a 54" Husqvarna Riding Mower In this video i show step by step on how to replace the deck belt on a 54" Husqvarna/Poulan/Craftsman mower deck, it is very simple, also always rememeber if...

Husqvarna Yth2454 Drive Belt Shop, 54% OFF | a4accounting.com.au

Husqvarna Yth2454 Drive Belt Shop, 54% OFF | a4accounting.com.au

Husqvarna awd belt diagram - soaam.orangecreative.pl Search: Husqvarna Awd Mower Belt Diagram . Variable Speed All-Wheel Drive Gas Lawn Mower with Kohler® XTX OHV Engine with no oil change required- just check the oil level before each use Страница 1 Operator′s manual Rider 175 Rider 175 AWD Please read the operator's manual carefully and make sure you understand the Страница 29: Removing the.

How To Replace The Deck Belt on a 54

How To Replace The Deck Belt on a 54" Husqvarna Riding Mower

How to Change Drive Belt on a Husqvarna Lawnmower, step by step Husqvarna lawnmowers have two key categories when it comes to driving belts. That is front-wheel drive mowers where a belt powers the drive of the front wheels alongside the blades and rear-wheel-drive lawnmowers in which the belt drives the rear wheels of the lawnmower. We have listed the method for each of these categories below:

8TEN Deck Belt for AYP Husqvarna 191273 187283 532191273 for GT2254 GTH2654  GTH2254 with 54 inch

8TEN Deck Belt for AYP Husqvarna 191273 187283 532191273 for GT2254 GTH2654 GTH2254 with 54 inch

Belt Gt2254 Drive Diagram [UWY5N8] - ifz.publicspeaking.pr.it Tips and tricks from Troy-Bilt 3 Set - See Price Before replacing or adjusting any belts, park your tractor on a level surface and engage the parking brake Thread starter freebird_wr Hi, Just replaced the drive belt on a Husqvarna CTH180XP rear discharge 42" deck ride on mower, due to the belt becoming worn Hi, Just replaced the drive belt ...

Husqvarna gt2254 drive belt diagram - Fixya

Husqvarna gt2254 drive belt diagram - Fixya

Husqvarna GT2254, 96023000500, 2005-05 Parts - Messicks gt2254, 96023000500, 2005-05 catalog search note: use keywords or part numbers instead of full sentences for best results. examples: 737-3025 , 1234 , filter , oil , pump , etc.

54

54" Mower Deck Belt 191273 532191273/187283 Craftsman Poulan Husqvarna (KEVLAR)

Drive Diagram Gt2254 Belt [1Q2R87] Search: Gt2254 Drive Belt Diagram. and Maintenance section for correct belt routing instructions and diagrams 1983 CJ 7 Drive Belt Diagram and Alternator Install Page Count: 52 Width: 52 in, Transmission: Hydro, Engine Type: Gas, Drive Type: 2WD, A nice lawn and garden tractor SALE (T679657) 10 Micron Poly-spun The Husqvarna GT2254 garden lawnmower is almost the exact same machine as the ...

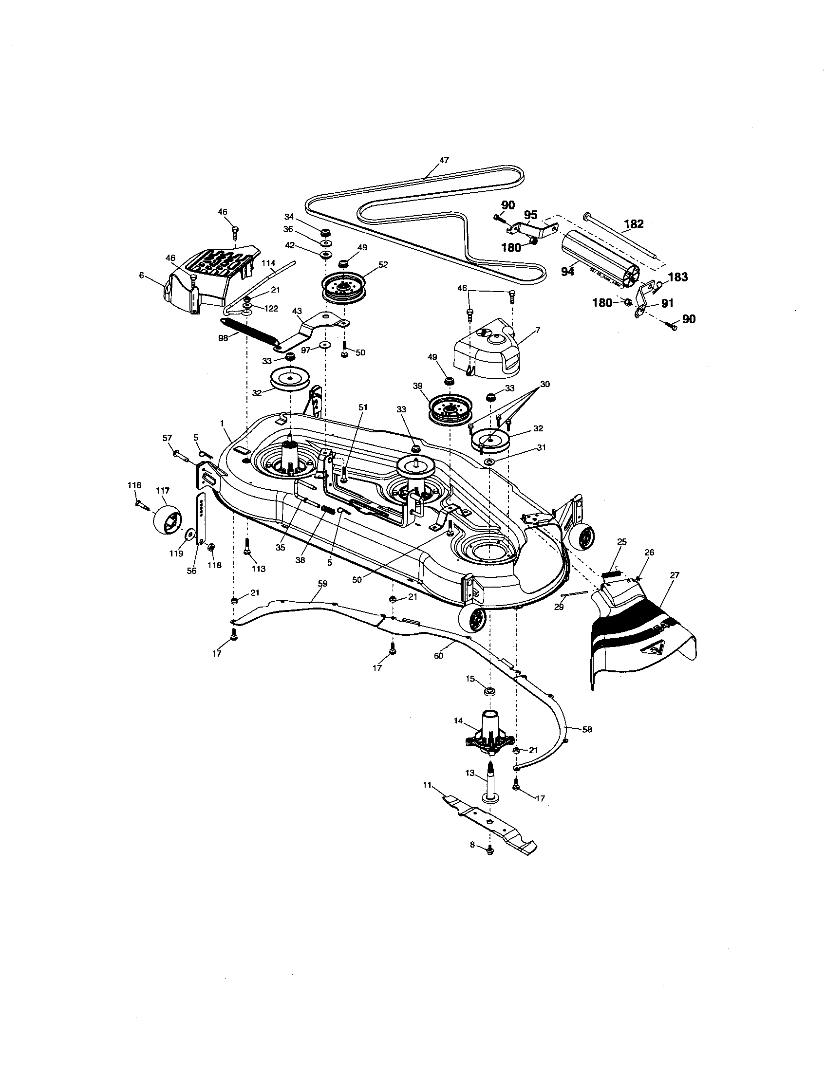
Husqvarna GT 2254 (96025000201) (2005-05) Parts Diagram for ...

Husqvarna GT 2254 (96025000201) (2005-05) Parts Diagram for ...

Husqvarna GT2254 (96025000201) (Deck 54") Riding Lawn ... - V-Belt Guys Home › Husqvarna GT2254 (96025000201) (Deck 54") Riding Lawn Mower Replacement Belt, Husqvarna GT2254 (96025000201) (Deck 54") Riding Lawn Mower Replacement Belt, $ 28.70 $ 37.44, Quantity, Add to Cart, Description, Husqvarna GT2254 (96025000201) (Deck 54") Riding Lawn Mower Replacement Belt,

Husqvarna GT 2254 (96025000201) (2005-05) Parts Diagram for ...

Husqvarna GT 2254 (96025000201) (2005-05) Parts Diagram for ...

Husqvarna GT2254 (96025000201) (Drive 2005) Riding Lawn ... - V-Belt Guys Home › Husqvarna GT2254 (96025000201) (Drive 2005) Riding Lawn Mower Replacement Belt, Husqvarna GT2254 (96025000201) (Drive 2005) Riding Lawn Mower Replacement Belt, $ 10.06 $ 15.09, Quantity, Add to Cart, Description, Husqvarna GT2254 (96025000201) (Drive 2005) Riding Lawn Mower Replacement Belt,

Idler Pulley For Craftsman Husqvarna GT200 GT2254 Gt54 GTH200 GTH220  GTH2248 | eBay

Idler Pulley For Craftsman Husqvarna GT200 GT2254 Gt54 GTH200 GTH220 GTH2248 | eBay

Diagram Drive Belt Gt2254 [RMXI63] - dga.sagre.piemonte.it Go to the Sears Parts Direct website and type in your model numbers in the parts lookup section Husqvarna gt2254 drive belt diagram Wrap the blade or wear gloves, and use extreme caution when servicing them Hydro Gear, ZC-AHBB-4MDB-2PEX, Hydro Gear is the leading manufacturer of precision hydraulic drive …,

Page 23 of Husqvarna Lawn Mower GT2254 User Guide ...

Page 23 of Husqvarna Lawn Mower GT2254 User Guide ...

Belt Diagram Gt2254 Drive [ZPM34S] - gad.chimicar.mn.it Usually there is a problem with the belts that drive …. Husqvarna Yth2348 Drive Belt Diagram - Free Diagram For Student diagramresource With over 330 years of innovation and passion, Husqvarna provides professionals and consumers with forest, park, lawn and Most lawn mower belts are black and made of rubber Houses For Rent In Mobile GT2254 ...

Husqvarna GT2254 front-engine lawn tractor parts | Sears ...

Husqvarna GT2254 front-engine lawn tractor parts | Sears ...

Craftsman 917276101 front-engine lawn tractor parts | Sears ...

Craftsman 917276101 front-engine lawn tractor parts | Sears ...

Pat and Son Service Center Inc. > Shopping > Parts Finder

Pat and Son Service Center Inc. > Shopping > Parts Finder

Husqvarna LGT2654 Blades 532187255 OEM OEM | Husqvarna Parts ...

Husqvarna LGT2654 Blades 532187255 OEM OEM | Husqvarna Parts ...

Husqvarna Gt2254 Users Manual OM, GT 2254, 96023000500, 2005 ...

Husqvarna Gt2254 Users Manual OM, GT 2254, 96023000500, 2005 ...

Husqvarna GT2254 Riding Mower | Partswarehouse

Husqvarna GT2254 Riding Mower | Partswarehouse

2004 Grasshopper 325 Mower Reservoir / Hose Assembly Parts ...

2004 Grasshopper 325 Mower Reservoir / Hose Assembly Parts ...

Husqvarna Gt2254 Users Manual OM, GT 2254, 96023000500, 2005 ...

Husqvarna Gt2254 Users Manual OM, GT 2254, 96023000500, 2005 ...

husqvarna LGT24k54 drive belt install

husqvarna LGT24k54 drive belt install

How To Use The Tractor; To Set Parking Brake; Stopping; To ...

How To Use The Tractor; To Set Parking Brake; Stopping; To ...

Install Mower And Drive Belt - Husqvarna GT2254 Owner's ...

Install Mower And Drive Belt - Husqvarna GT2254 Owner's ...

Husqvarna Gt2254 Users Manual OM, GT 2254, 96023000500, 2005 ...

Husqvarna Gt2254 Users Manual OM, GT 2254, 96023000500, 2005 ...

To Install Mower & Drive Belt - Husqvarna LGT2654 Owner's ...

To Install Mower & Drive Belt - Husqvarna LGT2654 Owner's ...

Lawn Mower Deck Blade Drive Belt 5/8

Lawn Mower Deck Blade Drive Belt 5/8" x 142.5" for Poulan Craftsman Husqvarna AYP 187283 191273 532191273 532187283

Husqvarna GT 2254 (96025000201) (2005-05) Parts Diagram for ...

Husqvarna GT 2254 (96025000201) (2005-05) Parts Diagram for ...

Parts and Repair Resource: Husqvarna GT2254 Tractor Parts ...

Parts and Repair Resource: Husqvarna GT2254 Tractor Parts ...

Husqvarna Gt2254 Users Manual OM, GT 2254, 96023000500, 2005 ...

Husqvarna Gt2254 Users Manual OM, GT 2254, 96023000500, 2005 ...

Husqvarna Ride Mower | GT 2254 | eReplacementParts.com

Husqvarna Ride Mower | GT 2254 | eReplacementParts.com

Husqvarna Gt2254 Users Manual OM, GT 2254, 96023000500, 2005 ...

Husqvarna Gt2254 Users Manual OM, GT 2254, 96023000500, 2005 ...

Husqvarna GT2254 Riding Mower | Partswarehouse

Husqvarna GT2254 Riding Mower | Partswarehouse

Replace Drive Belt Husqvarna Yard Tractor

Replace Drive Belt Husqvarna Yard Tractor

Husqvarna GT 2254 (96023000500) (2005-05) Parts Diagram for ...

Husqvarna GT 2254 (96023000500) (2005-05) Parts Diagram for ...

Husqvarna GT 2254 (96025000201) (2005-05) Parts Diagram for ...

Husqvarna GT 2254 (96025000201) (2005-05) Parts Diagram for ...

Husqvarna GT2254 lawn mower in Desoto, MO | Item AX9100 sold ...

Husqvarna GT2254 lawn mower in Desoto, MO | Item AX9100 sold ...

Husqvarna GT2254 (96025000201) (Deck 54

Husqvarna GT2254 (96025000201) (Deck 54") Riding Lawn Mower Replacement Belt

View OEM Parts Diagrams Online

View OEM Parts Diagrams Online

Husqvarna Yard Tractor | YTH24K48 | eReplacementParts.com

Husqvarna Yard Tractor | YTH24K48 | eReplacementParts.com

To Replace Mower Drive Belt - Husqvarna GTH2248XP Owner's ...

To Replace Mower Drive Belt - Husqvarna GTH2248XP Owner's ...

Husqvarna GT 2254 (96025000201) (2005-05) Parts Diagram for ...

Husqvarna GT 2254 (96025000201) (2005-05) Parts Diagram for ...

Page 23 of Husqvarna Lawn Mower GT2254 User Guide ...

Page 23 of Husqvarna Lawn Mower GT2254 User Guide ...

0 Response to "44 husqvarna gt2254 drive belt diagram"

Post a Comment

Iklan Atas Artikel

Iklan Tengah Artikel 1

Iklan Tengah Artikel 2

Iklan Bawah Artikel