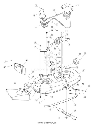
38 yard machine drive belt diagram

MTD Yard Machines Parts Lookup by Model - Jacks Small Engines MTD Yard Machines Exploded View parts lookup by model. Complete exploded views of all the major manufacturers. ... MTD Yard Machines Parts Diagrams 11-Push Walk-Behind Mowers. 12-Self-Propelled Walk-Behind Mowers. 13-Lawn Tractors. 14-Garden Tractors. 17-Z-Series. 18-Electric Mowers. 21-Tillers. 24-Blowers. 24-Chipper-Shredder & Vacs. 24-Log ... How To Replace Drive Belt On Mtd Yard Machine Riding Mower (Step-By ... Locate the engine pulley and remove the screws that hold the belt keeper rod attached to the engine pulley. Keep the rod into a safe place for reinstallment. Step #6: Loosen The Idler Pulley Nuts Use a ratchet to loosen the small nuts attached to the idler pulley center. Mind it, don't remove the screws fully.

Yard Machines Riding Lawn Mower - Model 13A8785T500 Find parts and product manuals for your Yard Machines Riding Lawn Mower Model 13A8785T500. Free shipping on parts orders over $45.

Yard machine drive belt diagram

Yard machine drive belt diagram

How to Install a Drive Belt in a Lawn Tractor by Yard Machines Yard Machines lawn tractors are hard working yet low maintenance, and have been designed to be serviced and maintained by the owner to lower operating costs. An example of this money-saving-design feature is well illustrated by the ease in which a homeowner can install a new lawn tractor drive belt. Craftsman Riding Lawn Mower Drive Belt Diagram Riding Mower and Garden Tractor Belt Routing Diagrams. More information. The Craftsman 46-inch lawn tractor is equipped with a 46-inch mower deck.. A mower deck drive belt and pulleys make the cutting blade turn.. Disengage the parking brake, and start the riding lawn mower's engine.. Take a picture of the current belt assembly before removing ... How to put a belt on a yardman 42-inch Lawn Mower? (In-depth) To offer examples, several models work with a drive belt that's 1/2 inch wide by 92 inches in total. Still, some utilize a belt 1/2 inch wide with 85 inches in total. If the fabrication has a lot of 42-inch-cut riding mower models, each version will demand an alternative size buckle.

Yard machine drive belt diagram. need a diagram for the huskee lt 4600 lawn mower - Pinterest Yard Machine. Machine Parts. Getting Rid Of Rats. Craftsman Lawn Mower Parts. ... John Deere 112 Wiring Diagram Jpg. Jerrys Item Rebuilt John Deere Gator X Transaxle Cachedjohn Deere. ... This video provides step-by-step instructions for replacing the deck v-belt (or deck drive belt) on Craftsman lawn mowers. The most common reason for replaci ... I need the diagram for a mtd yardmachine 42 belt routing. My Yard Machine by MTD 16.5 HP LT, 42" keeps slipping going uphill and won't climb The Model No. is 13AO699G062 and serial number is XXXXX is serial number. ... I AM LOOKING FOR A DIAGRAM ON HOW TO REPLACE THE DRIVE BELTS ON YOUR MTD YARDMACHINE MODEL NO.13A-310-678.....SERIAL NO.1F13713-0054. ... Riding Mower Belts | MTD Parts Deck Belts, PTO Belts and Drive Belts for Hydrostatic and Gear Drive Transmissions. Original belts for Troy-Bilt, Craftsman, MTD, Cub Cadet, Yard-Man, Huskee, Yard Machines and Bolens Riding Mower Models, shipped Factory-Direct. 133 Results Sort By: Riding Mower 42-inch Deck Belt 954-04060C $43.99 Add to Cart In Stock John Deere L120 Belt Diagram Guide- We've Covered What You Need, YES! It is simply a bracket or frame that gives support to secure the belt on the lawn tractor so that it rotates. This part holds tons of holes to fit the screws. Parts Detail In The John Deere L120 Drive Belt Diagram. The drive belt in the John Deere L120 is located above the deck mechanism. It has tons of parts which you need to get introduced.

Route a Riding Mower Deck Belt: Diagram & Repair Tips 1. Take a picture of the pulley configuration before removing the old belt. The above belt diagram for an MTD riding mower is only for a 46" deck belt, if you have a different belt, you may want a different frame of reference. The personalized photo can also help you apply these tips to your particular machine. 2. Yardman 42 Inch Deck Belt Diagram We have parts, diagrams, accessories and repair advice to make your tool repairs easy. Yard Man 13AOH () Lawn Tractor Parts . Deck Belt Cover Lh Rod, Shift (38/42" Decks) I have a Yardman mower 7 speed shift on the go when I first start 1,2 and 3 gears work fine, but when it heats up only. MTD 13ANG () Deck Assembly 42 inch Exploded View parts ... How to replace drive belt in MTD Yard Machine - YouTube Follow me on: Belt Routing Charts for Lawn Mower Decks Canada - c-equipment Two popular MTD belt routing diagrams. Note that the idler pulley in the left hand chart would be a "Flat Idler", designed to contact the inside of the belt. Here are a few examples of John Deere belt routing diagrams. The one on the left is for a front mount mower deck. A few more examples of different belt routings.

How to put the drive belt on a yardman lawnmower, step by step 1 How to put the drive belt on a Yardman lawnmower: 1.1 Step 1: Gather the necessary tools. 1.2 Step 2. Position the mower on a flat surface. 1.3 Step 3: Setting deck on its lowest setting. 1.4 Step 4: Inspect the wrapping pattern of the drive belt. 1.5 Step 5: Attach the drive belt with the pulley: Yardman Riding Mower Belt Diagram Belt diagram for 46" mtd yard machine riding mower Belt diagram for 46" mtd. You can find the belt diagram for the MTD Yard Machine mower in the MTD Owner Manual. The diagram is on page Repair Parts Home Lawn Equipment Parts Yard Man Parts Yard Man Lawn Tractor Parts Yard Man 13AOH () Lawn Tractor Parts to your cart! Amazon.com: Yard Machine Drive Belt 1-16 of 676 results for "yard machine drive belt" RESULTS MTD Genuine Parts (490-501-M061) Transmission Drive Belt-For 42, 46, 50, 54-Inch Lawn Tractors Fits Various Troy-Bilt, MTD, Yard Machines, and Other Top Models 2 $5432 Get it as soon as Wed, Sep 21 FREE Shipping by Amazon Only 6 left in stock - order soon. More Buying Choices Deck belt diagram for mtd yard machine 742 Rl - Fixya Deck belt diagram for mtd yard machine 742 Rl 16.5hp model 13an7725000. Posted by Anonymous on Aug 03, 2013.

Yard Machines 13A3762F700 (2006) - PartsWarehouse

Yard Machines 13A3762F700 (2006) - PartsWarehouse

MTD Yard Machine Drive belt adjustment. - DoItYourself.com MTD Yard Machine Drive belt adjustment. A friend of mine broke the front drive belt on her MTD Yard Machine Model 136L660F372 Serial 1A256B90009. I replaced the belt tried doing the adjustment as stated in manual. The front drive belt is slipping on the front pulley coming off the engine. I am confused how in the worl are you supposed to adjust ...

LTA Drive Belt 1/2

LTA Drive Belt 1/2" x 37" for Snowblower Thrower MTD, Yard Machines, Troy-Bilt, Yard Man, Cub Cadet Craftsman 754-04195, 954-04195, 954-04195A

Yard Machine Mtd Belt Diagram - Explore all things Golf to become a pro Yardman Drive Belt Diagram. Changing the drive belt on a MTD Yardman riding mower is part of a routine maintenance schedule. MTD, the maker of Yardman products, suggests changing. I need a diagram showing for a 20hp yardman tractor model number 13ATG We have parts, diagrams, accessories and repair advice to make your tool repairs Yard Man 13BTH ...

MTD Yard Machine garden tractor drive belt help video - YouTube

MTD Yard Machine garden tractor drive belt help video - YouTube

Yardman riding lawn mower belt diagram Need diagram 2004 Murray 46" belt diagram.I need a diagram to install a drive belt on a 12.5 38inch cut Murray riding lawn mower model # 387002x92. Could you please send me a drive belt and the deck belt diagram for a murry model number 42516 x 92. 2022. 7. 11. · Yardman 21\" Lawn Mower Riding Mower Deck Belt DiagramsYardman 21\" Lawn Mower ...

IMS details its shock absorber tightening torques - cvw

IMS details its shock absorber tightening torques - cvw

Husqvarna Riding Mower Parts Diagram Right Here With ... - Inside The Yard Keep On Reading…. Table Of Contents hide. 1 Here's The Husqvarna Riding Mower Parts Diagram! 1.1 1 - Control Assembly. 1.2 2 - Bracket Obsoletes (Different Shaped) 1.3 3 - Front & Back Transmissions. 1.4 4 - Gear Wheels. 1.5 5 - Drive Cable. 1.6 6 - Drive Control Bracket.

701/45300 Barrel, ignition switch - 70145300 - JCB spare part ...

701/45300 Barrel, ignition switch - 70145300 - JCB spare part ...

MTD 13AG601H729 (2005) Parts Diagram for Drive - Jacks Small Engines We sell parts & accessories for your Ariens lawn mower, zero turn, snow blower and other power equipment. See: ... Drive Parts Diagram SWIPE SWIPE. Deck Assembly; Drive; Engine Accessories; Fender Assembly; Hood Assembly; PTO; Steering; Transmission Assembly; ... Upper Drive Belt. Add to Cart. 39. 95604002 . V Pulley w/ Hub. $21.85 Add to Cart ...

Riding Mower PTO Belt

Riding Mower PTO Belt

PDF Yard machine 42 inch riding mower drive belt diagram Yard machine 42 inch riding mower drive belt diagram Riding mowers come in a variety of shapes and sizes. If you're in the market for something small, a riding mower that has a 14-horsepower engine and can slice up to an acre's worth of grass will set you back a minimum of $1,000.

Yard Machine Deck

Yard Machine Deck

replace lawn mower belts - yardman / MTD no jacking, lifting or ... All you need to do is lift the hood, take the plastic plug from the flywheel retaining nut, use a breaker bar and socket to hold motor still, loosen the PTO pulley retaining nut, then pry the PTO...

Belt Routing Charts for Lawn Mower Decks Canada

Belt Routing Charts for Lawn Mower Decks Canada

Craftsman 42 Inch Mower Deck Belt Diagram | Lawn tractor, Deck ... Aug 30, 2019 - Craftsman 42 Inch Mower Deck Belt Diagram. Aug 30, 2019 - Craftsman 42 Inch Mower Deck Belt Diagram. ... Adams74Chevy emailed me and reminded me that I'd mentioned a while ago that I had a procedure for replacing the drive belts on the MTD Varidrive. So with... S. Bibiana. ... Yard machine. Similar ideas popular now.

need a diagram for the huskee lt 4600 lawn mower | Click ...

need a diagram for the huskee lt 4600 lawn mower | Click ...

How to Change the Deck Belt on a Yard Machine | eHow Fortunately, the only time you must remove and replace the mower deck drive belt is when the belt itself becomes too loose to maintain proper tension on the deck's pulley system. When this happens, you will know it due to constant squealing as the belt slips around the drive pulley extending from the bottom of the engine.

How to replace drive belt in MTD Yard Machine

How to replace drive belt in MTD Yard Machine

Route a Riding Mower Deck Belt: Diagram & Repair Tips 1. Take a picture of the pulley configuration before removing the old belt. The above belt diagram for an MTD riding mower is only for a 46" deck belt, if you have a different belt, you may want a different frame of reference. The personalized photo can also help you apply these tips to your particular machine. 2.

How to put the drive belt on a yardman lawnmower, step by ...

How to put the drive belt on a yardman lawnmower, step by ...

Mtd Drive Belt Replacement Diagram - troy bilt 42 inch drive belt ... Mtd Drive Belt Replacement Diagram. Published by Gary; Thursday, August 18, 2022

Yardman 1999 604G won't move | Tractor Forum

Yardman 1999 604G won't move | Tractor Forum

How to put a belt on a yardman 42-inch Lawn Mower? (In-depth) To offer examples, several models work with a drive belt that's 1/2 inch wide by 92 inches in total. Still, some utilize a belt 1/2 inch wide with 85 inches in total. If the fabrication has a lot of 42-inch-cut riding mower models, each version will demand an alternative size buckle.

MTD Genuine Parts 90.8 in. Lawn Mower Drive Belt for Bolens ...

MTD Genuine Parts 90.8 in. Lawn Mower Drive Belt for Bolens ...

Craftsman Riding Lawn Mower Drive Belt Diagram Riding Mower and Garden Tractor Belt Routing Diagrams. More information. The Craftsman 46-inch lawn tractor is equipped with a 46-inch mower deck.. A mower deck drive belt and pulleys make the cutting blade turn.. Disengage the parking brake, and start the riding lawn mower's engine.. Take a picture of the current belt assembly before removing ...

How To Replace Drive Belt On Mtd Yard Machine Riding Mower ...

How To Replace Drive Belt On Mtd Yard Machine Riding Mower ...

How to Install a Drive Belt in a Lawn Tractor by Yard Machines Yard Machines lawn tractors are hard working yet low maintenance, and have been designed to be serviced and maintained by the owner to lower operating costs. An example of this money-saving-design feature is well illustrated by the ease in which a homeowner can install a new lawn tractor drive belt.

MTD 13B2775S000 (2016) Parts Diagram for Drive

MTD 13B2775S000 (2016) Parts Diagram for Drive

MTD Genuine Parts 42 Deck/Drive Belt for Riding Mower/Tractors (13-in L)

MTD Genuine Parts 42 Deck/Drive Belt for Riding Mower/Tractors (13-in L)

Yard Machines 42

Yard Machines 42" 420cc MTD Powermore Riding Mower with Shift ...

YUMBO | spare parts catalog for культиватора HONDA F220 AN FENDER

YUMBO | spare parts catalog for культиватора HONDA F220 AN FENDER

Pin on How to install drive belt

Pin on How to install drive belt

Spu Spu Lower Drive Belt For Yard Machines 13AC762F052 Lawn Tractor

Spu Spu Lower Drive Belt For Yard Machines 13AC762F052 Lawn Tractor

MTD Genuine Parts 42-in Deck/Drive Belt for Riding Mower/Tractors (14.75-in  L)

MTD Genuine Parts 42-in Deck/Drive Belt for Riding Mower/Tractors (14.75-in L)

Riding Mower Repair (drive belts) MTD

Riding Mower Repair (drive belts) MTD

Riding Mower 38-inch Deck Belt - Original Equipment Genuine Part (OEM)

Riding Mower 38-inch Deck Belt - Original Equipment Genuine Part (OEM)

Mower Deck Belt Replacement – Step by step – Lawnmowerfixed

Mower Deck Belt Replacement – Step by step – Lawnmowerfixed

100+ Free Lawn Mower & Lawn Images - Pixabay

100+ Free Lawn Mower & Lawn Images - Pixabay

46

46" Deck Belt

STX38 Drive belt worn out? | Green Tractor Talk

STX38 Drive belt worn out? | Green Tractor Talk

MTD Original Equipment 38-inch Mower Deck Belt 954-04062, 548180

MTD Original Equipment 38-inch Mower Deck Belt 954-04062, 548180

SOLVED: MTD Lawn Tractor problem - Fixya

SOLVED: MTD Lawn Tractor problem - Fixya

Yard Machines 13AH762F752 (2005) - PartsWarehouse

Yard Machines 13AH762F752 (2005) - PartsWarehouse

MTD 13AN775H790 LT-546G (2007) Deck Assembly 46 Inch

MTD 13AN775H790 LT-546G (2007) Deck Assembly 46 Inch

Yard Machines 13AN771H729 (2007) - PartsWarehouse

Yard Machines 13AN771H729 (2007) - PartsWarehouse

MTD decks by crigby | Deck, Yard machine, Lawn mower

MTD decks by crigby | Deck, Yard machine, Lawn mower

Drive Belt - Original Equipment Genuine Part (OEM)

Drive Belt - Original Equipment Genuine Part (OEM)

SOLVED: Yard machine model # 13AQ608H129 deck diagram - Fixya

SOLVED: Yard machine model # 13AQ608H129 deck diagram - Fixya

MTD motion drive by crigby

MTD motion drive by crigby

Lower Drive Belt For Yard Machines 13AC762F052 Lawn Tractor | eBay

Lower Drive Belt For Yard Machines 13AC762F052 Lawn Tractor | eBay

Mtd Yard Machine Drive Belt Clearance, 54% OFF | www ...

Mtd Yard Machine Drive Belt Clearance, 54% OFF | www ...

0 Response to "38 yard machine drive belt diagram"

Post a Comment

Iklan Atas Artikel

Iklan Tengah Artikel 1

Iklan Tengah Artikel 2

Iklan Bawah Artikel