39 john deere sabre drive belt diagram
Jun 07, 2010 · As of July 30, 2010 I was in the same predicament. I have a 38" John Deere sabre with a broken hydro drive belt. How I got the belt on was extremely hard. I ended up undoing the tensioner spring to allow the bigger pulley to slide close to the smaller pulley. Then I put the belt on. The problem was I was not able to reattach the spring. Sabre; 1642HS; 1642HS. Manufactured year 2002. Product Identification number (serial number) is located on the left side of frame. ... John Deere Deck Drive Belt - M124895 (7) $45.23. Usually available. Add to Cart. Quick View. John Deere Deluxe Steering Wheel Spinner Knob - 2000 Logo - TY26583 (124)
26.11.2021 · John deere 54 mower deck tension spring. John deere 54 mower deck tension spring John deere 54 mower deck tension spring ...

John deere sabre drive belt diagram
The John Deere L110 lawn tractor comes standard with a 42-inch mower deck. it: mower tighten riding deere on john to john deere gt235 belt replacement image of belt, john deere riding lawn mower engine diagrams, john deere f725 parts diagram downloaddescargar com, how to put a drive belt on a john deere lx 279 lawn mower, i need a belt diagram for deere us, stx46 mow deck adjustment john … Scotts S1742 Deck Belt Diagram. See the link above for the Diagram this is also a Manual for the your Bekt Diagram should be under Service Mower then Mower Drive Belt. JOHN DEERE Genuine OEM Mower Drive Belt M Scotts Sabre 42`` . Replacement Belt Scotts S S Sabre hs 42" Cut Lawn. Deck Belt for John Deere STX38 Sabre 1438, 1538, 1542, 1642, 1646, 1742, GX10851. ... Drive Belt for John Deere STX30, STX38 and Sabre 1338G, 1538G,1546 and 1646G, M74747, Made In USA. MSRP: $31.82 $28.66. Add to Cart. Quick view Details. sku: 265-667. Deck Belt for John Deere STX38 M118760 ...
John deere sabre drive belt diagram. Need a DIAGRAM to see how to replace belt on my S (Deer by Scotts) Belt #M Tried replacing belt but when put - Answered by a. Installation, Repair and Replacement of John Deere Scotts H Hydro Drive Belt. Left-hand and right-hand are referenced from the point of view of the tractor . Buy Replacement Belt Scotts S S Sabre hs 42" Cut Lawn Mower ... The John Deere 48 mower deck belt pattern diagram can be obtained from most John Deere dealerships. Many times when you purchase the belt the parts store will give you a belt pattern diagram. How to install a transmission drive belt on a John Deere 14.5 horse power 38" mower deck.How to remove the mower deck on a John Deere Sabre. 38" Mower deck. ... In this video i show how to route the deck belt on a 42" John Deere 100 series 42" deck. This video applies to the L 100 and LA 100 Series and D 100 Series 2...
Hi,I need a drive belt routing diagram for a Scotts (made by John Deere) lawmmower. It is a model Scotts H with a Kohler 16 hp OHV 1. If the belt that drives the blades on your Scotts S lawn mower is slipping, it's time to replace it. It's easiest if you first remove the mower deck before replacing the belt. Park your Scotts S mower on a ... Pto Drive Belt: Replaces John Deere GX21833. 1/2 inch x 140-1/4 inch. Fits models 145 & 155C. Aramid cord construction, double cover. Fits Models: John Deere D140, D150, D160, L120, L130, 145, 155, LA130, LA140 and X140 John Deere lawn mower belt diagram. Better yet, print one out so that the graph can assist you while you're outside, repairing the belt. It's comparatively easier to take the mowing deck off the lawnmower. First up, you must check for a deckle and a sticker on top of the deck. John Deere Sabre Lawn Tractor Technical Manual Tm Gx10238 Pdf Heys S. John Deere Sabre 42 Belt Diagram Wiring Site Resource. Installation Repair And Replacement Of John Deere Sabre 14 5 38 Hydro Tractor Drive Belt Gx10062. Tractordata Com Sabre 2254hv Tractor Information. John Deere Sabre 15 542 Lawn Tractors Pc2677 1998 Model Gxsabax010001 ...
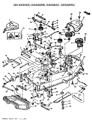
John Deere Parts Diagrams, John Deere 2554HV SABRE GARDEN TRACTOR. ELECTRICAL. ENGINE GU20277. FUEL AND AIR. LABELS. MOWER DECK AND LIFT LINKAGE. POWER TRAIN (K65 TRANSAXLE) POWER TRAIN (K65 TRANSAXLE) AM126957. POWER TRAIN (K66 TRANSAXLE) Nov 30, 2021 · John deere model lt155 lawn tractor parts the serial number is located in front and below the seat as indicated in this photo. John deere lt 155 drive belt i have an operators manual but there is no diagram or info related to the routing of the drive belt. Step 2 raise the truck. John deere z225 belt diagram. Scotts s1642 by john deere drive ... John Deere Timberjack FB20 Drive to Tree Felling Head Workshop Manual (TMF435784) John Deere F440E, F450E Round Balers Technical Manual. John Deere 2254 Cane Loader Repair Technical Manual (TMCM225401) John Deere Sabre 1338, 1538, 15538, 1546, 1638, 1646 Lawn Tractor Technical Manual (TMGX10131) John deere 54 mower deck tension spring
How to Replace the Drive Belt in a Sabre 1642. The John Deere Sabre 1642 riding mowers offer dual blades for cutting grass and weeds. Like any riding mower, the Sabre 1642 requires maintenance to ...
John Deere Deck Drive Belt - GX10064 (3) $37.98. Usually available. Add to Cart. Quick View. John Deere Deluxe Steering Wheel Spinner Knob - 2000 Logo - TY26583 (124) ... John Deere Sabre Operators Manual on CD - OMGX10782CD (0) $26.00. Please allow up to 2 weeks for delivery. Add to Cart. Quick View. John Deere Safety Switch - AM104884 (3)
John Deere AG, Lawn & Garden and CWP Equipment Parts Search. John Deere parts lookup tool and diagram is an incredible online source. It is a complete catalog that shows you detailed parts diagrams of every part of your machine. This online parts catalog is robust and easy to use. Searching for your John Deere parts online has never been easier.
Deck belt and two blades. string trimmers, grass trimmers, line trimmers, hedge trimmers, strimmers, brush cutters, leaf blowers, or four stroke, four cycle units like lawn mowers, pressure washers, generators, ride on mowers thatHow to Tighten Up a John Deere Lt160 Lawn Mower Belt. 5/38 sabre by john deere broke the drive belt and needs to be replaced, need to know belt size, how to install ...
But, do not worry! deere ltr166 lawn tractor parts quick parts, amazon com john deere lt166, how do i adjust or replace the traction drive belt on a john, john deere lt166 deck 48c riding lawn v belt guys, john deere ltr155 ltr166 ltr180 lawn garden tractor, 42 inch rear discharge mower deck parts for ltr166, how to adjust a john deere drive belt youtube, john Oct 24, 2021 · Belt diagram for ...
Smile must Drive Belt Diagram John Deere Sabre Manual Cat 312B Service Manual full file 32 mb Pdf No. Reinstall belt guards and tighten capscrews securely. Deck belt john deere scotts sabre 42 cut s1742 deck belt for john deere and scotts sabre 42 cut s1742 s1642 1542hs 1542gs 1642hs 1742hs and 1742gs.
Traction Drive Belt for John Deere, Sabre M74187, GX10062 Oil and heat resistant. MSRP: $39.22 $30.40. Add to Cart. Quick view Details. sku: 330-377-1. Mulching Blades for Scotts S1642, S1742, 42" Cut, M139802, M145969 Made In USA, Mulcher. MSRP: $29.26 $28.56. Add to Cart. Quick view Details. sku: 265-826-1 ...
Buy Genuine OEM John Deere parts for your John Deere Sabre 1438 Lawn Tractor -PC2675 1998 Model GXSABAT010001-020000 (Gear) Sabre 1438 Lawn Tractor -PC2675 1998 Model GXSABBB010001-020000 (Gear) (Australia) Sabre 1438 Lawn Tractor -PC2675 1999 Model GX1438A010001-020000 (Gear) Sabre 1438 Lawn Tractor -PC267 and ship today! Huge in-stock inventory of OEM John Deere parts.
Scotts S1642 by John Deere Drive Belt Diagram [ 3 Answers ] 1. Looking for a Scotts S1642 by John Deere Drive Belt Diagram. Owners manual only has a diagram for the deck/mower belt. The diagram on the John Deere web site has four pulleys but mower has five. Any help would be appreciated.
29.10.2017 · When you need to replace your lawn mower belt consider the John Deere 42 in. Mower Belt for Select John Deere Mowers. The More Kevlar cords help provide strength for your mower's high horsepower demands.
Description : Installation, Repair And Replacement Of John Deere Sabre 14.5/38 with John Deere Sabre Parts Diagram, image size 985 X 620 px, and to view image details please click the image. Here is a picture gallery about john deere sabre parts diagram complete with the description of the image, please find the image you need.
John Deere Mower Decks. 358 Parts. Complete Mower Deck • Mower Deck Shell • Mower Deck Kit. John Deere mower decks are unique and made specifically for certain models of lawn tractors and zero turn units. Whether you need a complete unit or just the bare bones, there is likely an application that suits your needs.
8TEN Deck Belt for John Deere Sabre D100 110 120 130 L110 111 118 LA110 120 X105 GX20072 GY20570 MAYITOP Belt for John Deere L100, L108, L110, L111, L118 Mower Decks, replaces GX20072 One New Deck Drive Belt Fits John Deere 102 105 107S 115 125 135 LA100 LA105 LA110 Mower
Deere sabre 1338 gear belt diagram - Answered by a verified Technician We use cookies to give you the best possible experience on our website. By continuing to use this site you consent to the use of cookies on your device as described in our cookie policy unless you have disabled them.
mower drive belt,sheaves,spindles & blades 42" 1,07 m: mower deck and lift linkage Sabre 1742 Lawn Tractor -PC2804 2000 Model GX1742A010001-120000 (Gear) Sabre 1742 Lawn Tractor -PC2804 2000 Model GX1742B010001-120106 (Hydro) Sabre 1742 Lawn Tractor -PC2804 2000 Model GX1742D010001-120000 (Hydr) (European) Sabre 1742 Lawn Tractor -PC280
Nov 29, 2021 · These John Deere Lawn Tractor Parts may include: Tune Up Kit, Spark Plug, Mower Blades, Traction Drive Belt, Transmission Belt, Mower Drive Belt, Battery, and Air Filters.If you need help finding John Deere Lawn Tractor Parts Search Using Weingartz Illustrated Diagram s to view an illustrated diagram or call us at 1-855-669-7278.
AIR & PRE FILTER FITS SELECTED Apr 03, 2018 · John Deere L100 Wiring Harnes John Deere L118 Fuel Pump Wiring John Deere Pto Switch Wiring Diagram Downloaddescargar Com kawasaki bayou 220 starter solenoid Jul 22, 2015 · These John Deere Lawn Tractor Parts may include: Tune Up Kit, Spark Plug, Mower Blades, Traction Drive Belt, Transmission Belt, Mower Drive Belt, Battery, and …
John Deere Sabre 1646H Parts Diagram for Belts. Order Status. Get Support. 1-877-737-2787. Hours of Operation. M-F 9a-6p ET. Sat 9a-5p ET. Sun (Closed)
How to Install Belts on a Sabre Lawn Mower. John Deere Sabre riding lawn mowers have a belt that rotates a pulley mounted to the mower deck to turn the mower deck blades. The belt routes around an ...
John Deere Parts Lookup -17.542HS Sabre Lawn Tractor -PC9097 2002 Model GX1742R010001-999999 17.542HS Sabre Lawn Tractor -PC9097
i need drive belt and deck belt for john deere sabre. looked all over internet. here are all the numbers i can find: product id #: gxsabaj011601 model: 15.538 gear 051697a barcode: 7 59936 10067 3 ple … read more
We have a john deere saber lawn mower 15.5 with a 42 inch deck. Need to replace belt and need a belt diagram to put the new one back on. Can't find any belt diagrams on here. I regularly post them. I also have them on the OPE by Crigby site listed below.
Sabre 14.5/38 Hydro Wiring Diagram. Installation, Repair and Replacement of John Deere Sabre /38 Hydro Tractor Drive Belt GX Left-hand and Overall view of the belt layout (#1). Did your Sabre model HYDRO GXSABRB lawn, tractor break down? SAVE money This is an excerpt from the owner's manual for your tractor. Here is a.
John deere mower deck idler pulley. John deere mower deck idler pulley ...
Deck Belt for John Deere STX38 Sabre 1438, 1538, 1542, 1642, 1646, 1742, GX10851. ... Drive Belt for John Deere STX30, STX38 and Sabre 1338G, 1538G,1546 and 1646G, M74747, Made In USA. MSRP: $31.82 $28.66. Add to Cart. Quick view Details. sku: 265-667. Deck Belt for John Deere STX38 M118760 ...
Scotts S1742 Deck Belt Diagram. See the link above for the Diagram this is also a Manual for the your Bekt Diagram should be under Service Mower then Mower Drive Belt. JOHN DEERE Genuine OEM Mower Drive Belt M Scotts Sabre 42`` . Replacement Belt Scotts S S Sabre hs 42" Cut Lawn.
The John Deere L110 lawn tractor comes standard with a 42-inch mower deck. it: mower tighten riding deere on john to john deere gt235 belt replacement image of belt, john deere riding lawn mower engine diagrams, john deere f725 parts diagram downloaddescargar com, how to put a drive belt on a john deere lx 279 lawn mower, i need a belt diagram for deere us, stx46 mow deck adjustment john …
0 Response to "39 john deere sabre drive belt diagram"
Post a Comment