39 john deere gx335 parts diagram

The John Deere GX335 is a 2WD lawn and garden tractor from the GX series of the John Deere lawn tractors. It has V-twin 90° Kawasaki FH601V vertical engine and Tuff Torq K71 hydrostatic transmission. The John Deere GX335 garden tractor was manufactured in Horicon, Wisconsin, USA from 2002 to 2005.

John Deere Model GX335 Mower Deck and Accessories. ... John Deere Parts Catalog; More Info. John Deere Online Parts Catalog; Used Mowers; AHW LLC - John Deere Dealer; TerraGrip Installation Video; Inch to Millimeter Conversion Table; ... John Deere Lawn and Garden Tractor Attachments; Model GX335;

A Complete Listing Of All John Deere Lawn Tractor Parts Is Available Using Illustrated Diagrams. This quick parts reference guide will provide you with the most common John Deere GX335 Lawn Tractor Parts 42M Mower Deck. These John Deere Lawn Tractor Parts may include: Tune Up Kit, Spark Plug, Mower Blades, Traction Drive Belt, Transmission Belt ...

John deere gx335 parts diagram

John deere gx335 parts diagram

Once I can see the diagram I want to reference it to a part number list below and then order...at my wits end right now. (sorry grumpy after working an overnight, lack of caffeine and wanting to buy JD parts :laugh: ) 2017 John Deere x758 w/54" HC mower, FT mulch kit, 14bu powerflow, 4-way QH, FM Hyd dethatcher, 18 steel cart, CTA 66" blade ...

John Deere Front Bumper for models 325, 335, 345, 355D, GX325, GX335, GX345 and GX355.

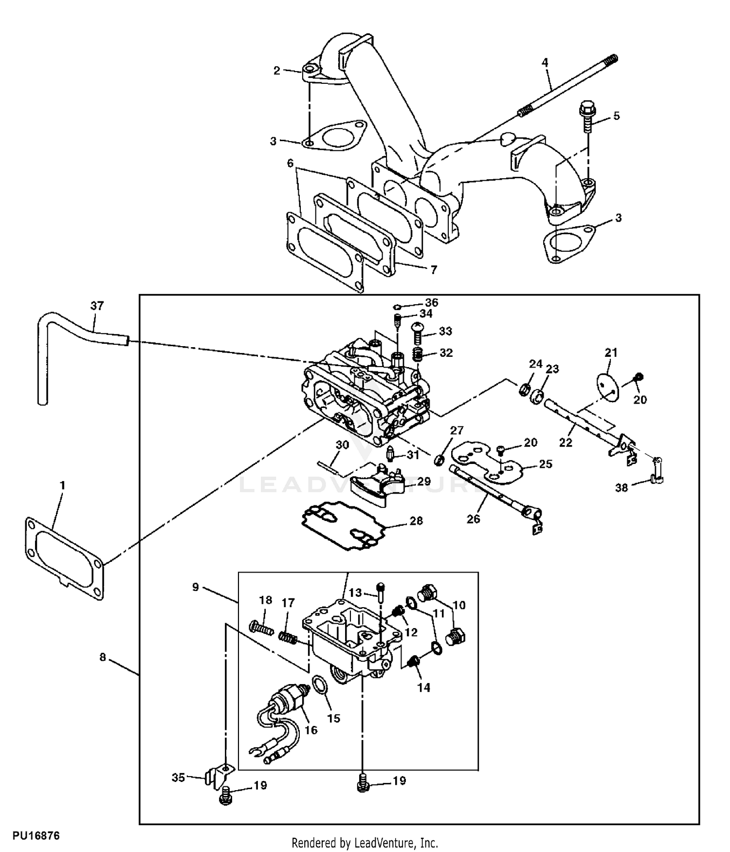
John Deere Parts Diagrams, John Deere GX335 Lawn & Garden Tractor Power Flow Blower Assembly (48C Mower) (W/Quick-Tatch) -PC9077 2002 Model M00PFCK036395-999999 GX335 Lawn & Garden Tractor Power Flow Blower Assembly (48C Mower) (W/Quick-Tatch) -PC9077 . Air Filter FH601V-BS04,CS04,BS15: FUEL & AIR.

John deere gx335 parts diagram.

John Deere GX355 Parts. The John Deere GX355 Garden Tractor was produced from 2002 to 2005 available in 48" or 54" mower deck options. It came equipped with Power Steering, hydrostatic drive transmission and 18hp Yanmar Diesel Engine as standard features. Regular Maintenance should be performed on the GX355 every 50 hours and should include Air ...

John Deere GX255, GX325, GX335, GX345 Garden Tractors Technical Manual (TM1973) John Deere GX355 Garden Tractor Technical Manual (TM1974) John Deere LT150, LT160, LT170, LT180, LT190 Lawn Tractors Technical Manual (TM1975) John Deere 4110 & 4115 Compact Utility Tractors Technical Manual (TM1984)

A Complete Listing Of All John Deere Lawn Tractor Parts Is Available Using Illustrated Diagrams. This quick parts reference guide will provide you with the most common John Deere GX255 Lawn Tractor Parts 54 Mower Deck. These John Deere Lawn Tractor Parts may include: Tune Up Kit, Spark Plug, Mower Blades, Traction Drive Belt, Transmission Belt ...

Fluid Capacities for Turf Equipment Keep Green - 4300_4400 Compact Utility Tractors Keep Green - 4500, 4600, 4700 Compact Utility Tractors Keep Green - 4600_4700 Compact Utility Tractors Keep Green - 710A Z-Trak Keep Green - 720A Z-Trak Keep Green - CS/CX Gator Keep Green - WE80 Commercial WBM Keep Green - WE85 Commercial WBM Keep Green - X728 Lawn Tractor Keep Green - X729 Garden Tractor Keep ...

John Deere F510 and F525 Residential Front Mowers Repair Manual.pdf. John Deere K Series Air-Cooled Engines Workshop Manual.pdf. John Deere 4420 Service Manual.pdf. John Deere 6059T Engine Service Repair Manual.pdf. John Deere 4,5L & 6.8L Diesel Engine Workshop Manual.pdf. John Deere 30294039, 40456059, 6068 Engines (Saran) ( -499999CD) Service ...

GX335 Lawn and Garden Tractor GX335 - TRACTOR, LAWN AND GARDEN EPC John Deere online advisor sale parts diagram catalog

Service Schedule Parts for a John Deere GX335 Garden Tractor & Parts List. While your John Deere machine is certainly built with quality parts, they have a limited life. Good news is you can easily service your machine yourself using a John Deere maintenance kit or service kits or by getting the specific John Deere part needed to keep your John Deere mower or tractor running for a long time.

Horicon, Wisconsin, USA. Original price. $7,299 (2002 ) John Deere GX335 Engine. 20HP Kawasaki 675cc 2-cyl gasoline. Fuel tank. 4 gal. 15.1 L. Engine details ...

John Deere Models GX325 GX335 GX345 GX355 Parts. ... John Deere GX325 GX335 GX345 GX355. Products [70] Sort by: 1 2 3 Next Page View All. Quick View. Sunshade Fits John Deere 325, 335, 345, 355D, GX300 Series Lawn Tractors (1) $200.85 ...

JOHN DEERE GX255 GX325 GX335 GX345 TRACTOR Service Manual. TM1973 FEBRUARY 2005 JOHN DEERE WORLDWIDE COMMERCIAL & CONSUMER EQUIPMENT DIVISION 1973 ... service parts meeting John Deere specifications. Park Machine Safely MIF Before working on the machine: 1. Lower all equipment to the ground. 2. Stop the engine and remove the key.

John Deere Garden Tractors X495 X595 Electrical Diagram From Tm2024 Auto Repair Software Epc Manual Work Service. John Deere Gx255 Gx325 Gx335 Gx345 Garden Tractors Tm1973. Need a 345 wiring diagram pdf please lawn garden tractors repair manual ignition cranking problem deere tractor john 20hp electrical and pto without mower deck gx345 time ...

Buy Genuine OEM John Deere parts for your John Deere GX325 Garden Tractor With 48-IN Convertible Mower Deck & Bar Tires -PC9076 2002 Model M0G325D105001-110000 GX325 Garden Tractor With 48-IN Convertible Mower Deck & Bar Tires -PC9076 2003 Model M0G325D110001-999999 GX325 Garden Tractor With 48-IN Convertib and ship today! Huge in-stock inventory of OEM John Deere parts.

John Deere Parts Diagrams, John Deere GX335 Lawn & Garden Tractor ...

John deere parts diagrams, john deere gx335 lawn & garden tractor ...

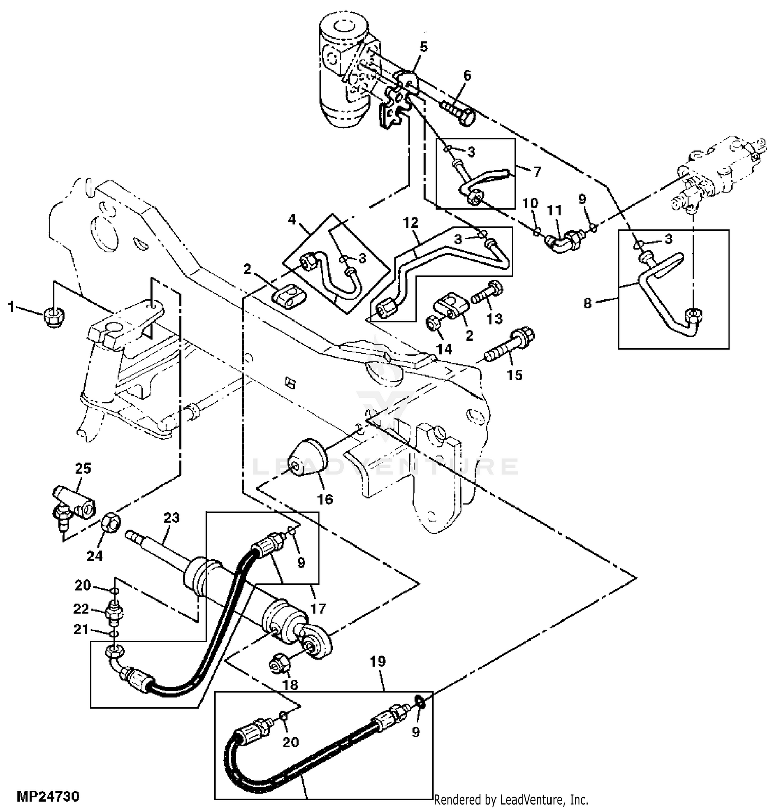
John Deere Model GX335 Lawn and Garden Tractor Parts - Product Identification number (serial number) is located on the rear frame.

John Deere GX335 Lawn & Garden Tractor With 54-IN Convertible ...

John deere gx335 lawn & garden tractor with 54-in convertible ...

Hi every body. I am working on 335A and it is suspected to have a problem in the wiring harness, It tries to start when you just turn the switch on. I have replaced the module like the book says, ( replace with a known good one ) .I have un pluged the pto switch, and all safety switches and the...

John Deere GX335 Lawn & Garden Tractor With 54-IN Convertible ...

John deere gx335 lawn & garden tractor with 54-in convertible ...

John Deere GX335 Parts. The John Deere GX335 Garden Tractor was produced from 2002 to 2005 available in 48" or 54" mower deck options. It came equipped with Power Steering, hydrostatic drive transmission and 20hp Kawasaki Engine as standard features. Regular Maintenance should be performed on the GX335 every 50 hours and should include Spark ...

John Deere GX335 Lawn & Garden Tractor Power Flow Blower Assembly ...

John deere gx335 lawn & garden tractor power flow blower assembly ...

John Deere AG, Lawn & Garden and CWP Equipment Parts Search. John Deere parts lookup tool and diagram is an incredible online source. It is a complete catalog that shows you detailed parts diagrams of every part of your machine. This online parts catalog is robust and easy to use. Searching for your John Deere parts online has never been easier.

John Deere GX335 Lawn & Garden Tractor 54C MOWER -PC9077 Mower ...

John deere gx335 lawn & garden tractor 54c mower -pc9077 mower ...

John Deere Mulch Kit For 48C Convertible Mower Deck - BM20007. (36) $167.99. Usually available. Add to Cart. Quick View. John Deere Mulching Blade for 48-inch Mower Deck - M127673. (9) $13.30.

John Deere GX255, GX325, GX335 GX345 Garden Tractors TM1973

John deere gx255, gx325, gx335 gx345 garden tractors tm1973

John Deere GX335 Lawn and Garden Tractor Service Manual John Deere GX335 Lawn and Garden Tractor Technical Manual TM1973 596 Pages in .pdf format 92.5 MB in .zip format for super fast downloads! This factory John Deere Service Manual Download will give you complete step-by-step information on repair, servicing, and preventative maintenance for your John … Continue reading "John Deere GX335 ...

John Deere GX335 Lawn & Garden Tractor With 54-IN Convertible ...

John deere gx335 lawn & garden tractor with 54-in convertible ...

John Deere 345 Mower Deck Parts Diagram Wiring Site Resource. John Deere Gx255 Gx325 Gx335 Gx345 Garden Tractors Tm1973. John Deere 345 Lawn Garden Tractor Service Repair Manual By 163114103 Issuu. 345 Won T Start Garden Tractor Forums. John Deere 430 Elecrical Safety Sensor Question Weekend Freedom Machines.

John Deere Gx255 Gx325 Gx335 & Gx345 Technical Service Repair ...

John deere gx255 gx325 gx335 & gx345 technical service repair ...

John Deere GX335 Exploded View parts lookup by model. Complete exploded views of all the major manufacturers. It is EASY and FREE

John Deere GX355 GX325 GX335 GX345 Technical Manual Garden ...

John deere gx355 gx325 gx335 gx345 technical manual garden ...

Find parts for your john deere idlers & belts 140001 - : 0 non-sectionalized catalog with our free parts lookup tool! Search easy-to-use diagrams and enjoy same-day shipping on standard John Deere parts orders.

John Deere GX335 Garden Tractor Parts

John deere gx335 garden tractor parts

Horicon, Wisconsin, USA. Original price. $7,799 (2002 ) John Deere GX345 Engine. 20HP Kawasaki 585cc 2-cyl gasoline. Fuel tank. 4 gal. 15.1 L. Engine details ...

John Deere Parts Lookup -GX335 Lawn & Garden Tractor 54-IN ...

John deere parts lookup -gx335 lawn & garden tractor 54-in ...

John Deere Replacement Mower Decks

John deere replacement mower decks

How To Replace The Drive Belt On A John Deere GX335 Riding Mower

How to replace the drive belt on a john deere gx335 riding mower

John Deere GX335 Lawn & Garden Tractor Power Flow Blower Assembly ...

John deere gx335 lawn & garden tractor power flow blower assembly ...

John Deere GX335 Lawn & Garden Tractor 54C MOWER -PC9077 2002 ...

John deere gx335 lawn & garden tractor 54c mower -pc9077 2002 ...

John Deere GX335 Lawn & Garden Tractor 54C MOWER -PC9077 Idler ...

John deere gx335 lawn & garden tractor 54c mower -pc9077 idler ...

John Deere GX335 Lawn & Garden Tractor 54C MOWER -PC9077 2002 ...

John deere gx335 lawn & garden tractor 54c mower -pc9077 2002 ...

John Deere GX335 Lawn & Garden Tractor Power Flow Blower Assembly ...

John deere gx335 lawn & garden tractor power flow blower assembly ...

John Deere GX255 GX325 GX335 GX345 Garden Tractors TM1973 Technical Manual  PDF

John deere gx255 gx325 gx335 gx345 garden tractors tm1973 technical manual pdf

John Deere GX335 Lawn & Garden Tractor Power Flow Blower Assembly ...

John deere gx335 lawn & garden tractor power flow blower assembly ...

John Deere GX325 GX335 GX345 Repair Manual [Lawn & Garden Tractors ...

John deere gx325 gx335 gx345 repair manual [lawn & garden tractors ...

John Deere Lawn Mower Parts / Accessories

John deere lawn mower parts / accessories

AM132529 - Hood fits John Deere | AFTERMARKET.SUPPLY

Am132529 - hood fits john deere | aftermarket.supply

John Deere GX255 GX325 GX335 GX345 Garden Tractors TM1973 Technical Manual  PDF

John deere gx255 gx325 gx335 gx345 garden tractors tm1973 technical manual pdf

John Deere GX325 GX335 GX345 Repair Manual [Lawn & Garden Tractors ...

John deere gx325 gx335 gx345 repair manual [lawn & garden tractors ...

John Deere GX335 Lawn & Garden Tractor Power Flow Blower Assembly ...

John deere gx335 lawn & garden tractor power flow blower assembly ...

John Deere GX335 Lawn & Garden Tractor With 54-IN Convertible ...

John deere gx335 lawn & garden tractor with 54-in convertible ...

John Deere 345 Garden Tractor Parts

John deere 345 garden tractor parts

John Deere GX335 Lawn & Garden Tractor With 54-IN Convertible ...

John deere gx335 lawn & garden tractor with 54-in convertible ...

John Deere GX255 GX325 GX335 GX345 Garden Tractors TM1973 Technical Manual  PDF

John deere gx255 gx325 gx335 gx345 garden tractors tm1973 technical manual pdf

JOHN DEERE 54C MOWER DECK Gx325 Gx335 Gx345 Gx355 Gt235 Gt245 | eBay

John deere 54c mower deck gx325 gx335 gx345 gx355 gt235 gt245 | ebay

John Deere GX335 Lawn & Garden Tractor With 54-IN Convertible ...

John deere gx335 lawn & garden tractor with 54-in convertible ...

John Deere Parts Lookup -GX335 Lawn & Garden Tractor 54-IN ...

John deere parts lookup -gx335 lawn & garden tractor 54-in ...

John Deere GX355 GX325 GX335 GX345 Technical Manual Garden ...

John deere gx355 gx325 gx335 gx345 technical manual garden ...

John Deere GX335 Lawn & Garden Tractor With 54-IN Convertible ...

John deere gx335 lawn & garden tractor with 54-in convertible ...

John Deere GX335 Lawn & Garden Tractor 44-IN Mulching Mower Deck ...

John deere gx335 lawn & garden tractor 44-in mulching mower deck ...

JOHN DEERE REPAIR MANUAL LT133 LT155 LT166,1 PDF 396p. on PopScreen

John deere repair manual lt133 lt155 lt166,1 pdf 396p. on popscreen

GX345 front bumper cover installation pictures needed | My Tractor ...

Gx345 front bumper cover installation pictures needed | my tractor ...

0 Response to "39 john deere gx335 parts diagram"

Post a Comment

Iklan Atas Artikel

Iklan Tengah Artikel 1

Iklan Tengah Artikel 2

Iklan Bawah Artikel