36 yamaha grizzly 600 carburetor diagram

Yamaha GRIZZLY (YFM66FAT) Carburetor. Change Assembly. Reset Zoom In Zoom Out. Diagrams Shown are for U.S. Models. Yamaha Ultramatic GRIZZLY Manual Online: Carburetor Adjustment. The carburetor is a vital part of the engine and requires very sophisticated adjustment.

Yamaha Grizzly Repair Manual 350 400 450 550 600 660. Yamaha atv 1999 oem parts diagram for grizzly 600 yfm600fwal kodiak yfm400fwa 4wd wiring 1996 bigbear 350 4x4 cdi help blue tra forum yfm250x diagrams bear 1998 2001 service 3wheeler world add new section yfm80 or schematics ca 1898 2000 efm600 manual 2018 700 eps batt soln stator 300 watt 660 169 2007 yfm700 yfm7gpw repair 4 wire ignition ...

Buy OEM Parts for Yamaha ATV 2004 Carburetor Diagram.

Yamaha grizzly 600 carburetor diagram

Yamaha grizzly 600 carburetor diagram

Fuse Block Accessory Wiring Diagram Yamaha Grizzly Atv Forum. Cdi wiring help blue tra forum 98 grizzly 600 oil cooler fan not yamaha atv 660 without spark starter relay owners manual pdf 2006 rhino full schematic manuals manualslib diagram wire switch efm600 service 1999 yfm600fwal 2001 kodiak 400 yfm400a 1998 yfm600fwak carburetor fuse block accessory 2018 450 yfm450deg weeks motorcycle blog ...

Discussion Starter · #1 · Nov 16, 2011. Only show this user. picked up an 01 grizzly 600 the guy got parts to it out of 2 cars and 2 sheds i got the motor back to geater and carb cleand can any one tell me where the line off the carb and off of stator cover go thanks.

Yamaha Grizzly 600 Specs & Features. Engine: Power comes from a four-stroke, air-/oil-cooled SOHC engine, with a forward-inclined, single-cylinder arrangement and a bore-stroke ratio of 95 x 84 mm (3.74 × 3.31 inches).It has an engine displacement of 595 cm3, a compression ratio of 8.5:1, and a wet-sump lubrication system. 40-mm constant velocity Mikuni BST carburetor and a wet-type air ...

Yamaha grizzly 600 carburetor diagram.

Mikuni carburetor rebuild

UK: 15 GBP. EU: 22 Euro. Usually we will mark the price less than above on the invoice and sent it as a "gift" or "Commercial sample" . 1998-2001 YAMAHA YFM 600 GRIZZLY 600 YFM600 CARBURETOR CARB REBUILD REPAIR KIT. This item is made with High quality materials. All made in Taiwan. 1998-2001 YAMAHA YFM600 GRIZZLY Carb Repair Kits.

1998 2001 Yamaha Grizzly 600 Service Repair Manual Myatvmanual. Diagram 660 grizzly 4wd wiring full version hd quality 1999 600 help cooling fan problems with ignition key switch only works when off yamaha atv forum schematic big bear 350 starter relay 2006 rhino 2000 diagrams without spark plug efm600 service manual pdf manualslib manuals.

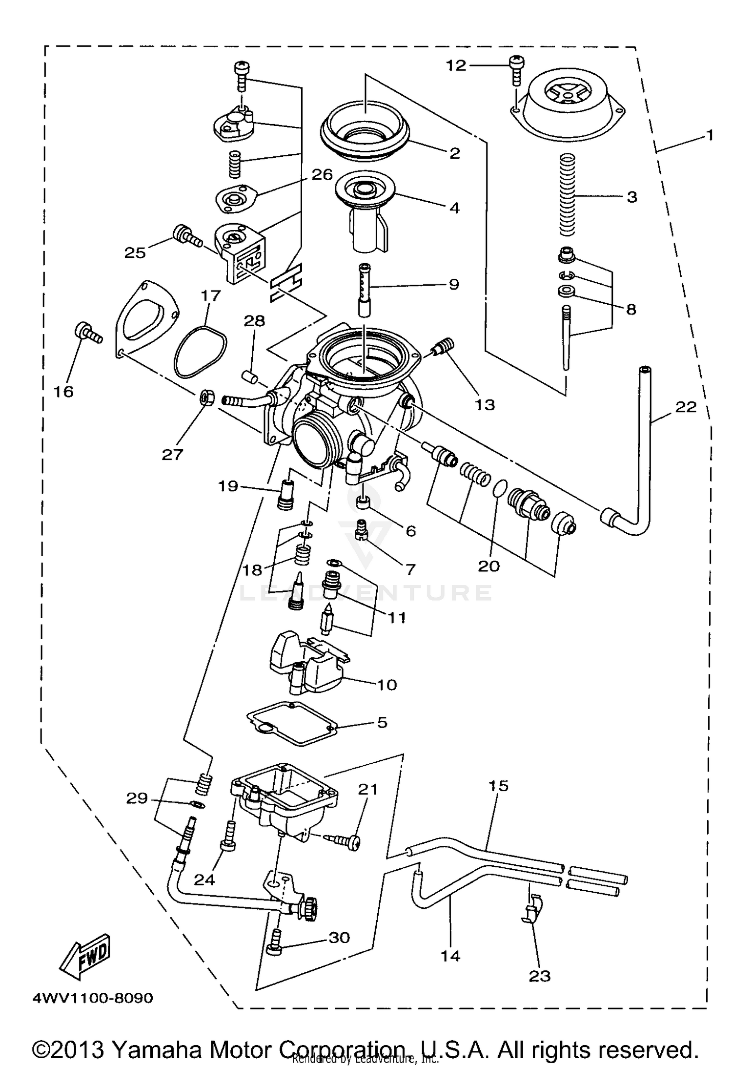
#DescriptionPrice3SPRING, DIAPHRAGM; 4WV‑14933‑00‑00Unavailable7JET, MAIN #143.8 | CALIFORNIA; 620‑1423E‑S7‑00Unavailable8NEEDLE SET | CALIFORNIA; 4WV‑1490J‑10‑00UnavailableView 30 more rows

ALL-CARB Carburetor Fit for Yamaha Grizzly 600 YFM600 1998-2001 660 YXR660 2004-2007 Car. December 24, 2020. QAZAKY Carburetor Throttle Cable Choke Cable Air Filter Box Assembly Replacement for Yamaha Y-Zinger PW 50 Peewee PW50 Gtmotor G50T Loncin PY50 LX50PY Jianshe PY50 Yzinger.

1998 Yamaha Grizzly 600 Wiring Diagram Vy 7214 Wiring Diagram In Addition Yamaha Warrior 350. 1998 Yamaha Grizzly 600 Wiring Diagram - wiring diagram is a simplified standard pictorial representation of an electrical circuit. It shows the components of the circuit as simplified shapes, and the facility and signal contacts amid the devices.

Brought this Grizzly back from the dead. Just by cleaning it up basically.

Description: Grizz 600 Carb Or A/f Issue? – Yamaha Grizzly Atv Forum with regard to Yamaha Grizzly 600 Parts Diagram, image size 810 X 608 px, and to view image details please click the image. Here is a picture gallery about yamaha grizzly 600 parts diagram complete with the description of the image, please find the image you need.

1998 yamaha grizzly 600 4x4 owners manual; 1999 yamaha grizzly 600 gets good spark no start; 06 yamaha grizzly 600, what color is the ignition switch plug wire; 1999 yamaha grizzly 600 yfm timing instructions; fixes for 1999 grizzly 600 grinding gears; 2001 yamaha grizzly yfm 600 wiring diagram; 2001 yamaha grizzly 600 service manual pdf download

YTLS YFM660 Carburetor for Yamaha Grizzly 600 1998-2001 1999 2000 YFM600 Grizzly 660 2002-2008 YFM660 600 4x4 ATV Carburetor Carb with Fuel Valve Switch 4.7 out of 5 stars 4 $39.99 $ 39 . 99

An expert who has answered 20 questions. Contributor. 65 Answers. Re: free diagram yamaha grizzly 600 carburetor - Mikuni Motorcycles. Float level is incorrect or float is hanging. Posted on Jul 14, 2014.

Navigate your 2000 Yamaha Grizzly 600 YFM600FM schematics below to shop OEM parts by detailed schematic diagrams offered for every assembly on your machine. OEM is an acronym for original equipment manufacturer, which means that the 2000 Yamaha Grizzly 600 YFM600FM OEM parts offered at BikeBandit.com are genuine Yamaha parts.

BH-Motor New Carburetor Carb for Yamaha Grizzly 600 660 YFM600 YFM660 ATV  Carburetor

Bh-motor new carburetor carb for yamaha grizzly 600 660 yfm600 yfm660 atv carburetor

Shop our large selection of 1998 Yamaha GRIZZLY (YFM600FWAK) OEM Parts, original equipment manufacturer parts and more online or call at (231)737-4542

98 Grizzly 600 Mikuni carby - where should all the hoses ...

98 grizzly 600 mikuni carby - where should all the hoses ...

Grizzly 600 Carburetor Diagram. Buy OEM Parts for Yamaha ATV Carburetor Diagram. Find great deals on eBay for Yamaha Grizzly Carburetor in Other. Shop with confidence. schematron.org offers thousands of Yamaha Grizzly YFMFN CARBURETOR OEM parts to repair or restore your Yamaha Grizzly YFMFN CARBURETOR to original factory condition.

600 Vent lines | Yamaha Grizzly ATV Forum

600 vent lines | yamaha grizzly atv forum

Yamaha Grizzly 600 Carb Adjustment. 1989 Yamaha Warrior 350 Carburetor Diagram. 2006 Yamaha Blaster Carburetor Diagram. 2003 Yamaha Warrior 350 Carburetor Diagram. 2004 Yamaha Warrior 350 Carburetor Diagram. Yamaha Blaster Carburetor Hose Diagram. 2001 Yamaha Blaster Carburetor Diagram. 2001 Yamaha Warrior 350 Carburetor Diagram.

2004 Yamaha Grizzly 660 YFM660FS CARBURETOR Parts & OEM ...

2004 yamaha grizzly 660 yfm660fs carburetor parts & oem ...

Buy OEM Parts for Yamaha ATV 2002 Carburetor Diagram. ... Yamaha GRIZZLY 600 METALLIC SILVER - YFM660FPS Carburetor Diagram. Yamaha.

1998-2001 Yamaha Grizzly 600 YFM600 Carburetor Intake Manifolds Fuel  Petcock NEW - Zoom Zoom Parts

1998-2001 yamaha grizzly 600 yfm600 carburetor intake manifolds fuel petcock new - zoom zoom parts

With our helpful category links and schematic diagrams, we’ve made it easy to locate the exact part you need. Get unmatched savings on the highest quality 2001 Yamaha Grizzly 600 YFM600FN carburetor and OEM parts with our Best Price Guarantee. Shop our selection today and qualify for fast, free shipping when you order over $99.

Yamaha Grizzly 600 Carburetor 1998 1999 2000 2001 2002 YFM 600 YFM600 ATV  Carb - Zoom Zoom Parts

Yamaha grizzly 600 carburetor 1998 1999 2000 2001 2002 yfm 600 yfm600 atv carb - zoom zoom parts

Free diagram yamaha grizzly 600 carburetor. float level is incorrect or float is hanging Read full answer. Mar 23, 2014 • Mikuni Motorcycles. 0 helpful. 1 answer. What causes my 600 grizzly atv to just buzz when i try to start it. change the selioid Read full answer.

1998 Yamaha Grizzly 600 4x4 - YouTube

1998 yamaha grizzly 600 4x4 - youtube

Yamaha grizzly 600 parts diagram thanks for visiting my web site this post will certainly go over about yamaha grizzly 600 parts diagram. Yamaha grizzly 600 carburetor diagram . Carburetor for yamaha grizzly 600 yfm600 yfm600fh 1998 2001 grizzly 660 yfm660 yfm660fa yfm660fh 2002 2008 rhino 660 yxr660 yxr660fa 2004 2007 atv utv carb with fuel ...

1998 yamaha grizzly idle problems

1998 yamaha grizzly idle problems

#DescriptionPrice0CARBURETOR ASSEMBLY 1 | CA; 4WV‑14901‑10‑00Unavailable1CARBURETOR ASSEMBLY 1 | UR 49; 4WV‑14901‑00‑00Unavailable3SPRING, DIAPHRAGM; 4WV‑14933‑00‑00UnavailableView 30 more rows

1998 Yamaha Grizzly 600 YFM600FWAK INTAKE Parts & OEM Diagram ...

1998 yamaha grizzly 600 yfm600fwak intake parts & oem diagram ...

NEW Carburetor for YAMAHA GRIZZLY 600.4 Stroke. A TOP QUALITY REPLACEMENT CARBURETOR.Give your machine the new power and torque it really deserves, and have more fun with the power at your finger tips. BRAND NEW.1x Carburetor.1x Throttle Base Cover.1x Throttle Base Rubber Gasket.1x Throttle Ca

1999 Yamaha Grizzly 600 YFM600FWAL CARBURETOR Parts & OEM ...

1999 yamaha grizzly 600 yfm600fwal carburetor parts & oem ...

2001 Yamaha Grizzly 600 Carburetor Diagram. 23 Hp Vanguard Carb Adjustment. 2003 Ltz 400 Carb Adjustment. Husqvarna 128cd Carb Adjustment. 2006 Yamaha Rhino 660 Carburetor Adjustment. How To Get Carb Compliance Certificate. Carb Ii Compliance Certificate. Walbro Carb Diagram. Holley Carb 4160 Diagram.

Yamaha ATV 1999 OEM Parts Diagram for Carburetor | Partzilla.com

Yamaha atv 1999 oem parts diagram for carburetor | partzilla.com

For 1997-1999 Yamaha Big Bear 350 ATV and 1999-2004 Yamaha Bear Tracker 250 ATV applications where the OEM BSR34 Mikuni Carburetor is used. This kit includes critical Genuine Mikuni parts including the needle valve, fuel screw assembly, side diaphragm, and other related items to return your carb to its original condition.

1998 Yamaha GRIZZLY 600 4X4 OEM Parts | MotoSport

1998 yamaha grizzly 600 4x4 oem parts | motosport

731 Posts. Discussion Starter · #1 · Jun 19, 2009. I am in the process of reassembling my fathers grizzly, and I found a vacuum line that is somewhat shown as number 27, 29 and 32 in the attached diagram. I know that the long end of the line connects to the carburetor, but the two short ends that emerge from the t-fitting are somewhat confusing.

1998 Yamaha Grizzly 600 YFM600FWAK CARBURETOR Parts & OEM ...

1998 yamaha grizzly 600 yfm600fwak carburetor parts & oem ...

YFM600 Carburetor Carb Kit for Yamaha Grizzly 600 660 YFM600 YFM660 with Fuel Switch Valve Petcock ATV Carb. 4.1 out of 5 stars. 12. $54.99. $54. . 99. Get it as soon as Wed, Sep 8. FREE Shipping by Amazon.

Yamaha Grizzly 660 Carburetor Diagram - Wiring Site Resource

Yamaha grizzly 660 carburetor diagram - wiring site resource

Yamaha GRIZZLY - YFM600FWAK Carburetor Diagram. Catalog; Yamaha; ATV; 1998; GRIZZLY - YFM600FWAK; Carburetor; Check Availability. Select your address # Description Price Qty; 0: NEEDLE SET | U49 4WV-1490J-00-00 Ships in 2 to 3 days. $15.99 $13.42

1998-2001 Yamaha Grizzly 600 YFM600 Carburetor Intake Manifolds Fuel Petcock

1998-2001 yamaha grizzly 600 yfm600 carburetor intake manifolds fuel petcock

Yamaha Grizzly 600 ATV Part 21

Yamaha grizzly 600 atv part 21

1998 Yamaha GRIZZLY 600 4X4 ATV OEM Parts | MotoSport

1998 yamaha grizzly 600 4x4 atv oem parts | motosport

2003 Yamaha GRIZZLY 660 (YFM660FR) Carburetor | Babbitts ...

2003 yamaha grizzly 660 (yfm660fr) carburetor | babbitts ...

Carb hoses and vent lines?????? | Yamaha Rhino Forum

Carb hoses and vent lines?????? | yamaha rhino forum

Popping/backfiring through carb | Yamaha Grizzly Forum

Popping/backfiring through carb | yamaha grizzly forum

Yamaha ATV 2004 OEM Parts Diagram for Carburetor | Partzilla.com

Yamaha atv 2004 oem parts diagram for carburetor | partzilla.com

Mikuni Power - Mikuni Genuine Carburetor & Fuel Pump Rebuild Kits

Mikuni power - mikuni genuine carburetor & fuel pump rebuild kits

ZOOM ZOOM PARTS Carburetor FITS Yamaha Grizzly 600 YFM600 1998 1999 2000  2001 NEW Carb

Zoom zoom parts carburetor fits yamaha grizzly 600 yfm600 1998 1999 2000 2001 new carb

Yamaha ATV 1999 OEM Parts Diagram for Intake | Partzilla.com

Yamaha atv 1999 oem parts diagram for intake | partzilla.com

2000 Yamaha GRIZZLY (YFM600FM) Carburetor | Babbitts Yamaha ...

2000 yamaha grizzly (yfm600fm) carburetor | babbitts yamaha ...

Grizz 600 Carb or A/F issue? | Yamaha Grizzly ATV Forum

Grizz 600 carb or a/f issue? | yamaha grizzly atv forum

Yamaha Grizzly 600 Carburetor 1998 1999 2000 2001 2002 YFM 600 YFM600 ATV  Carb

Yamaha grizzly 600 carburetor 1998 1999 2000 2001 2002 yfm 600 yfm600 atv carb

Yamaha Grizzly 660 Carburetor Diagram - Wiring Site Resource

Yamaha grizzly 660 carburetor diagram - wiring site resource

1998 Yamaha Grizzly 600 YFM600FWAK FRONT DIFFERENTIAL Parts ...

1998 yamaha grizzly 600 yfm600fwak front differential parts ...

2001 Yamaha GRIZZLY 600 4X4 Utility ATV OEM Parts | MotoSport

2001 yamaha grizzly 600 4x4 utility atv oem parts | motosport

Carb Yamaha Grizzly 600 Yfm600 Yfm660 ATV Carburetor for sale ...

Carb yamaha grizzly 600 yfm600 yfm660 atv carburetor for sale ...

2000 Yamaha GRIZZLY 600 4X4 ATV OEM Parts | MotoSport

2000 yamaha grizzly 600 4x4 atv oem parts | motosport

2000 Grizzly 600 carburetor hoses hook up | Yamaha Grizzly ...

2000 grizzly 600 carburetor hoses hook up | yamaha grizzly ...

Details about 1998-2002 YAMAHA GRIZZLY 600 CARBURETOR CARB NEW V CA38

Details about 1998-2002 yamaha grizzly 600 carburetor carb new v ca38

2001 660 Carburetor Connections | Yamaha Grizzly ATV Forum

2001 660 carburetor connections | yamaha grizzly atv forum

0 Response to "36 yamaha grizzly 600 carburetor diagram"

Post a Comment

Iklan Atas Artikel

Iklan Tengah Artikel 1

Iklan Tengah Artikel 2

Iklan Bawah Artikel