39 poulan 2075 chainsaw fuel line diagram

Gas line diagram for poulan 2075 2.0 CI - Fixya Sep 10, 2019 ... The line at the rear of the fuel tank with the fuel filter is the main feed line to the carburetor and connects to the upper nipple. The lower nipple on the ... have a poulan wood shark model1950.the fule lines rotted - Pinterest Sep 18, 2013 - I have a poulan shark model1950.the fule lines rotted off,i have new fule lines an ball but dont know where the lines go - Answered by a verified Technician ... Poulan Chainsaw. Chainsaw Parts. Line Diagram. Legal Questions. Trade School. Engine Repair ... Pollak Trailer Plug . Pollak Trailer Plug . Pollak Black Plastic 7 Pole Rv ...

Poulan Gas Chain Saw | 2175 | eReplacementParts.com Fuel Line Fitting Part Number:530023877 In Stock, 25+ available Note: Nipple Fitting - Fuel Line $4.78 Add to Cart A6 Fuel Cap Assembly Part Number:580940901 In Stock, 25+ available $5.97 Add to Cart A7 Wire-Throttle Obsolete - Not Available Part Number:530037809 Discontinued A8 Lever-Choke Obsolete - Not Available Part Number:530047989

Poulan 2075 chainsaw fuel line diagram

Poulan 2075 chainsaw fuel line diagram

How to fuel line configuration on a poulan chainsaw - YouTube How to fuel line configuration on a poulan chainsaw - YouTube Also the same as the 2150 2250 2050 2075 and more Also the same as the 2150 2250 2050 2075 and more AboutPressCopyrightContact... Poulan 2075C TYPE 3 gas chainsaw manual - Sears Parts Direct Poulan 2075C TYPE 3 gas chainsaw manual Are you looking for information on using the Poulan 2075C TYPE 3 gas chainsaw? This user manual contains important warranty, safety, and product feature information. View the user manual below for more details. Want a copy for yourself? Download or print a free copy of the user manual below. Poulan 2075 Gas Saw Type 1 Parts Diagrams - Jacks Small Engines Poulan 2075 Gas Saw Type 1 Parts Diagrams Carburetor Assembly - WT324 - #530069703 Carburetor Assembly (Walbro WT624) P/N 530071620 Engine Assembly Type 1, 2, 3, 4 Handle, Chassis & Bar Assembly Type 1,2,3,4,5 Service Reference JavaScript Disabled - Unable to show Cart

Poulan 2075 chainsaw fuel line diagram. 2075 Poulan Chainsaw Parts & Repair Help - PartSelect The Fuel Line Fitting is a plastic part which attaches two pieces of fuel line together. If broken due to damage/fatigue, there may be a leak and the part must be replaced. Installation is rated as "E... $ 5.09 In Stock Add to cart Fuel Cap Assembly PartSelect #: PS9982262 Manufacturer #: 580940901 Wiring Diagrams Free Wiring Diagrams Free How to replace fuel line on Poulan 2075? - JustAnswer i have a poulan 2075 and am replacing the fuel line. theres a fuel line that comes out of the tank into the bulb, then into the craberator. there is a nipple that looks like another fuel line comes out of the carbuerator. ... Do you have a diagram or a picture of how the fuel lines are connected and routed on a troy bilt tb90bc? A good ... Poulan 2075 LE Gas Saw Parts Diagrams - Jacks Small Engines Poulan 2075 LE Gas Saw Exploded View parts lookup by model. Complete exploded views of all the major manufacturers. It is EASY and FREE.

How to Replace the Poulan Chainsaw Fuel Line? **2022 Poulan chainsaw fuel line diagrams can help you understand your Poulan chainsaw fuel line replacement better. 1,665 It is always better to be safe than sorry, especially when it comes to the fuel source of your chainsaw. Most manufacturers of these machines usually include a Poulan chain saw fuel line in their product. Amazon.com: poulan chainsaw fuel line kit Amazon's Choice for poulan chainsaw fuel line kit. Hipa 530057925 Air Filter Fuel Line Kit for Poulan P3314 P3816 P3416 P4018 PP3416 PP3516 PP3816 PP4018 PPB3416 PPB4018 PPB4218 S1970 Gas Chainsaw. 4.5 4.5 out of 5 stars (750) $11.56 $ 11. 56. FREE delivery Wed, Dec 14 on $25 of items shipped by Amazon. poulan chainsaw fuel line diagram Poulan pp4218avx fuel line diagram We have 9 Pics about Poulan Pp4218avx Fuel Line Diagram like How To: Replace Fuel Filter, Primer Bulb, Fuel Line & Return Line's On, Poulan 2075 Fuel Line Routing | have a poulan wood shark model1950.the and also Poulan P4018WT Gas Saw Type 1, Wildthing - P4018WT Parts Diagram for. Here it is: Poulan Pp4218avx Fuel Line Diagram wiringall.com Poulan pro Poulan 2075 Manuals | ManualsLib We have 21 Poulan Pro Poulan 2075 manuals available for free PDF download: Instruction Manual, Operator's Manual Poulan Pro Poulan 2075 Instruction Manual (55 pages) Brand: Poulan Pro | Category: Chainsaw | Size: 3.59 MB Table of Contents Safety Notice 6 Tree Felling Techniques 11 Felling Large Trees 11 &Warning 13 Maintenance 13 Chain Sharpening

Poulan Chainsaw Fuel Line Diagram | ... installed a new carburaetor on ... Sep 28, 2013 - I just installed a new carburetor on a Poulan # 2175 and it will not run after the start up with the fuel bulb. I need - Answered by a verified Technician The Best Chainsaw Fuel Line Diagram Chainsaw & Drill Review The route of Poulan chainsaw fuel line diagramto carborator is essential for your machine's performance. To begin, check to see if your chainsawis equipped with a carburetor. The carburetor is attached to the chain via carburetor clips. The line must be secured correctly to prevent the fuel filter from becoming clogged. Poulan 2075 Fuel Line Diagram Poulan 2075 Fuel Line Diagram I have a poulan chainsaw # - all the fuel lines have rotted and broke off. I'm looking for a diagram, from the fuel tank to carb. and to pump. Poulan LE Gas Saw Exploded View parts lookup by model. Complete Found on Diagram: Engine Assembly. Screw Fuel Line (25" Long). Poulan 2075 Gas Saw Type 5 Parts Diagrams - Jacks Small Engines Poulan 2075 Gas Saw Type 5 Exploded View parts lookup by model. Complete exploded views of all the major manufacturers. It is EASY and FREE.

Poulan 2075 Gas Saw Type 5 Parts Diagram for Engine Assembly ...

Poulan 2075 Gas Saw Type 5 Parts Diagram for Engine Assembly ...

Poulan Gas Chain Saw | 2075C | eReplacementParts.com Use our part lists, interactive diagrams, accessories and expert repair advice to make your repairs easy. 877-346-4814 ... (Incl.Fuel Lines & Caps) $59.85. Discontinued A12 Nut-Speed. $5.97 Part ... The 530039198 is the ignition coil for the Poulan 2025 chainsaw. It also is used on quite a few of their other gas engines. Hope this helps, ...

PART FUEL LINE KIT LARGE poulan chainsaw 530069216

PART FUEL LINE KIT LARGE poulan chainsaw 530069216

Routing of fuel ines on a poulan 2075 chainsaw? - Answers Need a full diagram for fuel line routing for a poulan 2150 chainsaw? There are two lines inside the tank. The short line with no fuel filter on the end of it goes to the inlet, (suction) side of ...

Poulan Pro 262 Gas Saw

Poulan Pro 262 Gas Saw

Poulan pro chainsaw fuel line diagram - partsdiagram.netlify.app Husqvarna 235 chainsaw fuel line diagram. Attach one end of the new fuel line to the incoming fuel port on the carburetor. All of the fuel lines have disinigrated. Remove the 3 old hoses after making a diagram of where they connect. Pull carb part way out to access the hoses.

Poulan 2150 | PDF | Carburetor | Internal Combustion Engine

Poulan 2150 | PDF | Carburetor | Internal Combustion Engine

Poulan pro 42cc chainsaw fuel line diagram In order to use the correct poulan 2150 chainsaw fuel line routing diagram, you need to identify the correct fuel line first.if you have an older poulan chainsaw, it is likely that the carburetor is fed through a different fuel line than the electrical one.this is easily identified on older poulan chain saw models by looking at the two.

Bar Maintenance; Chain Sharpening; Ignition Timing/Spark Plug ...

Bar Maintenance; Chain Sharpening; Ignition Timing/Spark Plug ...

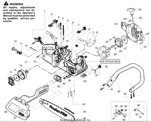
TYPE 1,2,3,4,5 Jul 25, 2007 ... POULAN PARTS LIST. R. REPLACES ... PAGE NO. CHAIN SAW MODEL(s). 530088902. 2075,2075C &. 2075OC ... Kit--Fuel Line (Large). 5. 530023877.

Why Your Chainsaw Won't Start and What to Do About It

Why Your Chainsaw Won't Start and What to Do About It

Poulan Gas Chain Saw | 2075 | eReplacementParts.com Assembly-Chassis 2075C Obsolete - Not Available Part Number:530056605 Discontinued A11 Assy-Chassis Obsolete - Not Available Part Number:530056606 Discontinued Note: (Incl.Fuel Lines & Caps) A12 Nut-Speed Part Number:530015922 In Stock, 6 available $5.97 Add to Cart A13 Assembly-Chain Brake (Green) Obsolete - Not Available Part Number:545139906

FUEL gas CAP POULAN 2050 2375 WILD THING CHAINSAW PART ...

FUEL gas CAP POULAN 2050 2375 WILD THING CHAINSAW PART ...

Fuel Lines Replacement and Routing for Poulan/ Craftsman Chainsaw In this video I'll show the correct routing and replacement for the fuel lines of the primer ball and fuel supply on a Poulan and many Craftsman chainsaws.Di... In this video I'll show the...

Fuel Line Configuration on Poulan 2150 Chainsaw

Fuel Line Configuration on Poulan 2150 Chainsaw

Poulan Chainsaw Fuel Line Diagram Carburetor - Price and Reviews Poulan Pro Poulan chainsaw fuel line diagram, before starting to replace the fuel lines, you need to first make a note of the fuel line route and/or take a photo of it. Next, remove the top cover and take the top cover off the engine. Then, disengage the air filter housing from the carburetor assembly.

Kohler XT675-3098 VIKING 6.75 (9.2) ft lbs Gross Torque Parts ...

Kohler XT675-3098 VIKING 6.75 (9.2) ft lbs Gross Torque Parts ...

Poulan Wild Thing Chainsaw 2375 gas line routing part 1 Poulan Wild Thing Chainsaw 2375 gas line routing part 1 64,923 views Mar 2, 2017 199 Dislike Share Save The G Automotive And More 9.23K subscribers Poulan Wild Thing Chainsaw 2375 gas line...

Replacing the Poulan chainsaw carburetor

Replacing the Poulan chainsaw carburetor

How to Replace the Fuel Return Line on a Poulan Chainsaw (Model P3314 ... 2. Remove the top cover. Remove the (3) screws securing the top cover to the saw. Lift the top cover away from the saw. 3. Remove the air filter housing. Remove the air filter cover. Remove the air filter from the housing. Remove the (1) screw securing the air filter housing to the engine.

Poulan Craftsman Chainsaw Replacement Carburetor Kit ...

Poulan Craftsman Chainsaw Replacement Carburetor Kit ...

Poulan Chainsaw Fuel Line Routing and Placement - YouTube The Correct Routing and Placement of the fuel lines on both the Older Non AV Saws like the 2075 and the New AV Mounted Saws with the Strato Intake like the W...

Tecumseh 4 Cycle OHV | PDF | Carburetor | Propulsion

Tecumseh 4 Cycle OHV | PDF | Carburetor | Propulsion

How to ... Poulan Chainsaw - replace fuel lines - YouTube Poulan Chainsaw - replace fuel lines - YouTube TOOLS You Will NEED for this Project:Socket Set by DeWalt: Tool Set: Line (4 sizes)...

AISEN Carburetor with Air Filter Spark Plug Fuel Line Hose Tub for Poulan  262 1900 1950 1975 2025 2050 2055 2075 Gas Chainsaw

AISEN Carburetor with Air Filter Spark Plug Fuel Line Hose Tub for Poulan 262 1900 1950 1975 2025 2050 2055 2075 Gas Chainsaw

Poulan 2175 Gas Saw Type 1, Wildthing 2175 Gas Saw Type 1 Parts Diagrams Poulan 2175 Gas Saw Type 1, Wildthing 2175 Gas Saw Type 1 Exploded View parts lookup by model. ... Found on Diagram: Carburetor Assembly (WT324) 530069703; 530038479 . LIMITER CAP HIGH (brown) Options Add to Cart. ... Fuel Line Fitting . Options Add to Cart. 580940901. Fuel Cap Assembly w/ Retainer. Options Add to Cart. 530037809 . Throttle ...

How do you replace the two fuel lines going into and coming ...

How do you replace the two fuel lines going into and coming ...

Poulan wild thing chainsaw fuel line diagram Posted by anonymous on feb 21 where does the big fuel line and small fuel line go on poulan pro chain saw. Fuel line diagram poulan p4018wt wild thing 18inch 40cc question. Nov 1, there are multiple fuel lines found on most small engines. Like new condition but the fuel hoses were rotted off. Whether you are a legendary lumberjack or a weekend ...

Poulan 38-cc 2-cycle 16-in Gas Chainsaw with Case at Lowes.com

Poulan 38-cc 2-cycle 16-in Gas Chainsaw with Case at Lowes.com

Poulan 2075 Type 1 Gas Chainsaw Parts - eReplacementParts.com Assembly-Chassis 2075C Obsolete - Not Available Part Number:530056605 Discontinued A11 Assy-Chassis Obsolete - Not Available Part Number:530056606 Discontinued Note: (Incl.Fuel Lines & Caps) A12 Nut-Speed Part Number:530015922 In Stock, 6 available $5.97 Add to Cart A13 Assembly-Chain Brake (Green) Obsolete - Not Available Part Number:545139906

Replacement Air Filter Fuel Line Kit For Poulan Chainsaw ...

Replacement Air Filter Fuel Line Kit For Poulan Chainsaw ...

Poulan 2075 Gas Saw Type 1 Parts Diagrams - Jacks Small Engines Poulan 2075 Gas Saw Type 1 Parts Diagrams Carburetor Assembly - WT324 - #530069703 Carburetor Assembly (Walbro WT624) P/N 530071620 Engine Assembly Type 1, 2, 3, 4 Handle, Chassis & Bar Assembly Type 1,2,3,4,5 Service Reference JavaScript Disabled - Unable to show Cart

Poulan Craftsman Chainsaw OEM Replacement Carburetor WT-637 ...

Poulan Craftsman Chainsaw OEM Replacement Carburetor WT-637 ...

Poulan 2075C TYPE 3 gas chainsaw manual - Sears Parts Direct Poulan 2075C TYPE 3 gas chainsaw manual Are you looking for information on using the Poulan 2075C TYPE 3 gas chainsaw? This user manual contains important warranty, safety, and product feature information. View the user manual below for more details. Want a copy for yourself? Download or print a free copy of the user manual below.

Poulan P3314 2-Cycle Chainsaw: Replace Primer Bulb, Fuel ...

Poulan P3314 2-Cycle Chainsaw: Replace Primer Bulb, Fuel ...

How to fuel line configuration on a poulan chainsaw - YouTube How to fuel line configuration on a poulan chainsaw - YouTube Also the same as the 2150 2250 2050 2075 and more Also the same as the 2150 2250 2050 2075 and more AboutPressCopyrightContact...

Poulan Pro 18 in. 42cc Gas Chainsaw 967185105 - The Home Depot

Poulan Pro 18 in. 42cc Gas Chainsaw 967185105 - The Home Depot

TOPEMAI PP5020AV Carburetor with 575296301 Air Filter for ...

TOPEMAI PP5020AV Carburetor with 575296301 Air Filter for ...

Patio, Lawn & Garden Replacement Parts & Accessories Pack of ...

Patio, Lawn & Garden Replacement Parts & Accessories Pack of ...

Poulan Pro 210,230,221,260,2550, Chainsaw Primer Bulb Fuel Pump & Fuel Line  | eBay

Poulan Pro 210,230,221,260,2550, Chainsaw Primer Bulb Fuel Pump & Fuel Line | eBay

Poulan 2075 Fuel Line Routing | have a poulan wood shark ...

Poulan 2075 Fuel Line Routing | have a poulan wood shark ...

Carburetor for Poulan 220, 221, 260, 2250, 2450, 2550, 2555 ...

Carburetor for Poulan 220, 221, 260, 2250, 2450, 2550, 2555 ...

2075 TYPE 1, 2, 3, 4 Poulan Chainsaw Parts & Free Repair Help ...

2075 TYPE 1, 2, 3, 4 Poulan Chainsaw Parts & Free Repair Help ...

Carburetor Primer Bulb For Poulan Craftsman Sears Zama ...

Carburetor Primer Bulb For Poulan Craftsman Sears Zama ...

2075 TYPE 1, 2, 3, 4 Poulan Chainsaw Parts & Free Repair Help ...

2075 TYPE 1, 2, 3, 4 Poulan Chainsaw Parts & Free Repair Help ...

Buy Hipa Primer Bulb Pump with Air Filter Fuel Filter Fuel ...

Buy Hipa Primer Bulb Pump with Air Filter Fuel Filter Fuel ...

Hayskill Ms290 Carburador Con 0000 400 1300 Bobina De Encend ...

Hayskill Ms290 Carburador Con 0000 400 1300 Bobina De Encend ...

How to Determine the Right Replacement Chainsaw Chain Size ...

How to Determine the Right Replacement Chainsaw Chain Size ...

SOLVED: Fuel line diagram for a poulan 4218avx - Fixya

SOLVED: Fuel line diagram for a poulan 4218avx - Fixya

Poulan | Chainsawr

Poulan | Chainsawr

Poulan & Craftsman Chainsaw fuel lines

Poulan & Craftsman Chainsaw fuel lines

SOLVED: Need a diagram of fuel line routing - Fixya

SOLVED: Need a diagram of fuel line routing - Fixya

Cutter's Choice Canada - Chainsaw Parts

Cutter's Choice Canada - Chainsaw Parts

Poulan P3314 2-Cycle Chainsaw: Replace Primer Bulb, Fuel ...

Poulan P3314 2-Cycle Chainsaw: Replace Primer Bulb, Fuel ...

Why Does My Chainsaw Bogs Down When I Give it Gas? 5 Causes

Why Does My Chainsaw Bogs Down When I Give it Gas? 5 Causes

Poulan 2150 Discount Compare, 53% OFF | lamphitrite-palace.com

Poulan 2150 Discount Compare, 53% OFF | lamphitrite-palace.com

Proline® Ignition Coil For Poulan Pro Craftsman Husqvarna ...

Proline® Ignition Coil For Poulan Pro Craftsman Husqvarna ...

0 Response to "39 poulan 2075 chainsaw fuel line diagram"

Post a Comment

Iklan Atas Artikel

Iklan Tengah Artikel 1

Iklan Tengah Artikel 2

Iklan Bawah Artikel