42 stihl ms660 parts diagram

Stihl MS 650 Chainsaw (MS650) Parts Diagram - DIY Spare Parts All parts that fit a MS 650 Chainsaw Pages in this diagram AV system Carburetor WJ69A Chain sprocket cover Clutch Crankcase Cylinder Handlebar Ignition system Oil pump Rewind starter Shroud Tank housing Throttle control Tools MS660 Chainsaw Parts | Stihl Petrol Chainsaw Parts (MS) | Stihl Petrol ... Stihl Parts Diagrams; Stihl Chainsaw Parts; Stihl Petrol Chainsaw Parts (0/ MS) Stihl Petrol Chainsaw Parts (MS) MS660 Chainsaw Parts; Back. MS660 Chainsaw Parts. Shop by diagram. ... Genuine Stihl MS660 / V - Miscellaneous lubricants and greases Genuine Stihl MS660 / W - Cleaning products. See 16 more diagrams See 15 more diagrams. All products.

Stihl MS660 Chainsaw Parts - L&S Engineers Genuine Spare Parts and Accessories for Stihl MS660 Chainsaw. Complete Parts Diagram Breakdown Available. UK's Largest Stihl Spare Parts Dealer. Shop by diagram All products 1-48 of 376 Items Genuine NGK BPMR7A Spark Plug - 4626 - Sold Individually £2.06 £1.72 Spline Screw M5 x 20 for Stihl TS410, TS420 Disc Cutters - OEM No. 9022 371 1020

Stihl ms660 parts diagram

Stihl ms660 parts diagram

42 inch Tri Link Bar and E&S SKIP Chain, STIHL 056, 064, MS650, MS660 ... Replace any damaged parts. Installing the filter element.STIHL – The Number One Selling Brand of Chainsaws | STIHL USAitem 7 for stihl chainsaw 064 066 air filter cover decal # 0000 967 4905 --- up 654 for stihl chainsaw 064 066 air filter cover decal # 0000 967 4905 --- up 654. au $10.41 +au $30.35 …STIHL 064 AIR FILTER CONVERSION KIT. Larger Photo. Our Price: … Stihl MS 250 Parts List Manual - Chainsaw Workshop Manual - CWM Repair and identify all chainsaw parts for the MS250 with this manual. The manual contains diagrams and accurate information as used by professional mechanics and repair shops to troubleshoot and repair the chainsaw. The Stihl MS 250 first appeared in 2002 though it was based on the earlier Stihl 025. The Stihl 025 was introduced in 1993 and is ... Stihl MS 660 Magnum Chainsaw Parts - Suitable Replacement - Lil' Red Barn Stihl MS 660 Magnum Chainsaw Parts - Suitable Replacement Here at Lil' Red Barn, we offer high quality aftermarket suitable replacement Stihl MS 660 Magnum chainsaw parts. While most local retailers will have to order your parts then wait for delivery, we have our parts in stock and ready to ship when you place an order with us.

Stihl ms660 parts diagram. Stihl Parts diagrams - Sawzilla Parts ☎ Call Us U.S.A 1-888-417-6099 Canada 587-288-1909. My Account; Gift Certificates; Wish Lists; Sign in or Create an account scored piston chainsaw Stihl MS 180 Chainsaw (MS180C-B D) Parts Diagram, Cylinder Look at the diagram and find parts that fit a Stihl MS 180 Chainsaw, or refer to the list below. ... 1130 020 1208 - Stihl Cylinder And Piston 38mm: £83.02: To Basket: 4: 1130 030 2004 - Stihl Piston 38mm: £59.41: To Basket: 5: 1130 034 3002 - Stihl Piston Ring 38x1.2mm: £6.01:. Scores. Stihl MS 460 Chainsaw (MS460 Magnum) Parts Diagram - DIY Spare Parts All parts that fit a MS 460 Chainsaw Pages in this diagram Crankcase - Crankshaft Cylinder Muffler Oil pump - Clutch Chain brake - Chain sprkt cover Ignition system Wiring harness Rewind starter Tank housing AV system Carburetor HD-14A-HD-16-HD-24A Shroud - Air filter Handlebar - Heating element Tools - Extras Conv.kit rescue saw not for USA STIHL 066 and MS 660 Chainsaw Parts Quick Reference Guides STIHL 066 and MS 660 Chainsaw Parts Quick Reference Guides REF. PART NO. DESCRIPTION REPLACES 1 605-672 Air Filter Combo STIHL 0000 140 4402 2 615-305 Carburetor STIHL 1122 120 0621 3 090-3667 Silver Streak Chain Loop Semi-Chisel 3/8" Pitch, .050 Gauge, 66 DL 4 090-3727 Silver Streak Chain Loop Semi-Chisel 3/8" Pitch, .050 Gauge, 72 DL 5 090-3847

View More Replacement Parts, 3/8″ Rim Sprocket Kit for Stihl … Add to Cart. 20% OFF RRP $10.94. …6 Products Found. Search for Stihl Parts. Stihl MS660 Parts available online from LawnMowerPros. We carry a large selection of aftermarket Stihl MS660 Chain Saw Parts. Our online catalog has a large selection of Stihl MS660 Chain Saw Parts ready to ship to your door. STENS 079-2057 20" Laminate Sprocket Nose Bar. Stihl MS 360 Chainsaw (MS360) Parts Diagram - DIY Spare Parts Select a page from the Stihl MS 360 Chainsaw diagram to view the parts list and exploded view diagram. All parts that fit a MS 360 Chainsaw Pages in this diagram Crankcase Cylinder Muffler Oil pump - Chain tensioner kit Chain brake - Clutch Ignition system Rewind starter Tank housing - AV-System Air filter - Throttle control stihl ms660 parts diagram Stihl MS 660 Chainsaw (MS660 Magnum BR) Parts Diagram, Cylinder . stihl ms660 chainsaw. Stihl 028 Av Parts Diagram - Wiring Site Resource wiringdatabaseinfo.blogspot.com. parts stihl diagram 028 av chainsaw list ms240 catalog wiring spare ms290 nl calendar. Buy A Stihl MS440 Spare Part Or Replacement Part For Your Chainsaw And Stihl MS170 Parts Diagrams and Manuals | L&S Engineers Stihl MS170 Parts Diagrams & Manuals . Laura Published on Nov 15, 2019. Facebook. View Comments. This section contains useful resources for Stihl's popular MS170 entry level chainsaw. The MS170 is perfect for cutting firewood and for general garden chainsaw tasks. Well suited to domestic users, the MS 170 has been fitted with the STIHL anti ...

Stihl MS 660 Chainsaw (MS660 Magnum) Parts Diagram, Throttle control Diagrams MS660 Magnum Throttle control Stihl MS 660 Chainsaw (MS660 Magnum) Parts Diagram, Throttle control Look at the diagram and find parts that fit a Stihl MS 660 Chainsaw, or refer to the list below. All parts that fit a MS 660 Chainsaw Select Page Stihl MS 661 CHAINSAW (MS 661) Parts Diagram - DIY Spare Parts Stihl MS 661 CHAINSAW (MS 661) Parts Diagram Select a page from the Stihl MS 661 CHAINSAW diagram to view the parts list and exploded view diagram. All parts that fit a MS 661 CHAINSAW Pages in this diagram MS661-A CRANKCASE MS661-C SPROCKET COVER MS661-D CYLINDER MS661-E CLUTCH MS661-F CHAIN BRAKE MS661-G IGNITION MS661-H STARTER MS661-J TANK Stihl MS-660 Chainsaw Rebuild Kits | CHAINSAW.PARTS - Donuts The Stihl MS-660 Chainsaw Rebuild Kits is ideal to restore your portable power tool. Order yours now with FREE SHIPPING included at an excellent price. ... CHAINSAW.PARTS. Stihl MS-660 Chainsaw Engine Kit with Bearings and Needle Bearing. MSRP: $180.03 $164.89. Stihl MS-660 Chainsaw Engine Kit with Bearings and Needle Bearing Our Stihl MS-660 ... Stihl MS660 066 Chainsaw Parts - Farmertec US STOCK - Crankshaft Grooved Ball Bearing Oil Seal Cylinder Muffler Gasket Clutch Drum Chain Sprocket With Rim Needle Cage Combo For MS660 066 Chainsaw 2-4 Days Delivery Time Fast Shipping For US Customers Only US$ 59.00 Free Shipping 1 2 3 4 ... 10 If you need replacement aftermarket parts for your ST MS660 066 MS660 066 below.

Maintenance Bar Stud Nut Bolts Replacement For Stihl Chainsaw Parts Tool  Accessories MS650 MS660 Kit Inner side plate

Maintenance Bar Stud Nut Bolts Replacement For Stihl Chainsaw Parts Tool Accessories MS650 MS660 Kit Inner side plate

PDF Stihl Chainsaw Parts | Husqvarna Chainsaw Parts | Sawzilla Parts Stihl Chainsaw Parts | Husqvarna Chainsaw Parts | Sawzilla Parts

all Honda Power Equipment Parts Fiche | Eichner Sales ...

all Honda Power Equipment Parts Fiche | Eichner Sales ...

Unbanked American households hit record low numbers in 2021 Oct 25, 2022 · Those who have a checking or savings account, but also use financial alternatives like check cashing services are considered underbanked. The underbanked represented 14% of U.S. households, or 18. ...

Stihl MS 660 Chainsaw (MS660) Parts Diagram, Rewind starter

Stihl MS 660 Chainsaw (MS660) Parts Diagram, Rewind starter

Stihl MS 660 Parts List Manual - Chainsaw Workshop Manual - CWM Stihl MS 660 Parts List diagrams and schematics help with finding spare parts. May be used as a guide for other models as they may share key components such as motors. Stihl MS 660 Parts List Specifications Replace carb with Walbro Carburetor Models: WJ-67 (MS660, MS660W and MS660 Magnum) WJ-69 (MS660 Arctic and MS660 Magnum R)

MS 660 - Very powerful, extremely fast-cutting professional ...

MS 660 - Very powerful, extremely fast-cutting professional ...

STIHL Genuine STIHL Parts | STIHL Products | STIHL USA Parts Genuine STIHL Parts Genuine STIHL parts, service manuals and Illustrated Parts Lists are released exclusively to authorized dealers, technicians and distributors of our products. This ensures our authorized full-line servicing STIHL Dealers are best able to service your STIHL equipment.

Maintenance Bar Stud Nut Bolts Set Replacement For Stihl ...

Maintenance Bar Stud Nut Bolts Set Replacement For Stihl ...

Stihl Bg 55 Parts List PdfStihl Complete Starter BG50. Fits BR45, BR45C backpack blowers. Stihl bg 55 parts manual. Stihl BG 85 Blower (BG85C) Parts Diagram Look at the diagram and find parts that fit a Stihl BG 85 Blower, or refer to the list below. Stihl bg 55 parts list besides maquinariadejardin blogspot in addition stihl sh 85 parts diagram together. Stihl Bg55 Leaf Blower Parts Diagram - I ...

Higoodz Carburetor For Stihl,Garden Tool Chainsaw Die-Casting ...

Higoodz Carburetor For Stihl,Garden Tool Chainsaw Die-Casting ...

Stihl MS 660 Review, Specifications and Problems - Stihl MS The MS 660 has a 63.5 cc engine that produces 5.2 horsepower. It can hold up to a 50-centimeter bar, making it ideal for felling large trees. This saw is built for durability, with an all-metal body and a thick chainsaw chain that can stand up to heavy use. It also has an automatic oiler that keeps the chain lubricated as you work.

MS201 TC-E Chainsaw Parts | Stihl Petrol Chainsaw Parts (MS ...

MS201 TC-E Chainsaw Parts | Stihl Petrol Chainsaw Parts (MS ...

Governor Newsom Signs Sweeping Climate Measures, Ushering … Sep 16, 2022 · New California laws will create 4 million jobs, reduce the state’s oil use by 91%, cut air pollution by 60%, protect communities from oil drilling, and accelerate the state’s transition to clean…

Workshop Spare Parts List for Stihl MS 171 - 0452 533 1323 ...

Workshop Spare Parts List for Stihl MS 171 - 0452 533 1323 ...

stihl ms660 parts diagram stihl ms660 parts diagram. Stihl diagram parts chainsaw ms ms660 magnum handlebar diyspareparts wj carburetor. Air filter ms 200 t assembly for stihl ms200t chainsaws. Stihl ms193t chainsaw chainsaws. stihl ms660 parts diagram. Chain sprocket cover Assembly for Stihl MS193C Chainsaws | L&S Engineers. 8 Pictures about Chain sprocket cover ...

Honda Engines GX200T QAPW ENGINE, THA, VIN# GCACT-1000001 ...

Honda Engines GX200T QAPW ENGINE, THA, VIN# GCACT-1000001 ...

Stihl MS660 Parts Diagrams and Manuals | L&S Engineers Downloadable Parts Diagram Please log in to your trade account to download Stihl parts diagrams Downloadable Operators Manual Please download the PDF operators manual for the MS660 using the link below. Operators Manual (PDF) Popular Products for the MS660 Genuine NGK BPMR7A Spark Plug - 4626 - Sold Individually Rating: 99% 13 Reviews £2.06 £1.72

Build a chainsaw like Stihl MS660 complete

Build a chainsaw like Stihl MS660 complete

Stihl MS 260 Chainsaw (MS260) Parts Diagram - DIY Spare Parts All parts that fit a MS 260 Chainsaw Pages in this diagram Crankcase Oil Pump Clutch - Chain Sprocket Chain Brake Ignition system Rewind Starter Tank Housing AV System - Handle Bar Air Filter - Throttle Control Carburetor WT-426 Carb WT-427 -WT-581 -WT-590 Shroud - Carburetor Cover Tools - Extras Muffler

Stihl MS 660 Chainsaw (MS660) Parts Diagram, Handlebar ...

Stihl MS 660 Chainsaw (MS660) Parts Diagram, Handlebar ...

Homepage — NextGen Climate Action Committee NextGen PAC’s mission is to empower young progressive voters to engage in elections and ensure our government is responsive to the largest and most diverse generation in American history.

Stihl MS660 066 064 chainsaw clutch drum with rim sprocket ...

Stihl MS660 066 064 chainsaw clutch drum with rim sprocket ...

Stihl BG86 Parts | Stihl BG/BR Leaf Blower Parts | L&S Engineers Stihl BG86 Parts - Stihl Leaf Blower Spares; Back. Stihl BG86 Parts - Stihl Leaf Blower Spares . Genuine and Aftermarket Spares for Stihl BG86 Leaf Blower Spare Parts, Parts in Stock ready for Next Day Delivery. Genuine and Aftermarket Spares for Stihl BG86 Leaf Blower Spare Parts, Parts in Stock ready for Next Day Delivery. Shop by diagram. Carburetor 4241-20 BR …

Ms660 Parts List | PDF | Throttle | Engines

Ms660 Parts List | PDF | Throttle | Engines

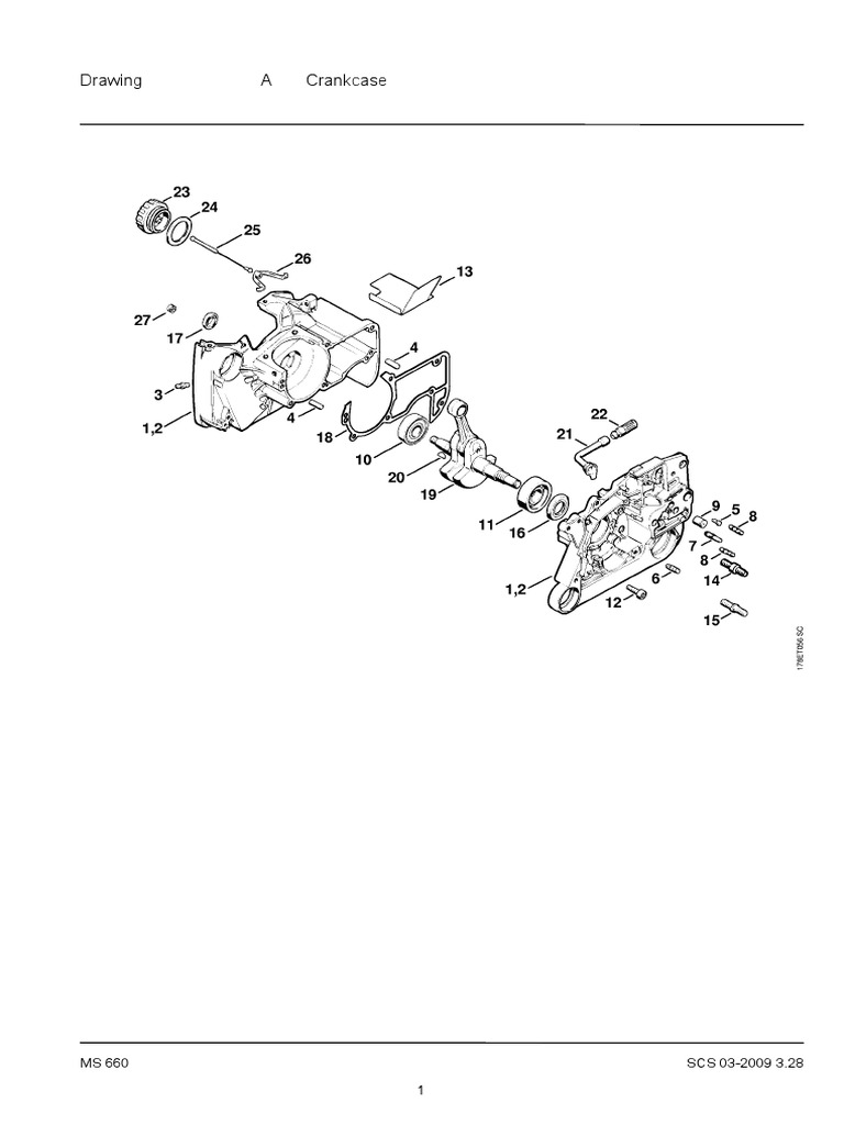
Stihl MS 660 Chainsaw (MS660 Magnum) Parts Diagram, Crankcase Stihl MS 660 Chainsaw (MS660 Magnum) Parts Diagram, Crankcase +44 (0)1747 823039 Contact Us Search Home Parts Stihl Diagrams MS660 Magnum Crankcase Stihl MS 660 Chainsaw (MS660 Magnum) Parts Diagram, Crankcase Look at the diagram and find parts that fit a Stihl MS 660 Chainsaw, or refer to the list below. All parts that fit a MS 660 Chainsaw

Stihl 066, Ms 650, Ms 660 Recoil Starter Assembly New 11220802110

Stihl 066, Ms 650, Ms 660 Recoil Starter Assembly New 11220802110

Anticipated acquisition by Microsoft Corporation of Activision … Page 3 of 76 . several recent entrants into the gaming industry using this disruptive technology, including Amazon Luna, Netflix, Google Stadia, Blacknut, NVIDIA GeForce Now, as

MAC CAT 335, 435, 440., McCulloch Chain Saw Parts List

MAC CAT 335, 435, 440., McCulloch Chain Saw Parts List

Stihl Ms 660 Parts for sale | eBay Carburetor Repair Kit Useful For Stihl 066 051 064 MS660 Chainsaw Engine Parts. $5.69. Was: $6.40.

3/8

3/8"-7 Clutch Drum Rim Sprocket Kit For Stihl MS660 066 064 MS640 MS661 MS 660 640 Chainsaw Replacement Spare Parts

This is a quality aftermarket part that includes the two pawls, one ... This is a quality aftermarket part that includes the two pawls, one clip and one washer. Replaces Stihl chainsaw part numbers 0000-958-0923, 0000 958 0923, 1125 195 7200, 1125-195-7200 and 1128 195 3500. $8.63 $4.95: Stihl 046 Starter Recoil Assembly No. 1128-080-2104 DOP36440ST046 Stihl 046 Starter Recoil Assembly No. 1128-080-2104.

Amazon.com: 044 Gas Tank Tune Up Kit for Compatible with ...

Amazon.com: 044 Gas Tank Tune Up Kit for Compatible with ...

Stihl MS 660 Chainsaw (MS660 Magnum) Parts Diagram - DIY Spare Parts Stihl MS 660 Chainsaw (MS660 Magnum) Parts Diagram Select a page from the Stihl MS 660 Chainsaw diagram to view the parts list and exploded view diagram. All parts that fit a MS 660 Chainsaw . Pages in this diagram. Crankcase. Cylinder. Muffler. Oil pump. Clutch - Chain sprocket. AV system . Chain sprocket cover. Ignition systems. Wiring harness. Rewind starter. …

STIHL 066 | STIHL MS660 | Professional saw

STIHL 066 | STIHL MS660 | Professional saw

Stihl Parts Diagrams | Parts Diagrams | Garden Hire Spares Stihl Parts Diagrams Stihl Chainsaw Parts Stihl Pole Pruner Parts Stihl Disc Cutter Parts Stihl Strimmer & Brushcutter Parts Stihl Backpack Brushcutter Parts (FR) Stihl Hedgetrimmer Parts Stihl Long Reach Hedgetrimmer Parts Stihl Kombi Tool Parts Stihl Blowers Stihl Backpack Blower Parts Stihl Vacuum Shredder Parts Stihl Garden Shredders

Engine | Volkswagen Passat/Variant/Santana 2000 - 2000 Passat ...

Engine | Volkswagen Passat/Variant/Santana 2000 - 2000 Passat ...

Stihl MS 660 Magnum Chainsaw Parts - Suitable Replacement - Lil' Red Barn Stihl MS 660 Magnum Chainsaw Parts - Suitable Replacement Here at Lil' Red Barn, we offer high quality aftermarket suitable replacement Stihl MS 660 Magnum chainsaw parts. While most local retailers will have to order your parts then wait for delivery, we have our parts in stock and ready to ship when you place an order with us.

PDF) Despiece (catalogo de partes) Motosierra STIHL MS660 ...

PDF) Despiece (catalogo de partes) Motosierra STIHL MS660 ...

Stihl MS 250 Parts List Manual - Chainsaw Workshop Manual - CWM Repair and identify all chainsaw parts for the MS250 with this manual. The manual contains diagrams and accurate information as used by professional mechanics and repair shops to troubleshoot and repair the chainsaw. The Stihl MS 250 first appeared in 2002 though it was based on the earlier Stihl 025. The Stihl 025 was introduced in 1993 and is ...

MAXXUM 140) - TRACTOR - TIER 3 LIMITED (1/07-12/13) (10 ...

MAXXUM 140) - TRACTOR - TIER 3 LIMITED (1/07-12/13) (10 ...

42 inch Tri Link Bar and E&S SKIP Chain, STIHL 056, 064, MS650, MS660 ... Replace any damaged parts. Installing the filter element.STIHL – The Number One Selling Brand of Chainsaws | STIHL USAitem 7 for stihl chainsaw 064 066 air filter cover decal # 0000 967 4905 --- up 654 for stihl chainsaw 064 066 air filter cover decal # 0000 967 4905 --- up 654. au $10.41 +au $30.35 …STIHL 064 AIR FILTER CONVERSION KIT. Larger Photo. Our Price: …

Yamaha YN50 2004 1P91 SPAIN 1C1P9-352S1 parts lists and ...

Yamaha YN50 2004 1P91 SPAIN 1C1P9-352S1 parts lists and ...

Stihl MS261C-M – Oil Pump, Clutch | Lawn & turfcare machinery ...

Stihl MS261C-M – Oil Pump, Clutch | Lawn & turfcare machinery ...

Stihl MS661 / MS661C Chainsaw Parts | Stihl Petrol Chainsaw ...

Stihl MS661 / MS661C Chainsaw Parts | Stihl Petrol Chainsaw ...

THE DUKE'S STIHL 064 066 MS660 HOLZFFORMA G660 CLUTCH ...

THE DUKE'S STIHL 064 066 MS660 HOLZFFORMA G660 CLUTCH ...

Stihl MS241C-M – Rewind Starter, Hand Guard | Lawn & turfcare ...

Stihl MS241C-M – Rewind Starter, Hand Guard | Lawn & turfcare ...

MS151 TC-E Chainsaw Parts | Stihl Petrol Chainsaw Parts (MS ...

MS151 TC-E Chainsaw Parts | Stihl Petrol Chainsaw Parts (MS ...

CYLINDER PISTON METEOR FOR STIHL 066 MS660

CYLINDER PISTON METEOR FOR STIHL 066 MS660

3. ELECTRICAL EQUIPMENTS,EXHAUST,HEATER | Honda FREED General ...

3. ELECTRICAL EQUIPMENTS,EXHAUST,HEATER | Honda FREED General ...

Stihl MS660 066 MS650 chainbrake band,lever,tension spring ...

Stihl MS660 066 MS650 chainbrake band,lever,tension spring ...

MS 660 - Very powerful, extremely fast-cutting professional ...

MS 660 - Very powerful, extremely fast-cutting professional ...

Stihl MS660 - Chainsaw Collectors.se

Stihl MS660 - Chainsaw Collectors.se

Proline® Ignition Coil For Poulan Pro Craftsman Husqvarna ...

Proline® Ignition Coil For Poulan Pro Craftsman Husqvarna ...

Stihl 084, 088, Ms 880 Oil Pump Spur Gear with Arm new oem ...

Stihl 084, 088, Ms 880 Oil Pump Spur Gear with Arm new oem ...

Stihl MS241C-M – Rewind Starter, Hand Guard | Lawn & turfcare ...

Stihl MS241C-M – Rewind Starter, Hand Guard | Lawn & turfcare ...

Suitable for Holder - KRAMP

Suitable for Holder - KRAMP

MS 200 T MS200 Stihl Chainsaw Illustrated Parts Diagram List ...

MS 200 T MS200 Stihl Chainsaw Illustrated Parts Diagram List ...

Proline® Fuel Tank Handle For Stihl 066 MS660 1122 350 0817 ...

Proline® Fuel Tank Handle For Stihl 066 MS660 1122 350 0817 ...

STIHL 066 & MS 660 Chainsaw Parts Reference Guides | Power ...

STIHL 066 & MS 660 Chainsaw Parts Reference Guides | Power ...

Mike's Chainsaws & Outdoor Power |Stihl Chainsaw Parts

Mike's Chainsaws & Outdoor Power |Stihl Chainsaw Parts

Зубчатый Упор Stihl для MS 650, MS 660, MS 661 (1122-664-0504 ...

Зубчатый Упор Stihl для MS 650, MS 660, MS 661 (1122-664-0504 ...

Proline® Brake Assembly Kit For Stihl 066 MS660 Chainsaw ...

Proline® Brake Assembly Kit For Stihl 066 MS660 Chainsaw ...

0 Response to "42 stihl ms660 parts diagram"

Post a Comment

Iklan Atas Artikel

Iklan Tengah Artikel 1

Iklan Tengah Artikel 2

Iklan Bawah Artikel