38 yard machine by mtd belt diagram

42 Inch Yard Machine Belt Diagram - Rock Wiring Mtd 42 inch deck belt diagram. Slide the rear mowing deck support rod through the rear deck lift. I Need The Diagram For A Mtd Yardmachine 42 Belt Routing. Yard machines 42 inch belt home; Belt diagram mtd routing drive huskee 42 deck lawn lt4200 tractor need. Scotts riding mower belt diagram 42 inch. Belt Drive Diagram Toro Mower 42. Route a Riding Mower Deck Belt: Diagram & Repair Tips - MTD Parts The above belt diagram for an MTD riding mower is only for a 46" deck belt, if you have a different belt, you may want a different frame of reference. The personalized photo can also help you apply these tips to your particular machine. 2. Loosen the idler pulley rods to remove the old belt, and inspect the new belt for installation.

To replace a Toro drive belt, clean the mower, remove its deck, … How to Put a Bag on an MTD Yard Machine Push Mower 3 Installing a John Deere Clutch L130 You May Also Like.How To Replace Drive Belt On Mtd Yard Machine How To Put A Belt On A John Deere Lawn Mower Husqvarna LTH1842 TO REPLACE MOWER BLADE DRIVE Snapper Lawn Mower Belt Diagram Discount Sale, ExMark lt drive diagram | Lawn Care How to …

Yard machine by mtd belt diagram

Yard machine by mtd belt diagram

MTD Parts | The leader in outdoor power equipment parts. FREE … We will work with you to ensure you receive the correct replacement part for your machine and that you receive credit for your part return.* * Some exclusions apply. Read full returns policy . Live Chat with Experts. Our outdoor power equipment experts are just one click away through Live Chat. Available Mon - Fri 8:30am - 5pm EDT. Phone support also available: 1-800-269 … Mtd Yard Machine 42 Inch Deck Belt Diagram | champion Mtd Yard Machine 46 Inch Deck Belt Diagram Yard Machine 42 Inch Deck Belt Replacement Yard Machine 746 Srl Deck Diagram Yard Machine Riding Lawn Mower Belt Diagram Mtd 42 Inch Deck Belt Diagram Mtd Yardman 46 Inch Deck Belt Diagram Murray 46 Inch Deck Belt Diagram Husqvarna 54 Inch Deck Belt Diagram Gravely 52 Inch Deck Belt Diagram Yardman Riding Mower Belt Diagram You can find the belt diagram for the MTD Yard Machine mower in the MTD Owner Manual. The diagram is on page Repair Parts Home Lawn Equipment Parts Yard Man Parts Yard Man Lawn Tractor Parts Yard Man 13AOH () Lawn Tractor Parts to your cart! Part Number: Proceed to Checkout Continue Shopping Proceed to Checkout.

Yard machine by mtd belt diagram. Route a Riding Mower Deck Belt: Diagram & Repair Tips | MTD Parts The above belt diagram for an MTD riding mower is only for a 46" deck belt, if you have a different belt, you may want a different frame of reference. The personalized photo can also help you apply these tips to your particular machine. 2. Loosen the idler pulley rods to remove the old belt, and inspect the new belt for installation. MTD Yard Machines Parts Lookup by Model - Jacks Small Engines MTD Yard Machines Parts Lookup by Model Contact Us Reason for Request * Subject * Message * Add CC Add BCC Attach a file Full name * Email * Phone Create Ticket After the Sale its the Service that Counts! Help Desk Software by HappyFox Order Status Get Support (open) 1-877-737-2787 Hours of Operation M-F 9AM-6PM ET Sat 9AM-5PM ET Contact Us » Guest Belts | MTD Parts Belts MTD Parts offer a wide selection of belts designed for all your outdoor power equipment needs. Whether you're looking for drive belts for your Snow Blower or deck belts for your Riding Lawn Mower, you'll find them here. Our Part Finder makes it easy to find the parts you need. Shop Riding Mower Belts Shop Garden Tiller Belts Governor Newsom Signs Sweeping Climate Measures, Ushering … Sep 16, 2022 · New California laws will create 4 million jobs, reduce the state’s oil use by 91%, cut air pollution by 60%, protect communities from oil drilling, and accelerate the state’s transition to clean…

MTD Yard Machine Drive belt adjustment. - DoItYourself.com MTD Yard Machine Drive belt adjustment. A friend of mine broke the front drive belt on her MTD Yard Machine Model 136L660F372 Serial 1A256B90009. I replaced the belt tried doing the adjustment as stated in manual. The front drive belt is slipping on the front pulley coming off the engine. I am confused how in the worl are you supposed to adjust ... Yardman 42 Inch Belt Diagram Yardman 42 Inch Belt Diagram. diagramweb.net: MTD Genuine Parts 36/38/Inch Drive Belt and Prior: Lawn Mower Belts Troy-Bilt, MTD, Yard-Man, Huskee, Yard Machines and Bolens units; Contains one belt MTD Replacement Belt 3/8-Inch by Inch. Changing the drive belt on a MTD Yardman riding mower is part of a routine Attach the deck belt to the ... Yardman riding lawn mower belt diagram Changing the drive belt on a mtd yardman riding mower is part of a routine attach the deck belt to the pulleys starting with the pulley on the far right. Dr power 42 inch lawn deck parts diagram for mower deck. This part is made out of rubber a. Variety of mtd riding lawn mower wiring diagram. How to replace a drive belt on an mtd yardman mower. How to replace drive belt in MTD Yard Machine - YouTube How to replace drive belt in MTD Yard Machine - YouTube Follow me on: Follow me on: AboutPressCopyrightContact...

Yard Machine Riding Mower Drive Belt Diagram How To Replace The Deck ... Yard Machine Riding Mower Drive Belt Diagram How To Replace The Deck, free sex galleries troy bilt riding lawn mower belt diagram the garden, how to replace drive belt in mtd yard. XX Photoz Site. Home; Category; Disclaimer; Term of Service; ... MTD YARD MACHINES CUT RIDING MOWER DECK BELT INSTALLATION. Service Mower. Service Mower. Pin On Stan ... MTD Yard Machines Drive Belt Replacement - YouTube MTD Yard Machines Drive Belt Replacement - YouTube 0:00 / 8:46 MTD Yard Machines Drive Belt Replacement 8,724 views Aug 16, 2021 70 Dislike Share Project Nine Oaks 770 subscribers The... Buy yard machines 46 inch riding mower, craftsman riding ... Order Status. Get Support (open) 1-877-737-2787. Hours of …Belt diagram for 46 mtd yard machine riding mower belt diagram for 46 mtd. Therefore, the transmission gets the power means the mower can move. Apr 27, 2015 #7 i need the drive belt diagram for a 26 inch cut yardman with a 20 hp kholer. Deck belt diagram for mtd yard machine 742 Rl - Fixya Deck belt diagram for mtd yard machine 742 Rl 16.5hp model 13an7725000. Posted by Anonymous on Aug 03, 2013.

Yard Machines 13AF560B352 (1997) - PartsWarehouse

Yard Machines 13AF560B352 (1997) - PartsWarehouse

Shop All Riding Lawn Mowers ; Walk Behind Mowers . Push … Mtd model 13ac762f052 drive belt diagram. Mtd Riding Mower Belt Pulley Diagram Time Bizzybeesevents Com. Mtd 13aq608h131 2003 How To Replace The Drive Belts On An Mtd Variable Speed Riding Mower.WebZero-Turn Mowers . Shop Now Zero-Turn Mowers . Shop All Riding Lawn Mowers ; Walk Behind Mowers . Push Mowers . Shop Now Push Mowers . Self …

MTD decks by crigby | Lawn tractor, Lawn mower maintenance ...

MTD decks by crigby | Lawn tractor, Lawn mower maintenance ...

Yard Machines Riding Lawn Mower - Model 13AN601H729 | MTD Parts Find parts and product manuals for your Yard Machines Riding Lawn Mower Model 13AN601H729. Free shipping on parts orders over $45. ... Belts; Blades; Brackets and Stampings; Brakes; Cables; Castings and Housings; Chutes and Deflectors; Electrical; ... SHT:WAR:MTD:YM:WO:WB,RD,TIL,ST Form Number: 770-10770A View Options: PDF Diagrams ...

Amazon.com : 8TEN Engine to Deck Belt for MTD Huskee Yard ...

Amazon.com : 8TEN Engine to Deck Belt for MTD Huskee Yard ...

Mtd Drive Belt Routing Diagram | XX Photoz Site Mtd Drive Belt Routing Diagram, free sex galleries wiring diagram info mtd riding mower drive belt diagram, mtd ae htg parts diagram for, mtd yard machine belt diagram untpikapps XX Photoz Site Home

Page 19 of MTD Lawn Mower 608 User Guide | ManualsOnline.com

Page 19 of MTD Lawn Mower 608 User Guide | ManualsOnline.com

PPIC Statewide Survey: Californians and Their Government 26. Okt. 2022 · Key findings include: Proposition 30 on reducing greenhouse gas emissions has lost ground in the past month, with support among likely voters now falling short of a majority. Democrats hold an overall edge across the state's competitive districts; the outcomes could determine which party controls the US House of Representatives. Four in ten likely voters are …

MTD 754-0349 954-0349 Lawn Mower Drive Deck V Belt ...

MTD 754-0349 954-0349 Lawn Mower Drive Deck V Belt ...

MTD OEM belt replacement for a yard machines 38 inch mowing deck Belt stretched or broken? Save a service call and remove and install the new MTD mower belt with a step by step hands on approach. The belt used in this video is for a MTD Yard...

MTD 13BC762F000 (2015) Parts Diagram for Mower Deck 38-Inch

MTD 13BC762F000 (2015) Parts Diagram for Mower Deck 38-Inch

オーディオ・ビジュアル総合情報サイト - AV Watch オーディオビジュアル総合情報サイト。テレビやオーディオなどの最新ニュースやレビュー、ブルーレイ/dvdの発売情報など

Yard Machines Riding Lawn Mower - Model 13A1762F670 | MTD Parts

Yard Machines Riding Lawn Mower - Model 13A1762F670 | MTD Parts

MTD 13AN771H729 (2007) Deck Assembly 46 Inch Parts Diagram MTD 13AN771H729 (2007) Deck Assembly 46 Inch Parts Diagram .Quick Reference 771H Deck Assembly 46 Inch Drive Engine Accessories Fender Assembly Frame Hood Style 1 and 5 Steering Transmission Asssembly 13AN771H729 (2007) Deck Assembly 46 Inch Your Shopping Cart Total: $0.00 0 Items Qty MFR Part # Description Price Total Subtotal: $0.00

MTD decks by crigby | Riding mowers, Deck, Lawn tractor

MTD decks by crigby | Riding mowers, Deck, Lawn tractor

BitTorrent is a communication protocol for peer-to-peer file ... Craftsman Riding Lawn Mower Steering …mower deck 46 inch mtd diagram parts m200 lawn murray diagrams unable disabled javascript cart [DZ_5624] That All Small Troybilt Lawn Mower Parts Mtd Lawnother stre.rele.mohammedshrine.org. mower diagram lawn riding mtd parts yard belt murray machine toro drawing drive wiring man wheels motoruf ...

Amazon.com : MTD OEM-754-0371A Parts Drive Belt-42-Inch ...

Amazon.com : MTD OEM-754-0371A Parts Drive Belt-42-Inch ...

U.S. appeals court says CFPB funding is unconstitutional - Protocol 20. Okt. 2022 · The 5th Circuit Court of Appeals ruling sets up a major legal battle and could create uncertainty for fintechs.

MTD Genuine Parts 42-in Deck/Drive Belt for Riding Mower ...

MTD Genuine Parts 42-in Deck/Drive Belt for Riding Mower ...

Mtd Yard Machine 46 Inch Deck Belt Diagram | champion Yard Machine Riding Lawn Mower Belt Diagram. Mtd 42 Inch Deck Belt Diagram. Mtd Yardman 46 Inch Deck Belt Diagram. Murray 46 Inch Deck Belt Diagram. Husqvarna 54 Inch Deck Belt Diagram. Gravely 52 Inch Deck Belt Diagram. Mtd 42 Inch Mower Deck Belt Diagram. Exmark 60 Inch Deck Belt Diagram. Mtd Gold 42 Inch Deck Belt Diagram.

MTD Genuine Factory Parts Original Equipment Transmission ...

MTD Genuine Factory Parts Original Equipment Transmission ...

Mtd Variable Speed Pulley Diagram Step Slide the belt back onto the variable speed pulley. Lift the middle sheave slightly so the belt will clear the belt guide and slip the belt onto the variable speed . Nov 07, · The mower wants to go, problem is, the Flat Idler Pulley now comes into contact with the variator (variable speed pulley) THE EXPLODED VIEW FOR THIS MOWER SAYS THE ...

MTD Genuine Factory Parts Original Equipment Deck Drive Belt ...

MTD Genuine Factory Parts Original Equipment Deck Drive Belt ...

Yard Machines 🚜 MTD 638RL Deck Belt Replacement 1 of 2 Tools required: 1) 1/2 in. Ratchet / Socket or wrench 2) 9/16 in. Ratchet / Socket or wrench 3) Replacement belt OEM 754-04062, 954-04062 I purchased the following from Home Depot: Maxpower's...

MTD Deck/Drive Belt for Riding Mower/Tractors (1/2-in W x ...

MTD Deck/Drive Belt for Riding Mower/Tractors (1/2-in W x ...

Manuals & Diagrams - MTD Parts Manuals & Diagrams Towing Capacity - Riding Mower Towing Capacity - Riding Mower 66011 Views • May 6, 2019 • FAQ Engine Service & Support - Technical, Parts, Manuals and Warranty Engine Service & Support - Technical, Parts, Manuals and Warranty 47363 Views • Sep 22, 2017 • FAQ Single & Dual Wheel Drive Options - Snow Thrower ( pre-2004 )

MTD Genuine Parts 36/38/42-Inch Drive Belt 2002 and Prior

MTD Genuine Parts 36/38/42-Inch Drive Belt 2002 and Prior

Shop Yard Machines Parts | MTD Parts Yard Machines original equipment belts are manufactured to equipment specifications so you can attain a precise fit with every belt change. These belts have been designed to combat conditions. Made with durable, high strength materials, they’re designed to be flexible enough to withstand continuous bending around pulleys. Protect your Yard Machines outdoor power product …

MTD 13AM775S000 (2014) Parts Diagram for Mower Deck 42-Inch

MTD 13AM775S000 (2014) Parts Diagram for Mower Deck 42-Inch

Yard Machines Riding Lawn Mower - Model 13RL771H029 | MTD Parts Find parts and product manuals for your Yard Machines Riding Lawn Mower Model 13RL771H029. Free shipping on parts orders over $45. ... Belts; Blades; Brackets and Stampings; Brakes; Cables; Castings and Housings; Chutes and Deflectors; Electrical; ... SHT:WAR:MTD:YM:WO:WB,RD,TIL,ST Form Number: 770-10770A View Options: PDF Diagrams ...

MTD 13AM775S000 (2015) Parts Diagram for Mower Deck 42-Inch

MTD 13AM775S000 (2015) Parts Diagram for Mower Deck 42-Inch

MTD YARD MACHINES 46" CUT RIDING MOWER DECK BELT INSTALLATION ... - YouTube MTD YARD MACHINES 46" CUT RIDING MOWER DECK BELT INSTALLATION / REPLACEMENT - YouTube JEREMY FOUNTAINTHEMOWERMEDIC1MAIL AND BUSINESS INQUIRES...

How to replace the deck belt on an MTD riding mower - YouTube

How to replace the deck belt on an MTD riding mower - YouTube

Crypto Goes to Washington | Time Oct 03, 2022 · The inter-agency pissing match is the subject of endless speculation and argument among crypto people, but it’s important less in its particulars than what it signifies: would-be crypto ...

I need the diagram for a mtd yardmachine 42

I need the diagram for a mtd yardmachine 42" belt routing. I ...

How To Replace Drive Belt On Mtd Yard Machine Riding Mower (Step-By ... Step #1: Preparation For Changing Drive Belt At first, take the lawnmower into a flat surface or your garage for the convenience of the work. Step #2: Cool The Mower Engine Enable the parking mode of the mower and bring out the key from the keyhole. Cool the mower engine before starting the replacement. Step #3: Lower The Mower Deck

MTD Yard Machines Drive Belt Replacement - YouTube

MTD Yard Machines Drive Belt Replacement - YouTube

MTD Parts diagrams and MTD Parts for repair of MTD Lawn Mowers ... 25405 Broadway Ave., Unit 4, Oakwood Village, OH 44146 Email: Sales@M-and-D.com VOICE: Toll Free 866-914-1252 Toll Free FAX: 877-571-4602 ... We carry the complete line of genuine MTD parts for all MTD machines including lawnmowers, snowblowers, trimmers, tractors and more. ... 2002 Lawn Tracto 13AJ608H131 13CF675G062 320 Series Yardbug ...

Yard Machines 31AE664F352 (1998) - PartsWarehouse

Yard Machines 31AE664F352 (1998) - PartsWarehouse

Yardman 42 Inch Deck Belt Diagram We have parts, diagrams, accessories and repair advice to make your tool repairs easy. Yard Man 13AOH () Lawn Tractor Parts . Deck Belt Cover Lh Rod, Shift (38/42" Decks) I have a Yardman mower 7 speed shift on the go when I first start 1,2 and 3 gears work fine, but when it heats up only. MTD 13ANG () Deck Assembly 42 inch Exploded View parts ...

Yard Machines Riding Lawn Mower - Model 13A2775S000 | MTD Parts

Yard Machines Riding Lawn Mower - Model 13A2775S000 | MTD Parts

Anticipated acquisition by Microsoft Corporation of Activision … Page 3 of 76 . several recent entrants into the gaming industry using this disruptive technology, including Amazon Luna, Netflix, Google Stadia, Blacknut, NVIDIA GeForce Now, as

Related image | Yard machine, Mower, Lawn mower

Related image | Yard machine, Mower, Lawn mower

Unbanked American households hit record low numbers in 2021 25. Okt. 2022 · Those who have a checking or savings account, but also use financial alternatives like check cashing services are considered underbanked. The underbanked represented 14% of U.S. households, or 18. ...

I need the diagram for a mtd yardmachine 42

I need the diagram for a mtd yardmachine 42" belt routing. I ...

Yard Machines® - MTD Products Yard Machines® Since 1958 when the first lawn mower rolled off the line, MTD has been designing easy-to-use outdoor power equipment and building a reputation for quality and dependability second to none. Yard Machines® provides the equipment you need to get yard work done.

Yard Machines Lawn Tractor | 13AM675G062 | eReplacementParts.com

Yard Machines Lawn Tractor | 13AM675G062 | eReplacementParts.com

Yardman Riding Mower Belt Diagram You can find the belt diagram for the MTD Yard Machine mower in the MTD Owner Manual. The diagram is on page Repair Parts Home Lawn Equipment Parts Yard Man Parts Yard Man Lawn Tractor Parts Yard Man 13AOH () Lawn Tractor Parts to your cart! Part Number: Proceed to Checkout Continue Shopping Proceed to Checkout.

MTD Genuine Factory Parts Original Equipment Deck Drive Belt ...

MTD Genuine Factory Parts Original Equipment Deck Drive Belt ...

Mtd Yard Machine 42 Inch Deck Belt Diagram | champion Mtd Yard Machine 46 Inch Deck Belt Diagram Yard Machine 42 Inch Deck Belt Replacement Yard Machine 746 Srl Deck Diagram Yard Machine Riding Lawn Mower Belt Diagram Mtd 42 Inch Deck Belt Diagram Mtd Yardman 46 Inch Deck Belt Diagram Murray 46 Inch Deck Belt Diagram Husqvarna 54 Inch Deck Belt Diagram Gravely 52 Inch Deck Belt Diagram

MTD Original Equipment 38-inch Mower Deck Belt 954-04062 ...

MTD Original Equipment 38-inch Mower Deck Belt 954-04062 ...

MTD Parts | The leader in outdoor power equipment parts. FREE … We will work with you to ensure you receive the correct replacement part for your machine and that you receive credit for your part return.* * Some exclusions apply. Read full returns policy . Live Chat with Experts. Our outdoor power equipment experts are just one click away through Live Chat. Available Mon - Fri 8:30am - 5pm EDT. Phone support also available: 1-800-269 …

Yard Machines 31AE640F352 - Yard Machines Snow Thrower (2000 ...

Yard Machines 31AE640F352 - Yard Machines Snow Thrower (2000 ...

Yard Machines 13AH762F752 (2005) - PartsWarehouse

Yard Machines 13AH762F752 (2005) - PartsWarehouse

How to replace drive belt in MTD Yard Machine

How to replace drive belt in MTD Yard Machine

MTD Genuine Factory Parts Original Equipment Deck Drive Belt ...

MTD Genuine Factory Parts Original Equipment Deck Drive Belt ...

Bolens MTD 38

Bolens MTD 38" deck belt replacement

13a0785t055 Best Sale, 54% OFF | www.logistica360.pe

13a0785t055 Best Sale, 54% OFF | www.logistica360.pe

Yard Machines Lawn Tractor | 13AM675G062 | eReplacementParts.com

Yard Machines Lawn Tractor | 13AM675G062 | eReplacementParts.com

MTD 13RL771H029 (2008) Parts Diagram for Deck 46 Inch

MTD 13RL771H029 (2008) Parts Diagram for Deck 46 Inch

Yard Machines Riding Lawn Mower - Model 13AQ608H729 | MTD Parts

Yard Machines Riding Lawn Mower - Model 13AQ608H729 | MTD Parts

DIY: How to Change the Upper Drive Belt on MTD Gold Lawn Mower - Bolens or  Yard Machines

DIY: How to Change the Upper Drive Belt on MTD Gold Lawn Mower - Bolens or Yard Machines

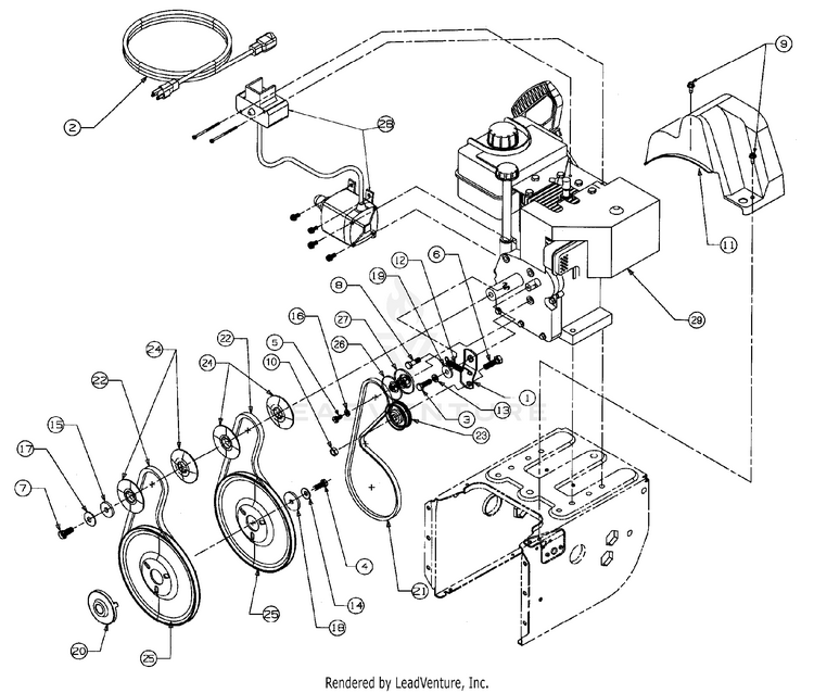
MTD 13AF607G352 (2002) Parts Diagram for Drive, Controls ...

MTD 13AF607G352 (2002) Parts Diagram for Drive, Controls ...

Amazon.com : MTD 954-04122 46-Inch Deck Drive Belt for Riding ...

Amazon.com : MTD 954-04122 46-Inch Deck Drive Belt for Riding ...

0 Response to "38 yard machine by mtd belt diagram"

Post a Comment

Iklan Atas Artikel

Iklan Tengah Artikel 1

Iklan Tengah Artikel 2

Iklan Bawah Artikel