42 john deere x530 parts diagram

ARIMain - WEINGARTZ John Deere PARTS LOOKUP John Deere - X530 Tractor Multi-Terrain Series (47 IN.) Electrical ENGINE (MARKED FH721V) MM14830 ENGINE (MARKED FS730V) MM15849 Engine MM14830 ( - 060000) Engine MM14830 ( - 060000) Engine MM15849 (060001 - ) Engine MM15849 (060001 - ) Front Blade Fuel and Air Labels and Optional Equipment Material Collection Utility Cart John Deere X530 Lawn Tractor Maintenance Guide & Parts List Good news is you can easily service your machine yourself using a John Deere maintenance kit or service kits or by getting the specific John Deere part needed to keep your John Deere mower or tractor running for a long time. These are the parts on your John Deere X530 Lawn Tractor & Parts List that need to be regularly serviced. Commonly Used Parts

John Deere Parts | Parts & Services | John Deere Australia Australian and New Zealand Distribution Centre (ANZDC) The Australian and New Zealand Distribution Centre (ANZDC) is an integral part of John Deere's world-wide parts distribution network and has the primary & essential responsibility to support John Deere's extensive network of Agricultural, Construction, Turf, Forestry and Power Systems dealers across Australia and New Zealand, 24 hours ...

John deere x530 parts diagram

John deere x530 parts diagram

John Deere X500 X520 X530 X534 X540 Tractor Mower Technical Service ... This John Deere TM-2309 Technical Service Manual offers detailed servicing instructions for the John Deere X500 X520 X530 X534 X540 Lawn and Garden Tractor and mower. GENERAL INFORMATION Safety General Specifications Cap Screw Torque Tune-Up Fuel and Lubrication Serial Numbers ENGINE Remove and Install Muffler Fuel and Air System X530 Owner Information | Parts & Service - John Deere CA For example the operator's manual, parts diagram, reference guides, ... X530 Lawn Tractor: Owner Information ... Closeup of a John Deere lawn mower ... John Deere X595 Parts Diagrams - Jacks Small Engines Parts Lookup - Enter a part number or partial description to search for parts within this model. There are (19) parts used by this model. Found on Diagram: Belts 30192791 BELT 5/8" by 111 3/4" Double V belt $35.95 Add to Cart 30192802 BELT 5/8" by 119 3/8" Double V belt $38.46 Add to Cart 30192816 BELT 5/8" by 129 1/4" Double V Belt $41.30

John deere x530 parts diagram. John Deere X530 garden tractor: review and specs - Tractor Specs The John Deere X530 tractor is equipped with the Kanzaki K72A hydrostatic transmission (infinite forward and reverse), wet disk brakes, foot-activated differential lock, and hydraulic power steering. John Deere Parts Catalog Find parts & diagrams for your John Deere equipment. Search our parts catalog, order parts online or contact your John Deere dealer. Please note that this is a test site which cannot be used to order parts. To order parts please use partscatalog.deere.com. Purchase from ... 54 mower deck parts for X530 - GreenPartStore John Deere Complete 54X Edge Extra Mower Deck Assembly - SKU24196. (1) $1,650.00. Add to Cart. John Deere Discharge Chute - TCA16388. (11) $111.40. Add to Cart. John Deere Drive Belt Tightener Spring - M155068. John Deere Parts | Parts & Services | John Deere US Remanufactured Parts & Components All Makes Parts Maintenance Parts Oil, Filters, Grease and Coolants Protect your most valuable assets with Genuine John Deere oil, filters, grease, and coolants that give you the John Deere quality & standards that you expect. Check out our suggested Oil Change, Filter & Service Intervals Batteries

John Deere X530 Garden Tractor Parts - Mutton Power John Deere X530 Garden Tractor Parts John Deere X530 Riding Mower Parts including mower blades, deck belt, oil and air filter along with Parts Look-up Diagrams/Schematics Close Home JOHN DEERE TRACTORS JOHN DEERE TRACTORSSub-Compact TractorsJohn Deere 1023EJohn Deere 1025RCompact Utility TractorsUtility TractorsJohn Deere Buying Guide John Deere Parts Catalog Find your genuine John Deere OEM parts here. John Deere parts lookup tool and diagram is an incredible online source. It is a complete catalog that shows you detailed parts diagrams of every part of your machine. This online parts catalog is robust and easy to use. Searching for your John Deere parts online has never been easier. John Deere X500 Select Series Mower Parts - ShopGreenDealer John Deere Lawn Mower Parts; John Deere X500 Select Series; John Deere X500 Select Series. Products [67] ... Original Tractor Cab Hard Top Cab Enclosure X500 X520 X530 X534 X540 (9) Add To Cart. Quick View. John Deere Snow Blade Runners (4) $47.04. Add To Cart. Quick View. John Deere 48 inch and 54 inch Spindle Bearing Kit Fits Many Decks (3) John Deere - X530 Tractor Multi-Terrain Series (47 IN.) John Deere PARTS LOOKUP John Deere - X530 Tractor Multi-Terrain Series (47 IN.) Electrical ENGINE (MARKED FH721V) MM14830 ENGINE (MARKED FS730V) MM15849 Engine MM14830 ( - 060000) Engine MM14830 ( - 060000) Engine MM15849 (060001 - ) Engine MM15849 (060001 - ) Front Blade Fuel and Air Labels and Optional Equipment Material Collection Utility Cart

John Deere Parts Lookup -X530 Tractor Multi-Terrain Series W John Deere Parts Lookup -John Deere-X530 Tractor Multi-Terrain Series W/ 54-IN Mower Deck -PC10373. John Deere X530 54" Garden Tractor Parts & Accessories - Mutton Power (X530) Quick Specs: Manufacturer: John Deere Engine Brand: Kawasaki Engine Power: 24 HP Fuel Capacity: 4.4 Drive System: Hydrostatic Drive Transmission: Hydro-Gear Drive Wheels: Rear Wheel Drive Cutting Width: 54" John Deere X530 Garden Tractor (54") Price: $6,999.00 Discontinued Product Replaced by: John Deere X580 Shipping Estimator 888-284-9606 John Deere 530 Parts - Yesterday's Tractors JD 530 - Sheet Metal / Body Parts (12) Bumpers, battery boxes and trays, grills, fenders, hoods and hood panels, frame rails, dash cowling and covers, tool boxes, nose caps, running boards, side sheids and more plus associated brackets, bolts and other necessary pieces. JD 530 - Steering (18) Axles, axle pins and bushings. John Deere X540 Parts Diagrams - Jacks Small Engines Parts Lookup - Enter a part number or partial description to search for parts within this model. There are (6) parts used by this model. Found on Diagram: Belts 30192859 BELT 5/8" by 190 3/8" $43.02 Add to Cart Found on Diagram: Electrical Components 14006000 SPARK PLUG $3.08 Add to Cart Found on Diagram: Filters FF1614 FUEL FILTER

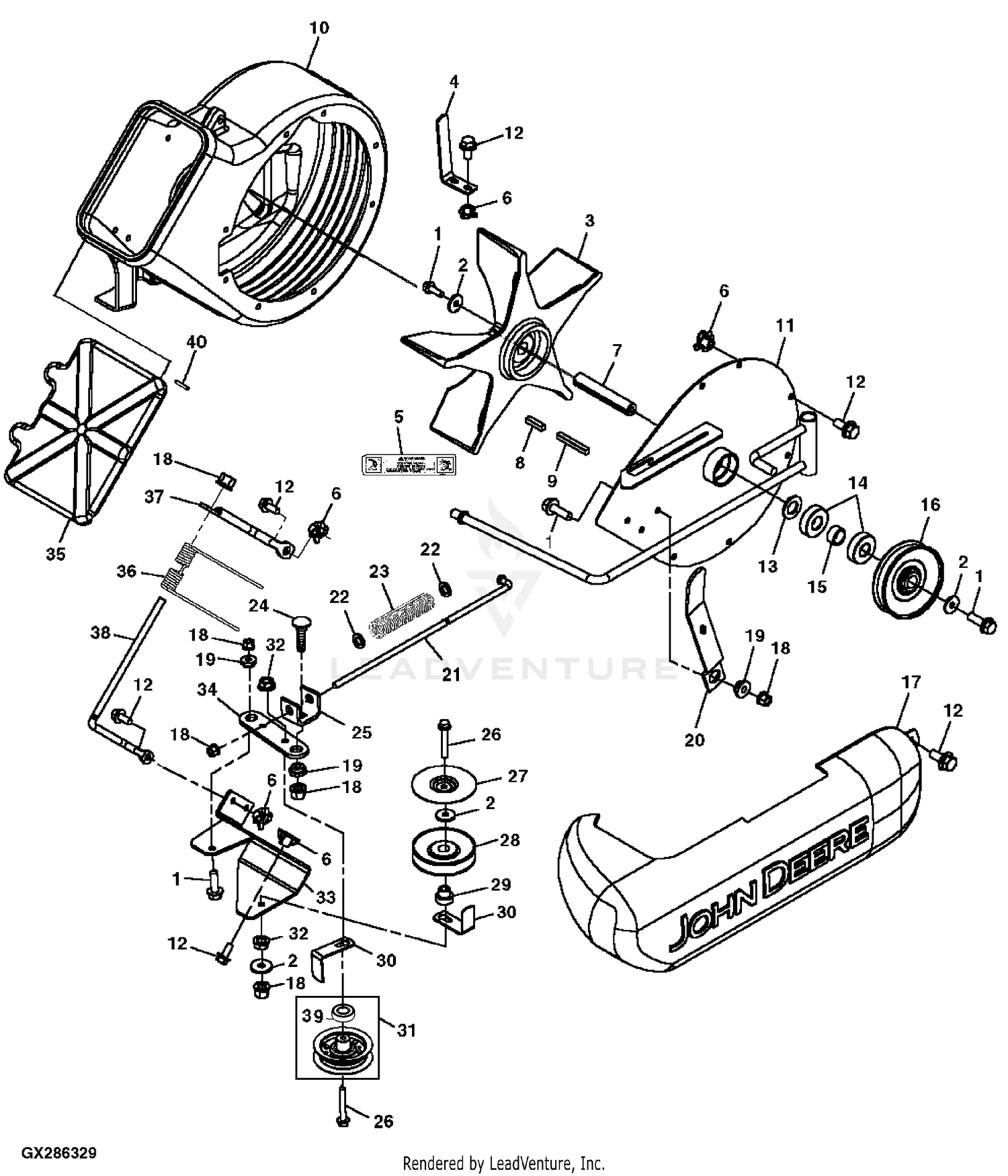
John Deere X530 Tractor Multi-Terrain Series 47 Snowblower ...

John Deere X530 Tractor Multi-Terrain Series 47 Snowblower ...

47-in. (119-cm) Blower Multi-Terrain - John Deere Front hitch Front hitch The snow blower slips over and locks onto the front hitch with attached snap pins: Fast and easy installation with no tools or loose parts Hitch provided with the snow blower Optional bumper or brush guard can remain on the tractor with snow blower installed Heavy-duty drive

What a piece of junk. Deere x530 - General Chat - Red Power ...

What a piece of junk. Deere x530 - General Chat - Red Power ...

John Deere Parts Catalog Find parts & diagrams for your John Deere equipment. Search our parts catalog, order parts online or contact your John Deere dealer. Equipment Finance Parts & Service . menu. Back. Equipment ; Finance ; Parts & Service ; Purchase from. Select Your Dealer Shows pricing and availability. add. searchNew Parts Search . help_outline. settings. 0.

John Deere Manual Blade Angling Kit - BM23448

John Deere Manual Blade Angling Kit - BM23448

X530 Owner Information | Parts & Service | John Deere US x530 X530 Lawn Tractor: Owner Information Whether you're a long time owner or just starting out, you'll find everything you need to safely optimize, maintain and upgrade your machine here. Operator's Manual Parts Diagram Maintenance Parts Safety and How-To Understand your Warranty Terms

John Deere X500/X520/X530/X534/X540 Select Series Tractors ...

John Deere X500/X520/X530/X534/X540 Select Series Tractors ...

TractorData.com John Deere X530 tractor information Engine Transmission Dimensions Photos Attachments John Deere X530 Engine 25HP Kawasaki 675cc 2-cyl gasoline Engine details ... Photos John Deere X530 photos... John Deere X530 attachments 54" mid-mount mower deck Attachment details ... ©2000-2019 - TractorData™. Notice: Every attempt is made to ensure the data listed is accurate.

My deere x530 riding mower suddenly quit and wont start now ...

My deere x530 riding mower suddenly quit and wont start now ...

John Deere Model X530 Mower Deck and Accessories - ShopGreenDealer John Deere 48C Deck Mulching Kit Fits Many 48C Decks. (19) $203.30. Add To Cart.

ZX470-5G ARM 3.9m Hitachi HOP online

ZX470-5G ARM 3.9m Hitachi HOP online

John Deere Original Equipment Handle #M165480 - Amazon.com This item: John Deere Original Equipment Handle #M165480. $16.55. In Stock. Ships from and sold by Hartville Hardware. Get it Dec 9 - 13. John Deere Genuine OEM Home Maintenance Kit X 520 540 Multi Terrain Tractor LG257. $102.49. Only 5 left in stock - order soon. Ships from and sold by Quality Equipment of North Carolina.

TM2309 - John Deere X500, X520, X530, X534, X540 Select ...

TM2309 - John Deere X500, X520, X530, X534, X540 Select ...

Tuff Torq Spares & Genuine Tuff Torq Parts | DIY Spare Parts Find genuine Tuff Torq parts. Use our interactive diagrams to easily find the correct part that fits your machine. +44 (0)1747 823039. Categories; Brands; Diagrams; Contact Us; Info . About Us; Advice; Help; ... parts and accessories, look no further. We have a huge range available. If you don't know the manufacturer's part number, don't ...

2019 Yamaha TRACER 900 GT (MTT9GTKB) Fuel Tank | Babbitts ...

2019 Yamaha TRACER 900 GT (MTT9GTKB) Fuel Tank | Babbitts ...

John Deere X500 X520 X530 X534 X540 Repair Manual Description: John Deere X500 X520 X530 X534 X540 Select Series Repair Manual Factory Service Repair Manual TM2309 For John Deere X500s Multi-Terrain. Tons of illustrations, instructions, diagrams for step by step remove and install, assembly and disassembly, service, maintenance, inspection, repair, troubleshooting, tune-ups.

John Deere X530 54

John Deere X530 54" Garden Tractor Parts & Accessories

John Deere Model X530 Lawn and Garden Tractor Parts John Deere Products John Deere Lawn and Garden Tractor Parts Model X530 Model X530 The 13 or 16-digit product identification number (serial number) (A) is located on right side of frame. The engine identification number (B) is located on the engine housing. Click here for 54 mower deck parts for X530 Click here for 2 Bag Rear Bagger Parts for X530

John Deere X530 Lawn Tractor Maintenance Guide & Parts List

John Deere X530 Lawn Tractor Maintenance Guide & Parts List

John Deere Manual | Service,and technical Manuals PDF JOHN DEERE 655 755 855 955 756 856 COMPACT UTILITY TRACTOR Repair Manual.pdf. John Deere 8100_8200_8300_8400 Tractors Workshop Manual.pdf. John Deere F510 and F525 Residential Front Mowers Repair Manual.pdf. John Deere K Series Air-Cooled Engines Workshop Manual.pdf. John Deere 4420 Service Manual.pdf.

GENUINE JOHN DEERE 54C Deck Primary Belt M154897 X530 X540 ...

GENUINE JOHN DEERE 54C Deck Primary Belt M154897 X530 X540 ...

Weather enclosure for X300 and X500 Multi-Terrain Tractors - John Deere Contact your local John Deere dealer for availability and pricing information. Weather enclosure. Discontinued - LP36740 Weather Enclosure - Select Series™ X300, X304, X310, X320, X324, X340, and X360 Tractors ... X520, X530, X534, X540, X570, X580, X584, and X590 Multi-Terrain Tractors : Code Attachment Description : LP36740: Discontinued ...

X530 - 54-in. Mower Deck

X530 - 54-in. Mower Deck

John Deere X595 Parts Diagrams - Jacks Small Engines Parts Lookup - Enter a part number or partial description to search for parts within this model. There are (19) parts used by this model. Found on Diagram: Belts 30192791 BELT 5/8" by 111 3/4" Double V belt $35.95 Add to Cart 30192802 BELT 5/8" by 119 3/8" Double V belt $38.46 Add to Cart 30192816 BELT 5/8" by 129 1/4" Double V Belt $41.30

TM2309 - John Deere X500, X520, X530, X534, X540 Select ...

TM2309 - John Deere X500, X520, X530, X534, X540 Select ...

X530 Owner Information | Parts & Service - John Deere CA For example the operator's manual, parts diagram, reference guides, ... X530 Lawn Tractor: Owner Information ... Closeup of a John Deere lawn mower ...

John Deere X595 - Page 3 of 5 - Emmetts Shop

John Deere X595 - Page 3 of 5 - Emmetts Shop

John Deere X500 X520 X530 X534 X540 Tractor Mower Technical Service ... This John Deere TM-2309 Technical Service Manual offers detailed servicing instructions for the John Deere X500 X520 X530 X534 X540 Lawn and Garden Tractor and mower. GENERAL INFORMATION Safety General Specifications Cap Screw Torque Tune-Up Fuel and Lubrication Serial Numbers ENGINE Remove and Install Muffler Fuel and Air System

Z345M ZTrak™ Mower with 42-in. Deck - New John Deere Zero ...

Z345M ZTrak™ Mower with 42-in. Deck - New John Deere Zero ...

ECOTRIC Lawn Mower Front Upper Tractor Hood Grille Fits John Deere X300  X300R X304 X305R X310 X320 X324 X340 X360 X500 X530 534 Replacement for ...

ECOTRIC Lawn Mower Front Upper Tractor Hood Grille Fits John Deere X300 X300R X304 X305R X310 X320 X324 X340 X360 X500 X530 534 Replacement for ...

Kawasaki Motorcycle 1980 OEM Parts Diagram for MUFFLER ('78 ...

Kawasaki Motorcycle 1980 OEM Parts Diagram for MUFFLER ('78 ...

John Deere X530 Tractor Multi-Terrain Series 30-IN Mechanical ...

John Deere X530 Tractor Multi-Terrain Series 30-IN Mechanical ...

John Deere X530 Tractor Multi-Terrain Series W/ 54-IN Mower ...

John Deere X530 Tractor Multi-Terrain Series W/ 54-IN Mower ...

John Deere X530 Tractor Multi-Terrain Series 30-IN Mechanical ...

John Deere X530 Tractor Multi-Terrain Series 30-IN Mechanical ...

John Deere Snowblower Discharge Chute - AM144994

John Deere Snowblower Discharge Chute - AM144994

John Deere X530 Tractor Multi-Terrain Series 47 Snowblower ...

John Deere X530 Tractor Multi-Terrain Series 47 Snowblower ...

John Deere X500 X520 X530 X534 X540 Select Series Technical ...

John Deere X500 X520 X530 X534 X540 Select Series Technical ...

John Deere Select Series X500 X520 X530 X534 X540 Diagnostic ...

John Deere Select Series X500 X520 X530 X534 X540 Diagnostic ...

John Deere Front Bumper Lawn Tractor X500 X520 X530 X534 X540 ...

John Deere Front Bumper Lawn Tractor X500 X520 X530 X534 X540 ...

8TEN Deck Spindle Assembly for John Deere X520 X500 X530 LT133 LT155 LT166  AM124498 AM131680 AM135349 AM144377 3 Pack

8TEN Deck Spindle Assembly for John Deere X520 X500 X530 LT133 LT155 LT166 AM124498 AM131680 AM135349 AM144377 3 Pack

John Deere X530 54

John Deere X530 54" Garden Tractor Parts & Accessories

655K - CRAWLER LOADER Hydraulic Fan Drive Motor and Plumbing ...

655K - CRAWLER LOADER Hydraulic Fan Drive Motor and Plumbing ...

Material Collection System, Hopper BUC11233

Material Collection System, Hopper BUC11233

Massey Ferguson MF 8450, 8460 tractor parts catalog

Massey Ferguson MF 8450, 8460 tractor parts catalog

Amazon.com : John Deere M157176 Deck Drive Sheave Assembly ...

Amazon.com : John Deere M157176 Deck Drive Sheave Assembly ...

John Deere X500, X520, X530, X534 & X540 Technical Manual ...

John Deere X500, X520, X530, X534 & X540 Technical Manual ...

X530 blade help | My Tractor Forum

X530 blade help | My Tractor Forum

John Deere X530 Tractor Multi-Terrain Series W/ 54-IN Mower ...

John Deere X530 Tractor Multi-Terrain Series W/ 54-IN Mower ...

John Deere X500 X520 X530 X534 & X540 Technical Manual - Etsy ...

John Deere X500 X520 X530 X534 & X540 Technical Manual - Etsy ...

Echo CLS-5000 Brushcutter (CLS5000) Parts Diagram, Page 5

Echo CLS-5000 Brushcutter (CLS5000) Parts Diagram, Page 5

Western Midweight Non-Fleet Flex Lift Frame & A-Frame Diagram

Western Midweight Non-Fleet Flex Lift Frame & A-Frame Diagram

X530 Owner Information | Parts & Service | John Deere US

X530 Owner Information | Parts & Service | John Deere US

ZX450-3 ARM 3.9m Hitachi HOP online

ZX450-3 ARM 3.9m Hitachi HOP online

X530 not lifting | My Tractor Forum

X530 not lifting | My Tractor Forum

John Deere X530 54

John Deere X530 54" Garden Tractor Parts & Accessories

X570, 54-in. Deck | X500 Select Series Lawn Tractors | John ...

X570, 54-in. Deck | X500 Select Series Lawn Tractors | John ...

2 Responses to "42 john deere x530 parts diagram"

Iklan Atas Artikel

Iklan Tengah Artikel 1

Iklan Tengah Artikel 2

Iklan Bawah Artikel