39 mcculloch 3200 chainsaw fuel line diagram

How-to Videos & Articles | McCulloch Welcome to McCulloch's How-to page, here you will find helpful instructions that answer some of the most common queries asked about our machines. If you still can't find the answer to what you are looking for - take a look at our new FAQ's. Component parts of internal combustion engines - Wikipedia Larger gasoline engines used in automobiles have mostly moved to fuel injection systems (see Gasoline Direct Injection). Diesel engines have always used fuel injection system because the timing of the injection initiates and controls the combustion. Autogas engines use either fuel injection systems or open- or closed-loop carburetors. Fuel pump

User Manuals | Official McCulloch Website McCulloch User Manuals User Manuals Use the search bar below to locate the correct user manual for your McCulloch product. Use the search bar below to locate the correct user manual for your McCulloch product. Safety Data Sheets ALSO CHECK OUT... Product Registration Quickly and easily register your product online with McCulloch.

Mcculloch 3200 chainsaw fuel line diagram

Mcculloch 3200 chainsaw fuel line diagram

How To: McCulloch Chainsaw Fuel Line Replacement - YouTube How To: McCulloch Chainsaw Fuel Line Replacement - YouTube 0:00 / 8:19 How To: McCulloch Chainsaw Fuel Line Replacement 136,129 views Jun 6, 2010 Many steps WILL be different for each model... McCulloch 3200 Fuel Filter and Fuel Line - Lil' Red Barn Suitable Replacement McCulloch 3200 Fuel Line & Fuel Filter Parts The purpose of the fuel line is to supply fuel from the fuel tank to the carburetor. The McCulloch 3200 fuel filter is designed to filter all fuel fed into the carburetor. The fuel filter is connected to the fuel line with a barb fitting on the nipple of the filter. Chainsaw Spares & Parts | McCulloch Laminated and designed with a small nose radius, these chainsaw bars help reduce the risk of kickback and facilitate good cutting control. Available in a variety of lengths and gauges, these guide bars have an epoxy coating to help protect them against scratches and corrosion, helping prolong the life of the bar. View large image

Mcculloch 3200 chainsaw fuel line diagram. User Manuals | Official McCulloch Website McCulloch User Manuals User Manuals Use the search bar below to locate the correct user manual for your McCulloch product. Use the search bar below to locate the correct user manual for your McCulloch product. Search We found 3283 results Products | 45 hits Blowers MCC | 5 hits Chainsaws MCC | 20 hits Hedge trimmers MCC | 3 hits McCulloch Chainsaws Parts with Diagrams - PartsTree All models of McCulloch Chainsaws. Fix it fast with OEM parts list and diagrams. ... MAC CAT 1635 (41AY65PR077) - McCulloch Chainsaw. MS 354 (41AY54NQ977) - McCulloch Chainsaw. MS 354a (41AY54NQ077) - McCulloch Chainsaw. Next 10. This model has more than one variation. Select one: Replacing Fuel lines on a McCulloch chainsaw - YouTube Replacing Fuel lines on a McCulloch chainsaw 17,087 views Nov 26, 2021 469 Dislike Share Save INSIDE HOUSE GARAGE 18.4K subscribers Links to products I have in my tool bag. McCulloch Chainsaws | Official McCulloch Website McCulloch chainsaws are designed to bring out the lumberjack in you - but at the same time, our products are seldom used on a daily basis. We've taken that into account in our product development, and all our chainsaws are easy to start thanks to their proven, reliable technology We also feel that working with a chainsaw should be safe and simple.

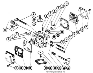
McCulloch Chainsaw Fuel Line Parts for sale | eBay fuel gas line filter MCCULLOCH 310 320 330 340 MAC CAT chainsaw 219971 we4 NEW How to replace MCCULLOCH chainsaw MAC 3516 fuel line. Mcculloch Mac 3200 Oil Line Repair J.K. McClead 12K views 2 years ago McCulloch 3516 New Primer/Purge Pump & Test Old Sneelock's Workshop 4K views 1 year ago Husqvarna 235 fuel line,... Pluming diagram for McCulloch 3200 Chainsaw? = Answered | Mend Garden ... Pluming diagram for McCulloch 3200 Chainsaw? I Have a McCulloch 3200 chainsaw whose fuel line just rotted out. I have the new fuel line but need to verify the connections from fuel feed to primer ball, primer to carb, carb to fuel tank. Anyone help? Bruce Ramsden January 2007 McCulloch Garden Tools, Chainsaws Mcculloch Fuel Rotted Mcculloch Chainsaw Fuel Line Diagram Listed below is a amazing picture for mcculloch fuel line diagram. We have been looking for this image throughout on-line and it originate from reputable resource. If you are looking for any new ideas for your parts diagram then this mcculloch fuel line diagram photo must be on the top of guide or you might use it for an optional thought.

PlayStation userbase "significantly larger" than Xbox even if ... Oct 12, 2022 · Microsoft has responded to a list of concerns regarding its ongoing $68bn attempt to buy Activision Blizzard, as raised by the UK's Competition and Markets Authority (CMA), and come up with an ... How to Replace a Chainsaw Fuel Line In Easy Steps - CWM Use a pair of scissors to cut the new fuel lines at an angle to thread them into the tank. Push the large line about 1 inch into the tank. Push the small line far enough into the tank so that it can be grabbed through the mouth of the tank with needle-nose pliers. Tip: To ease threading, lubricate the fuel lines with a drop of oil. Mac 3200 Chainsaw Fuel Line Diagram - icasmt.com Mac 3200 Chainsaw Fuel Line Diagram The new primer bulb had no markings, so I used my pet food water bowl and fresh hoses to identify the in and out hose barbs. The saw was. May 31, Many people searching for info about mcculloch chainsaw fuel line. Mcculloch chainsaw engine diagrams auto electrical wiring diagram. 530037793 Air Filter Fuel Filter Line For Mcculloch 2000 3200 3500 3516 ... Primer bulb replace 188-512 530047721; fuel line replace 530069216 530069247 ; Fit Mcculloch 2000 3200 3500 3516 Chain saw ; Fuel line size: ID x OD:3/32'' x 3/16''-2 feet long, ID x OD:0.08'' x 0.14''-2 feet long. Package inlude: 1x air filter, 2x fuel filter, 1x spark plug, 1x primer bulb, 2x fuel line › See more product details

MS1432NAV 41BY42NQ077 - PartsWarehouse

MS1432NAV 41BY42NQ077 - PartsWarehouse

Mac chainsaw fuel line routing - DoItYourself.com You'll have a total of three fuel lines associated with this saw. The line, in the tank, with the fuel filter attached goes to the fuel pump side fitting of the carburetor. The line, in the tank, that is about only an inch or so in the tank is the return line and originates at the "out" nipple of the primer bulb.

Stihl MS 181 Chainsaw (MS181C-BE) Parts Diagram, Engine ...

Stihl MS 181 Chainsaw (MS181C-BE) Parts Diagram, Engine ...

Fuel hose routing problem on a Mac 3200 Chainsaw - Fixya 2 answersThis post helped me with my McCulloch Mac 3216 chainsaw. There are two holes in the gas tank - one above the other. One is for the gas line (with the filter on ...

Amazon.com: Hipa C1M-W26 Carburetor with 530057925 Air Filter ...

Amazon.com: Hipa C1M-W26 Carburetor with 530057925 Air Filter ...

Download McCulloch 41BY44NQ077 Service Spare Parts List ... Mcculloch power mac 610 , 650, 605, 3.7 timber bear chainsaw cylinder j. Parts diagram mcculloch mac pro chainsaw poulan manual list. McCulloch Pro Mac 610 Craigslist find - YouTube we have 9 Pics about McCulloch Pro Mac 610 Craigslist find - YouTube like McCulloch Promac 54 61 Deko Partner P610 P541 Chainsaw ...Fits McCulloch Chainsaws.

Speedometer PEUGEOT KISBEE 50 - 926178181 - GPA MOTO

Speedometer PEUGEOT KISBEE 50 - 926178181 - GPA MOTO

Chainsaw parts FOR SALE. Stihl 090G sprocket (Rim drive ... Mcculloch Mac 110 Chainsaw In Chainsaw Parts & Accessories. Stihl 046 Magnum In Chainsaw Parts & Accessories. Stihl Saw Case In Chainsaw Parts & Accessories. Husqvarna 262xp In Chainsaw Parts & Accessories. Mcculloch MAC 3200 Chainsaw Indiana Chainsaw Parts & Accessories. Stihl 070 Chainsaw.Vintage Stihl 031AV Chainsaw For Parts. Condition: Used.

Vlene 18 Majesta Early Type (Model Car) - HobbySearch Model ...

Vlene 18 Majesta Early Type (Model Car) - HobbySearch Model ...

I Have A MAC 3200 Chainsaw, How Does The Fuel Lines ... I found this simple guide on how to hook up the fuel lines. Here it goes: Only the main fuel line with fuel filter goes into the bottom of the tank.

Fixing a McCulloch Chainsaw won't start. Part 2

Fixing a McCulloch Chainsaw won't start. Part 2

Parts and Repair Resource: McCulloch Chainsaw Parts Lookup McCulloch Parts | McCulloch Parts Lookup. Download illustrated parts list for your McCulloch chainsaw model below to find OEM part numbers. McCulloch Guide To Parts Lists, Manuals and Other Publications. McCulloch Chainsaw Parts List 211229-03 (2003): MS1432. MS1435.

Parts and Repair Resource: McCulloch Pro Mac 510

Parts and Repair Resource: McCulloch Pro Mac 510

How to Repair the Fuel Line on a McCulloch Chain Saw McCulloch Chain Saw Fuel Line To replace or repair a chain saw fuel hose, gather a few tools, including a socket driver, needle-nose pliers, Allen wrench, empty bucket or fuel container that can handle gas, and scissors. For precautions, have protective gloves, eyewear and a good amount of shop rags to mop up any gas spills.

Replacing Fuel lines on a McCulloch chainsaw

Replacing Fuel lines on a McCulloch chainsaw

Hello, sign in. Account & Lists Returns & Orders ... McCULLOCH 14" CHAINSAW CHAIN 49DL 3/8" LO PRO. Suitable Replacement Chainsaw Chain. Our Price: $13.95. 12" CHAINSAW CHAIN, 44DL REPLACEMENT. Suitable Replacement Chainsaw Chain. McCulloch Small Fuel Line · Universal Powered By McCulloch OLO008 Chain Oil (Bio) - 1 Litre · McCulloch CHO022 35cm (14") 52 Drive Link Chainsaw Chain · McCulloch ...

Genuine Stihl SR450 / P - Dusting and granulate spreading ...

Genuine Stihl SR450 / P - Dusting and granulate spreading ...

SOLVED: Fuel line diagram for mcculloch chainsaw - Fixya fuel line diagram for mcculloch chainsaw I need a fuel line diagram for model # 60014404 - McCulloch 16 Inch Gas Chain Saw question.

Mcculloch Mac 3200 Carburetor Rebuild Part One

Mcculloch Mac 3200 Carburetor Rebuild Part One

Amazon.com: mcculloch 3200 chainsaw parts Mckin (Pack of 2 ) MAC 3200 Chainsaw Parts Air Filter with Primer Bulb Fuel Filter Line fits Mcculloch MAC 3200 3516 3214 3216 Eager Beaver 2014 Chainsaw. 4.1 (140) $1099. FREE delivery Fri, Dec 23 on $25 of items shipped by Amazon. Or fastest delivery Tue, Dec 20.

Yanmar Shop - Catalogue Search Results for 126616-18760

Yanmar Shop - Catalogue Search Results for 126616-18760

McCulloch Chainsaw MAC 3216 Fuel Lines | ManualsOnline.com Looking for info on the correct routing of the fuel lines. tank to primer ball to carb etc. The ManualsOnline team has found the manual for this product! We hope it helps solve your problem. Get the Manual Here. 5 Off the primer ball: long fitting to the tank. Short fitting to the carb. (left side) Pick-up line from the tank goes to the carb ...

Stihl MS 441 Chainsaw (MS441) Parts Diagram, Crankcase

Stihl MS 441 Chainsaw (MS441) Parts Diagram, Crankcase

Amazon.com: mcculloch mac 3200 parts UpStart Components 14" Semi Chisel Saw Chain for McCulloch MAC 3200 Chainsaws - (14 inch, 3/8" Low Profile Pitch, 0.050" Gauge, 49 Drive Links, CSC-S49) 5.0 (4) $699 $4.99 delivery Dec 16 - 20 Or fastest delivery Dec 15 - 19 Arrives before Christmas AISEN Primer Bulb for McCulloch 3200 MAC 1719 22 2816 328 28 282 32 27 327B 32BC 2817 4.4 (15) $896

SOLVED: Show diagram of fuel lines to carb for mac 3200 - Fixya

SOLVED: Show diagram of fuel lines to carb for mac 3200 - Fixya

Mcculloch Mac 3200 Oil Line Repair - YouTube Mcculloch Mac 3200 Oil Line Repair 11,597 views Feb 28, 2020 74 Dislike Share Save J.K. McClead 527 subscribers Mcculloch Mac 3200 Oil Line Repair. Disassembly, Oil Line, Screen, Reassembly,...

SM-110/111 ET.192 Bürsteneinheit, rechts + links

SM-110/111 ET.192 Bürsteneinheit, rechts + links

How to replace fuel lines in a McCulloch 3516 chainsaw How to replace fuel lines in a McCulloch 3516 chainsaw - YouTube How to replace fuel lines in a McCulloch 3516 chainsaw 112,195 views Feb 22, 2016 This is a short slideshow video showing...

Veilside FD3S RX-7 Combat Model (Model Car) - HobbySearch ...

Veilside FD3S RX-7 Combat Model (Model Car) - HobbySearch ...

HOW DO THE FUEL LINES RUN ON A McCULLOCH ... - Fixya I have a McCulloch 3200 chainsaw with a cracked primer bulb and all the fuel lines were gone. I cannot locate any information on routing these lines to the ...

Holes Bay Marine - Catalogue Search Results for 119578-91300

Holes Bay Marine - Catalogue Search Results for 119578-91300

Mcculloch 3200 Chainsaw Fuel Line Diagram - schematron.org I Have a McCulloch chainsaw whose fuel line just rotted out. I have the new fuel line but need to verify the connections from fuel feed to primer ball, primer to carb, carb to fuel tank. The lower carburetor nipple is large, for a 3/32" fuel line. The upper carburetor nipple is smaller, for a 1/8" fuel line.

Parts for McCulloch – Page 24 – Randy's Engine Repair

Parts for McCulloch – Page 24 – Randy's Engine Repair

Need correct routing of fuel line on McCulloch chain saw ... - Answers You'll have a total of three fuel lines associated with this saw. The line, in the tank, with the fuel filter attached goes to the fuel pump side fitting of the carburetor. The line, in...

EC350) - CRAWLER EXCAVATOR (2/00-) (20.642[002]) - HYDRAULIC ...

EC350) - CRAWLER EXCAVATOR (2/00-) (20.642[002]) - HYDRAULIC ...

PPIC Statewide Survey: Californians and Their Government Oct 26, 2022 · Key Findings. California voters have now received their mail ballots, and the November 8 general election has entered its final stage. Amid rising prices and economic uncertainty—as well as deep partisan divisions over social and political issues—Californians are processing a great deal of information to help them choose state constitutional officers and state legislators and to make ...

EarthQuake CS4518B (2013) Chainsaw 45Cc 18 Inch Bar On Series ...

EarthQuake CS4518B (2013) Chainsaw 45Cc 18 Inch Bar On Series ...

Loggers Art Gens Chainsaw Chain for 14-Inch Bar SG-S52, 3/8 ... Suitable molded fuel line for McCulloch saws. Our Price: $8.95. McCULLOCH 610 CHAINSAW AIR FILTER PART # 95213, new. Suitable Replacement Air Filter. Our Price: $8.95. McCULLOCH 10-10 AIR FILTER, REPLACES PART # 69922, NEW.Our line of McCulloch parts includes McCulloch 610 chainsaw parts, McCulloch 3200 chainsaw parts, and more.

SOLVED: Echo CS-400 chainsaw. I'm not understanding this - Fixya

SOLVED: Echo CS-400 chainsaw. I'm not understanding this - Fixya

Chainsaw Spares & Parts | McCulloch Laminated and designed with a small nose radius, these chainsaw bars help reduce the risk of kickback and facilitate good cutting control. Available in a variety of lengths and gauges, these guide bars have an epoxy coating to help protect them against scratches and corrosion, helping prolong the life of the bar. View large image

The chainsaw guy shop talk Repair fuel line McCulloch Super Pro 81 10 10  pro 60 series chainsaw

The chainsaw guy shop talk Repair fuel line McCulloch Super Pro 81 10 10 pro 60 series chainsaw

McCulloch 3200 Fuel Filter and Fuel Line - Lil' Red Barn Suitable Replacement McCulloch 3200 Fuel Line & Fuel Filter Parts The purpose of the fuel line is to supply fuel from the fuel tank to the carburetor. The McCulloch 3200 fuel filter is designed to filter all fuel fed into the carburetor. The fuel filter is connected to the fuel line with a barb fitting on the nipple of the filter.

Echo CS-750EVL Parts Diagram for Handles

Echo CS-750EVL Parts Diagram for Handles

How To: McCulloch Chainsaw Fuel Line Replacement - YouTube How To: McCulloch Chainsaw Fuel Line Replacement - YouTube 0:00 / 8:19 How To: McCulloch Chainsaw Fuel Line Replacement 136,129 views Jun 6, 2010 Many steps WILL be different for each model...

OUTER BAR PLATE SPIKE MCCULLOCH 3516 3205 145-14 225-16 ...

OUTER BAR PLATE SPIKE MCCULLOCH 3516 3205 145-14 225-16 ...

The Chainsaw Guy shop talk McCullough 10 10 fuel line repair

The Chainsaw Guy shop talk McCullough 10 10 fuel line repair

McCulloch Eager Beaver Chainsaw Carburetor Rebuild Part 2 of 2

McCulloch Eager Beaver Chainsaw Carburetor Rebuild Part 2 of 2

Mcculloch chainsaw will not start. Fuel line problems.

Mcculloch chainsaw will not start. Fuel line problems.

SOLVED: McCulloch,Mac 3200 Chainsaw fuel lines........... - Fixya

SOLVED: McCulloch,Mac 3200 Chainsaw fuel lines........... - Fixya

Poulan 4200 Gas Saw

Poulan 4200 Gas Saw

Diagram For Routing New Fuel Lines On Craftsman 358.350462 C ...

Diagram For Routing New Fuel Lines On Craftsman 358.350462 C ...

Official McCulloch MAC3214 11-600032-07 gas chainsaw parts ...

Official McCulloch MAC3214 11-600032-07 gas chainsaw parts ...

LB-05081-05 Mya Exploded view

LB-05081-05 Mya Exploded view

Rick, I have a McCulloch Mac 7-38 Chainsaw. I need to give ...

Rick, I have a McCulloch Mac 7-38 Chainsaw. I need to give ...

4.3 Vortec Fuel Line Retainer | DIY Forums

4.3 Vortec Fuel Line Retainer | DIY Forums

Husqvarna Line Trimmer | Mondo | eReplacementParts.com

Husqvarna Line Trimmer | Mondo | eReplacementParts.com

SOLVED: McCulloch 3216 fuel primer and gas tubes routing? - Fixya

SOLVED: McCulloch 3216 fuel primer and gas tubes routing? - Fixya

How to connect McCulloch Mac 3214 chain saw fuel lines?

How to connect McCulloch Mac 3214 chain saw fuel lines?

How To: McCulloch Chainsaw Fuel Line Replacement

How To: McCulloch Chainsaw Fuel Line Replacement

HIPA Fuel Air Filter Gas Line Primer Bulb Spark Plug for ...

HIPA Fuel Air Filter Gas Line Primer Bulb Spark Plug for ...

McCulloch Chainsaw Electronic Ignition Coil Module Titan 7 ...

McCulloch Chainsaw Electronic Ignition Coil Module Titan 7 ...

0 Response to "39 mcculloch 3200 chainsaw fuel line diagram"

Post a Comment

Iklan Atas Artikel

Iklan Tengah Artikel 1

Iklan Tengah Artikel 2

Iklan Bawah Artikel