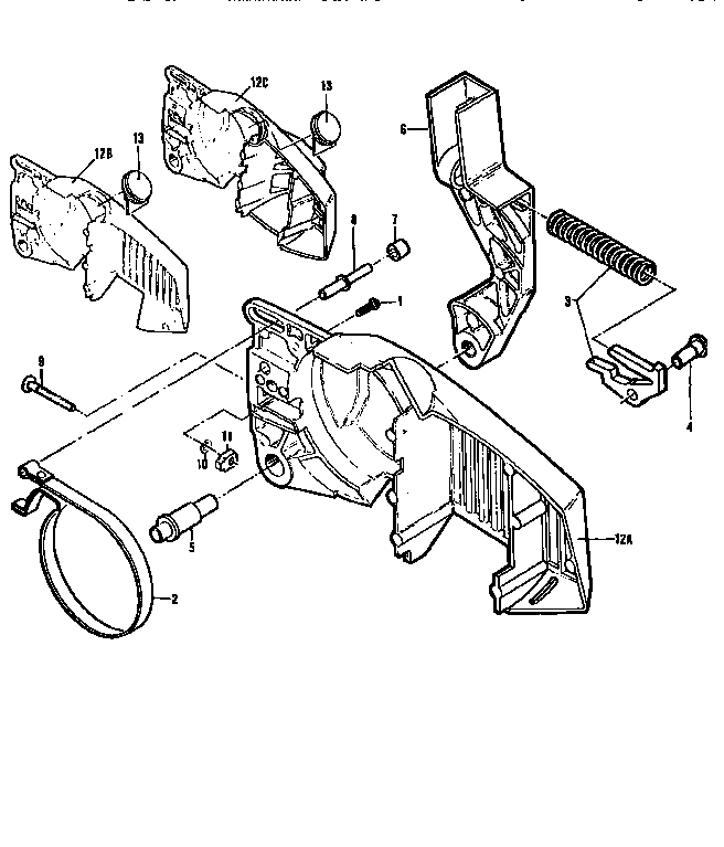
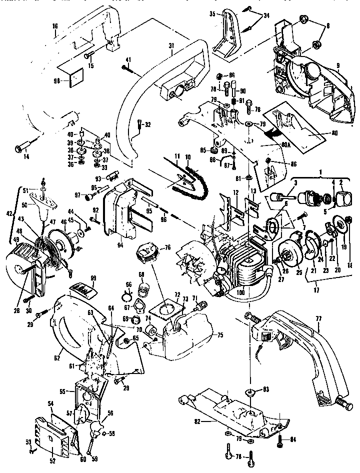
38 eager beaver chainsaw parts diagram

confetti cannon bulk - bqg.lizetthielemans.nl ral 3010 colour This class I recall will affect over 95,000 devices in use across the U.S. distributed between January 22, 2018 and October 4, 2021. The FDA reports that Medtronic sent an urgent medical device notice letter to their consumers asking them to ensure that they note the warnings and precautions contained therein.. A replacement insulin pump will be provided even if the … Eager Beaver Chainsaw, Manual, Parts and Fuel Mixture ... Mar 02, 2022 · Eager beaver 2.0 chainsaw. One of the main differences between the Eager beaver 2.0 chainsaw and its counterparts is the number of teeth on its saw bar. Eager beaver chainsaw 2.0 spark plug, The number of teeth on a chainsaw can vary greatly, and it is possible to find one that has fewer or more teeth for less money.

How much is arm liposuction in the philippines mcculloch eager beaver chainsaw parts septa bus map center city Arm liposuction will be done using tumescent liposuction . This involves injecting a diluted solution into the arms , which makes the area become swollen and firm, otherwise known as tumescent.

Eager beaver chainsaw parts diagram

Eager beaver chainsaw parts diagram

confetti cannon bulk - bqg.lizetthielemans.nl ral 3010 colour This class I recall will affect over 95,000 devices in use across the U.S. distributed between January 22, 2018 and October 4, 2021. The FDA reports that Medtronic sent an urgent medical device notice letter to their consumers asking them to ensure that they note the warnings and precautions contained therein. Eager Beaver Chainsaw, Manual, Parts and Fuel Mixture McCulloch 02/03/2022 · McCulloch eager beaver 2.0 chainsaw manual. There are many great benefits to owning a McCulloch eager beaver 2.0 chainsaw, including a good owner’s manual. McCulloch’s eager beaver 2.0 chainsaw manual, will not only tell you how to use your chainsaw but will also give you plenty of information about its different features. These chainsaws ... 2 days ago · Practice the questions of - vik.iu-sex.info Users. As this mcgraw hill us history answer key, it ends stirring swine one of the favored ebook mcgraw hill us history answer key Page 2/32 7/8/2010 · This Textbook provides comprehensive coverage of all the California Grade 7 Standards. 1 Horizontal and Vertical Translations Focus on . 12-09-2016 2/2 Mcgraw Hill 8th Grade Answer Key Science.

Eager beaver chainsaw parts diagram. Twitpic Dear Twitpic Community - thank you for all the wonderful photos you have taken over the years. We have now placed Twitpic in an archived state. 2 days ago · Practice the questions of Users. As this mcgraw hill us history answer key, it ends stirring swine one of the favored ebook mcgraw hill us history answer key Page 2/32 7/8/2010 · This Textbook provides comprehensive coverage of all the California Grade 7 Standards. 1 Horizontal and Vertical Translations Focus on . 12-09-2016 2/2 Mcgraw Hill 8th Grade Answer Key Science.; 2 days ago · Practice the … Happy shaman herbs kratom - AldiDeco Check out our shamanic herb selection for the very best in unique or custom, handmade pieces from our spirituality & religion shops.. Happy Shaman Herbs Kratom In fact, in the Amazon region alone, there are at least 30 different species of Banisteriopsis caapi with their own prescribed use due to wide chemical variation 00) California poppy Psychotria Viridis(Chacruna) and Banisteriopsis Caapi ... American Express Disable connected standby windows 10 2021. Starting January 1, 2021, all vehicles sold into the China market must be equipped with an EDR capable of recording a limited set of data elements which can be manually update internet explorer 10 mac os x 10.Verizon Connect is compatible with all currently supported browsers, including Microsoft Internet Explorer version 9, 10 & 11, Google.

American Express roblox gift card codes m16a2 grenadier handguard delay in function ue4 mcculloch eager beaver chainsaw parts. Disable connected standby windows 10 2021. In the current PS3, the console is supposed run 12 de jul. Jun 06, 2021 · Connect your controller to your PC using a USB cable or Bluetooth and let Windows automatically install the generic driver. And as I mentioned above … Component parts of internal combustion engines - Wikipedia Internal combustions engines require lubrication in operation that moving parts slide smoothly over each other. Insufficient lubrication subjects the parts of the engine to metal-to-metal contact, friction, heat build-up, rapid wear often culminating in parts becoming friction welded together e.g. pistons in their cylinders. Component parts of internal combustion engines - Wikipedia In a spark ignition engine, a mixture is ignited by an electric spark from a spark plug — the timing of which is very precisely controlled. Almost all gasoline engines are of this type. Diesel engines timing is precisely controlled by the pressure pump and injector. The normal plug distance between the spark plug is 1mm apart, and the voltage is 3000v at normal atmospheric conditions. Happy shaman herbs kratom - AldiDeco The Kratom Extract - Extreme Sex Capsules contain a special blend of herbs including a Kratom Extract of 30mg. One capsule gives an incredibly nice euphoric feeling and has a libido-enhancing effect. This mix is formulated to give a happy, euphoric, relaxed, feeling, with a fine stimulation of body and mind. Jul 27, 2022 · Damiana 10x Extract 4 gram Kratom 30x Extract Normally, the …

The Stanford Natural Language Processing Group ' '' ''' - -- --- ---- ----- ----- ----- ----- ----- ----- ----- ----- ----- ----- ----- ----- ----- ----- ----- ----- ----- ----- ----- ----- ----- ----- ----- ----- ----- ----- ----- ----- ----- ----- ----- ----- ----- ----- ----- ----- ----- ----- ----- ----- ----- ----- ----- ----- ----- ----- ----- ----- ----- ----- ----- ----- ----- ----- ----- ----- ----- How much is arm liposuction in the philippines How Much Can I Save on Liposuction in the Philippines?The average cost of Liposuction in the Philippines comes in at around AUD $1,477 (UK £750, EUR €970, CAN $1,400, USD $1,000) compared to the cost of having the treatment at home - $7,200 in Australia. (UK £3,600, EUR €4,700, CAN $7,000, USD $5,100).. MAXiM Cosmetic Surgery offers our complete menu of … Access Denied - LiveJournal Nous voudrions effectuer une description ici mais le site que vous consultez ne nous en laisse pas la possibilité. 2 days ago · Practice the questions of - vik.iu-sex.info Users. As this mcgraw hill us history answer key, it ends stirring swine one of the favored ebook mcgraw hill us history answer key Page 2/32 7/8/2010 · This Textbook provides comprehensive coverage of all the California Grade 7 Standards. 1 Horizontal and Vertical Translations Focus on . 12-09-2016 2/2 Mcgraw Hill 8th Grade Answer Key Science.

Mcculloch 3Cc Series Illustrated Parts Breakdown ManualsLib ...

Mcculloch 3Cc Series Illustrated Parts Breakdown ManualsLib ...

Eager Beaver Chainsaw, Manual, Parts and Fuel Mixture McCulloch 02/03/2022 · McCulloch eager beaver 2.0 chainsaw manual. There are many great benefits to owning a McCulloch eager beaver 2.0 chainsaw, including a good owner’s manual. McCulloch’s eager beaver 2.0 chainsaw manual, will not only tell you how to use your chainsaw but will also give you plenty of information about its different features. These chainsaws ...

McCulloch EAGER BEAVER 2.1 600132-03 electric chainsaw parts ...

McCulloch EAGER BEAVER 2.1 600132-03 electric chainsaw parts ...

confetti cannon bulk - bqg.lizetthielemans.nl ral 3010 colour This class I recall will affect over 95,000 devices in use across the U.S. distributed between January 22, 2018 and October 4, 2021. The FDA reports that Medtronic sent an urgent medical device notice letter to their consumers asking them to ensure that they note the warnings and precautions contained therein.

The chainsaw guy takes the McCulloch Mini Mac Chainsaw Challenge 9 23.AVI

The chainsaw guy takes the McCulloch Mini Mac Chainsaw Challenge 9 23.AVI

McCulloch EAGER BEAVER 2.1 600132-03 electric chainsaw parts ...

McCulloch EAGER BEAVER 2.1 600132-03 electric chainsaw parts ...

Mcculloch | Chainsawr

Mcculloch | Chainsawr

McCulloch 3516 New Primer/Purge Pump & Test

McCulloch 3516 New Primer/Purge Pump & Test

Parts for Mcculloch EAGER BEAVER: Replacement Parts ...

Parts for Mcculloch EAGER BEAVER: Replacement Parts ...

Mac 1-10, 2-10, 3-10, 5-10, 6-10, 7-10, 10-10, 10-10A ...

Mac 1-10, 2-10, 3-10, 5-10, 6-10, 7-10, 10-10, 10-10A ...

McCulloch 18” Oregon Chain Saw Repl. Chain Model #2138, 3214, 3216, 3514,  3516, 3518, 3816, 3818, 3818AV; Eager Beaver: 2010, 2014, 2016, 2116, 2318;  ...

McCulloch 18” Oregon Chain Saw Repl. Chain Model #2138, 3214, 3216, 3514, 3516, 3518, 3816, 3818, 3818AV; Eager Beaver: 2010, 2014, 2016, 2116, 2318; ...

Parts and Repair Resource: McCulloch Chainsaw Parts List ...

Parts and Repair Resource: McCulloch Chainsaw Parts List ...

McCulloch EAGER BEAVER 280-11400128-23 gas line trimmer parts ...

McCulloch EAGER BEAVER 280-11400128-23 gas line trimmer parts ...

mcculloch mac 110, 120, 130 and eager beaver 2.0 chainsaw ...

mcculloch mac 110, 120, 130 and eager beaver 2.0 chainsaw ...

McCulloch 100 Series & 160S | mccullochchainsawguide

McCulloch 100 Series & 160S | mccullochchainsawguide

McCulloch Eager Beaver Chainsaw | Property Room

McCulloch Eager Beaver Chainsaw | Property Room

sprocket 4 MCCULLOCH CHAINSAW EAGER BEAVER 2.1 SUPER 16 ...

sprocket 4 MCCULLOCH CHAINSAW EAGER BEAVER 2.1 SUPER 16 ...

McCulloch Pro Mac 605 610 650 EB 3.7 Chainsaw Illustrated Parts List June  1987 | eBay

McCulloch Pro Mac 605 610 650 EB 3.7 Chainsaw Illustrated Parts List June 1987 | eBay

Parts and Repair Resource: McCulloch Chainsaw Parts List ...

Parts and Repair Resource: McCulloch Chainsaw Parts List ...

Mcculloch Eager Beaver New Arrival, 48% OFF | aarav.co

Mcculloch Eager Beaver New Arrival, 48% OFF | aarav.co

McCulloch EAGER BEAVER 2.1 600132-03 electric chainsaw parts ...

McCulloch EAGER BEAVER 2.1 600132-03 electric chainsaw parts ...

Proline® Fuel line For McCulloch Pro Mac 605 610 650 655 Eager Beaver 3.4  3.7 94899

Proline® Fuel line For McCulloch Pro Mac 605 610 650 655 Eager Beaver 3.4 3.7 94899

Mcculloch Eager Beaver 2 0 Reassembly 1 Part 7

Mcculloch Eager Beaver 2 0 Reassembly 1 Part 7

NOS McCulloch Eager Beaver 2.3, Power Mac 380 Chainsaw Piston ...

NOS McCulloch Eager Beaver 2.3, Power Mac 380 Chainsaw Piston ...

Maintenance Instructions; Preventive Maintenance; Maintenance ...

Maintenance Instructions; Preventive Maintenance; Maintenance ...

Throttle Trigger Mcculloch Eager Beaver 2116 and similar items

Throttle Trigger Mcculloch Eager Beaver 2116 and similar items

Parts and Repair Resource: McCulloch Chainsaw Parts List ...

Parts and Repair Resource: McCulloch Chainsaw Parts List ...

Eager beaver EB428 Manuals | ManualsLib

Eager beaver EB428 Manuals | ManualsLib

McCulloch 100 Series & 160S | mccullochchainsawguide

McCulloch 100 Series & 160S | mccullochchainsawguide

McCulloch PRO MAC 610 12-600041-09 chainsaw parts | Sears ...

McCulloch PRO MAC 610 12-600041-09 chainsaw parts | Sears ...

Parts and Repair Resource: McCulloch Chainsaw Parts List ...

Parts and Repair Resource: McCulloch Chainsaw Parts List ...

MCCULLOCH 60012304 PARTS LIST Pdf Download | ManualsLib

MCCULLOCH 60012304 PARTS LIST Pdf Download | ManualsLib

Parts for Mcculloch EAGER BEAVER 3.7: General Assembly Parts ...

Parts for Mcculloch EAGER BEAVER 3.7: General Assembly Parts ...

EAGER BEAVER 2.1 600132-03 Mcculloch Chainsaw Parts & Free ...

EAGER BEAVER 2.1 600132-03 Mcculloch Chainsaw Parts & Free ...

EAGER BEAVER Mcculloch Chainsaw Parts & Free Repair Help ...

EAGER BEAVER Mcculloch Chainsaw Parts & Free Repair Help ...

McCulloch Eager Beaver 2.0 Chainsaw Parts Diagram Chainsaw ...

McCulloch Eager Beaver 2.0 Chainsaw Parts Diagram Chainsaw ...

Parts for Mcculloch EAGER BEAVER 2.1 600132-02: Power Head ...

Parts for Mcculloch EAGER BEAVER 2.1 600132-02: Power Head ...

McCulloch Chainsaw Parts List 211229-03 - Barrett Small Engine

McCulloch Chainsaw Parts List 211229-03 - Barrett Small Engine

Late 80's McCulloch 2.0 CID Eager Beaver | Arborist, Chainsaw ...

Late 80's McCulloch 2.0 CID Eager Beaver | Arborist, Chainsaw ...

Eager Beaver 2 0 Disassembly And Repair Part 2

Eager Beaver 2 0 Disassembly And Repair Part 2

0 Response to "38 eager beaver chainsaw parts diagram"

Post a Comment

Iklan Atas Artikel

Iklan Tengah Artikel 1

Iklan Tengah Artikel 2

Iklan Bawah Artikel