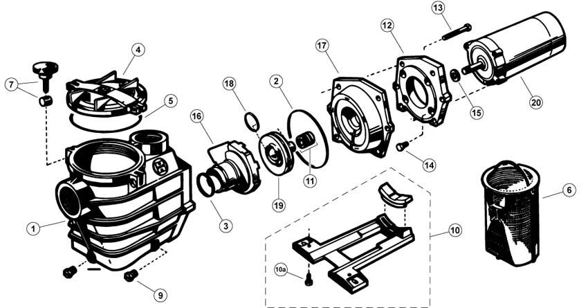
38 century centurion pool pump parts diagram

Centurion 1.5 Hp Pool Motor Wiring Diagram Wiring diagram for century pool pump motor model b977 troubleshoot and service Century pool, spa and jet pump motors. All you need are a . Centurion motors have a 6 1/2" diameter shell. Flex 48 and instance, a 1Hp volt motor can replace a 3/4 HP volt motor. TIP: There are no . The wiring diagrams shown on the motor make wiring your motor easy. A.O. Smith Century Pool & Spa Motor Maintenance Manual Page 47 CENTURION® Two-Speed Type CXPM-1/.12 to 2/.25 Hp Single Voltage Solid-State Switch 230 Volt 47 f Page 48 E-PLUS® SWITCHLESS Dual Voltage Type CX-3⁄4 to 11⁄2 Hp 115/230 Volt Switchless 48 f Page 49 E-PLUS® SWITCHLESS Single Voltage Type CX-2 and 3 Hp 230 Volt Switchless 49 f

Century 1.5 HP Round Flange 56J Up Rate Motor - B229SE - INYOPools.com Pool Parts. Pool Pump Parts. Jandy Stealth Original JHP & JHPU Series Pump (2002-2008) Century 1.5 HP Round Flange 56J Up Rate Motor - B229SE.

Century centurion pool pump parts diagram

Century centurion pool pump parts diagram

xzn.cheapsmithstores.de magnetek 6 353450 40 wiring diagram magnetek parts diagram wiring diagram s magnetek''Replacing A MagneTek Or Parallax 3200 Series System 32 40 PX April 30th, 2018 -. . Century ... Century Centurion 1.5hp Pool Pump 230v Wiring Diagram diagramweb.net. pentair superflo jandy 230v wire 5hp hookup spa diagramweb. Century Centurion 1.5hp Pool Pump 230v Wiring Diagram Standard pump duty motor. Centurion switchless design. Stainless steel shaft. Sealed ball bearings. Motor has 4 threaded bolt holes on face for mounting the pump to the motor. Bolt holes are 5 7/8" on center, measured across the shaft. Wiring diagram on motor name plate. 1 year manufacture warranty. Pool pumps are wired to run on either V or V. PDF CENTURY POOL & SPA MOTOR MANUAL - Electric Motor Warehouse A.O. Smith's line of Centurion and Centurion SE motors have a "56 frame" shell and are 6.5 inches in diameter. Neptune and Flex-48 products are designed in a 48 frame shell and are 5.6 inches in diameter. Common terms you'll see on the nameplate are "56J," "56C" and "56Y."

Century centurion pool pump parts diagram. Century Pool & Spa Motors - GetPoolParts.com Pump Parts; Safety Cover Parts; Skimmer Parts; Slide Parts; Solar Reel Parts; Spa Jets; Spa Plumbing Manifolds; ... Most original equipment manufacturers choose Century Pool and Spa motors. Why buy any other replacement brand. ... Centurion Pro Pool Motor 48Y THP 1.25. In Stock. Centurion Pro Pool Motor 48Y THP 1.65. Centurion PRO Motor - Regal Rexnord Corporation Features: 48 and 56 Frame sizes available Black and almond color options Fast and easy installation with the open and accessible terminal board and wiring compartment Easy voltage change device Premium sealed 203 bearings at both ends Centurion PRO Motor - For Pool Pros Only Definitive shaft access (7/16" wrench) Auto protector UL 1081 design 60 Hz Century B128 Threaded Motor 1HP 115/230V 56J ODP - Pool Warehouse The Century Centurion B128 Full-Rated Pool and Spa Pump Motor; 1 HP, 3450 RPM, 115/230 V, 56J, Threaded Shaft. The innovative Century® brand has been pioneering the use of electric motors in the HVAC, leisure water, and commercial/industrial markets for over 100 years. Century brings cutting-edge, high-quality, and energy-efficient solutions ... Centurion Pro Pool Pump Replacement Motors - GetPoolParts.com Pool Lift Parts and Accessories; Pump Parts; Safety Cover Parts; Skimmer Parts; Slide Parts; Solar Reel Parts; ... Centurion Pro Pool Pump Motors. ... Century Motors Item Number HST080 0.8 Total Horsepower 3450 RPM 115/230 Volts 1 Service Factor 10.8/5.4 Amps

Century centurion pool pump wiring diagram - tdz.glaajc.pl Wiring diagram for century pool pump motor model b977. troubleshoot and service Century pool, spa and jet pump motors. All you need are a . Centurion motors have a 6 1/2" diameter shell. Flex 48 and instance, a 1Hp volt motor can replace a 3/4 HP volt motor. TIP: There are no . The wiring diagrams shown on the motor make wiring your motor easy. century centurion pool pump manual smith motor century pool spa centurion Hayward De Filter Parts Diagram - Drivenhelios drivenhelios.blogspot.com hayward perflex ec65 Magnetek Century 1.5 HP Square Flange 56Y Up Rate Motor - B2854 b2854 56y inyopools rate magnetek Replace Century Electric Pump inyopools.com Read and Download +11 Century Pool Pump Wiring Diagram References +11 Century Pool Pump Wiring Diagram References. Century centurion in ground pool pump for sale in universal city, tx, century centurion in ground pool pump for sale in universal city, tx and also century a.o. Flex 48 and instance, a 1hp volt motor can replace a 3/4 hp volt motor. ... Pool pump parts diagram — untpikapps ... Centurion Pool Parts - Rec Warehouse Manufactured by Wilbar. 2 PACK, 22008 Wilbar 52" Resin Upright, FREE SHIPPING. 2 PACK, Currently This Item Is Shipping Direct From The Manufacturer And Has a 3-4 Week Lead Time

Century centurion pool pump wiring diagram The Centurion Pro motors are highly durable and easy to install, no other replacement pump motor comes close to a superbly crafted Century Centurion® PRO pool and spa motor. PLUS The -- NEW -- Triple Seal protection feature is designed into the pump end of the motor to protect the bearings from water, pests and debris, extending the life of.Wiring Diagram For Alfa Romeo Gt Wiring Diagram T4 ... Century 1.5 HP Square Flange 56Y Up Rate Motor - B2854 - INYOPools.com The Century Motors model 7-193989-05 is a 1.65 THP Dual Speed Motor. The Century 1.5 HP Square Flange 56Y Up Rate Motor - B2854 is a 1.65 THP Single Speed Motor. If you wish to transition to a single-speed motor the B2854 is a compatible replacement motor. B128 Century 1 hp 3450 RPM 56J Frame 115/230V Switchless Swimming Pool ... Standard 1081 pump duty motor. Stainless steel shaft. Sealed ball bearings. Motor has 4 threaded bolt holes on face for mounting the pump to the motor. Bolt holes are 5 7/8" on center measured across the shaft. Wiring diagram on motor name plate. 1 year warranty AO Smith/Century Part No. -164303-23, 164303 US Electric Equivalent EB128 Pool Pump Parts - O-Rings, Motors, Seals and More - Poolweb Hayward Max-Flo SP1800X Pump Parts. 31 parts. Shop Parts. Hayward MaxFlo VS 500 Omni (Expert Line) Pump Parts (HL2350020VSP) 20 parts. Shop Parts. Hayward MaxFlo VS SP2300VSP Parts (Models SP2300VSP, SP2302VSP, SP2302VSPND) 19 parts. Shop Parts.

Hayward Super II Pump - In-ground Pool Pump - Swimming Pool Pumps ...

Hayward Super II Pump - In-ground Pool Pump - Swimming Pool Pumps ...

Page 59 A.O. Smith 531 North Fourth Street Tipp City, OH 45371 937-667 ... Century 1081 pool pump wiring diagram wiring diagram is a simplified conventional pictorial representation of an electrical circuit. Wire sizes generally run 14 awg for motors up to 1 hp and from 14 awg to 10awg for larger in this example for hayward pool pumps, red will go to the l1 terminal and black will go to the l2 terminal.

Pool Pumps for sale | In Stock | eBay

Pool Pumps for sale | In Stock | eBay

PDF Pump Motors for Swimming Pools, Spas & Jetted Tubs If yes, the Century®motors from Group S and Group T in the tables below will fit your pump. 2. Identify the maximum rated horsepower of your motor. Maximum Rated Hp = Horsepower (Hp) x Service Factor (SF) Replacement motor horsepower must be equal to or greater than maximum rated horsepower. 3. What is the voltage? 4.

Magnetek Motor Parts - Car Wiring Diagram And Schematic

Magnetek Motor Parts - Car Wiring Diagram And Schematic

Century (formerly AO Smith) Centurion In-Ground Square ... - Leslie's Century A.O. Smith - 56Y Square Flange 2 or 0.33 HP Dual Speed Full Rated Pool and Spa Pump Motor, 10.0/3.5A 230V. SKU: 222446. Details: The Century Pool and Spa Pump Motor has two speeds and employs a PSC (Permanent Split Capacitor) to improve efficiency up to 20%. Availability: In Stock. $569.99.

Centurion Pool And Spa Pump Motor Square Flange 230/115 Volts 3450 RPM ...

Centurion Pool And Spa Pump Motor Square Flange 230/115 Volts 3450 RPM ...

century centurion pool pump 3/4 hp b668 - yypharm.org You are here: Home / CONFERENCE / century centurion pool pump 3/4 hp b668. century centurion pool pump 3/4 hp b668. September 8, 2022 by ...

Century 1081 Pool Pump Duty Manual High School - lasopasalon

Century 1081 Pool Pump Duty Manual High School - lasopasalon

PUMPS - MOTOR PARTS - MAGNETEK-CENTURY - Pool and Spa Parts Depot MAGNETEK-CENTURY | ELECTRICAL BOARD | 623241-001 $16.31. Add to Compare. Add to Wishlist. Please contact us to check stock. Low volume item. MAGNETEK-CENTURY | TERMINAL BOARD WITH VOLTAGE SWITCH | 628401-001 $12.42. Add to Compare. Add to Wishlist. Add To Cart.

CENTURY Pool Pump Motor, 1/2 HP, 3-Phase, Nameplate RPM 3,450/2,850 ...

CENTURY Pool Pump Motor, 1/2 HP, 3-Phase, Nameplate RPM 3,450/2,850 ...

Century centurion pool pump wiring diagram Ao smith pool pump motor parts diagram. century pool pump wiring diagram. ... Century Centurion 1.5hp Pool Pump 230v Wiring Diagram diagramweb.net. pentair superflo jandy 230v wire 5hp hookup spa diagramweb. Century 1.5 Hp Motor For Hayward Wiring Diagram diagramweb.net. hayward 115v waterway bn25.

CENTURY Pool Pump Motor, 1 HP, 3-Phase, 6.4 in, Nameplate RPM 3,450/ ...

CENTURY Pool Pump Motor, 1 HP, 3-Phase, 6.4 in, Nameplate RPM 3,450/ ...

B2853 Square Flange 1HP Up Rated 56Y Pool and Spa Pump Motor - Leslie's Equipment & Parts Pool Pump Motors Century A.O. Smith - B2853 Square Flange 1HP Up Rated 56Y Pool and Spa Pump Motor Item No. 222425 Manufacturer SKU: B2853 The Century A.O. Smith B2853 Square Flange 1HP Up Rated Single Speed 115V/230V Pool and Spa Pump Motor is a single phase motor. More Details Quantity $227.99

Century centurion pool pump manual

Century centurion pool pump manual

Amazon.com: Centurion Pool Pump 1-16 of 71 results for "centurion pool pump" RESULTS. Century B2853V1 1.0 Horsepower 3450 RPM Stainless Steel Single Phase Pool Pump Motor with P56Y Square Flange for Inground or Above Ground Pools. ... Pool Pump Replacement Parts & Accessories; Filters & Filter Media; Cartridge Pool Filters;

CENTURY Pool Pump Motor, 3/4 HP, Capacitor-Start, Nameplate RPM 3,450 ...

CENTURY Pool Pump Motor, 3/4 HP, Capacitor-Start, Nameplate RPM 3,450 ...

Century centurion pool pump wiring diagram Century 1.5 hp round flange 56j up rate motor. Xtreme power pool pump wiring diagram. The ust1152 can be wired either 115v or 230v if you are wiring 115v then you can use this 115v pool pump power cord if you are wiring 230v then we do not carry a power cord for 230v. A answered on 11/3/2020 by inyopools product specialist patrick p.

Century Pool Pump Wiring Diagram - 14

Century Pool Pump Wiring Diagram - 14

PDF Replacement Parts & Motor Cross Reference Manual for Century Pool & Spa ... REPLACEMENT PARTS AND MOTORS ★Capacitor assembly includes the capacitor, capacitor cover and fasteners. For Flex-48 and Centurion SE motors, the capacitor clamp is supplied instead of the capacitor cover.

Where do you buy your parts for rebuilding pumps and motors?

Where do you buy your parts for rebuilding pumps and motors?

PDF CENTURY POOL & SPA MOTOR MANUAL - Electric Motor Warehouse A.O. Smith's line of Centurion and Centurion SE motors have a "56 frame" shell and are 6.5 inches in diameter. Neptune and Flex-48 products are designed in a 48 frame shell and are 5.6 inches in diameter. Common terms you'll see on the nameplate are "56J," "56C" and "56Y."

Ao Smith Pool Pump Motor Parts Diagram

Ao Smith Pool Pump Motor Parts Diagram

Century Centurion 1.5hp Pool Pump 230v Wiring Diagram Standard pump duty motor. Centurion switchless design. Stainless steel shaft. Sealed ball bearings. Motor has 4 threaded bolt holes on face for mounting the pump to the motor. Bolt holes are 5 7/8" on center, measured across the shaft. Wiring diagram on motor name plate. 1 year manufacture warranty. Pool pumps are wired to run on either V or V.

American Products Pentair Bronze Pool Pump Parts - Discount Parts For ...

American Products Pentair Bronze Pool Pump Parts - Discount Parts For ...

xzn.cheapsmithstores.de magnetek 6 353450 40 wiring diagram magnetek parts diagram wiring diagram s magnetek''Replacing A MagneTek Or Parallax 3200 Series System 32 40 PX April 30th, 2018 -. . Century ... Century Centurion 1.5hp Pool Pump 230v Wiring Diagram diagramweb.net. pentair superflo jandy 230v wire 5hp hookup spa diagramweb.

Ao Smith 2 Speed Motor Wiring Diagram

Ao Smith 2 Speed Motor Wiring Diagram

Northstar Pool Pump Parts: Aqua Swimming Pool Supplies

Northstar Pool Pump Parts: Aqua Swimming Pool Supplies

Century Pump Motor Wiring Diagram - Wiring Diagram

Century Pump Motor Wiring Diagram - Wiring Diagram

pump motors century | eBay

pump motors century | eBay

CENTURY Pool Pump Motor, 1 1/2 HP, Capacitor-Start/Run, Nameplate RPM ...

CENTURY Pool Pump Motor, 1 1/2 HP, Capacitor-Start/Run, Nameplate RPM ...

0 Response to "38 century centurion pool pump parts diagram"

Post a Comment

Iklan Atas Artikel

Iklan Tengah Artikel 1

Iklan Tengah Artikel 2

Iklan Bawah Artikel