38 top-o-matic parts diagram

Parts Order Forms - RYO Service Center Download Top-O-Matic® Order Form/Parts List [PDF] Download Top-O-Matic T2® Order Form/Parts List [PDF] Download Mikr-O-Matic® Order Form/Parts List [PDF] Download ... Sony PlayStation 5 Consoles for sale - eBay Replacement Parts & Tools; Strategy Guides & Cheats; Video Game Merchandise; Mixed Lots; Best Selling. Sony PS5 Blu-Ray Edition Console - White. 4.8 out of 5 stars (2643) Total Ratings 2,643, $540.00 New. Sony PS5 Digital Edition Console - White. 4.8 out of 5 stars (650) Total Ratings 650, $649.00 New . $600.00 Used. Sony PS5 Blu-Ray Edition Console - White …

Top-O-Matic™ T2 Parts There are 25 products. Top-O-Matic™ T2 Parts Top-O-Matic™ Parts Smoking Accessories Rolling Papers Premier Supermatic™ Parts Premier Supermatic II™ Parts Premier Excel™ Parts Poweroll™ by Topomatic Parts Poweroll 2™ by Topomatic Parts Mikromatic™ Parts Machine Schematics (Blue Prints) How-to Videos Gambler™ Red (Round) Parts

Top-o-matic parts diagram

Top-o-matic parts diagram

Home Models - Bunn parts, Bunn replacement parts, Bunn o ... grx-b Nhs-b thermostat Sprayhead mcu Btx-b Spray head Bx-b SWITCH csb2 nhs VPR 01201.0000 Funnel carafe BTX Warmer switch seal Nhbx lid Gasket sprayer Sbs vps bxb TANK hot water faucet grommet NHBX-B GRX-B sprayhead 231387 Heater BTX B 33200.0001 04314.0001 Grb Element csb3t A-10 36T81 29329.1000 28319.0000 thermal fuse heating element Heat N ... Blogger.com - Create a unique and beautiful blog. It’s ... Publish your passions your way. Whether you’d like to share your knowledge, experiences or the latest news, create a unique and beautiful blog for free. Select-O-Speed - Waltstractors.com UF60202 Shift Lever---Replaces C0NN7202B Replaces number C0NN7202B, C0NN-7202-B Fits: Selecto Speed Tractors: 1959 thru 1964

Top-o-matic parts diagram. Top-O-Matic - RYO Service Center Order Form/Parts List; Warranty Card; View Frequently Asked Questions; SCROLL DOWN TO. ORDER PARTS. click to zoom. Home › Top-O-Matic. Top-O-Matic. Sort by. PO001 - Injector. Regular price $3.00 PO002 - Insert Nut. Regular price $0.30 PO003 - Washer. Regular ... PDF Automatic Door Store 1- o ring swing door parts call toll free 1-888-207-2249 dor-o-matic ... top panel pivot assembly 84437-900 lh bottom panel pivot assembly 4204104975 ... dor-o-matic . dor-o-matic 96 k slider 20 automatic door store Patty-O-Matic Parts & Manuals - Parts Town Parts Town has the largest in-stock inventory of genuine OEM Patty-O-Matic parts with fast same day shipping until 9pm ET. Find the part you need today. ... Manuals & Diagrams (0) Add to My Parts. In My Parts. Patty-O-Matic 490 SPRING 2" List Price: $ 10.78. ... Patty-O-Matic 239 MOTOR MAIN SHAFT CHAIN LNK. Out of Stock, backorders usually ship ... Amazon.com: topomatic replacement parts - New TOP-O-Matic T2 Limited Edition Chrome Cigarette Machine. 4.3 out of 5 stars 5. $59.99 $ 59. 99 ($59.99/Count) Get it Fri, Jan 21 - Wed, Jan 26. FREE Shipping. Only 16 left in stock - order soon. ... top o matic replacement parts cigarette roller topomatic replacement parts rubber tip ...

Ice Machine Parts - Parts Town Parts Town has real OEM commercial ice machine parts, so your unit remains under warranty and runs safely. You'll find everything from pumps to backets for top manufacturers, including Ice-O-Matic, Hoshizaki, Follett, Manitowoc Ice and Scotsman. If your hotel or restaurant can't wait, we also offer same day shipping on all in-stock parts until ... Amazon.com: topomatic replacement parts UPBRIGHT New 12V AC/DC Adapter Replacement for Poweroll Electric Cigarette Rolling Maker Injector Machine by Top-O-Matic PR001 SW-120150 King Tube Injector 12VDC DC12V 12 Volts Power Supply Charger. 3.9 out of 5 stars 8. $10.54 $ 10. 54. Get it Tue, Feb 22 - Thu, Feb 24. ... top o matic replacement parts cigarette roller ... Amazon.com: New Top-O-Matic Cigarette Rolling Machine ... The new Top-O-Matic has a shorter spoon, a stainless steel chamber, a chamber reducer and a handle. This cigarette machine will make king size as well as 100mm cigarettes. Also comes with a 1 year manufacturers warranty. New (16) from $42.98 & FREE Shipping. PO-008 Rubber Tip - RYO Parts > Top-O-Matic™ Parts > PO-008 (Rubber Tip) View larger. PO-008 (Rubber Tip) Reference: PO-008. Condition: New product. A rubber tip for the Topomatic™, T2, Mikromatic, and Gambler Tube Cut Cigarette Making Machines. More details Tweet Share Google+ Pinterest ...

PDF SERVICE & REPAIR MANUAL - Bunn-O-Matic Corporation BUNN-O-MATIC COMMERCIAL PRODUCT WARRANTY Bunn-O-Matic Corp. ("BUNN") warrants equipment manufactured by it as follows: 1) Airpots, thermal carafes, decanters, GPR servers, iced tea/coffee dispensers, MCR/MCP/MCA single cup brewers, ther - mal servers and ThermoFresh® servers (mechanical and digital) 1 year parts and 1 year labor. PDF Service Parts Manual Pearl Ice / Water Dispenser Model ... ICE-O-Matic 11100 East 45th Ave Denver, Colorado 80239 ... 4 1011357-114 Right PCB Service Panel 19 1011357-133 Top Panel ... GEMD270 Service Parts FS03 2012 Page 10 Wiring Diagram June 2010 and later Wiring Diagram June 2010 and later. GEMD270 Service Parts FS09 2014 Page 11 Top o' matic T2 filter/tobacco gap problem solved! - YouTube My little modification that I think helps alot with that annoying problem of the tobacco not going all the way to the filter and leaving a gap. For me, somet... Parts for the TopOMatic™ Cigarette Making Machine - RYO Parts Top-O-Matic™ T2 Parts Top-O-Matic™ Parts Smoking Accessories Rolling Papers Premier Supermatic™ Parts Premier Supermatic II™ Parts Premier Excel™ Parts Poweroll™ by Topomatic Parts Poweroll 2™ by Topomatic Parts Mikromatic™ Parts Machine Schematics (Blue Prints) How-to Videos Gambler™ Red (Round) Parts

The new Powermatic 150 manual crank injector, Powermatic 3 ...

The new Powermatic 150 manual crank injector, Powermatic 3 ...

Bunn parts, Bunn replacement parts, Bunn o matic repair ... grx-b Nhs-b thermostat Sprayhead mcu Btx-b Spray head Bx-b SWITCH csb2 nhs 01201.0000 VPR Funnel carafe BTX Warmer switch seal Nhbx lid sprayer Sbs Gasket vps bxb TANK hot water faucet grommet 39850 GRX-B sprayhead Heater BTX B 33200.0001 231387 04314.0001 Element csb3t A-10 36T81 29329.1000 28319.0000 thermal fuse NHBX-B heating element Heat N ...

Top O Matic Cigarette Making Machine for sale | eBay

Top O Matic Cigarette Making Machine for sale | eBay

Top O Matic T2 Half Filled Tube Fix - YouTube Having issues with your TOM T2 filling tubes halfway? Give this a try.

Service Parts - First Choice Building Products, Inc.

Service Parts - First Choice Building Products, Inc.

Top-O-Matic Schematic - RYO Parts Top-O-Matic Schematic (Model with Grip Handle) Reference: PO-Sch2. Click the image to view a larger size or scroll down to download a copy of your own! Availability date: Rating. Read reviews ( 2 ) Write a review. Send to a friend. Send to a friend.

Top o' matic T2 filter/tobacco gap problem solved!

Top o' matic T2 filter/tobacco gap problem solved!

Seeburg Jukebox Manuals & Literature, Instant PDF ... Seeburg, Wall-O-Matic Remote Control & Wall-O-Matic Speaker Remote Systems Play-Boy, Speak Organ Top Spot, Wall-O-Matic (1937-42) Manual & Brochure, Covers ALL selection systems for years above, remote transmitters, receivers, Speakorgan, Wall-O-Matic, Pla-Boy, Selection Receivers, all Speakers and systems pictured above and more!

Parts Order Forms – RYO Service Center

Parts Order Forms – RYO Service Center

Rival parts | Sears PartsDirect Rival parts - manufacturer-approved parts for a proper fit every time! We also have installation guides, diagrams and manuals to help you along the way! ... trust Sears PartsDirect to have the parts you need to get your Rival appliance back into top shape. Rival product parts. Rival ice cream makers parts. More Rival product parts.

Top-O-Matic – RYO Service Center

Top-O-Matic – RYO Service Center

PDF TURBO HYDRAMATIC 400 (3L80, M-40) - Automatic Choice VALVE BODY PARTS Kit Shift Kit®..... 64-98 1 TH400.SK01 Kit Reprogramming Kit™, Heavy Duty & Competition..... 64-98 1 TH400.SK03 Kit Reprogramming Kit™, Competition Only, Stick Shift Full Manual Control.. 64-98 1 TH400.SK02 Kit Reverse Cushion, Corrects Harsh Reverse ...

Dor-O-Matic PB130 4270101806 SU Top Latch Package of 1

Dor-O-Matic PB130 4270101806 SU Top Latch Package of 1

PDF Combo Washer-Dryer Parts Breakdowns - Splendide Comb-o-matic 6000 (WDC1025M) Comb-o-matic 6000 (WDC1025) Comb-o-matic 6100 (LWD1054M) Page 47 to 56 Pre 'M' Models Splendide 2000 (WD802) Splendide 2000 (WD804) Splendide 2000 (NBR5000) 15650 SE 102nd Ave. Clackamas, Oregon - Hours: M-F, 7am-5pm PST Combo Washer-Dryer Parts Breakdowns IMPORTANT: Always contact a Splendide Technician at 1-800 ...

Top-O-Matic Schematic

Top-O-Matic Schematic

comparative cultural studies comparative literature media ... PDF. Postcolonial Studies in the Twenty-first Century: A Book Review Article of Literature for Our Times & Reading Transcultural Cities Alejandra Moreno Álvarez

Submarine Laying Okishima (Plastic model) - HobbySearch ...

Submarine Laying Okishima (Plastic model) - HobbySearch ...

Ice-O-Matic Parts & Manuals - Parts Town Parts Town has a wide variety of Ice-O-Matic manuals and diagrams. You'll find parts manuals to identify correct components to service manuals with helpful maintenance tips. We also offer same day shipping same day shipping is available on all in-stock parts until 9 PM ET Monday-Friday and all online air orders until 4 PM ET Saturday, so your ...

New Top-O-Matic T2 Cigarette Rolling Machine Chrome Maker ...

New Top-O-Matic T2 Cigarette Rolling Machine Chrome Maker ...

Bunn VPR Model Parts - Bunnomatic parts BunnoMatic-parts.com is part of Replacement Part Inc Corporation Supplier of Bunn VPR parts and coffee equipments. In the section of BUNN VPR Parts you will find parts for electrical and operating controls, funnels, pitcher and filter basket, fill basin, hood and top covers (VPR-VPRA), hood and top covers (VPS-VPSA), galley kit, numerical index, tank and components, trunks and panel (VPR-VPRA ...

Manual machine and accessories parts lists

Manual machine and accessories parts lists

LiftMaster Parts Diagrams - Parts Diagrams WLED-267. 8165W. 8365W-267. At Moving Up Garage Door Company we carry a large selection of genuine LiftMaster garage door opener parts. To make it easier to find garage door parts we have create an achieve of parts diagrams by model number. Click here for instructions on where to find your model. Choose from the LiftMaster garage door opener ...

Mik O Matic Rolling Machine, Cape Coral, florida

Mik O Matic Rolling Machine, Cape Coral, florida

Events | Institute for Translational Medicine and ... Symposia. ITMAT symposia enlist outstanding speakers from the US and abroad to address topics of direct relevance to translational science. Read more

Universal - Keystone Brand K-100 Sewing Machine Manual ...

Universal - Keystone Brand K-100 Sewing Machine Manual ...

comparative cultural studies comparative literature media ... Issue 6.1 (March 2004) Thematic Issue: Shakespeare on Film in Asia and Hollywood. Ed. Charles S. Ross

FAB-5000 M54 Soviet High-Explosive Bomb (Plastic model ...

FAB-5000 M54 Soviet High-Explosive Bomb (Plastic model ...

Amazon.com: topomatic replacement parts - New UPBRIGHT New 12V AC/DC Adapter Replacement for Poweroll Electric Cigarette Rolling Maker Injector Machine by Top-O-Matic PR001 SW-120150 King Tube Injector 12VDC DC12V 12 Volts Power Supply Charger. 3.9 out of 5 stars 8. $10.54 $ 10. 54. ... top o matic replacement parts cigarette roller topomatic replacement parts rubber tip ...

Side, back and interior panels | Ice-O-Matic Hotel Dispenser ...

Side, back and interior panels | Ice-O-Matic Hotel Dispenser ...

Bunn Parts & Manuals - Parts Town Parts Town has real OEM Bunn parts, so your unit can stay safe or covered under the manufacturer warranty. Whether it's a cover, switch or O-ring, genuine OEM components and attachments are made to fit and function with your exact piece of equipment. Don't let a broken machine stop you from brewing hot coffee or making icy drinks.

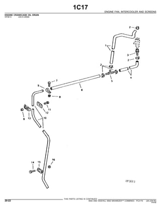
SWITCH A177628 - Case | AVSpare.com

SWITCH A177628 - Case | AVSpare.com

Parts - BUNN Commercial Site - Bunn-O-Matic Corporation Attention. Orders can only be shipped in the United States. Your selected catalog region indicates that you are outside the U.S. Please change your region to North America - U.S. if you wish to check out.

Beer Keg Replacement Parts | Dallas TX | Parkit Market

Beer Keg Replacement Parts | Dallas TX | Parkit Market

Select-O-Speed - Waltstractors.com UF60202 Shift Lever---Replaces C0NN7202B Replaces number C0NN7202B, C0NN-7202-B Fits: Selecto Speed Tractors: 1959 thru 1964

top o matic parts | eBay

top o matic parts | eBay

Blogger.com - Create a unique and beautiful blog. It’s ... Publish your passions your way. Whether you’d like to share your knowledge, experiences or the latest news, create a unique and beautiful blog for free.

Top-O-Matic – RYO Service Center

Top-O-Matic – RYO Service Center

Home Models - Bunn parts, Bunn replacement parts, Bunn o ... grx-b Nhs-b thermostat Sprayhead mcu Btx-b Spray head Bx-b SWITCH csb2 nhs VPR 01201.0000 Funnel carafe BTX Warmer switch seal Nhbx lid Gasket sprayer Sbs vps bxb TANK hot water faucet grommet NHBX-B GRX-B sprayhead 231387 Heater BTX B 33200.0001 04314.0001 Grb Element csb3t A-10 36T81 29329.1000 28319.0000 thermal fuse heating element Heat N ...

Stuffing Your Own : Machines : Crank : Matics : Top-O-Matic ...

Stuffing Your Own : Machines : Crank : Matics : Top-O-Matic ...

1594) - CASE DIESEL TRACTOR (1/85-12/87) (6-180) - RANGE ...

1594) - CASE DIESEL TRACTOR (1/85-12/87) (6-180) - RANGE ...

Ice-O-Matic Undercounter Cuber | ICEU-305 | eReplacementParts.com

Ice-O-Matic Undercounter Cuber | ICEU-305 | eReplacementParts.com

Stuffing Your Own : Machines : Crank : Matics : Top-O-Matic ...

Stuffing Your Own : Machines : Crank : Matics : Top-O-Matic ...

Sloan Regal Parts Breakdown for Flushometer Repair – sloanrepair

Sloan Regal Parts Breakdown for Flushometer Repair – sloanrepair

Bunn - VPR/VPS - Bunn VPR / VPS Series Parts | eTundra

Bunn - VPR/VPS - Bunn VPR / VPS Series Parts | eTundra

John deere 9500 and sidehill9500 maximaizer combines parts ...

John deere 9500 and sidehill9500 maximaizer combines parts ...

John deere 9500 and sidehill9500 maximaizer combines parts ...

John deere 9500 and sidehill9500 maximaizer combines parts ...

The Eleven Group: We now sell Top O Matic and Top O Matic T2 ...

The Eleven Group: We now sell Top O Matic and Top O Matic T2 ...

PO-001 (Injector) READ DESCRIPTION!

PO-001 (Injector) READ DESCRIPTION!

Meat Slicer Parts - Weston Brands

Meat Slicer Parts - Weston Brands

Part 4-4 Disassembly, Reassembly and Adjustment of Premier Supermatic.

Part 4-4 Disassembly, Reassembly and Adjustment of Premier Supermatic.

830-SERIES) - CASE COMFORT KING DRAFT-O-MATIC TRACTORS (S/N ...

830-SERIES) - CASE COMFORT KING DRAFT-O-MATIC TRACTORS (S/N ...

Machine Schematics (Blue Prints) - RYO Parts

Machine Schematics (Blue Prints) - RYO Parts

Beer Keg Replacement Parts | Dallas TX | Parkit Market

Beer Keg Replacement Parts | Dallas TX | Parkit Market

Stuffing Your Own : Machines : Crank : Matics : Servicing ...

Stuffing Your Own : Machines : Crank : Matics : Servicing ...

454 502 7.4 MPI PARTS MANUAL

454 502 7.4 MPI PARTS MANUAL

Parts Order Forms – RYO Service Center

Parts Order Forms – RYO Service Center

Manual machine and accessories parts lists

Manual machine and accessories parts lists

0 Response to "38 top-o-matic parts diagram"

Post a Comment

Iklan Atas Artikel

Iklan Tengah Artikel 1

Iklan Tengah Artikel 2

Iklan Bawah Artikel