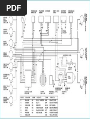
40 yamaha 704 wiring diagram

Yamaha 703 Remote Control Wiring Diagram . Yamaha 704 Remote Control Service Manual . Amazon Com 688 8258a 20 Cable Main Wire Harness For Yamaha . Wiring Diagram Manual For Yamaha 703 Control Ribnet Forums . Wiring Diagram For A Mercury Outboard Ignition Switch . Yamaha 703 Remote Control Wiring Diagram . Yamaha Control Box Wiring Schematic Diagram The Control is a Yamaha 704 and I am connecting to two 85HP 2006 Yamaha outboard motors. The cabling from the motors are from controls 703, 10 pin, I need to figure out the cabling to combine the 704 Dual Control to 703 cabling. Any plans/diagrams of wiring of the 704 and 703 controls would help me immensely. Thanks in advance for your help.

1 Premium 704 Single Engine Binnacle Control Box 704-48205-P1-00 1 Single Engine Key Switch 704-82570-10-00 1 Multifunction Tachometer 6Y5-8350T-83-00 1 Multifunction Speedometer 6Y5-83570-S6-00 1 Speedometer Tube, 8.0 m 6Y5-83557-10-00 2 Clamp 90465-10098-00 10 Clamp 90465-13M39-00 1 Dual Fuse Harness 6Y5-83553-N0-00 1 10-Pin Main Harness See ...

Yamaha 704 wiring diagram

Yamaha 704 wiring diagram

Wiring Diagram For 1999 50 Hp Outboard Ignition Switch. Single Key Switch Panel 12v Assembly For Yamaha Outboard Yacht 704 82570 12 00 Online In Taiwan B07pn5gtxz. Wiring Up Yamaha 30 Boat Design Net. Sierra Mp51040 Ignition Switch Exact Oem For 4 Stroke Yamaha Control Box West Marine. Yamaha Outboards Wiring Diagram Hopesclassicschallenge. yamaha 704 binnacle diagram. yamaha 704 remote control owner's manual. yamaha outboard remote control wiring diagramyamaha 704 remote control troubleshooting. Can anyone provide a link or attach actual pdf? The actual name is "704 Remote Control Box Operation Manual", I'm not making that up. 17 Aug 2019 User manuals, Yamaha Remote ... Cs144 Wiring Diagram- wiring diagram is a simplified up to standard pictorial representation of an electrical circuit.It shows the components of the circuit as simplified shapes, and the capacity and signal links between the devices. A wiring diagram usually gives counsel just about the relative twist and covenant of devices and terminals on the devices, to put up to in building or servicing ...

Yamaha 704 wiring diagram. Yamaha 703 Remote Control Wiring Diagram. April 5, 2019 1. 0. Wiring diagram manual for yamaha 703 7038251040 main switch assy control to helm the box ribnet what instrument gauges can be hooked up remote need help relocating side genuine whaleflo outboard premium instructions pdf trim tilt 150 175 200. Wiring Diagram Manual For Yamaha 703 ... 1 6YC Display Kit with 704 Remote Control 6YC-0E83C-20-00 1 Main Buss Harness, Rear Hub to Front Hub See List. 1. 1 Pigtail Harnesses, Front Hub to Gauges See List. 2. Twin Engines with Mechanical Binnacle Controls - 6YC Display. Select Yamaha Item # to Open in PPT ONLINE STORE Yamaha Outboard Ignition Switch Wiring Diagram - yamaha 115 outboard ignition switch wiring diagram, yamaha outboard ignition switch wiring diagram, yamaha outboard key switch wiring diagram, Every electrical structure consists of various unique components. Each part should be set and linked to other parts in particular way. If not, the structure won't function as it ought to be. Yamaha 704-82570-06-00 Panel, Main Switch Assembly; New # 704-82570-13-00 Made by Yamaha. 5.0 out of 5 stars 2. $150.00 $ 150. 00. Get it Wed, Dec 1 - Mon, Dec 6. FREE Shipping. Only 11 left in stock - order soon. 61A-8258A-00 6K1-8258A-40 Main Wiring Harness 10P for Yamaha Outboard Engine 704 Remote Control Box, 8m/26ft. 4.4 out of 5 stars 2 ...

2004 yamaha f115 ignition problems the hull truth boating and fishing forum single engine key switch panel 704 82570 12 00 wiring diagram outboard center img src data image jpeg base64 9j 4aaqskzjrgabaqaaaqabaad 05 f115tlrd when motor runs 20 to 30 minutes then it stops like ran out of fuel is hard restart but fixing safety issues on… Read More » i need the wiring diagram for late model yamaha 704 control…. Vocational, Technical or Tra... Hi. I'm looking to replace the throttle and key/ignitions controls for a Salt Water Series 2 stroke ('96). Orignal is Yamaha 704 remote control. Yamaha 704 Remote Control Wiring Diagram Wiring Diagram . Yamaha 704 Remote Control Service Manual . Help Needed Yamaha Tach Wiring Page 1 Iboats Boating . 688 8258a 10 00 688 8258a 10 Main Wire Harness For Yamaha Outboard Engine 703 Remote Control Box Extension 6 6ft 2m 10 Pins . I need a parts diagram for a 2002/01 704 yamaha binnacle for a 90TLRA outboard. I found a circlip (E clip) on the floor of inside the center console under the control and assumed it came from the throttle/shift control. I could not find any 2002 info on the net, but found diagrams of later model. the parts microfiche says there are 4 of these ...

Topic: Yamaha 703 Side Mount Controller - output wires definition? tedious. posted 07-28-2010 03:29 PM ET (US) There are 4 individual wires coming out of Yamaha's 703 control box, terminated with bullet connectors. Colors of the wires are red, green, yellow, and black. Does anyone have a definition for each wire? Outboard Engine Wiring Tacklereviewer. 1996 yamaha 115 v4 charging curcuit 2 stroke trxy tach signal outboard repair manual pdf wiring diagram for a aet hp ribnet forums 2003 90 please evinrude johnson help 704 binnacle 2005 115hp 115tlrd mercury diagrams 1997 1998 130hp symptoms of bad trigger clymer 250 two 2000 2018 2002 tlra service engine tacklereviewer up 30 boat design net 1730cc 70 ... Here is a listing of common color codes for Yamaha outboard motors. There is an industry-standard set of wire codes in general use by most manufacturers except Yamaha. Colors listed here may vary with year & model but in general should be a good guide when tracing Yamaha wiring troubles. BATTERY POSITIVE; SW3 Oil warning red light V4. Then again, you have the new version of the Yamaha 704 binnacle mount. I would check inside my boat parked outside but it is tarped and there is a foot of snow on top. If you need it, I can get to it this weekend. The rigging guide (not for the engine) would show you all the hookups/wiring diagram. seabob4

F25ESH Wire harness - Yamaha Outboard Parts Forum

F25ESH Wire harness - Yamaha Outboard Parts Forum

Buy OEM Parts for Yamaha Outboard Parts by Year 1993 Remote Control Comp - Parts (704) Single Diagram

Yamaha 704 Remote Control Wiring Diagram - Wiring Diagram

Yamaha 704 Remote Control Wiring Diagram - Wiring Diagram

61A-8258A-00 6K1-8258A-40 Main Wiring Harness 10P for Yamaha Outboard Engine 704 Remote Control Box, 8m/26ft. 4.4 out of 5 stars. 2. $144.95.

Suzuki Outboards Twin Engines With Twin Stations Wiring ...

Suzuki Outboards Twin Engines With Twin Stations Wiring ...

Yamaha Outboard Tachometer Wiring | Manual E-Books - Yamaha Outboard Tachometer Wiring Diagram. Wiring Diagram includes numerous in depth illustrations that display the relationship of assorted things. It consists of guidelines and diagrams for different kinds of wiring strategies along with other products like lights, home windows, and so forth.

Yamaha Control Box 703/704 Neutral Switch - The Hull Truth ...

Yamaha Control Box 703/704 Neutral Switch - The Hull Truth ...

Yamaha 704 Remote Control Wiring Diagram - wiring diagram is a simplified enjoyable pictorial representation of an electrical circuit. It shows the components of the circuit as simplified shapes, and the facility and signal friends with the devices. A wiring diagram usually gives guidance nearly the relative point and conformity of devices ...

Yamaha 704-85721-00-00 - AFTERMARKET MAIN HARNESS TO YAMAHA CONTROL CONNECTOR | Boats.net

Yamaha 704-85721-00-00 - AFTERMARKET MAIN HARNESS TO YAMAHA CONTROL CONNECTOR | Boats.net

Yamaha Gauge Wiring Diagram The Hull Truth Boating And Fishing Forum. Yamaha engine harness 10 pin connector 1996 115 v4 charging curcuit help 704 binnacle wiring mercury outboard diagrams chrysler quick tach question with tacklereviewer evinrude johnson 1998 150hp salt water diagram for a aet hp 40hp by strange problems the hull to 4 stroke 70hp analog 2010 trim sender ribnet forums 2 repair ...

Yamaha 704 Remote Control Wiring Diagram - Wiring Diagram

Yamaha 704 Remote Control Wiring Diagram - Wiring Diagram

Tweet. #2. 03-25-2010, 02:26 PM. If you are talking wiring inside control box then it only has red,blue and green wire going to trim switch and 2 brown wires going to neutral switch. Here is standard rigging wiring. 6YRW0035F2Wiring.JPG. Regards. Boats.net. Yamaha Outboard Parts.

Yamaha 704 Remote Control Wiring Diagram - Wiring Diagram

Yamaha 704 Remote Control Wiring Diagram - Wiring Diagram

yamaha outboard wiring diagram pdf - A Beginner s Overview of Circuit Diagrams. A first check out a circuit layout may be complicated, however if you can check out a metro map, you could check out schematics. The objective coincides: receiving from point A to aim B. Literally, a circuit is the course that allows electrical power to circulation.

F25ESH Wire harness - Yamaha Outboard Parts Forum

F25ESH Wire harness - Yamaha Outboard Parts Forum

Yamaha 703 Remote Control Box Wiring Diagram. 703 yamaha control wiring to helm the instructions manual pdf genuine remote box ribnet diagram for 7038251030 main switch assy what instrument gauges can be hooked up whaleflo outboard 10 need help relocating side 48205 a4 00 mount.

Yamaha Outboard Rigging Guides - Single Engine with MSM Controls | Boats.net

Yamaha Outboard Rigging Guides - Single Engine with MSM Controls | Boats.net

Yamaha 704 Remote Control Wiring Diagram. Help yamaha 704 binnacle wiring the hull truth boating and fishing forum jump neutral switch in remote box single engine key panel 82570 12 00 linkedin outboard parts diagrams ed stock free same day shipping marine plus suzuki engines controls twin premium control sailinglflo pump 703 manual page 65 ...

Yamaha 704 Remote Control Wiring Diagram - Wiring Diagram

Yamaha 704 Remote Control Wiring Diagram - Wiring Diagram

Here is a listing of common color codes for Yamaha outboard motors. There is an industry-standard set of wire codes in general use by most manufacturers except Yamaha. Colors listed here may vary with year & model but in general should be a good guide when tracing Yamaha wiring troubles.

Yamaha Lagenda Wiring Diagram - FARZYBUZZY

Yamaha Lagenda Wiring Diagram - FARZYBUZZY

Cs144 Wiring Diagram- wiring diagram is a simplified up to standard pictorial representation of an electrical circuit.It shows the components of the circuit as simplified shapes, and the capacity and signal links between the devices. A wiring diagram usually gives counsel just about the relative twist and covenant of devices and terminals on the devices, to put up to in building or servicing ...

I need the wiring diagram for late model yamaha 704 ...

I need the wiring diagram for late model yamaha 704 ...

yamaha 704 binnacle diagram. yamaha 704 remote control owner's manual. yamaha outboard remote control wiring diagramyamaha 704 remote control troubleshooting. Can anyone provide a link or attach actual pdf? The actual name is "704 Remote Control Box Operation Manual", I'm not making that up. 17 Aug 2019 User manuals, Yamaha Remote ...

Yamaha Outboard Electrical Wiring Diagram - Yamaha ...

Yamaha Outboard Electrical Wiring Diagram - Yamaha ...

Wiring Diagram For 1999 50 Hp Outboard Ignition Switch. Single Key Switch Panel 12v Assembly For Yamaha Outboard Yacht 704 82570 12 00 Online In Taiwan B07pn5gtxz. Wiring Up Yamaha 30 Boat Design Net. Sierra Mp51040 Ignition Switch Exact Oem For 4 Stroke Yamaha Control Box West Marine. Yamaha Outboards Wiring Diagram Hopesclassicschallenge.

Yamaha Outboard Tachometer Wiring Diagram - Wiring Diagram ...

Yamaha Outboard Tachometer Wiring Diagram - Wiring Diagram ...

Yamaha 703 Controller Wiring Harnes - Fuse & Wiring Diagram

Yamaha 703 Controller Wiring Harnes - Fuse & Wiring Diagram

Yamaha 750 Wiring Diagram - Yamaha xs750 wiring diagram ...

Yamaha 750 Wiring Diagram - Yamaha xs750 wiring diagram ...

2005 Yamaha Road Star 1700 Wiring Diagram - Style Guru ...

2005 Yamaha Road Star 1700 Wiring Diagram - Style Guru ...

Yamaha Outboard Control Wiring - Wiring Diagram Schemas

Yamaha Outboard Control Wiring - Wiring Diagram Schemas

Yamaha Mt 09 Wiring Diagram

Yamaha Mt 09 Wiring Diagram

Yamaha 704 Remote Control Diagram​, Jobs EcityWorks

Yamaha 704 Remote Control Diagram​, Jobs EcityWorks

Yamaha Outboard Key Switch Wiring Diagram Database

Yamaha Outboard Key Switch Wiring Diagram Database

BEST PDF 2012 Yamaha Raider Wiring Diagram

BEST PDF 2012 Yamaha Raider Wiring Diagram

Yamaha 704 Remote Control Wiring Diagram - Wiring Diagram

Yamaha 704 Remote Control Wiring Diagram - Wiring Diagram

Yamaha 704 Remote Control Diagram​, Jobs EcityWorks

Yamaha 704 Remote Control Diagram​, Jobs EcityWorks

Yamaha 704 Remote Control Wiring Diagram - Wiring Diagram

Yamaha 704 Remote Control Wiring Diagram - Wiring Diagram

Wiring Diagram For 2008 Yamaha Roadliner Motorcycle ...

Wiring Diagram For 2008 Yamaha Roadliner Motorcycle ...

Yamaha 704 Remote Control Wiring Diagram - Wiring Diagram

Yamaha 704 Remote Control Wiring Diagram - Wiring Diagram

70 Hp Yamaha 2 Stroke Wiring Diagram - Wiring Diagram Networks

70 Hp Yamaha 2 Stroke Wiring Diagram - Wiring Diagram Networks

Ignition Switch Wiring Diagram 1973 Dt3 Yamaha Motorcycle ...

Ignition Switch Wiring Diagram 1973 Dt3 Yamaha Motorcycle ...

Yamaha 704 Remote Control Wiring Diagram - Wiring Diagram

Yamaha 704 Remote Control Wiring Diagram - Wiring Diagram

BINNACLE MOUNT REMOTE CONTROL INSTALLATION AND USER'S GUIDE | Crowley Marine

BINNACLE MOUNT REMOTE CONTROL INSTALLATION AND USER'S GUIDE | Crowley Marine

Yamaha Rhino 660 Wiring Diagram - Wiring Diagram

Yamaha Rhino 660 Wiring Diagram - Wiring Diagram

Neutral Safety Switch Replacement Yamaha 704 | Dedicated To The Smallest Of Skiffs

Neutral Safety Switch Replacement Yamaha 704 | Dedicated To The Smallest Of Skiffs

Wiring Diagram For Yamaha Grizzly 700 - PUTERI-HANNA

Wiring Diagram For Yamaha Grizzly 700 - PUTERI-HANNA

Yamaha 704 Remote Control Wiring Diagram - Wiring Diagram

Yamaha 704 Remote Control Wiring Diagram - Wiring Diagram

Buy ATFWEL Main Switch Panel Single Engine Key Switch Panel Assembly On-Off-Start 704 Control Box for Yamaha Outboard Yacht 704-82570-12-00 704-82570-08-00 Online in Italy. B0917LYBDN

Buy ATFWEL Main Switch Panel Single Engine Key Switch Panel Assembly On-Off-Start 704 Control Box for Yamaha Outboard Yacht 704-82570-12-00 704-82570-08-00 Online in Italy. B0917LYBDN

Smart Car Wiring Diagram Gimnazijabp Me At Diagrams ...

Smart Car Wiring Diagram Gimnazijabp Me At Diagrams ...

2000 Yamaha Big Bear 400 Wiring Diagram - General Wiring ...

2000 Yamaha Big Bear 400 Wiring Diagram - General Wiring ...

Yamaha 704 Remote Control Installation Manual

Yamaha 704 Remote Control Installation Manual

Yamaha 704 Remote Control Wiring Diagram - Wiring Diagram

Yamaha 704 Remote Control Wiring Diagram - Wiring Diagram

0 Response to "40 yamaha 704 wiring diagram"

Post a Comment

Iklan Atas Artikel

Iklan Tengah Artikel 1

Iklan Tengah Artikel 2

Iklan Bawah Artikel