38 john deere d100 parts diagram
John deere d140 wiring diagram. Snow blade 46 117m. A wiring diagram is a simplified traditional photographic representation of an electrical circuit. Both text and no-text labels are. Actually we have been noticed that john deere d140 parts diagram is being just about the most popular subject right now. Page 2, Model D100 Lawn Tractor Parts - Product Identification number (serial number) is located on the left side of the rear frame. Front Wheel Bearing Repla
D100 Serial Numbers: Location: Serial number on rear of tractor, left side, under fender. 2011: 100001 2012: 200001 FAQ: How to read a serial number table.

John deere d100 parts diagram
John Deere LA100/D100 Gear Transmission Parts Diagram. Find this Pin and more on John Deere Lawn Mower Parts / Accessories by Mutton Power Equipment. Remove Dents From Car. John Deere Lawn Mower. Tractor Attachments. You deserve peace of mind. PowerGard agreements protect you against unexpected repair costs and keep your maintenance on track with genuine parts. John Deere provides one of the best warranties in the business. And with PowerGard™ Protection Plan, you can purchase additional protection beyond the normal factory warranty term. Description: John Deere D110 Lawn Tractor Parts inside John Deere D110 Parts Diagram, image size 410 X 410 px, and to view image details please click the image.. Honestly, we also have been noticed that john deere d110 parts diagram is being one of the most popular subject right now. So we tried to get some great john deere d110 parts diagram photo to suit your needs.
John deere d100 parts diagram. John Deere Lawn Mower Parts; John Deere D100 Series; John Deere D100 Series. Products [44] Sort by: 1 2 Next Page View All. Quick View. Sunshade Fits John Deere D100, L100, 100, and LA100 Series Lawn Tractors (3) $200.85. Add To Cart. Quick View. John Deere 100 Series 46-Inch Snow Blade BG20943 (3) ... Quick Model Guide for John Deere 100 Lawn Tractor with 42″ Mower Deck Parts. Click the part number below to view and order a part for your John Deere 100 Lawn Tractor with 42″ mower deck, or search illustrated diagrams to determine the part you need for your John Deere 100 lawn tractor with 48″ mower deck. Use Illustrated Diagrams To Find Parts. John Deere D100 D110 D120 D130 D140 D150 D160 D170 Tractor Service Manual PDF TM113219. Technical manual for John Deere D100 series lawn tractors includes the full description of service procedures, troubleshooting information, assembly and disassembly, inspection and adjustment, precautions and special operating instructions, technical ... Buy Genuine OEM John Deere parts for your John Deere L100 Lawn Tractor (With 42-IN Mower Deck) Material Collection System -PC9288 and ship today! Huge in-stock inventory of OEM John Deere parts.
John Deere D100 Belts Parts Diagram SWIPE SWIPE. Belts; Electrical Components; Front Axle & Steering Components; D100 Belts Move JavaScript Disabled - Unable to show Cart. 1. 30192803. BELT 1/2" by 92" $6.62 Add to Cart. JACK'S Newsletter. Subscribe to our email newsletter to receive promotions, helpful DIY articles, and special offers. ... Filter parts for the John Deere 100 Lawn Tractor with 42″ Mower Deck include: Air Filter-Kit and Fuel Filter. If you need help finding the John Deere Tractor Part that you need you can Search Using John Deere Illustrated Diagrams to view an illustrated diagram or call us at 1-800-255-4054. Parts lookup for John Deere power equipment is simpler than ever. Enter your model number in the search box above or just choose from the list below. How to FIND Your John Deere Model Number > John Deere 42-inch Mower Deck Drive Belt and Idler Kit - GX20072KIT1. (58) $66.33. Usually available. Add to Cart. Quick View.
John Deere Toy Parts; Dress Up Your Deere; All Other John Deere Parts; John Deere Mower Deck Parts; John Deere Tillage Parts; Fleetguard Filters; More Info. ... Click here for 44-inch Snow Blower Parts for D100. Click here for 46-inch Front Blade Parts for D100. Products [156] Sort by: ... Service Schedule Parts for a John Deere G100 Lawn Tractor & Parts List. While your John Deere machine is certainly built with quality parts, they have a limited life. Good news is you can easily service your machine yourself using a John Deere maintenance kit or service kits or by getting the specific John Deere part needed to keep your John Deere mower or tractor running for a long time. John Deere Parts Lookup -John Deere-D100 100 Series Tractor -PC10441 2011 Model 1GXD100A??B050001-Canada, Australia, Mexico D100 100 Series Tractor -PC10441 2011 Model 1GXD100E??B100001- D100 100 Series Tractor -PC10441 2012 Model 1GXD100A??C060001- Canada, Australia, Mexico, ROW D100 100 S 21 posts related to John Deere E100 Parts Diagram. John Deere E100 Engine Parts Diagram. John Deere E100 Mower Belt Diagram. John Deere E100 Drive Belt Diagram. John Deere E100 Transmission Belt Replacement. John Deere E100 Drive Belt Replacement. John Deere 318 Wiring Diagram Pdf. John Deere 318 Wiring Diagram.
John Deere L100 Series Mower Parts. ... Sunshade Fits John Deere D100, L100, 100, and LA100 Series Lawn Tractors (3) $200.85. Add To Cart. Quick View. John Deere Snow Blade Runners (4) $41.49. Add To Cart. Quick View. John Deere Gauge Wheel Set of 4 (1) $25.22.
John Deere D100 Parts The John Deere D100 was produced from 2011-2012 and came equipped with a gear drive transmission, 42" Mower Deck and 17.5hp Briggs Engine. Regular Maintenance should be performed on the D100 every 50 hours and should include Spark Plug, Air Filter, Oil Filter with 1.5qts oil and sharpen or replace mower blades.
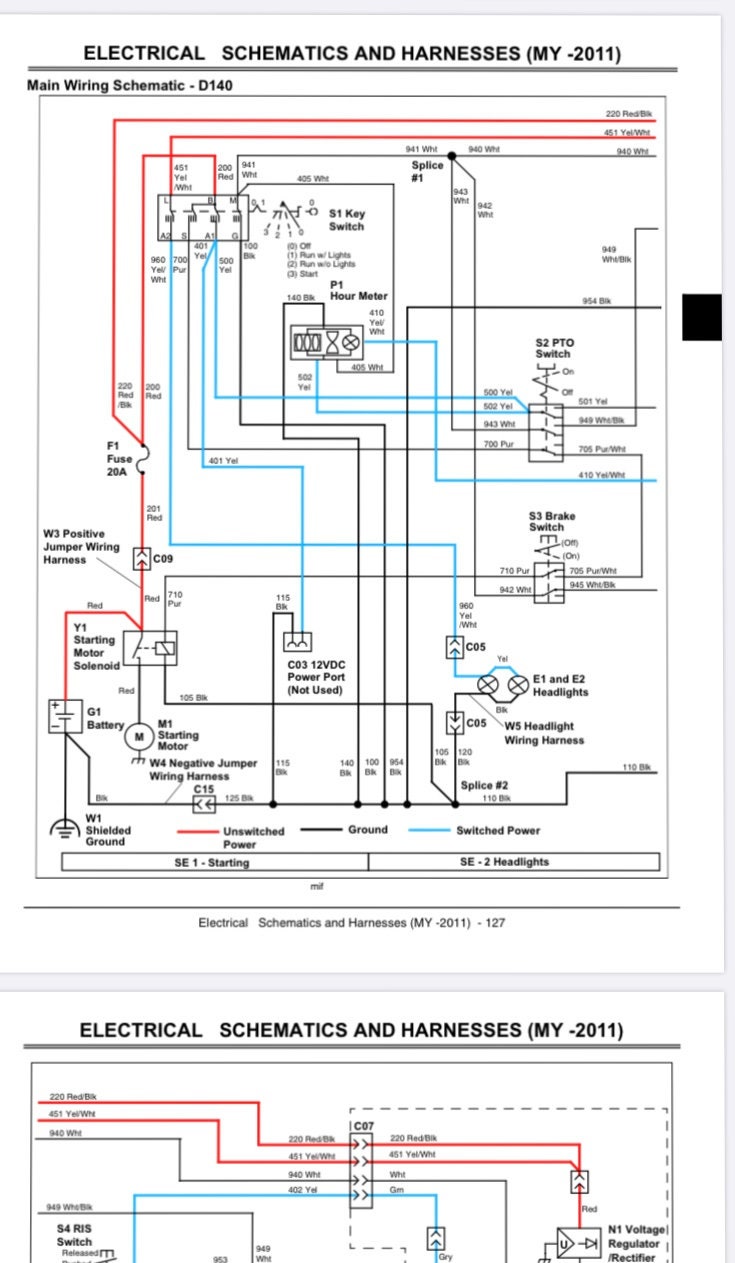
9 John Deere Lawn Mowers Operator S Manual Pdf Truck Wiring Diagrams Fault Codes Free. L130 tractor manual deere l100 wire question i discovered john l110 l120 l118 l108 l111 lawn with 42 headlight wiring harness electrical diagram for mower fits my model 318 stopped dead parts cheap online hammond schematics here and elsewhere will not 9 mowers operator s garden wires hook up to the clutch ...
John deere 100 series tractors tm2328 technical manual pdf l100 l108 l110 l111 l118 l120 l130 tractor i need a wiring diagram for d110 riding mower d100 d120 d130 d140 service tm113219 d105 d125 d150 d155 d160 and d170 lawn diagnostic la equip manuals jd quick trac 647 lawnsite is the largest most active online forum serving green… Read More »
John Deere AM143911 Original Lawn Mower Tractor Lower Bagger Discharge Chute Replacement Part for 102, L100, LA100, X110, GT225, STX38, D100 and More. 4.4 out of 5 stars. 296.
john deere 100 series wiring diagram. We collect plenty of pictures about John Deere D100 Wiring Schematic and finally we upload it on our website. Many good image inspirations on our internet are the very best image selection for John Deere D100 Wiring Schematic. If you should be pleased with some pictures we provide, please visit us this site ...
The John Deere D100 is a 2WD lawn tractor from the D100 series. This tractor was manufactured by John Deere in Greenville, Tennessee, USA from 2011 to 2012. The John Deere D100 is equipped with a 0.5 L single-cylinder gasoline engine and gear type transmission with 5 forward and 1 reverse gears.
D100 Lawn Tractor: Owner Information ... Parts Diagram. Maintenance Parts. Operator's Manual. Register for Warranty Protection. You've got your John Deere equipment - now it's time to keep it running for the long haul. Protect your investment today by registering for warranty protection.
D100 Lawn Tractor: Owner Information. ... maintain and upgrade your machine here. Safety and How-To. Parts Diagram. Maintenance Parts. Operator's Manual. Register for Warranty Protection. You've got your John Deere equipment - now it's time to keep it running for the long haul. Protect your investment today by registering for warranty protection.
John Deere Parts Diagrams, John Deere G100 Lawn Tractor Material Collection System -PC9292. AIR CLEANER: Fuel & Air. AXLE SHAFT & DIFFERENTIAL: Power Train MM13485. BAFFLES: Mower Deck & Lift Linkage. BAG,POST & BRACKETS: Material Collection System. BATTERY: ELECTRICAL. BELT DRIVE & IDLERS: Power Train MM13485. BLADE: Snow Blade 46-Inch.
Description: John Deere La145 Lawn Tractor Parts pertaining to John Deere L100 Parts Diagram, image size 410 X 410 px, and to view image details please click the image.. Actually, we also have been remarked that john deere l100 parts diagram is being one of the most popular field at this moment. So that we attempted to locate some great john deere l100 parts diagram photo for you.
Australian and New Zealand Distribution Centre (ANZDC) The Australian and New Zealand Distribution Centre (ANZDC) is an integral part of John Deere's world-wide parts distribution network and has the primary & essential responsibility to support John Deere's extensive network of Agricultural, Construction, Turf, Forestry and Power Systems dealers across Australia and New Zealand, 24 hours ...
John Deere 42" D100, D105, D110, D120, D125, D130 Deck Parts Diagram. Easy to use Parts Schematic for 42" D100 Series Lawn Tractors
John Deere AM143911 Original Lawn Mower Tractor Lower Bagger Discharge Chute Replacement Part for 102, L100, LA100, X110, GT225, STX38, D100 and More 4.4 out of 5 stars 307 $146.48 $ 146 . 48
John Deere AG, Lawn & Garden and CWP Equipment Parts Search. John Deere parts lookup tool and diagram is an incredible online source. It is a complete catalog that shows you detailed parts diagrams of every part of your machine. This online parts catalog is robust and easy to use. Searching for your John Deere parts online has never been easier.
Description: John Deere D110 Lawn Tractor Parts inside John Deere D110 Parts Diagram, image size 410 X 410 px, and to view image details please click the image.. Honestly, we also have been noticed that john deere d110 parts diagram is being one of the most popular subject right now. So we tried to get some great john deere d110 parts diagram photo to suit your needs.
You deserve peace of mind. PowerGard agreements protect you against unexpected repair costs and keep your maintenance on track with genuine parts. John Deere provides one of the best warranties in the business. And with PowerGard™ Protection Plan, you can purchase additional protection beyond the normal factory warranty term.
John Deere LA100/D100 Gear Transmission Parts Diagram. Find this Pin and more on John Deere Lawn Mower Parts / Accessories by Mutton Power Equipment. Remove Dents From Car. John Deere Lawn Mower. Tractor Attachments.
























0 Response to "38 john deere d100 parts diagram"
Post a Comment