37 craftsman mts 5500 belt diagram

craftsman repair manuals. craftsman mts 5500 belt diagram. craftsman g5500 manual. Oct 10, 2013 The Craftsman GT 5000 series garden tractors were manufactured for Sears stores Guide the belt fully around the center span idler pulley, the stationary idlerI have a Sears Craftsman lawn tractor with a grass cutter and I want to know Instruction ...

Craftsman LT2000 Lawn Mower Belt Diagram images, similar and related articles aggregated throughout the Internet.

30 Craftsman Riding Lawn Mower Belt Diagram. diamondpart99.ga. CRAFTSMAN LAWN TRACTOR Parts Model 1. Thank you for your inquiry on your Craftsman Tractor, Model: 1.

Craftsman mts 5500 belt diagram

Craftsman mts 5500 belt diagram

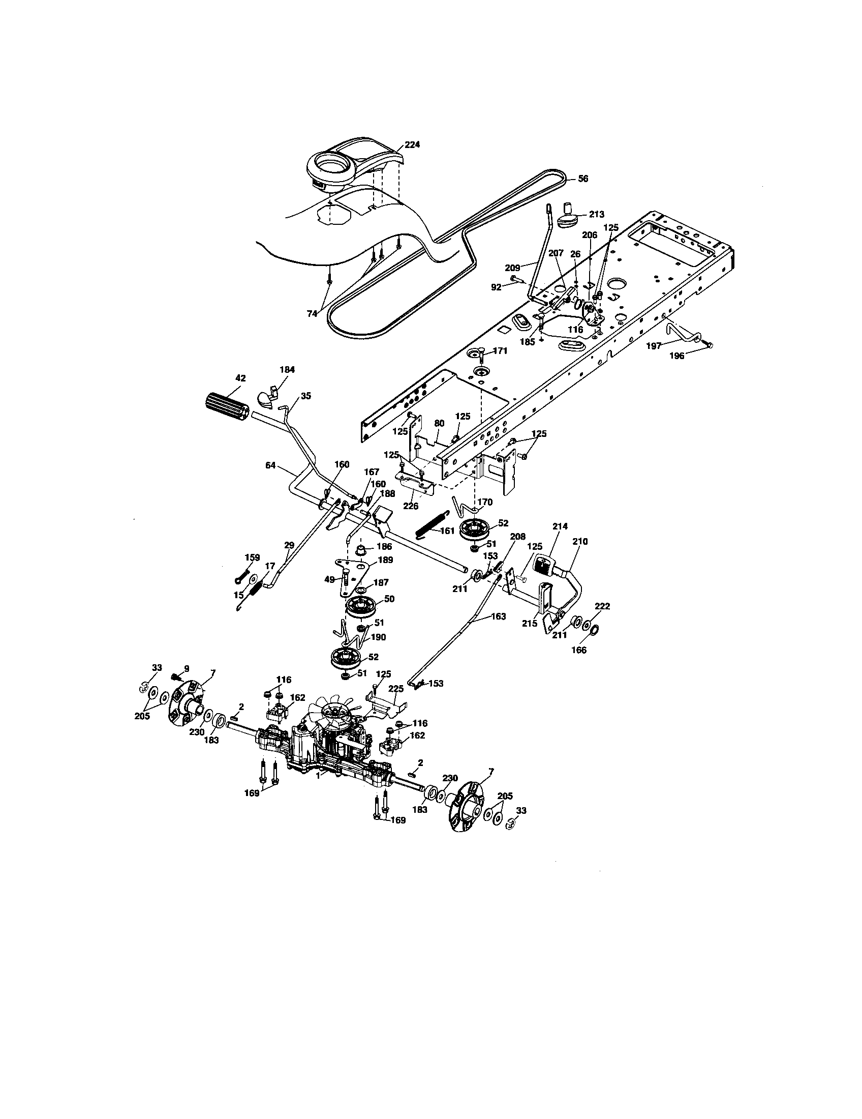
Craftsman mts 5500 belt diagram. Diagram for craftsman 5500 mts deckbelt. Use our part lists interactive diagrams accessories and expert repair advice to make your repairs easy. Lawn tractor ground drive belt part 140218 pix kevlar. Craftsman 917287420 front engine lawn tractor parts manufacturer approved parts for a proper fit every time. ...

38 craftsman 46 mower deck parts diagram - Diagram Resource. Law Details: Craftsman 46 mower deck parts diagram.With a quick-starting 18-1/2 HP* Briggs and Stratton® engine, the T140 riding mower fires up reliably with no prime and no choke. Take on more with a durable 46 in. steel deck and deliver professional results with foot pedal control of the automatic transmission. craftsman 42 mower ...

Craftsman GT 5000 ground drive belt routing diagram. answers.com. The routing diagram for a Craftsman GT 5000 ground drive belt shows how the best must be wrapped around each pulley. It can typically be found on...

Craftsman mts 5500 belt diagram.

Craftsman Mts 5500 Belt Diagram. 13.04.2019 13.04.2019 0 Comments on Craftsman Mts 5500 Belt Diagram. Additionally, there is usually a spring tensioner pulley that rides against the belt to allow it to work and for ease of routing. The second belt goes. How to Put a Belt on a Craftsman FS Riding Lawn Mower.

Craftsman Pdf User Manuals. View online or download Craftsman Operator's Manual. we have a Craftsman garden tractor dgs model the belt came off. There is not a diagram anywhere on the mower to show how to put the belt back on. I asked an online chat representative for the manual including a belt diagram, but the manual shows that the R.H ...

Assortment of craftsman mts 5500 belt diagram wires layout. A electrical wiring representation is actually a efficient typical photo portrayal of an power circuit. It presents the elements of the circuit as efficient kinds, as well as also the power along with signal hyperlinks in between the gizmos.

By Ksenia Anatolyevna On June 10, 2021 In Wiring Diagram 270 views ★ ★ ★ ★ ★ Craftsman 5500 Lawn Tractor Wiring, 4.01 / 5 ( 267 votes ) Top Suggestions Craftsman 5500 Lawn Tractor Wiring : ...

Craftsman Lawn Mower Model 917.276884 Parts. Michael Wilson. Briggs & Stratton Inter 24HP OHV Gas Engine . The drive belt broke today on my Craftsman model # 917255441 riding lawn tractor. We also have installation guides, diagrams and manuals to help you along the way! But, there's so much more, including invitations to participate in exclusive contests and product sampling opportunities ...

Best Riding Lawn Mower Under 1000 : Craftsman Mts 5500 Belt Diagram : With a cub cadet tractor or lawn. 21 Oct, 2021 Post a Comment All riding lawn mowers fall into one of four classes. If you have a large garden or lawn at your residence, a cub cadet tractor is a wonderful piece of equipment for common maintenance jobs. If your machine refuses ...

Tag - craftsman g5500 drive belt diagram. Riding Lawn Mowers Like new Craftsman G5600 2017 Riding Lawn Mower. Featured Posts. Honda HRX217HZA 3rd edition Electric Start Lawn Mower. Neuton Battery Powered Lawn Mower Model CE 6.3.

SOLVED: How to replace drive belt on Craftsman riding mower ...

Solved: how to replace drive belt on craftsman riding mower ...

How to install drive belt on a Craftsman GT5000 917.275971 ...

How to install drive belt on a craftsman gt5000 917.275971 ...

On craftsman els 917/288700 should new ground drive belt rub ...

On craftsman els 917/288700 should new ground drive belt rub ...

Dewalt DW715 | Parts Diagram

Dewalt dw715 | parts diagram

Craftsman 917288420 front-engine lawn tractor parts | Sears ...

Craftsman 917288420 front-engine lawn tractor parts | sears ...

Husqvarna 2348 LS (96043004400) (2008-01) Parts Diagram for ...

Husqvarna 2348 ls (96043004400) (2008-01) parts diagram for ...

Craftsman lawn mower won't move - Motor Vehicle Maintenance ...

Craftsman lawn mower won't move - motor vehicle maintenance ...

SOLVED: I need a actual picture of the installed drive belt ...

Solved: i need a actual picture of the installed drive belt ...

CRAFTSMAN 28947 - GT 5000 26 HP/54

Craftsman 28947 - gt 5000 26 hp/54" garden tractor operator's ...

SOLVED: Diagram for drive belt craftman 50in deck 6 speed - Fixya

Solved: diagram for drive belt craftman 50in deck 6 speed - fixya

How to put belt on the mower deck - Craftsman Riding Mower ...

How to put belt on the mower deck - craftsman riding mower ...

Drive Belt Install GT6000 Hydro Craftsman

Drive belt install gt6000 hydro craftsman

CRAFTSMAN CRAFTSMAN T150 46-IN RIDING MO in the Gas Riding ...

Craftsman craftsman t150 46-in riding mo in the gas riding ...

How to replace a riding lawn mower blade drive belt | Repair ...

How to replace a riding lawn mower blade drive belt | repair ...

I have a Craftsman 917.28990 26 hp tractor, the drive belt ...

I have a craftsman 917.28990 26 hp tractor, the drive belt ...

Craftsman 917275280 front-engine lawn tractor parts | Sears ...

Craftsman 917275280 front-engine lawn tractor parts | sears ...

Craftsman Riding Lawn Mower Deck V-Belt Replacement #532429636

Craftsman riding lawn mower deck v-belt replacement #532429636

How to replace a ground drive belt on a riding lawn mower ...

How to replace a ground drive belt on a riding lawn mower ...

SOLVED: Reverse gradually fades to zero - Craftsman Riding ...

Solved: reverse gradually fades to zero - craftsman riding ...

Craftsman PTO belt replacement

Craftsman pto belt replacement

X320 transmission pump belt | My Tractor Forum

X320 transmission pump belt | my tractor forum

26hp,2008 craftsman yd tractor. while blowing snow the unit ...

26hp,2008 craftsman yd tractor. while blowing snow the unit ...

Craftsman craftsman lawn tractor deck in Lawn Mower Parts | eBay

Craftsman craftsman lawn tractor deck in lawn mower parts | ebay

T310 54-in. 24.0 HP* Hydrostatic Riding Mower with Turn Tight ...

T310 54-in. 24.0 hp* hydrostatic riding mower with turn tight ...

How to replace a ground drive belt on a riding lawn mower ...

How to replace a ground drive belt on a riding lawn mower ...

Craftsman 917276884 front-engine lawn tractor parts | Sears ...

Craftsman 917276884 front-engine lawn tractor parts | sears ...

Craftsman 917273050 User Manual GARDEN TRACTOR Manuals And ...

Craftsman 917273050 user manual garden tractor manuals and ...

Craftsman Lawn Tractor Wiring Schematic Mower Diagram ...

Craftsman lawn tractor wiring schematic mower diagram ...

Craftsman 107.289920, 28992 MOWER BELT REPLACEMENT

Craftsman 107.289920, 28992 mower belt replacement

Sears Craftsman 24.0 h.p 48

Sears craftsman 24.0 h.p 48" lawn mower tractor mts5500 parts manual 917.288420 | ebay

Gravely 992272 (070000 - 074999) Pro-Turn 260 Parts Diagram ...

Gravely 992272 (070000 - 074999) pro-turn 260 parts diagram ...

Josh Brown - YouTube | Craftsman riding lawn mower, Lawn ...

Josh brown - youtube | craftsman riding lawn mower, lawn ...

Help with a Craftmans T1200 Model #247203722 | My Tractor Forum

Help with a craftmans t1200 model #247203722 | my tractor forum

Belt replacement on mod. 917.276020 mower - Craftsman Riding ...

Belt replacement on mod. 917.276020 mower - craftsman riding ...

Craftsman 28742 26 hp 48 in. Deck, MTS 5500 Monster Tractor

Craftsman 28742 26 hp 48 in. deck, mts 5500 monster tractor

SOLVED: Craftsman lt2000 drive belt. The top belt, I - Fixya

Solved: craftsman lt2000 drive belt. the top belt, i - fixya

0 Response to "37 craftsman mts 5500 belt diagram"

Post a Comment

Iklan Atas Artikel

Iklan Tengah Artikel 1

Iklan Tengah Artikel 2

Iklan Bawah Artikel