35 2004 chevy cavalier wiring diagram

2 Wire Thermostat Wiring Diagram Heat Only Honeywell. Print the electrical wiring diagram off in addition to use highlighters in order to trace the circuit. When you make use of your finger or even the actual circuit together with your eyes, it's easy to mistrace the circuit. A single trick that I actually use is to print a similar wiring ... 99 cavalier starter wiring diagram professional 98 chevy. Architectural wiring diagrams behave the approximate locations and interconnections of receptacles, lighting, and enduring electrical services in a building. Interconnecting wire routes may be shown approximately, where particular receptacles or fixtures must be upon a common circuit.

2001 cavalier wiring schematic. Use of the information above is at your own risk. Connector for 2 terminal pressure switches. Whether your an expert chevrolet electronics installer or a novice chevrolet enthusiast with a 2001 chevrolet cavalier a car stereo wiring diagram can save yourself a lot of time. 1990 chevrolet c1500 2dr ext cab pickup ...

2004 chevy cavalier wiring diagram

2004 chevy cavalier wiring diagram

2004 Chevy Cavalier Stereo Wiring Diagram - 2004 chevy cavalier car stereo wiring diagram, 2004 chevy cavalier factory radio wiring diagram, 2004 chevy cavalier stereo wiring diagram, Every electrical structure is composed of various different components. Each component ought to be set and linked to other parts in particular manner. Otherwise, the structure will not function as it should be. 03 Chevy 2500 Wiring Diagram Wiring Diagram 2004 Chevy Silverado Wiring Diagram. A wiring diagram usually gives information approximately the relative perspective and pact of devices. - Figure A - Figure B. Here are the complete wiring harness schematics for the 73-87 series pickups. Your Destination for GM Truck Parts. Chevy cavalier stereo wiring diagram chevrolet car radio audio 2002 installation i need a for and pontiac sunfire 1995 2005 harness Chevy Cavalier Stereo Wiring Diagram My Pro Street Chevrolet Car Radio Stereo Audio Wiring Diagram Autoradio Connector Wire Installation Schematic Schema Esquema De Conexiones Anschlusskammern Konr Chevy Cavalier Stereo Wiring Diagram My Pro Street … Read More »

2004 chevy cavalier wiring diagram. 2003-2005 Chevrolet Cavalier Service and Repair Manual Chevrolet Cavalier 1995-2005 Factory Workshop Service Manual 2004 CHEVY / CHEVROLET Cavalier Owners Manual Chevrolet Cavalier Free Workshop and Repair Manuals Chevrolet Cavalier. The Chevrolet Cavalier is a compact car that was designed and manufactured by General Motors and wa produced ... Ignition System Wiring Diagram 2004 2006 2 2l Chevrolet Malibu ... Diagram 2004 Chevy Cavalier Ignition Switch Wiring Diagrams Ignition Switch Connections Gh 1686 Jcb Backhoe Wiring Diagram Likewise Excavator Final Ydong Universal Tractor Plant Ignition Switch Fits Massey Chevy cavalier and pontiac sunfire 1995 radio chevrolet ls sport 2003 no high beams heater fan wiring installation fuse diagra stereo diagram to starter i have 5 2000 diagrams all for Chevy Cavalier And Pontiac Sunfire 1995 2000 Wiring Diagrams Repair Guide Autozone Radio Chevrolet Cavalier Ls Sport 2003 System Wiring Diagrams 자동차 배선도 […] Description: Add 5.39 Hp To Chevy Cavalier Ecotec And Pontiac Sunfire Ecotec within 2004 Chevy Cavalier Engine Diagram, image size 750 X 551 px Description : Chevrolet Cavalier Questions - I Have A 04 Chevy Cavalier And in 2004 Chevy Cavalier Engine Diagram, image size 900 X 661 px

Stereo Wiring Diagrams | Subcribe via RSS. 1996 Chevrolet Cavalier. March 31st, 2012 ... 2004 Chevrolet Cavalier. March 31st, 2012 | No Comments | Posted in Chevrolet Cavalier. 2005 Chevrolet Cavalier. March 31st, 2012 | 1 Comment | Posted in Chevrolet Cavalier. Newer Entries » ... 4wd airbag ecmi hvac and trans fuses 2006. Trailblazer fuel pump wiring diagram. We sell a replacement pump that comes with an updated pigtail with. This is a image galleries about 2004 trailblazer wiring schematicyou can also find other images like wiring diagram parts diagram replacement parts electrical diagram repair manuals engine diagram ... Under Hood Fuse Box Diagram Chevrolet Silverado 2003 2004 2005. Chevrolet truck fuse box diagrams. 1996 chevy 1500 wiring diagram - welcome to my website this blog post will certainly go over about 1996 chevy 1500 wiring diagram. 27 rows Fuse box diagram location and assignment of electrical fuses and relays for Chevrolet. This is a image galleries about 2004 Chevrolet Cavalier Engine can also find other images like wiring diagram, parts diagram, replacement parts, electrical diagram, repair manuals, engine diagram, engine scheme, wiring harness, fuse box, vacuum diagram, timing belt, timing chain, brakes diagram, transmission diagram, and engine problems.

December 13, 2020 · Wiring Diagram. by Hadir. 277 Volt Wiring Diagram - 277 volt 3 way switch wiring diagram, 277 volt ballast wiring diagram, 277 volt motor wiring diagram, Every electric structure is made up of various different parts. Each component should be set and connected with different parts in specific manner…. Headlight Leveling Motor Switch Wiring Diagram Vw Vortex Volkswagen Forum. I need a electrical wiring diagram for 2001 chevy cavalier headlights daytime 2000 and pontiac sunfire 1995 1998 headlight draw issue gm 2004 low beam p 2002 head lights wipers 96 sedan headlamp ground wire my 2003 no high beams 1997 lowbeam chevrolet fuse 1996 have leveling motor switch radiator car pdf manual z24 part ... 2000 chevy cavalier radio wiring diagram. 2000 chevrolet cavalier car stereo radio wiring diagram car radio constant 12v wire. Use of the information above is at your own risk. Black car radio illumination wire. Listed below is the vehicle specific wiring diagram for your car alarm remote starter or keyless entry installation into your 2000 ... Edraw 2004 chevrolet cavalier stereo wiring diagram html wiring diagram software is a particularly designed application automating the creation of 2004 chevrolet cavalier stereo wiring diagram html wiring diagrams with built in symbols. Kamar Dinding Bertema Kartun Chil97 Tips Trik In 2020 Chevy Impala Chevy Silverado Truck Stereo .

29 2002 Chevy Cavalier Serpentine Belt Diagram - Free ...

29 2002 Chevy Cavalier Serpentine Belt Diagram - Free ...

Basic Radio Wiring Diagram. Car stereo head unit wire harness guide to wiring harnesses radio diagram for android 2010 ford f 150 aftermarket colors quality audio systems jensen 2004 chevy cavalier some diagrams the members bmw 128i system. Jensen Car Radio Stereo Audio Wiring Diagram Autoradio Connector Wire Installation Schematic Schema ...

2002 Chevy Cavalier Cooling System Diagram - Wiring Site Resource

2002 Chevy Cavalier Cooling System Diagram - Wiring Site Resource

Chevrolet avalanche fuse box diagram engine compartment 1 gasoline engine and fuel injection rail 2. 2002 chevy avalanche bcm wiring diagram. Chevrolet avalanche 2006 front electrical circuit wiring diagram chevrolet silverado 5700 1999 electrical circuit wiring diagram chevrolet astro 2001 engine electrical circuit wiring diagram.

2004 Chevy Cavalier Brake Line Diagram - Wiring Site Resource

2004 Chevy Cavalier Brake Line Diagram - Wiring Site Resource

2004 Gmc Sierra Wiring Diagram from ww2.justanswer.com. Print the wiring diagram off plus use highlighters to trace the signal. When you make use of your finger or perhaps the actual circuit with your eyes, it is easy to mistrace the circuit. 1 trick that We 2 to printing a similar wiring plan off twice.

Get 2002 Chevy Cavalier Ignition Wiring Diagram Pictures ...

Get 2002 Chevy Cavalier Ignition Wiring Diagram Pictures ...

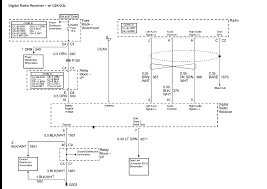
2004 Chevrolet Cavalier. March 31st, 2012 Posted in Chevrolet Cavalier. 2004 Chevrolet Cavalier Stereo Wiring Information. Radio Battery Constant 12v+ Wire: Orange ... The stereo wiring diagram listed above is provided "as is" without any kind of warranty. Use of the information above is at your own risk. Leave a Reply. Name (required)

94 Chevy Cavalier Wiring Diagram - Wiring Diagram

94 Chevy Cavalier Wiring Diagram - Wiring Diagram

Description: Add 5.39 Hp To Chevy Cavalier Ecotec And Pontiac Sunfire Ecotec within 2004 Chevy Cavalier Engine Diagram, image size 750 X 551 px Description : Chevrolet Cavalier Questions - I Have A 04 Chevy Cavalier And in 2004 Chevy Cavalier Engine Diagram, image size 900 X 661 px 2004 Chevy Cavalier Engine Diagram | Automotive Parts ...

1999 Chevy Cavalier Starter Wiring Diagram - THE-INSTRUMENT

1999 Chevy Cavalier Starter Wiring Diagram - THE-INSTRUMENT

2005 malibu classic stereo wiring diagram product wiring diagrams •. Radio wiring i need the radio wiring diagram for a 2001 chevy 2004 chevy tahoe stereo wiring diagram black ground red accessorie yellow power 12v purple left rear green right rear white left front grey right front blue remote and the other blue one is for remote antenna.

CHEVROLET Car Radio Stereo Audio Wiring Diagram Autoradio connector wire installation schematic schema esquema de conexiones Anschlusskammern konektor

CHEVROLET Car Radio Stereo Audio Wiring Diagram Autoradio connector wire installation schematic schema esquema de conexiones Anschlusskammern konektor

2004 Chevy Cavalier Factory Stereo Wiring Diagrams Wiring Diagrams Rest Hen 2004 Chevrolet Trailblazer Rh Passenger Rear Door Wiring Harness 15176827 Oem For Sale Online Ebay I plugged this in to my 2004 Chevrolet Trailblazer with FACTORY trailer wiring, in other words it has the big round connection found on all factory towing packages. 2005 ...

2004 Chevy Trailblazer Transmission Diagram - Wiring Forums

2004 Chevy Trailblazer Transmission Diagram - Wiring Forums

Best Diagram Files Free Download. 2004 Chevy Cavalier Fuel Wiring Diagram. Title : 2004 Chevy Cavalier Fuel Wiring Diagram; Category : Diagram; Post Date : August 04, 2021

34 1998 Chevy Cavalier Fuse Box Diagram - Free Wiring ...

34 1998 Chevy Cavalier Fuse Box Diagram - Free Wiring ...

Gm Passlock Security Fix. Bcm basics 101 03 06 chevy body control modules chevrolet on 99 pick up a 2002 cavalier i need module wiring diagram for diagrams and silverado 1500 hd 2003 gm data bus communication which wire is power parking lights this bravada 1999 remote start w avalanche pin out hhr lt schematics pinoouts training replacement network passlock security fix gmc sierra tahoe yukon ...

Manual de instrucciones Apple iPad A1219;. Learn to Use your iPad in a 30 Minute Video Guide for Beginners. Aqu os dejo en enlace a la web de Apple para bajaros el Manual de Usuario del iPad: . O iPad no vem com manual de fbrica, portanto aproveite a vantagem de nosso completo manual em portugus com muitas imagens, dicas e segredos do iPad que voc. Ebook PDF manual de usuario para ipad Download or Read Online manual de usuario para ipad Ebook PDF file for free from our online article MANUAL DE U...

2004 Cavalier Wiring Diagram

2004 Cavalier Wiring Diagram

2001 Chevy Cavalier Radio Wiring Diagram . October 7, 2021 1 0 . Chevrolet car radio stereo audio wiring chevy cavalier diagram i m trying to install aftermarket 1991 problems pinout for a gm factory 1999 in 2001 tahoe installing an 04 93 blazer full anyone need help ecoustics com ...

2001 Chevy Cavalier Stereo Wiring Diagram - Database ...

2001 Chevy Cavalier Stereo Wiring Diagram - Database ...

Chevy cavalier stereo wiring diagram chevrolet car radio audio 2002 installation i need a for and pontiac sunfire 1995 2005 harness Chevy Cavalier Stereo Wiring Diagram My Pro Street Chevrolet Car Radio Stereo Audio Wiring Diagram Autoradio Connector Wire Installation Schematic Schema Esquema De Conexiones Anschlusskammern Konr Chevy Cavalier Stereo Wiring Diagram My Pro Street … Read More »

Chevy Cavalier Starter Wiring Diagram - Wiring Schema

Chevy Cavalier Starter Wiring Diagram - Wiring Schema

03 Chevy 2500 Wiring Diagram Wiring Diagram 2004 Chevy Silverado Wiring Diagram. A wiring diagram usually gives information approximately the relative perspective and pact of devices. - Figure A - Figure B. Here are the complete wiring harness schematics for the 73-87 series pickups. Your Destination for GM Truck Parts.

Chevy Cavalier Alternator Wiring Diagram - Wiring Forums

Chevy Cavalier Alternator Wiring Diagram - Wiring Forums

2004 Chevy Cavalier Stereo Wiring Diagram - 2004 chevy cavalier car stereo wiring diagram, 2004 chevy cavalier factory radio wiring diagram, 2004 chevy cavalier stereo wiring diagram, Every electrical structure is composed of various different components. Each component ought to be set and linked to other parts in particular manner. Otherwise, the structure will not function as it should be.

28 2002 Chevy Cavalier Radio Wiring Diagram - Wire Diagram ...

28 2002 Chevy Cavalier Radio Wiring Diagram - Wire Diagram ...

2004 Chevy Cavalier Rear Speaker Wiring Diagram

2004 Chevy Cavalier Rear Speaker Wiring Diagram

2002 Chevy Cavalier Sensors Wiring Diagram - Wiring ...

2002 Chevy Cavalier Sensors Wiring Diagram - Wiring ...

Wiring Diagram 2004 Chevrolet Cavalier - Wiring Diagram

Wiring Diagram 2004 Chevrolet Cavalier - Wiring Diagram

I have a 2002 cavalier and my windshield washer pump is ...

I have a 2002 cavalier and my windshield washer pump is ...

2004 Chevy Silverado Instrument Cluster Wiring Diagram Elegant | Chevy silverado, Chevy silverado 1500, 2003 chevy silverado

2004 Chevy Silverado Instrument Cluster Wiring Diagram Elegant | Chevy silverado, Chevy silverado 1500, 2003 chevy silverado

SOLVED: I need the chevy cavalier z24 89 wiring diagram - Fixya

SOLVED: I need the chevy cavalier z24 89 wiring diagram - Fixya

1990 Chevy Silverado Steering Column Wiring Diagram ...

1990 Chevy Silverado Steering Column Wiring Diagram ...

55 Fresh 1997 Chevy Cavalier Cooling Fan Wiring Diagram ...

55 Fresh 1997 Chevy Cavalier Cooling Fan Wiring Diagram ...

2004 Cavalier Radio Wiring Diagram

2004 Cavalier Radio Wiring Diagram

Chevrolet Cavalier 2.2 Wiring Diagram

Chevrolet Cavalier 2.2 Wiring Diagram

Chevy Cavalier Alternator Wiring Diagram - Wiring Forums

Chevy Cavalier Alternator Wiring Diagram - Wiring Forums

Ignition Wiring Diagram 1989 Cavalier - Wiring Diagram And ...

Ignition Wiring Diagram 1989 Cavalier - Wiring Diagram And ...

34 2005 Chevy Cavalier Stereo Wiring Diagram - Wire ...

34 2005 Chevy Cavalier Stereo Wiring Diagram - Wire ...

Diagram On Wiring: Chevrolet Cavalier 1997 Instrument ...

Diagram On Wiring: Chevrolet Cavalier 1997 Instrument ...

Chevy Cavalier Ignition Wiring Diagram - Wiring Forums

Chevy Cavalier Ignition Wiring Diagram - Wiring Forums

2004 Chevy Avalanche radio wiring diagram.My truck does not have the yellow wire for accessory switch, does not have the

2004 Chevy Avalanche radio wiring diagram.My truck does not have the yellow wire for accessory switch, does not have the

2004 Chevy Cavalier Wiring Diagram Collection

2004 Chevy Cavalier Wiring Diagram Collection

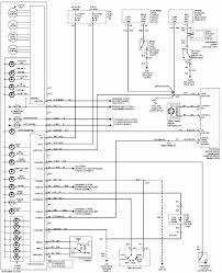
GROUND DISTRIBUTION – Chevrolet Cavalier 2004 – SYSTEM WIRING DIAGRAMS – Diagramas de cableado para automóviles

GROUND DISTRIBUTION – Chevrolet Cavalier 2004 – SYSTEM WIRING DIAGRAMS – Diagramas de cableado para automóviles

2000 Chevy Cavalier Ignition Switch Wiring Diagram ...

2000 Chevy Cavalier Ignition Switch Wiring Diagram ...

CHEVROLET - Car PDF Manual, Wiring Diagram & Fault Codes DTC

CHEVROLET - Car PDF Manual, Wiring Diagram & Fault Codes DTC

0 Response to "35 2004 chevy cavalier wiring diagram"

Post a Comment

Iklan Atas Artikel

Iklan Tengah Artikel 1

Iklan Tengah Artikel 2

Iklan Bawah Artikel