45 crusader 454 parts diagram

Crusader CH350 454 CID Parts Catalog July 1987 | Blackfin Forums Crusader CH350 454 CID Parts Catalog July 1987 1 post / 0 new Log in or register to post comments Fri, 12/18/2020 - 12:20 #1 Makoa Offline Last seen: 1 week 5 days ago Homeport: Kaneohe, HI Joined: 05/08/2015 - 21:32 Crusader CH350 454 CID Parts Catalog July 1987 The full content of this page is available to members only. Please log in or register. CRUSADER MANUALS : Crusader Part Lookup Click here to go to the OEM CRUSADER MANUALS : Crusader Part Lookup Click here to go to the OEM Product Detail for Item #: CRUSADER MANUALS : Crusader Part Lookup Call to Order !!! Comments: Click Here to open the Crusader Parts lookup system.

PDF MARINE ILLUSTRATED PARTS MANUAL - Marine Parts Express MODEL MP7.4L PARTS MANUAL - 5 CRUSADER MP7.4L ITEM PART NUMBER DESCRIPTION QUANTITY * RB001006F Production Block Assembly 1 1 NSS Cylinder Case Assembly 1 2 R069066 Core Plug (1-1/4") 6 3 7140480 Pin, dowel - aligning 2 4 7050200 Plug, camshaft bearing hole 1 5 7100330 Pin, dowel - aligning 4 6 RS3557 Plug, pipe (3/8") 5 7 RS3552 Plug, pipe (1/4") 4

Crusader 454 parts diagram

Crusader 454 parts diagram

Crusader parts for 350 / 454 CID up to 1987 - Marine Diesel Parts Crusader parts for 350 / 454 CID up to 1987 Contact Set (Mallory) PART # CRUR114004 Fits Crusader Model CH350 / 454 CID $27.90 Qty Distributor Cap (Mallory Distributor) PART # CRUR108001 Fits Crusader 5.7L Carbureted 1999-2004, Model CH350 / 454 CID, Model 350 / 454 CID up to 1987 $89.30 Qty Oil Filter PART # CRUR077001 Short Stirling - Wikipedia The Short Stirling was a British four-engined heavy bomber of the Second World War.It has the distinction of being the first four-engined bomber to be introduced into service with the Royal Air Force (RAF).. The Stirling was designed during the late 1930s by Short Brothers to conform with the requirements laid out in Air Ministry Specification B.12/36. CRUSADER - Boat, Yacht, Jet Ski & Marine Engine Manual PDF Some CRUSADER Marine Engine Owner's & Parts Manuals PDF above the page. Crusader Engines is a part of PCM.. The Pleasurecraft Engine Group (PCM) has been building marine engines for almost 40 years.The company owns two brands - PCM and Crusader (engines for marine operation). A couple of years ago, the company was on the rise, having received most of the market and new customers - Tige Boats ...

Crusader 454 parts diagram. Parts for MerCruiser 7.4L Bravo GM 454 V-8 1988-1991 Distributor ... Parts for MerCruiser 7.4L Bravo GM 454 V-8 1988-1991 Distributor & Ignition Components Parts for MerCruiser 7.4L Bravo GM 454 V-8 1988-1991 Distributor & Ignition Components Revise Search: All Models > 7.4L Bravo GM 454 V-8 1988-1991 > 0B771113 - 0D603117 > Distributor & Ignition Components « Previous | Next » NEED PARTS OR KITS? Microsoft is building an Xbox mobile gaming store to take on … 19.10.2022 · Microsoft is quietly building an Xbox mobile platform and store. The $68.7 billion Activision Blizzard acquisition is key to Microsoft’s mobile gaming plans. 454 marine engine diagram Wiring Diagram Crusader 454 - Search Best 4K Wallpapers . crusader. 454 Engine Diagram - Wiring Diagram Networks ... OMC Stern Drive Crankcase Group 454 Parts For 1981 454hp 990338R Stern . 454 omc crankcase. Elegant Mercruiser Thunderbolt Iv Ignition Wiring Diagram | Electrical Crusader Engine Parts Engine Wiring 454 & 502 CID Carbs: Holley. Crusader Engine Parts Engine Wiring 454 & 502 CID. Please Remember we stock parts and accessories for all makes and models of marine engines and boats. These catalog pages represent just a few of the parts we stock. Use the search field on the top of the page to search by part the Part Number with the abbreviation at the bottom ...

Crusader Marine Engines service manual and parts manual PDF looking for a service manual for a 1999 MP7.4L crusader engine, serial # 104186. best, Mark Coe #1 James (Jim) Mogan (Sunday, 11 July 2021 19:54) Looking for service manuals for 1986 Crusader 454 engines Ser 56743, 56750 Please advise if available and price if not can you recommend close manual Regards Jim Mogan Use quick search! Model 454 - Crusader - Parts Diagrams - marysvillemarine.com Model 454 - Crusader - Parts Diagrams Happy Thanksgiving! Thank you to all of our customers for a successful year. We are so thankful for you! We will be closed for the holiday on Thursday, Nov. 24 & Friday, Nov. 25. We will reopen on Monday, Nov. 28. All orders placed during the holiday and weekend will be processed on Monday. PDF Crusader Engines | Premium Marine Engines Crusader Engines | Premium Marine Engines Engine & Drive Parts - Gas Inboard Engine - Crusader - Page 1 ... A Lighthouse Marine Company. Serving Boaters for 40+ Years. MarineEngineParts.com 29 Edgar Avenue Riverhead, NY 11901

Genuine Crusader Engine Parts - Basic Power Industries, Inc. Crusader Replacement Parts Illustrations are available for the following Crusader Engines. Please Click Your Model Below To Begin. C220 (305 C.I.D.) C270 (350 C.I.D.) C305 / C350 CID V8 68703 AND ABOVE C454 (454 C.I.D.) V-8 69879 AND ABOVE CM454XL No returns on any Genuine Crusader Parts (part numbers which start with "CRU"). Crusader Inboard Engine Parts - Go2marine Crusader Inboard Engine Parts. Fuel System. Pleasurecraft Marine Miscellaneous Parts. Internal Engine Parts. Cooling System. Electrical System. Exhaust System "Site is easy to navigate... Found my item quick!" John G AL, 10-03-2022 "Their website was very easy to use and best price on my particular items too." Terry S. MI , 09-29-2022 Governor Newsom Signs Sweeping Climate Measures, Ushering in … 16.9.2022 · New California laws will create 4 million jobs, reduce the state’s oil use by 91%, cut air pollution by 60%, protect communities from oil drilling… Crusader 454 Wiring Diagram Crusader 454 Wiring Diagram crusader engine manuals xl pdf download - crusader engine engine wiring diagram marine illustrated parts manual crusader. crusader xl service manual - wordpress - diagramweb.net wiring schematic for crusader xl crusader marine starte wiring wiring diagram manual xl. Wiring Diagrams .

Hose Remote Oil Filter Adapter to Cooler 43 Inch Crusader 18101

Hose Remote Oil Filter Adapter to Cooler 43 Inch Crusader 18101

Crusader Inboard Tune Up Kit | Wholesale Marine Shop Crusader Inboard Tune Up Kit at Wholesale Marine. Our Crusader Inboard Tune Up Kit are at the lowest prices and same day shipping! ... Sierra 18-5280 Tune Up Kit for Mercruiser and OMC Stern Drives Sierra high-quality replacement parts are designed to meet OEM specifications. In-Line 4 Delco EST Kit Includes: (1) 18-5361 Distributor Cap (1 ...

Crusader

Crusader

Marine Closed Cooling Systems - CP Performance We carry the finest selection of Performance Marine Parts, ... As shown in the diagram below, ... 7.4L 454/502 Engine Chevy 1993-1997, Bravo, Full-System Closed Cooling System, Mercruiser - 7.4L 454/502 Engine Chevy 1996, ...

Fuel Pump & Fuel System - Crusader Model CM305XL ...

Fuel Pump & Fuel System - Crusader Model CM305XL ...

Overwatch 2 reaches 25 million players, tripling Overwatch 1 daily ... 14.10.2022 · Following a bumpy launch week that saw frequent server trouble and bloated player queues, Blizzard has announced that over 25 million Overwatch 2 players have logged on in its first 10 days."Sinc

Is the the J2K100 compaible with Crusader engines?

Is the the J2K100 compaible with Crusader engines?

1995 Crusader 454 Engine Wiring Diagram - tunxis.commnet.edu BoaterEd - Minor engine issues Crusader 454 1995 Crusader 454 Engine Wiring Crusader Wiring Stuff Make Offer - Crusader 454 7.4L MPI Marine Gas Engine 350 HP SS Exhaust 1.521 Velvet Drive Crusader 5.7L 350 , 270 HP Marine Gas Engine PAIR with Velvet Drive Transmission $6,950.00 MARINE ILLUSTRATED PARTS MANUAL MODEL MP454 XLi SERIAL NUMBER ...

Crusader

Crusader

Crusader 454 Engine - YouTube Crusader 454 Engine replacement on our Carver 3607 restoration project. This is the starboard engine on the day we started it up and tested it. This restorat...

Crusaders 454 risers in stainless??? - The Hull Truth ...

Crusaders 454 risers in stainless??? - The Hull Truth ...

mercury outboard cooling system diagram CLOSED COOLING SYSTEM - 1996 Mercury Inboard Engine 7.4L [MPI . diagram wiring crusader cooling system parts closed mercury mercruiser 454 1996 mpi engine marine inboard 4l gen diagrams 1997 lh.. used outboards motors online sale including evinrude, honda, mercury and yamaha. zack outboard motors is one of …

MARINE ILLUSTRATED PARTS MANUAL

MARINE ILLUSTRATED PARTS MANUAL

Crusader Parts Diagrams Crusader Parts Diagrams FREE Ground Shipping on Orders over $100! Exceptions apply - see details. Sign In My Cart Products by Category Shop By Brands Parts Diagrams Closeout! Blog Specialty Services

Crusader Parts Manual

Crusader Parts Manual

1997 vortec 350 cam specs 3. · 4 3 Vortec Distributor Diagram ~ welcome to our site, this is images about 4 3 vortec distributor diagram posted by Benson Fannie in 4 category on Nov 24, You can also find other images like wiring diagram, parts diagram, replacement parts, electrical diagram, repair manuals, engine diagram, engine scheme, wiring harness, fuse box, vacuum diagram, timing …

MARINE ILLUSTRATED PARTS MANUAL

MARINE ILLUSTRATED PARTS MANUAL

crusader 454 wiring diagram 1995 crusader 454 engine diagram. 16 Images about 1995 crusader 454 engine diagram : [DIAGRAM] Crusader 454xl Engine Wiring Diagram FULL Version HD Quality, crusader marine engine wiring diagram and also crusader engine starter wiring diagram. ... diagram wiring crusader parts mercury mercruiser cooling system mpi 2l mag horizon mie standard ...

MerCruiser 7.4L Bravo GM 454 V-8 1988-1991 Carburetor Parts

MerCruiser 7.4L Bravo GM 454 V-8 1988-1991 Carburetor Parts

Microsoft takes the gloves off as it battles Sony for its Activision ... 12.10.2022 · Microsoft is not pulling its punches with UK regulators. The software giant claims the UK CMA regulator has been listening too much to Sony’s arguments over its Activision Blizzard acquisition.

Crusader Schematics

Crusader Schematics

Crusader parts for 454 CID - Marine Diesel Parts Fits Crusader 5.7L Carbureted 1999-2004, Model 350 / 454 CID up to 1987, MP5.0/5.7L, 454 CID Serial # 69879 and Above $77.96 Qty Plug Wire Set (Up To Ser#83748, Prestolite Distributor) PART # CRU97454 Fits Crusader 5.7L Carbureted 1999-2004 and 454 CID Serial # 69879 and Above $61.50 Qty Oil By-Pass Adapter O-Ring PART # CRU20156

Crusader

Crusader

Model CM454XL - Crusader - Parts Diagrams Find the exact marine boat parts you need online. Stocking thousands of OEM & aftermarket marine parts by top suppliers. Free shipping on orders over $100!

Mercruiser 470 (3.7L) Marine Engine Options | PerfProTech.com

Mercruiser 470 (3.7L) Marine Engine Options | PerfProTech.com

Crusader Marine Engine Parts Illustrated Parts Breakdowns Crusader Marine Engine Parts Illustrated Parts Breakdowns | Shop at MacombMarineParts.com For Crusader Marine Engine Parts Today! ... 454 C.I.D. - 7.4 Liter - H.O. Engines. Model 454XL. Gen V Block carbureted engines. Serial #'s from 88710 and up. ... Reference / Parts Diagrams. Crusader Illustrated Part Diagrams; Mercury/Mercruiser Parts ...

Hardin Marine - Wiring Harness (EFI)

Hardin Marine - Wiring Harness (EFI)

Could Call of Duty doom the Activision Blizzard deal? - Protocol 14.10.2022 · Hello, and welcome to Protocol Entertainment, your guide to the business of the gaming and media industries. This Friday, we’re taking a look at Microsoft and Sony’s increasingly bitter feud over Call of Duty and whether U.K. regulators are leaning toward torpedoing the Activision Blizzard deal.

Sherwood P1012 P-1012 Parts List

Sherwood P1012 P-1012 Parts List

crusader Marine 454 502 Exhaust manifolds Risers and Elbows Crusader 454 502 Exhaust Manifold 97992 Crusader Marine Big Block 454 502 Exhaust manifold Starboard replaces Crusader 97992. Barr Part # CR-1-97992 . Includes manifold to head gasket, plugs and mounting bolts. Base SKU:BARCR-1-97992 In Stock:Yes Regular Price: $369.00 On Sale For: $369.00 Quantity: Crusader 454 502 manifold port side 97993

Centek 1603215 Silverton 4

Centek 1603215 Silverton 4" x 4" x 5" Muffler Crusader 454 ...

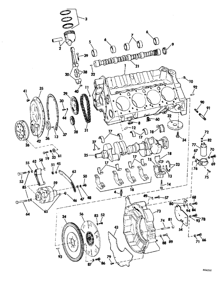
Crusader V-8 454 CID/7.4 Litre Model 454 | Illustrated Parts Diagrams Crusader V-8 454 CID/7.4 Litre - Model 454. Gen V Block carbureted engines. Serial #'s from 88710 and up. One Piece Main Seal. Cylinder Block Assembly. Crankshaft, Cam and Piston Assembly. Cylinder Head Assembly. Intake Manifold Assembly. Oil Pan and Oil Pump Assembly.

WIRING HARNESS (EFI) | PerfProTech.com

WIRING HARNESS (EFI) | PerfProTech.com

CRUSADER V8-454 and 502 C.I.D - Barr Marine Accepts 4" I.D. exhaust hose. CR-20-98128 Manifold to riser 3" spacer block (single). Replaces Crusader part # 98128. CHV-47-0000 Manifold to cylinder head gasket. CR-1-98243P Mounting package for CR-1-98243. CR-20-98124 Stainless steel block off plate for closed cooling applications.

Crusader Model 454XLI - 454 C.I.D/7.4L - Raw Water Cooling Pump

Crusader Model 454XLI - 454 C.I.D/7.4L - Raw Water Cooling Pump

November 2022 General Election - California Fair Political … 15.11.2022 · Below are lists of the top 10 contributors to committees that have raised at least $1,000,000 and are primarily formed to support or oppose a state ballot measure or a candidate for state office in the November 2022 general election. The lists do not show all contributions to every state ballot measure, or each independent expenditure committee formed to support or …

Mercruiser Parts Diagram | Electrical diagram, Electrical ...

Mercruiser Parts Diagram | Electrical diagram, Electrical ...

Sierra Marine Parts Catalog - Crusader Parts Application Tables MarineEngine.com 184 Jones Drive Brandon, VT 05733 USA (800) 209-9624 (802) 247-4700 (802) 419-3055 Fax

Replacing or repowering your Mercruiser 454 or 502 Marine ...

Replacing or repowering your Mercruiser 454 or 502 Marine ...

CRUSADER - Boat, Yacht, Jet Ski & Marine Engine Manual PDF Some CRUSADER Marine Engine Owner's & Parts Manuals PDF above the page. Crusader Engines is a part of PCM.. The Pleasurecraft Engine Group (PCM) has been building marine engines for almost 40 years.The company owns two brands - PCM and Crusader (engines for marine operation). A couple of years ago, the company was on the rise, having received most of the market and new customers - Tige Boats ...

crusader Marine 454 502 Exhaust manifolds Risers and Elbows

crusader Marine 454 502 Exhaust manifolds Risers and Elbows

Short Stirling - Wikipedia The Short Stirling was a British four-engined heavy bomber of the Second World War.It has the distinction of being the first four-engined bomber to be introduced into service with the Royal Air Force (RAF).. The Stirling was designed during the late 1930s by Short Brothers to conform with the requirements laid out in Air Ministry Specification B.12/36.

454 502 7.4 MPI PARTS MANUAL

454 502 7.4 MPI PARTS MANUAL

Crusader parts for 350 / 454 CID up to 1987 - Marine Diesel Parts Crusader parts for 350 / 454 CID up to 1987 Contact Set (Mallory) PART # CRUR114004 Fits Crusader Model CH350 / 454 CID $27.90 Qty Distributor Cap (Mallory Distributor) PART # CRUR108001 Fits Crusader 5.7L Carbureted 1999-2004, Model CH350 / 454 CID, Model 350 / 454 CID up to 1987 $89.30 Qty Oil Filter PART # CRUR077001

Crusader Schematics

Crusader Schematics

MARINE ILLUSTRATED PARTS MANUAL

MARINE ILLUSTRATED PARTS MANUAL

MARINE ILLUSTRATED PARTS MANUAL

MARINE ILLUSTRATED PARTS MANUAL

Crank case ventilation injection cars - spare parts for Mini ...

Crank case ventilation injection cars - spare parts for Mini ...

MARINE ILLUSTRATED PARTS MANUAL

MARINE ILLUSTRATED PARTS MANUAL

Mercruiser Sterndrive Gas Engines OEM Parts Diagram for ...

Mercruiser Sterndrive Gas Engines OEM Parts Diagram for ...

CRUSADER RAW WATER PUMP

CRUSADER RAW WATER PUMP

Crusader Marine Engines service manual and parts manual PDF ...

Crusader Marine Engines service manual and parts manual PDF ...

MERCRUISER - 5.7L SKI EC - Standard Cooling System, V-DRIVE ...

MERCRUISER - 5.7L SKI EC - Standard Cooling System, V-DRIVE ...

Crusader Engine Parts 454XL & 502XL Remote Oil Filter Assembly

Crusader Engine Parts 454XL & 502XL Remote Oil Filter Assembly

Crusader Engine Parts Transmission 454/502 LXi & XL Hurth V Gear

Crusader Engine Parts Transmission 454/502 LXi & XL Hurth V Gear

Fresh Water Cooling Components (Figure 1) - Crusader Model ...

Fresh Water Cooling Components (Figure 1) - Crusader Model ...

MerCruiser 7.4L Bravo GM 454 V-8 1988-1991 Fuel Pump & Fuel ...

MerCruiser 7.4L Bravo GM 454 V-8 1988-1991 Fuel Pump & Fuel ...

CRUSADER MANUALS : Crusader Part Lookup Click here to go to ...

CRUSADER MANUALS : Crusader Part Lookup Click here to go to ...

Crusader Inboard Cooling System Parts

Crusader Inboard Cooling System Parts

MARINE ILLUSTRATED PARTS MANUAL

MARINE ILLUSTRATED PARTS MANUAL

OMC Stern Drive Crankcase Group 454 Parts for 1980 4.5L ...

OMC Stern Drive Crankcase Group 454 Parts for 1980 4.5L ...

BRAKE LINES USED FOR ACCELERATION SKID CONTROL (ASR) MERCEDES ...

BRAKE LINES USED FOR ACCELERATION SKID CONTROL (ASR) MERCEDES ...

Hardin Marine - Oil Filter And Adaptor (7.4L Bravo-454 Mag ...

Hardin Marine - Oil Filter And Adaptor (7.4L Bravo-454 Mag ...

Marine Closed Cooling Systems

Marine Closed Cooling Systems

Crusader 454 Parts Manual (PDF) - uniport.edu.ng

Crusader 454 Parts Manual (PDF) - uniport.edu.ng

Fixing my Boat's Engines (1978 Crusader 454) - YouTube

Fixing my Boat's Engines (1978 Crusader 454) - YouTube

Crusader Marine Model 454XL 454 C.I.D/7.4L - Velvet Drive 5000

Crusader Marine Model 454XL 454 C.I.D/7.4L - Velvet Drive 5000

0 Response to "45 crusader 454 parts diagram"

Post a Comment

Iklan Atas Artikel

Iklan Tengah Artikel 1

Iklan Tengah Artikel 2

Iklan Bawah Artikel