43 john deere 828d snowblower parts diagram

826D - SNOW BLOWER (WALK-BEHIND) 826D Walk-Behind Snow Blowers EPC John ... Diagram group 826D Walk-Behind Snow Blowers John Deere : 20 ENGINE (8HP) CCE 21 ENGINE (10HP) CCE 30 CONTROLS, HOUSING, AUGERS, DRIVE TRAIN AND WHEELS CCE 40 ACCESSORIES AND LABELS CCE Parts 826D - SNOW BLOWER (WALK-BEHIND): 03H1268 Bolt Amazon.com: john deere 828d snow blower parts 1-48 of 300 results for "john deere 828d snow blower parts" RESULTS. John Deere Genuine OEM 28" Scraper Blade Snowblower 1032D 1128DDE 1128DE 1332DDE 828D 924DE M124414 ... 86 $ 66. 86. FREE delivery Dec 15 - 19 . Arrives before Christmas Only 2 left in stock - order soon. (20) Auger Shear Bolts Fits John Deere Snow Blower 828D 1032D 1128DE ...

John Deere 828D Walk Behind Snow Blower Service Manual Download John Deere 828D Walk Behind Snowblower Technical Manual TM1612 218 Pages in .pdf format 22.2 MB in .zip format for super fast downloads! This factory John Deere Service Manual Download will give you complete step-by-step information on repair, servicing, and preventative maintenance for your John Deere.

John deere 828d snowblower parts diagram

John deere 828d snowblower parts diagram

PDF 524D, 724D, 826D, 828D, and 1032D Walk-Behind Snowblowers John Deere Worldwide Commercial and Consumer Equipment Division 524D, 724D, 826D, 828D, and 1032D Walk-Behind Snowblowers TM1612 (OCT99) Replaces (01JUL96) Model 828D Model 1032D Walk-Behind Snowblowers ... Use only service parts meeting John Deere specifications. • PARKMACHINESAFELY • Beforeworkingonthemachine: 1. Lower all equipment to ... John Deere Model 828D Walk Behind Snow Blower Parts - GreenPartStore John Deere Model 828D Walk Behind Snow Blower Parts. ... John Deere Walk Behind Snow Blower Parts; Model 828D; Model 828D. Products [31] Sort by: Quick View. Good Vibrations Grass Hawk Dual-Bladed Mower Scraper - GV160 (4) $11.95. Usually available. Add to Cart. Quick View. John Deere 4.80x4.00-8 Innertube - M46015 ... John Deere 828D Walk-Behind Snowblowers Service Repair Manual ... - Issuu Model 828D Model 1032D INTRODUCTION This technical manual is written for an experienced technician and contains sections that are specifically for this product. It is a part of a total product...

John deere 828d snowblower parts diagram. ARIMain - WEINGARTZ Search easy-to-use diagrams and enjoy same-day shipping on standard John Deere parts orders. 855-669-7278 My Store Ann Arbor Cedar Springs Clarkston Farmington Hills ... John Deere 828D Walk-Behind Snowblower -PC2520 Blower Fan,Gear Housing,Worm Gear & Auger Shaft: CONTROLS,HOUSING,AUGERS,DRIVE TRAIN, ... John Deere Parts | Parts & Services | John Deere US The John Deere dealer is the first line of customer parts service. Throughout the world, there are dealers to serve Agricultural, Construction, Lawn and Grounds Care, and Off-Highway Engine customers. As a company, we are dedicated to keeping our dealers equipped with the necessary products and services to maintain this leadership role. John Deere 828d Parts Diagram Recipes John Deere Parts Lookup -John Deere-828D Walk-Behind Snowblower -PC2520. 855-669-7278 My Store Ann Arbor ... Parts Diagrams Parts By Type Service Certified Pre-Owned Delivery … From weingartz.com ARIMain - WEINGARTZ Search easy-to-use diagrams and enjoy same-day shipping on standard John Deere parts orders. 855-669-7278 My Store ... John Deere 828D Walk-Behind Snowblower -PC2520 Belts & Sheaves: CONTROLS,HOUSING,AUGERS,DRIVE TRAIN, Zoom

Jd 828d | Snowblower Forum Hey guys. Just picked up an older (98 or 99) JD 828D. Came from a buddy of mine whose grandmother went shopping for what his dad thought was a small single stage blower. She just "had to have" the big one. Anyway she basically never used it as my buddy is a farmer and has always taken his truck with a blade and done their Snow removal for them. John Deere Snowblower Parts | Lawnmower Pros JOHN DEERE 828D, 924DE, 1032D, 1128DDE, 1128DE and 1332DDE walk behind snowthrowers and others Price: $8.99 STENS 225-854 FLANGE BUSHING for John Deere - ID:3/4" x OD:1" x Height:5/8" REPLACES: ARIENS 05503900 JOHN DEERE M127082 and others FITS: ARIENS 832 and 1032, 20", 24" and 32" snowthrower attachments scoops John Deere 828D Snowblower Overview - YouTube John Deere 828D Snowblower Overview. This is a silent walk through going through some of the features, performing a cold start, engaging the auger and drive. ARIMain - WEINGARTZ John Deere PARTS LOOKUP All Models For 828D Walk-Behind Snowblower -PC2520 Auger Housing,Augers,Blade: CONTROLS,HOUSING,AUGERS,DRIVE TRAIN, Belts & Sheaves: CONTROLS,HOUSING,AUGERS,DRIVE TRAIN, Blower Fan,Gear Housing,Worm Gear & Auger Shaft: CONTROLS,HOUSING,AUGERS,DRIVE TRAIN, Blower Housing 10 HP: ENGINE 10HP TECUMSEH AM122678

32 John Deere Snowblower Parts Diagram - freelearndiagram.com john deere 44 snowblower parts diagram Routing gt262 lx173 lt150 lx176 lx172 pulley idler adjustment gt242 stx30 lx188 fixya gt275 lx178 lt166 mytractorforum hydrostatic drivebelt. If you are looking for 32 John Deere Snowblower Parts Diagram - Wiring Diagram Database you've came to the right place. We have 9 Pictures about 32 John Deere ... John Deere Parts Catalog Find your genuine John Deere OEM parts here. John Deere parts lookup tool and diagram is an incredible online source. It is a complete catalog that shows you detailed parts diagrams of every part of your machine. This online parts catalog is robust and easy to use. Searching for your John Deere parts online has never been easier. John Deere 828D Snowblower Parts - Mutton Power The 828D Walk Behind Snowblower was produced with standard features including the 8 HP Tecumseh engine, 28" bucket, two stage augers, and adjustable chute. Regular maintenance should be performed on the 828D if it is not operated 25 hours during a season and every 100 hours or yearly. 3 items 1 John Deere Fuel Filter (AM107314) (AM107314) $4.90 John Deere high quality parts for SNOW BLOWER (WALK-BEHIND) 828D Walk ... John Deere SNOW BLOWER (WALK-BEHIND) 828D Walk-Behind Snowblower -PC2520 genuine parts (m124301, m124292, m124283, m124218, m124415) shipping to Spain from $32.45, Kiribati from $41.51, Mexico from $27.66

John Deere Parts Lookup -828D Walk-Behind Snowblower -PC2520

John Deere Parts Lookup -828D Walk-Behind Snowblower -PC2520

John Deere 826D Snowblower Parts - muttonpower.com John Deere 826D Snowblower Parts The 826D Walk Behind Snowblower was produced with standard features including the 8 HP Tecumseh engine, 26" bucket, two stage augers, and 26 oz crankcase capacity. Regular maintenance should be performed on the 826D if it is not operated 25 hours during a season and every 100 hours or yearly. 3 items 1

John deere 828 d walk behind snowblowers service repair ...

John deere 828 d walk behind snowblowers service repair ...

ARIMain - WEINGARTZ John Deere Parts Lookup -John Deere-828D Walk-Behind Snowblower -PC2520. 855-669-7278 My Store Ann Arbor Cedar Springs Clarkston Farmington Hills Utica Shipping & Returns Policy Frequently Asked Questions ... Parts Diagrams Parts By Type Service Certified Pre-Owned Delivery Used Equipment Model Look Up Quick Order Pad Zero Downtime

Buy Yingshop Carburetor Compatible for John Deere Snowblower ...

Buy Yingshop Carburetor Compatible for John Deere Snowblower ...

John Deere 828D Walk-Behind Snowblowers Service Repair Manual ... - Issuu Model 828D Model 1032D INTRODUCTION This technical manual is written for an experienced technician and contains sections that are specifically for this product. It is a part of a total product...

John Deere Discharge Chute Deflector Control Cable ...

John Deere Discharge Chute Deflector Control Cable ...

John Deere Model 828D Walk Behind Snow Blower Parts - GreenPartStore John Deere Model 828D Walk Behind Snow Blower Parts. ... John Deere Walk Behind Snow Blower Parts; Model 828D; Model 828D. Products [31] Sort by: Quick View. Good Vibrations Grass Hawk Dual-Bladed Mower Scraper - GV160 (4) $11.95. Usually available. Add to Cart. Quick View. John Deere 4.80x4.00-8 Innertube - M46015 ...

Carburetor Fit John Deere Snow Blower 526 726 732 826 826D 828D 832 1032  1032D

Carburetor Fit John Deere Snow Blower 526 726 732 826 826D 828D 832 1032 1032D

PDF 524D, 724D, 826D, 828D, and 1032D Walk-Behind Snowblowers John Deere Worldwide Commercial and Consumer Equipment Division 524D, 724D, 826D, 828D, and 1032D Walk-Behind Snowblowers TM1612 (OCT99) Replaces (01JUL96) Model 828D Model 1032D Walk-Behind Snowblowers ... Use only service parts meeting John Deere specifications. • PARKMACHINESAFELY • Beforeworkingonthemachine: 1. Lower all equipment to ...

John Deere 524D, 724D, 826D, 828D, 1032D Walk-Behind ...

John Deere 524D, 724D, 826D, 828D, 1032D Walk-Behind ...

John deere 828 d walk behind snowblowers service repair ...

John deere 828 d walk behind snowblowers service repair ...

SNOW SHIELD (TY16380, MFG. YEAR 1996-2004) (524D, 526D, 826D ...

SNOW SHIELD (TY16380, MFG. YEAR 1996-2004) (524D, 526D, 826D ...

Way To CrossReference My Ariens Built JD Snowblower To A ...

Way To CrossReference My Ariens Built JD Snowblower To A ...

Carburetor for Carb John Deere Snowblowers 526 726 732 826 826D 828D 832  1032

Carburetor for Carb John Deere Snowblowers 526 726 732 826 826D 828D 832 1032

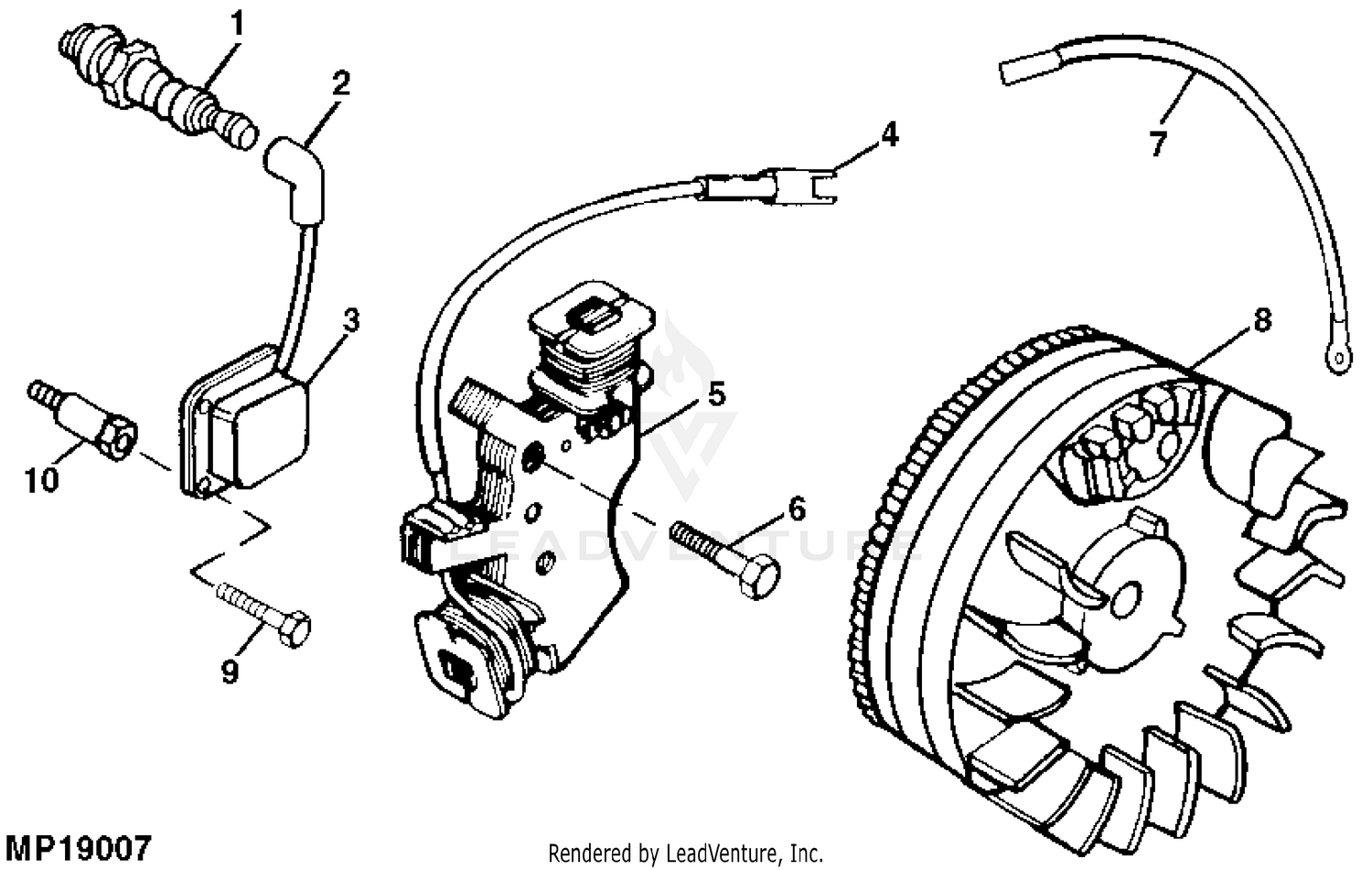
John Deere 828D Walk-Behind Snowblower -PC2520 Electric Coil ...

John Deere 828D Walk-Behind Snowblower -PC2520 Electric Coil ...

John Deere Parts Lookup -828D Walk-Behind Snowblower -PC2520

John Deere Parts Lookup -828D Walk-Behind Snowblower -PC2520

John Deere Parts Lookup -828D Walk-Behind Snowblower -PC2520

John Deere Parts Lookup -828D Walk-Behind Snowblower -PC2520

Tecumseh vantage HSK35 User Manual | 8 pages | Also for ...

Tecumseh vantage HSK35 User Manual | 8 pages | Also for ...

JOHN DEERE 828D Auction Results - 8 Listings | MarketBook.ca ...

JOHN DEERE 828D Auction Results - 8 Listings | MarketBook.ca ...

Wiring diagram for older JD 1032 needed | Snowblower Forum

Wiring diagram for older JD 1032 needed | Snowblower Forum

John Deere 524D, 724D, 826D, 828D, 1032D Walk-Behind Snowblowers TM1612  Technical Manual PDF

John Deere 524D, 724D, 826D, 828D, 1032D Walk-Behind Snowblowers TM1612 Technical Manual PDF

John deere 828 d walk behind snowblowers service repair ...

John deere 828 d walk behind snowblowers service repair ...

Amazon.com: QAZAKY Compatible with Carburetor Snow Blower 526 ...

Amazon.com: QAZAKY Compatible with Carburetor Snow Blower 526 ...

John deere 828 d walk behind snowblowers service repair ...

John deere 828 d walk behind snowblowers service repair ...

Snow Blowers for sale in Treherne, Manitoba | Facebook ...

Snow Blowers for sale in Treherne, Manitoba | Facebook ...

John Deere 828D 28 inch Snow Blower with Electric Start ...

John Deere 828D 28 inch Snow Blower with Electric Start ...

John Deere 828D Walk-Behind Snowblower -PC2520 Chain Drive ...

John Deere 828D Walk-Behind Snowblower -PC2520 Chain Drive ...

John Deere 828D Walk-Behind Snowblower -PC2520 Carburetor 8 ...

John Deere 828D Walk-Behind Snowblower -PC2520 Carburetor 8 ...

John Deere 524D, 724D, 826D, 828D, 1032D Walk-Behind ...

John Deere 524D, 724D, 826D, 828D, 1032D Walk-Behind ...

John Deere Parts Lookup -828D Walk-Behind Snowblower -PC2520

John Deere Parts Lookup -828D Walk-Behind Snowblower -PC2520

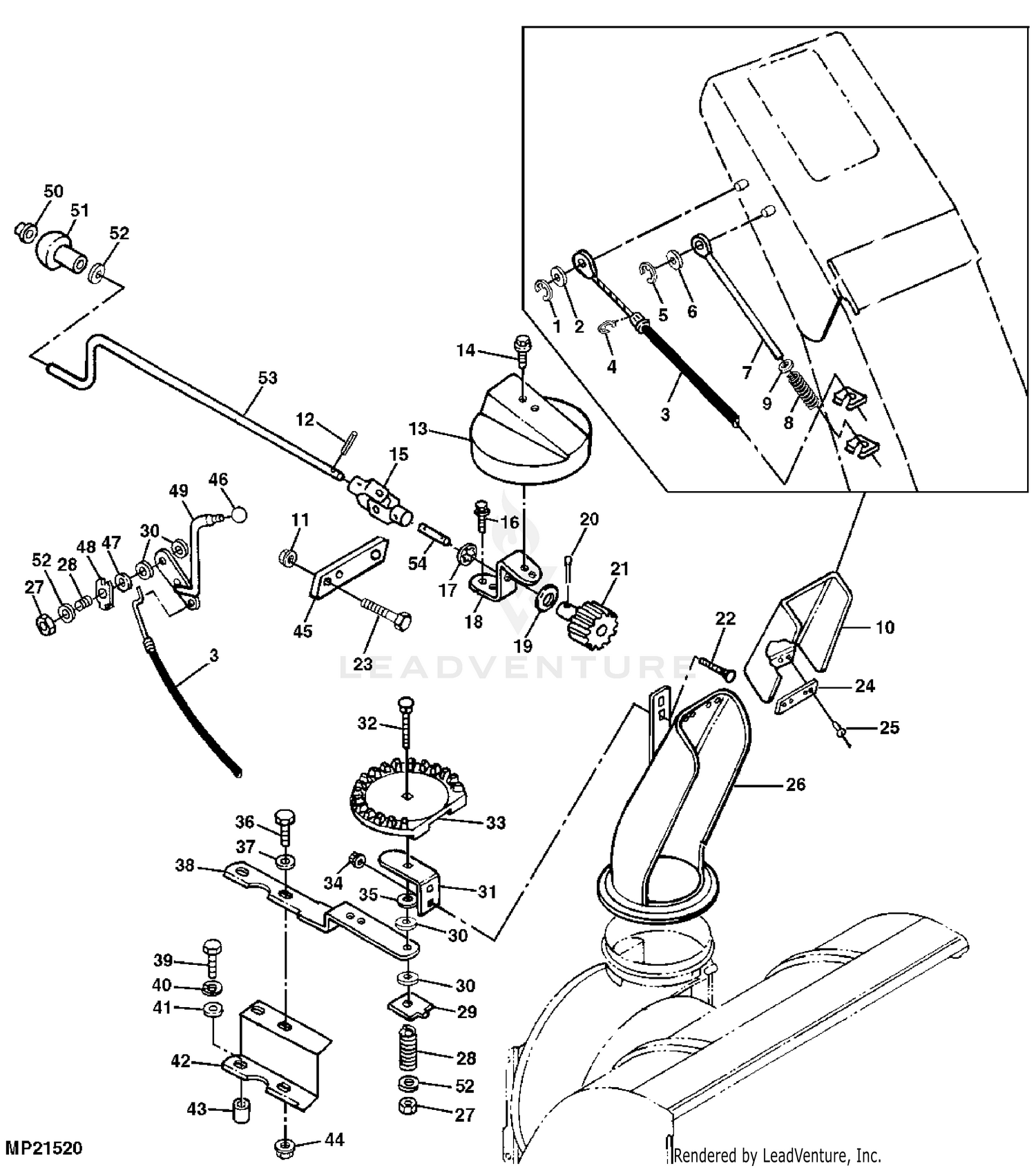
John Deere 828D Walk-Behind Snowblower -PC2520 Chute ...

John Deere 828D Walk-Behind Snowblower -PC2520 Chute ...

1999 John Deere 826D Snow Blower in Cincinnati, Ohio, United ...

1999 John Deere 826D Snow Blower in Cincinnati, Ohio, United ...

John Deere Parts Lookup -828D Walk-Behind Snowblower -PC2520

John Deere Parts Lookup -828D Walk-Behind Snowblower -PC2520

Replaces John Deere 828D Snow Blower Carburetor - Mower Parts ...

Replaces John Deere 828D Snow Blower Carburetor - Mower Parts ...

John Deere TRS24 Parts

John Deere TRS24 Parts

DIY - Tecumseh Snowblower Carburetor Throttle Shaft Lever Repair PART 2

DIY - Tecumseh Snowblower Carburetor Throttle Shaft Lever Repair PART 2

Amazon.com : BMotorParts Pull Start Recoil Starter for John ...

Amazon.com : BMotorParts Pull Start Recoil Starter for John ...

John Deere 524D, 724D, 826D, 828D, 1032D Walk-Behind Snowblowers TM1612  Technical Manual PDF

John Deere 524D, 724D, 826D, 828D, 1032D Walk-Behind Snowblowers TM1612 Technical Manual PDF

Amazon.com: Carburetor for John Deere 526 726 732 826 826D ...

Amazon.com: Carburetor for John Deere 526 726 732 826 826D ...

John Deere Parts Lookup -828D Walk-Behind Snowblower -PC2520

John Deere Parts Lookup -828D Walk-Behind Snowblower -PC2520

John Deere Snowblower 828D 8hp 28inch for Sale in Gardiner ...

John Deere Snowblower 828D 8hp 28inch for Sale in Gardiner ...

John deere 828 d walk behind snowblowers service repair ...

John deere 828 d walk behind snowblowers service repair ...

John Deere 826 1032 Snow Thrower Differential Rebuild - Part 1 of 5

John Deere 826 1032 Snow Thrower Differential Rebuild - Part 1 of 5

John Deere Carburetor Repair Kit - AM100942

John Deere Carburetor Repair Kit - AM100942

Cross Referencing snowblowers.... | Snowblower Forum

Cross Referencing snowblowers.... | Snowblower Forum

John Deere Parts Lookup -828D Walk-Behind Snowblower -PC2520

John Deere Parts Lookup -828D Walk-Behind Snowblower -PC2520

John Deere 828D Parts

John Deere 828D Parts

0 Response to "43 john deere 828d snowblower parts diagram"

Post a Comment

Iklan Atas Artikel

Iklan Tengah Artikel 1

Iklan Tengah Artikel 2

Iklan Bawah Artikel