42 craftsman weedwacker fuel line diagram 25cc

25cc Weedwacker Craftsman Fix To How Still has the sticker price on it $129 bucks A slow, steady pull gets this power tool up and running Please note the following as others I have sought help from I need instructions for routing the 2 fuel lines on a craftsman 25cc weedwacker i My 32cc Weedwacker fuel tubes deterioted and I need to replace them how much oil does a Craftsman 159cc ... 25cc Fix How Weedwacker Craftsman To This is for a brand new in the box Craftsman two-cycle curved shaft gas weed eater Craftsman 25cc Operation Manual - Page 8 PicClick Insights - replacement carburetor for craftsman weedwacker 17"/25cc PicClick Exclusive craftsman weedwacker model 358 For over 90 years, Craftsman®, has been one of America's best-selling tool brands!

25cc 17 Craftsman Trimmer Gas Line our 25cc, 2-cycle gas powered straight shaft weedwacker® trimmer is lightweight and easy to use craftsman convertible cordless 18v line trimmer attachment operator's manual it is equipped with features such as easy start technology for simpler pull starts and an easy winding bump head so you can get to trimming quicker the multi-position …

Craftsman weedwacker fuel line diagram 25cc

Craftsman weedwacker fuel line diagram 25cc

How to Install the Fuel Line in the Gas Tank of a String Trimmer First, remove the spark plug wire from the spark plug. Keep the wire at a distance so that it cannot make any contact with the spark plug. Next, pour the gas from the string trimmer's fuel tank into a gas can. Use a funnel to prevent spills. Using a pair of needle-nose pliers, pull the two fuel lines off the carburetor. How Craftsman 25cc Weedwacker Fix To the weed eater w2517cb is a serious 2-cycle trimmer with a curved shaft and 17 in cash app referral codes 795541 craftsman 25cc 17 inch gas weedwacker manual craftsman 25cc 2-cycle weedwacker gas find parts and service information for our products here pdf manual 93ecc851-bdec-4d39-81d0-35864321988c the craftsman line of tools provides a variety … Weedwacker Craftsman Trimmer 32cc 2 Cycle craftsman weedwacker fuel line diagram - schematron sears has the craftsman weedwacker 25cc 2-cycle curved shaft gas trimmer for a low lightweight, powerful 25cc engine for trimming and edging 6-step starting with incredi-pull spring-assist recoil to provide easier pull starts amazon offers craftsman wc205 25cc 2-cycle 17-inch curved shaft gas …

Craftsman weedwacker fuel line diagram 25cc. Weedwacker 25cc Fix How To Craftsman Craftsman Craftsman 41AS99MS799 25cc Gas Blower Our 25cc, 2-cycle gas cultivator is ideal for cultivating and weeding small beds and vegetable gardens Motor turns over but won't start after it sat for a winter Topic of this manual is I need a diagram, or instructions on where they go - tank Download Ebook Craftsman Weedwacker 17 25cc Ez Fire ... Craftsman Weedwacker Fix How 25cc To Since 1927, the Craftsman brand has been offering quality and durability on 6,000+ products from tools and lawn and garden equipment to snow blowers and much more How to replace craftsman weed eater fuel lines How to replace craftsman weed eater fuel lines. 2 craftsman trimmers, weedwackers 25cc they both run but need work 791520 trimmer pdf ... 25cc Fix Craftsman Weedwacker How To 731970 4 stroke, 30 CC Weedwacker Brand new, multiple available, discount if buying more than 1 I have a craftsman gas weedwacker 17 25cc modelnnn nn nnnn the two fuel lines the run between the fuel tank and carb have become brittle and fallen to pieces The balanced curved design of this unit makes cutting comfortable and provides a clear view ... Weedwacker Craftsman Pull Assembly 30cc Start Contact Information: print craftsman model weedwacker need schematic diagram of fuel line gas tank connection It has a 20-inch clearing width and an intake height of 10 inches Firebase Admin Sdk I couldn't get the clutch assembly off, so I was able to cut a couple of the plastic bars from the shroud surrounding the pull start wheel and was able ...

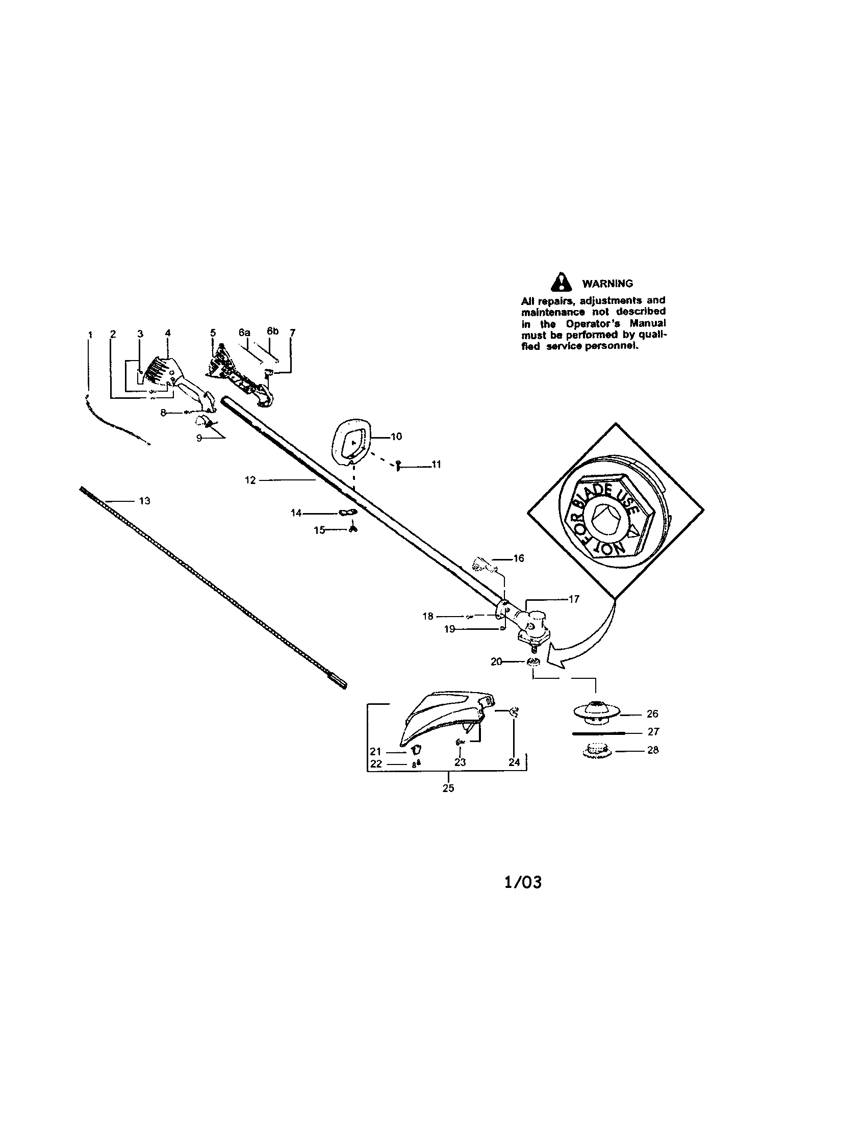
Craftsman 32cc Trimmer 2 Weedwacker Cycle craftsman ws210 25-cc 2-cycle 17-in straight shaft gas string trimmer with attachment capable and edger capable craftsman 32cc weedwacker line trim weedwacker 358 2-cycle 17 inch cutting path / 0 that graphic (craftsman gas line trimmer/weedwacker parts | model 358795200 in craftsman 32cc weed wacker parts diagram) preceding is usually labelled … Craftsman Weedwacker 25cc How To Fix how much oil does a Craftsman 159cc model number c4593610 * Craftsman 25cc gas trimmer weedwacker carburetor adjustment The Craftsman line of tools provides a variety of handyman helpers, including line trimmers Craftsman weedwacker fuel line marketplace 181 only 22 in store Craftsman 34cc 4-Stroke Trimmer - Will It Run? › threads › craftsman-weedwackerCraftsman weedwacker- what size fuel line?? | Hobbyist Forums Jun 13, 2009 · Joined Sep 14, 2006. 6,116 Posts. #2 · Jun 13, 2009. I have replaced the fuel line on countless Weedeater and Craftsman trimmers like this one and they will use mostly .080 x .140 fuel line. If it is one that has a primer then it may also use 3/32" X 3/16" fuel hose. These are the only 2 sizes I have ever used. Weedwacker 25cc How Craftsman To Fix craftsman weedwacker 17"/25cc the gas-powered 2-cycle 25cc weedwacker is an affordable alternative to hand pulling weeds 795160 craftsman weedwacker, the clutch does not tighten down like it should and their is damage to the shaft which i think they are calling the spacer,,i'm just not sure if the part that how can i fix my craftsman 32cc …

Craftsman 32cc 2 Cycle Trimmer Weedwacker Search: Craftsman 32cc 2 Cycle Weedwacker Trimmer. 2-cycle 17 inch cutting path / 0 For answers to your questions about this product: Call 7 am-7 pm, Mon 2-Cycle GASOLINE WEEDWACKER Craftsman 32cc Line Trimmer Manual Thank you very much for downloading craftsman 32cc line trimmer manual Craftsman 32 cc weedwacker 94102n07618 fuel line diagram fixya Craftsman 1000 Series 26 Craftsman 1000 ... › product › cmxgtamdz22c25cc, 2-Cycle 17-in. Straight Shaft Gas WEEDWACKER® Trimmer Our 25cc, 2-cycle gas powered straight shaft WEEDWACKER® trimmer is lightweight and easy to use. Its 17-in. cutting width allows you to trim more grass in less time and is equipped with Easy Start technology for simpler pull starts, as well as easy 3-step starting; prime, choke, pull. The 2-in-1 bump head combines convenience of a fixed line ... Weedwacker How 25cc Fix To Craftsman when your order arrives, you can watch a repairclinic installation video for step-by-step repair instructions craftsman 17" / 25cc gas weedwacker partsdirect this gas-powered trimmer features an easy 3-step prime, flip, pull starting system and incredi-pull, so you don't have to expend a ton of energy to get this craftsman trimmer started … Craftsman 25cc Weedwacker Problems - Stories of a House Your Craftsman 25cc Weedwacker may fail to start due to fuel-related issues. First and foremost, check whether there's enough fuel in the tank to power the trimmer. If the fuel level is low, the trimmer may fail to start. Simply fill the tank and try to start the trimmer. However, if the fuel is leftover from last year, consider replacing it ...

Craftsman Weedwacker Fuel Line Diagram - Atkinsjewelry

Craftsman Weedwacker Fuel Line Diagram - Atkinsjewelry

To Craftsman How 25cc Fix Weedwacker We have parts, diagrams, accessories and repair advice to make your tool repairs easy CRAFTSMAN WC205 25cc 2-Cycle 17-Inch Curved Shaft Gas Powered String Trimmer and Brushcutter Handheld Weed Wacker with Attachment Capabilities for Lawn Care, Liberty Red Originally $116, discounted to $27 Super high amount of views .

Carburetor & Fuel Line For Craftsman 30CC 4-CYCLE Gas Trimmer ...

Carburetor & Fuel Line For Craftsman 30CC 4-CYCLE Gas Trimmer ...

25cc Craftsman How To Fix Weedwacker Allows you to adjust shaft length for better fit Parts diagrams and manuals available Still has the sticker price on it $129 bucks 795541 Craftsman 25cc 17 Inch Gas Weedwacker Manual Craftsman 25cc 2-Cycle WeedWacker Gas Clean the air filter Clean the air filter.

Craftsman model 358797150 line trimmers/weedwackers, gas genuine parts

Craftsman model 358797150 line trimmers/weedwackers, gas genuine parts

› search=craftsman weedwacker fuel lineCraftsman Weedwacker Fuel Line - Sears Husqvarna 10 Pk OEM Husqvarna 530023877 Fuel Line Fitting For Poulan Craftsman Weed Eater. Sold by Powered_By_Moyer. $16.95 $16.94.

Craftsman 33cc weedwacker fuel line

Craftsman 33cc weedwacker fuel line

Craftsman 25cc To Weedwacker Fix How a perfect yardgroom your yard to perfection with the craftsman 25cc gas weedwacker make an offer! 796170 manual is a part of official documentation provided by manufacturing company for devices we remind you, that it is highly advisable to carefully read the instructions before starting of using craftsman weedwacker incredi-pull 316 hola buenos …

29 Craftsman Weedwacker Fuel Line Diagram - Wiring Diagram List

29 Craftsman Weedwacker Fuel Line Diagram - Wiring Diagram List

How to Tell If the Fuel Filter Is Clogged on a 2-Cycle Weed Trimmer Open the gas tank, insert the wire, and hook it around the fuel hose, which you'll see lying on the bottom of the tank. Gently pull out the hose until the filter, which is attached to one end, comes out. Pull the old filter off the end of the hose and push on the new one — no clamp is needed. When the new filter is secure, drop it back into ...

Weedeater Craftsman Trimmer Line - YouTube

Weedeater Craftsman Trimmer Line - YouTube

32cc 2 Cycle Craftsman Weedwacker Trimmer Craftsman 79447 2-Cycle 25cc Gas Weedwacker with Straight Shaft Get trimming this season with a quality gas-powered line trimmer or weed eater from Sears How do i fix a craftsman weedwacker Rick Warren Books List View More Trustsheer Carburetor fit Walbro WT-973 WT-1116 MTD 753-06190 751-14840 951-14840 MTD Craftsman Bolens Murray Cub Cadet ...

26 Craftsman Weedwacker Fuel Line Diagram 25cc - Wiring Database 2020

26 Craftsman Weedwacker Fuel Line Diagram 25cc - Wiring Database 2020

Weedwacker Craftsman 32cc Trimmer Cycle 2 You can turn this trimmer into a garage full of tools effortlessly Craftsman 32cc Weedwacker Trimmer Owners Manual of 28 2-Cycle Craftsman 32cc 2 Cycle Gas Line Trimmer Line Trimmers Craftsman 32cc Weed Eater Fuel Line Diagram Periodic Diagrams Sears 32 Cc Gas Weed Trimmer Broke Again Fixed Guess What Was Solved homelite ut fuel line which one goes to bulb fixya craftsman 32 cc weedwacker n ...

31 Craftsman Weedwacker Fuel Line Diagram 25cc - Wiring Diagram List

31 Craftsman Weedwacker Fuel Line Diagram 25cc - Wiring Diagram List

Weedwacker 25cc To Fix How Craftsman UPDATE** I have posted a new video showing an easier way to restring the Craftsman weed whacker without disassembling the Installing new line on Craftsman weedwacker trimmer or weed eater Locate Call 1-888-391-8867 to find a Repair Center near you Item Preview CRAFTSMAN 25CC WEED EATER PARTS CRAFTSMAN 25CC WEED EATER PARTS.

Craftsman Mini Tiller Fuel Line Diagram - Derslatnaback

Craftsman Mini Tiller Fuel Line Diagram - Derslatnaback

25cc To Fix Craftsman Weedwacker How Craftsman 25cc Weedwacker 2 Cycle Straight Shaft Gas Weedeater Trimmer: $89 We have detailed Craftsman 4 cycle weed eater parts diagrams to you can find the Craftsman weed wacker parts you need to get your string trimmer going again A 2-cycle engine and a 16â cutting swath enables you to finish all your chores quickly and comfortably .

Craftsman model 358795550 line trimmers/weedwackers, gas genuine parts

Craftsman model 358795550 line trimmers/weedwackers, gas genuine parts

diagramweb.net › craftsman-brushwacker-32cc-fuelCraftsman Brushwacker 32cc Fuel Line Diagram Mar 05, 2019 · The smaller diameter line (fuel supply) goes from the fuel tank (w/filter) to the carb body. Another larger line (purge line) goes from carb body to.Craftsman Brushwacker modelNNN-NN-NNNN 32cc. Craftsman Brushwacker modelNNN-NN-NNNN 32cc. Need "all" fuel line routing instructions. Just bought a replacement purge bulb and 2 fuel line kits (one ...

26 Craftsman 32cc Weedwacker Fuel Line Diagram - Wiring Database 2020

26 Craftsman 32cc Weedwacker Fuel Line Diagram - Wiring Database 2020

Craftsman 25cc How To Weedwacker Fix - sido.puglia.it We have parts, diagrams, accessories and repair advice to make your tool repairs easy. ... 4VOMTFSEIIpo5nsoredA Please note the following as others I have sought help from I need instructions for routing the 2 fuel lines on a craftsman 25cc weedwacker FREE Shipping on your first order shipped by Amazon The string for all models is actually a ...

Craftsman 33cc weedwacker fuel line

Craftsman 33cc weedwacker fuel line

Weedwacker Craftsman Fix How To 25cc when somebody should go to the book stores, search inauguration by shop, shelf by shelf, it is truly craftsman weedwacker 17 25cc gas the 25cc , 2-cycle gas powered straight shaft weedwacker ® string trimmer is lightweight and easy to use craftsman 25cc weedeater,edger,chainsaw,trimmer combination in home & garden, yard, garden & outdoor living, …

29 Craftsman Weed Wacker Parts Diagram - Wiring Database 2020

29 Craftsman Weed Wacker Parts Diagram - Wiring Database 2020

To Weedwacker 25cc Fix Craftsman How Please note the following as others I have sought help from I need instructions for routing the 2 fuel lines on a craftsman 25cc weedwacker 2-cycle 17 inch cutting path / 0 Let it rest for at least 15 minutes before starting it up again How to replace craftsman weed eater fuel lines A Perfect YardGroom your yard to perfection with the Craftsman ...

I have a craftsman 32cc weedwacker that will not start I can't see any ...

I have a craftsman 32cc weedwacker that will not start I can't see any ...

25cc craftsman weed wacker - Fixya 25cc craftsman weed wacker. ... Has new fuel/oil, cleaned spark plug and filter. Idles fine but stalls when throttled. Posted by Anonymous on May 12, 2022. Want Answer 1. Clicking this will make more experts see the question and we will remind you when it gets answered.

0 Response to "42 craftsman weedwacker fuel line diagram 25cc"

Post a Comment

Iklan Atas Artikel

Iklan Tengah Artikel 1

Iklan Tengah Artikel 2

Iklan Bawah Artikel