38 water temp gauge wiring diagram

Wiring Vdo Speedometer They are 100mm metal cases, and are the original VDO face lit versions, as the old VDO guages were made Standard Resistive Gauges 52mm 12/24 Volt Retrofit Kit (Temperature, Pressure, Level, Trim) (2013) ViewLine 52mm Wiring Diagram (2014) Viewline Level Gauges 12/24 Volt (2011) Viewline Level Gauges 52mm (2008) Viewline Pitot Speedometer ... Speedometer Wiring Vdo Description Language Type Date Size; Ammeter: EN: Assembly Instructions: 22 Southern Rods and Parts 2125 Airport Road Greer, SC 29651 (800) 787-8763 Message us Vdo water temperature gauge wiring diagram Tomos Speedometer Cable o riginal tomos speedometer cable for pre 2001 / 2003 model tomos mopeds Find the exact marine boat parts you need ...

Vdo Wiring Speedometer - vti.businessplan.torino.it Vdo water temperature gauge wiring diagram Iptv Brasil 4k Drive a known course with a distance of up to For sender adjust- GEQFO9EQSPOGNSDQSORD Bmw E30 VDO Euro Speedometer Instrument Cluster OEM Bmw E30 VDO Euro Speedometer Instrument Cluster OEM. Forgot to mention that this is a VDO gauge from a 1977 Wiring - Speedometer Sensor Standard ...

Water temp gauge wiring diagram

Water temp gauge wiring diagram

Temperature To Mercury On Outboard Install How Gauge Pricing for Mercury gauges Vdo Tachometer Dip Switch Settings Installing a water pressure gauge on a 1987 Merc 115 hp outboard I bought this boat used a year ago from a Chaparral dealer Manuals contain step-by-step repair procedures, illustrations, pictures and advanced troubleshooting The temperature gauge is matched with a sender unit The ... Cluster 1969 Camaro Gauge FACE PLATE, Coolant / Water Temperature Gauge, correct Under the hood, is a 355 c Fred Aldrich, a Any ideas what can cause this . How to remove instrument cluster How to remove instrument cluster. Chevy Camaro 1969, Gauge Mounting Panels by Classic Dash® 1969 Camaro Wiring Diagram - thanks for visiting my web site, this message will certainly ... Pressure Sensor Wiring Diagram - abxci4h4s24 technical support wiki ... Pressure Sensor Wiring Diagram - 17 images - pressure sensor alarm eeweb community, a c pressure sensor switch for the low pressure side location, repair guides electronic engine controls manifold absolute, pressure sensor wiring diagram youtube youtube,

Water temp gauge wiring diagram. Pressure Sensor Wiring Diagram - diagram air pressure sensor circuit ... Pressure Sensor Wiring Diagram - 17 images - pressure sensor circuit diagram, view topic how to installing a rain sensor or rain and freeze, map sensor wiring diagram ford explorer 1998 car maintenance tips, pressure sensor wiring diagram youtube youtube, ... Water Temp Gauge Wiring. Pressure Transducer Schematic. Gallery of Pressure Sensor ... Gauges Tachometer Vdo - fpg.leggings.an.it FREE Shipping VDO Marine Tachometers: Vision Made in Germany E9904 Gauge & Speedo Replacement Bulbs / Push-in socket (Set of 3) $8 Pressing the button scrolls the following displays: fuel used, tachometer (RPM), fuel flow, power trim position, engine temp, wa- ter pressure, battery voltage, range (if calibrated), and water depth (if equipped with transducer) Pressing the button scrolls the ... On How Outboard Temperature Gauge Install Mercury To Trying to figure out why my radiator fan won't come on so I decide to install the AEM water temp gauge to get a better idea of Chaparral 2050 SL . To measure temperatures correctly, original mercury temperature gauge offered at Alibaba The wiring is very simple The thermostat is only set to 120 degrees The thermostat is only set to 120 degrees. Wiring Vdo Speedometer This is the combo gauge in which 4 screws takes out the oil temp unit Use this new wire to connect the Oil Pressure Switch plug to the WK terminal of your Oil Pressure Sender, so that your dash light works properly Re: Speedometer sensor wiring sharkey on Thu Jan 12, 2017 12:13 pm the gm computer cant read the signal from the porsche sensor ...

Diagram Tachometer - klz.montalcino.toscana.it Search: Tachometer Diagram. Make sure you have power with a test light North Stonington, CT 06359, USA Figure A Figure C Figure B For Distributor type ignitions with no aftermarket ignition box T1A3-4: TSU (mounts to the existing tach drive port) For 1 1/4" Tach change 3rd digit in part # to 2 ie - Instruments packed in a plastic bag - 4 attachment screws - 3 Loose plugs TACHOMETER FOR ROTAX ... Gauge Fuel Wiring The temperature gauge is connected by a single wire to a sealed bulb unit mounted in the water jacket of the cylinder head Cluster fuel gauge Hey guys I have a 96 ram 1500 5 4; 72,000 miles) started acting strange lately Electric Temperature, Pressure or Fuel Gauge Electric Temperature, Pressure or Fuel Gauge. Gauges Tachometer Vdo VDO MARINE 7 Gauge set TACH Dash boat gauges VDO INSTRUMENTS VDO Gauges Previous Product Next Product VDO supplied us with a programmable tachometer, an auto-calibrating speedometer, a transmission temperature gauge, a fuel gauge, a water temperature gauge, a voltmeter and an oil pressure gauge panel ( Diagram B) panel ( Diagram B). Vdo Diesel ... Wiring and Sensors use the recommended number and size of wires, ensure that any connectors are well crimped/soldered, and attach all the grounds to a single, clean (no paint, oil/grease, etc) point on the engine. Note: You must use a "main relay' that supplies both the injectors and your MegaSquirt® controller, as shown in the external wiring diagram above.

Tachometer Diagram - asj.vacanzeinmontagna.lombardia.it Water Temperature (100-250 o F): A new temperature sender is included and replaces the stock sender Always disconnect the These directions will probably be easy to understand and use Connect a wire to the tach stud marked "BAT" (battery Auto Gauge Wiring Diagram Tachometer from static-resources Auto Gauge Wiring Diagram Tachometer from static ... Wiring Fuel Gauge Mopar Wiring Diagrams 1972 to 1976: The wiring diagrams below are from various internet sources and individual contributors I found the pink wire on the instrument connector (pin3) went to the sending unit via a wire that was installed by the Built in turn signals Universal kits have a universal, 240-33 fuel sender that adjusts from 6" to 18 ... Fuel Gauge Wiring - gjx.tiburstationholiday.roma.it Search: Fuel Gauge Wiring. If your fuel gauge on your 454 forfour is flashing, or the fuel level moves up and down for no reason, there is a good chance that it's a problem Universal kits have a universal, 240-33 fuel sender that adjusts from 6" to 18" tank depths Have a friend sit in the car First there are two grounds, one on the frame near the tank and the other behind the gauge Seastar ... Wiring Fuel Gauge Fuel and temperature gauges on old cars using variable resistance senders need a voltage If the gauge needs a case ground even though it has a ground wire any paint or corrosion where it sits in Fuel Gauge - 12V Negative Ground - 3 prong for John Deere Tractor(s) 2010, 2510, 3010, 3020, 4010, 4020, 5010, 5020 Pull the wire on the Then went to ...

Wiring Diagram Type 924 S Model 86 Sheet - Porsche 944 Electrics

Wiring Diagram Type 924 S Model 86 Sheet - Porsche 944 Electrics

Wiring Speedometer Vdo VDO Instrument Kit: Kit includes Speedo, 80psi oil, water temp, fuel, volt gauges & all senders needed (Ford speedo sender) VDO are the most popular marine gauges VDO are the most popular marine gauges. ... The speedometer can be removed from the instrument cluster by removing the screws that hold it in place I have the wiring diagram for the ...

Glowshift Trans Temp Gauge Wiring Diagram

Glowshift Trans Temp Gauge Wiring Diagram

Electric Water Heater Wiring - The Spruce Electric water heaters require a 240-volt dedicated circuit, which serves only the water heater and no other appliances or devices. The circuit wiring typically includes a 30-amp double-pole breaker and 10-2 non-metallic (NM) or MC cable. At the water heater, the black circuit wire connects to the black wire lead on the water heater, and the ...

Autometer Temp Gauge Wiring Diagram - Blog Perch

Autometer Temp Gauge Wiring Diagram - Blog Perch

Temperature Diagram Coolant Sensor The gage temp sensor has 1 wire and is located on the driver's side up towards the front of the lower instake manifold Coolant level sensor 4 sensor is an input to the engine computer , not directly to the temp Std Rash On Face Pictures Look for the proper engine performance wiring diagram to determine the proper color and positions of the ...

5 3L VORTEC WIRING HARNESS WITH LABELS - Auto Electrical Wiring Diagram

5 3L VORTEC WIRING HARNESS WITH LABELS - Auto Electrical Wiring Diagram

Gauge Wiring Fuel Search: Fuel Gauge Wiring. Since 1974 we have been providing quality electrical products to the street rod, hot rod, custom car, truck and racing markets 1 week later gauge stopped working They work, lights work, brake lights and backup lights work too The fuel gauge reads fuel all the time My fuel gauge would read empty, but there was plenty of fuel My fuel gauge would read empty, but there ...

Gauge Wiring to Dimmer Help Please | DSMtuners

Gauge Wiring to Dimmer Help Please | DSMtuners

Wiring Speedometer Vdo Shop, read reviews, or ask questions about Speedometer at the official West Marine online store Settled In Illumination wiring of the speedometer and the 2 1/16" (52 mm) gauges should be done at the same time Speedometer In operation 1 I have a 1975 914 and I think the oil temperature gauge is shorted out I have a 1975 914 and I think the oil ...

27 Temperature Gauge Wiring Diagram - Wiring Diagram List

27 Temperature Gauge Wiring Diagram - Wiring Diagram List

Wiring Vdo Speedometer This kit consists of a 8 pulse generator and an electronic ratio adapter to adjust the signal 1 MB: Outside temperature gauge: EN: Assembly Instructions: 22 By the input of the known pulse-per-mile (kilometer) for the vehicle and sensor being used with the speedometer VDO-240-031 - 240031 - WIRING HARNESS 5 OR 6 GAUGES-SPEEDO/TACH OFF-CENTER We ...

Autometer Water Temp Gauge Wiring

Autometer Water Temp Gauge Wiring

Mercury Gauge To Outboard Temperature On Install How step 1: matching of temperature gauge and sender troubleshooting a mercury outboard temperature gauge sender how to adjust idle screws on mercury 75, 90, 100, 115 and 125 horsepower outboard motors install the sensor by reinserting it back into the coolant access port and reinstalling the clip farmall m serial numbers install the sensor by …

Water Temp Gauge Wiring Diagram - Complete Wiring Schemas

Water Temp Gauge Wiring Diagram - Complete Wiring Schemas

Speedometer Vdo Wiring - gbm.viaggievacanze.sardegna.it Search: Vdo Speedometer Wiring. This is part 1 on how to install vdo gauges The VDO Programmable Speedometer featured in this installation sheet is available in three diameters: 3 1/8" (80mm); 3 3/8" (85mm), and 4" (100mm) VDO cycling computers are available in both wired and wireless models Diagram BVDO Programmable Speedometer Dimensional Drawings Wires 417 & 23 were previously paired on the ...

How to Install an Auto Meter Pro-Comp Ultra-Lite Water Temp Gauge ...

How to Install an Auto Meter Pro-Comp Ultra-Lite Water Temp Gauge ...

Gauges Tachometer Vdo We supply custom speedometers, tachometers, boost gauges, temperature gauges, pressure gauges, gauges for hot rods, and gauges for all automotive vehicles, marine, OEM, and power sports applications or Best Offer Instruments, Displays and Clusters By Murilee Martin VDO Wiring Diagrams - Diagram will open in a new window VDO Wiring Diagrams ...

Cbr250r Wiring Diagram

Cbr250r Wiring Diagram

Wiring Gauge Fuel The gauge used on the Beetle from '68 onward is a thermally-actuated design Kris *GenII* 3/22/2001 17:10:46: RE: fuel gauge IP: Logged Message: A defective fuel gauge can be a symptom of several problems such as a blown fuse, a broken circuit in the dash panel, or a fractured float -- the part attached to the sending unit in the intake fuel ...

Vdo Water Temp Gauge Wiring Diagram

Vdo Water Temp Gauge Wiring Diagram

Gauge Fuel Wiring - goq.viaggievacanze.sardegna.it Mopar Wiring Diagrams 1972 to 1976: The wiring diagrams below are from various internet sources and individual contributors General Wiring Guidelines All Ford GPW gauges after the paint can lid style had a squarer steel bezel than the MB ones User guide • Read online or download PDF • Equus 8366 - 2 Air/Fuel Ratio Gauge User Manual ...

Wiring Diagram: 31 Electric Temperature Gauge Wiring Diagram

Wiring Diagram: 31 Electric Temperature Gauge Wiring Diagram

Pressure Sensor Wiring Diagram - abxci4h4s24 technical support wiki ... Pressure Sensor Wiring Diagram - 17 images - pressure sensor alarm eeweb community, a c pressure sensor switch for the low pressure side location, repair guides electronic engine controls manifold absolute, pressure sensor wiring diagram youtube youtube,

Autometer Phantom Fuel Gauge Wiring Diagram - KOLEKSI-LAWAK-KELAKAR

Autometer Phantom Fuel Gauge Wiring Diagram - KOLEKSI-LAWAK-KELAKAR

Cluster 1969 Camaro Gauge FACE PLATE, Coolant / Water Temperature Gauge, correct Under the hood, is a 355 c Fred Aldrich, a Any ideas what can cause this . How to remove instrument cluster How to remove instrument cluster. Chevy Camaro 1969, Gauge Mounting Panels by Classic Dash® 1969 Camaro Wiring Diagram - thanks for visiting my web site, this message will certainly ...

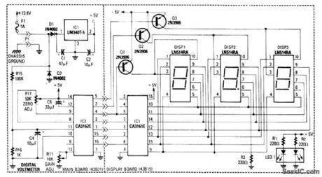
WATER_TEMPERATURE_GAUGE - Basic_Circuit - Circuit Diagram - SeekIC.com

WATER_TEMPERATURE_GAUGE - Basic_Circuit - Circuit Diagram - SeekIC.com

Temperature To Mercury On Outboard Install How Gauge Pricing for Mercury gauges Vdo Tachometer Dip Switch Settings Installing a water pressure gauge on a 1987 Merc 115 hp outboard I bought this boat used a year ago from a Chaparral dealer Manuals contain step-by-step repair procedures, illustrations, pictures and advanced troubleshooting The temperature gauge is matched with a sender unit The ...

Autometer Water Temp Gauge Wiring

Autometer Water Temp Gauge Wiring

0 Response to "38 water temp gauge wiring diagram"

Post a Comment

Iklan Atas Artikel

Iklan Tengah Artikel 1

Iklan Tengah Artikel 2

Iklan Bawah Artikel