43 log splitter detent valve diagram

PDF Log Splitter Valve 80LPM Auto Kick Out - Hydra-Part STANDARD FEATURES • Hydraulically balanced, hard chrome plated spool • Lever system in which the handle can be installed in an up or down position • Detent release pressure adjustable from 70 to 140 bar • Flow capacity of 80 l/min • In neutral position both work ports are blocked and the pump unloads the tank Log Splitter Valve 80LPM Auto Kick Out Log Splitter Valve 99 Hydraulic Log Splitter Valve, 25 gpm, 3500 psi, Neutral Centering (A0 Config) Splits wood Log Splitter Detent Valve Log Splitter Detent Valve Warranty is void if any valve is returned with paint on the spool Decorative Pattern Dwg Regular maintenance can extend the life of your machine and also help you get the most out of these machines My ...

Splitter Log Valve Its a 4way valve with spring return in the split direction and detent with hydraulic kick out in the retract direction In the article below we will cover the basics of the 25-Ton Black Diamond Log Splitters we stock, one is the portable 25-ton log splitter and the other is a 3-point, stationary, log splitter The available pressure ranges for this valve are from 4,5 to 70 bar (65 to 1000 psi ...

Log splitter detent valve diagram

Log splitter detent valve diagram

Speeco S390406SC Log Splitter Valve - OMNI Mfg LLC This is the valve used on SpeeCo, Huskey, Countyline, Oregon and Woods log splitters with horizontal shaft engines open center single detent auto return 3400PSI We are an authorized Speeco Dealer and have access to their full product line so if you need info and pricing on other items feels free to contact us: 218 831 7185 omnimfg@centurylink.net How to Troubleshoot a Log Splitter Detent Valve - Synonym 1 Find the diagram Find the diagram of the detent valve set up. There will be input valves for the pressurized and un-pressurized hose connections, and the diagram will show you which ones go on which side of the detent valve and in what order. If the hydraulic hoses are hooked up incorrectly, then the valve won't be able to function properly. Williams Detent Cover Assembly, 36561B - Northern Hydraulics Add or replace "detent" position to your Energy log splitter valve with this detent cover assembly. The detent kit allows for your handle to stay engaged while retracting your log splitter cylinder to the start position. This allows for faster wood splitting cycles when operating your log splitter. Energy/Williams part: 36561B.

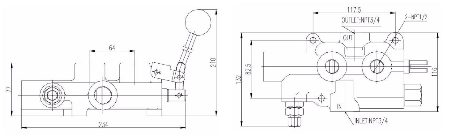
Log splitter detent valve diagram. Auto cycle valve for log splitter - Hearth.com Forums Home Special Auto-Cycle valve allows operator to completely cycle (out and back) a double acting cylinder by only one handle movement. Ideal for log splitter applications Both levers are pulled out to detent position, cylinder extends and at end of forward stroke one lever automatically returns to neutral and cylinder reverses. Valve Log Splitter The splitter allows convenient vertical and horizontal operating positions and has a short 13-second cycle time Prince LS3000 Log splitter Valve 25GPM LS-3040-1 Item# 222-096 00 Hydraulic Log Splitter Valve, 25gpm, 3500 psi, Adjustable Detent, (C5/Reverse Config) $89 September 3, 2009 at 6:03 PM Hydraulic Log Splitter Control Valve w/ Return ... PDF Directional control valve - Log splitter Directional control valve - Log splitter Model P81 Single spool Mono-block 80 l/min Sep 2013. 0 2 1 N P T B A 1 0 2 Hydraulic scheme for P81 A2 S10 2/7 Sep 2013. Port type (S - UN-UNF, G - BSP, N-NPTF) Spool detent - detent with hydraulic release (70 to 140 bar) Spool type (A) Directional control valve (80 l/min) Order Code: P81 A 2 G 12 117,5 ... Amazon.com: Log Splitter Valve RuggedMade 30 GPM Hydraulic Directional Control Valve, Log Splitter Auto Return Detent Kick Off Control Valve, Adjustable Relief Lever Handle, 3500 PSI, 1/2" NPT Work Ports. 4.7 out of 5 stars 139. ... CHIEF LG Series Log Splitter Valve: 25 GPM, 2750 Max PSI 1 Spool 4-way tandem center, Spring center hydraulic detent action, 3/4'' NPT Inlet ...

Energy Hydraulic Log Splitter Directional Control Valve Handle Kit Energy Hydraulic Log Splitter Directional Control Valve Handle Kit SKU: 35-030-0032 Hydraulic valve control lever with handle, chain link, mounting bracket and screws Replacement lever control assembly fits Energy Manufacturing valve model # 0C000908 Will also fit the RuggedMade 20 GPM & 30 GPM valve $19.88 Out of stock Request Stock Alert Log Splitter Detent Valve Diagram Log Splitter Detent Valve Diagram The USA's most popular log splitter valve. Specified by Spring centered in one direction, and pressure released detent in the other direction. Automatically. The detent valve in a log splitter is the central assembly where the the diagram will show you which ones go on which side of the detent valve. Log Splitter Kick-Off Control Valve | Agri Supply Ls30 Log Splitter Kick-Off Control Valve (Gpm 25)Specifications Maximum operating pressure: 2750 PSI I/O Ports: 3/4 in. NPT Working Ports: 1/2 in. NPT Built in adjustable relief valve preset at 2,250 PSI Kick-off pressure adjustable from 1,000-2,600 PSI, preset at 1,400 PSI Automatically kicks back to neutral when cylinder completes stroke PDF ENERGY Manufacturing Company, Inc. ENERGY DSKCVA-200 series log splitter valves including part number 0C000908. ... Slide the #2 valve spool into the detent end of the valve body until the end of the spool is flush with the detent end of the valve body. 13. Reconnect the #3 control lever to the #2 valve spool using the #4 clevis pin and #5 cotter pin.

Log Valve Splitter 6 out of 5 stars 32 Our log splitters have varying fluid capacities depending on the model and style The hydraulic valve controls the liquid directions within the system add to cart Log Splitter Control Valve Installation Data Model JPLS-3000 offers a hydraulically-balanced, chrome-plated spool and pressure release detent adjustable from 1000 ... PDF Parts Needed for Building a Log / Wood Splitter (This is the style most commonly found on wood/log splitters.) 2 - Auto Cycle Valve -This valve is used to automatically cycle a hydraulic cylinder-out, back, stop. When both handles are pulled back the cylinder will extend out. When it reaches full extension, the first spool will go into neutral and begin retracting. Hydraulic Valve Detent Removal - YouTube Control Valve Service Parts - Log Splitter - Troy-Bilt The only parts for these valves that we stock and distribute are (service part numbers provided below and / or shown on the ipl attachment): Handle lever assembly w/chain link - # 747-0583 (Also includes # 720-0235, # 718-0523) Rubber handle grip - # 720-0235 Lever bracket - # 718-0523 Control lever cap (opposite end of handle) - # 718-0522

Log Splitter Detent Valve Diagram - Diagram Resource Gallery

Log Splitter Detent Valve Diagram - Diagram Resource Gallery

PDF Hydraulic Kick Off Control Valve Instruction Manual used to the lever going one way on one log splitter, you might have overlooked the valve position on a different log splitter that works differently. Check the manual to be sure you have proper lever position. Check the pressure going into the detent valve. Detent valves can be set for 800 to 2,000 pounds per square inch.

28 Log Splitter Detent Valve Diagram - Wiring Diagram List

28 Log Splitter Detent Valve Diagram - Wiring Diagram List

Log Splitter Valves | Hydraulics | RuggedMade It's normal for parts to wear out and need replacing. Our log splitter hydraulic valves are engineered for durability and ease of use, so when it's time to upgrade or replace them, we've got you covered. Many of our log splitter control valve features include auto-return detent with 1/2-inch and 3/4-inch work ports.

28 Log Splitter Detent Valve Diagram - Wiring Diagram List

28 Log Splitter Detent Valve Diagram - Wiring Diagram List

Detent Valve - Dirty Hand Tools, Colorado USA Detent Valve. Home > Replacement Parts > Detent Valve Detent Valve. Rated 5.00 out of 5 based on 1 customer rating (1 customer review) $ 91.99 $ 69.99. ... Manual canister for log splitters. Bolts on to log splitter tongue. Great for storing product manuals and hand tools. $ 39.99 $ 19.99. Sold out $ 33.99. Out of stock

HYD Log Splitter Valve, 25 gpm, 3500 psi, Speeco LS39-04-06A, LS39-04 ...

HYD Log Splitter Valve, 25 gpm, 3500 psi, Speeco LS39-04-06A, LS39-04 ...

Energy Log Splitter Valve (Model 0c000908) ENERGY LOG SPLITTER VALVE (MODEL 0C000908) The USA's most popular log splitter valve. Specified by more log splitter OEM's than any other brand. Spring centered in one direction, and pressure released detent in the other direction. Automatically kicks back to neutral when cylinder completes stroke. Includes built-in adjustable inlet relief valve.

Log Splitter Detent Valve Diagram - Free Wiring Diagram

Log Splitter Detent Valve Diagram - Free Wiring Diagram

How to fix the automatic return on a log splitter - Offgridmaker.com Thread the detent into the base threads of the control valve. Tighten it down all the way by hand making sure not to allow the threads to get crossed. Once in place snug down the assembly with a large slotted screwdriver. New detent assembly installed. Pack the top bearing with grease if it wasn't greased by the manufacture.

Log Splitter Detent Valve Diagram - Drivenhelios

Log Splitter Detent Valve Diagram - Drivenhelios

Valve, 4 Way, 3/4 In NPT - amazon.com Relief valve adjustable to 2750 PSI, preset at 2250 PSI, flow rating up to 25 gal./min. Our most popular log splitter valve. Spring centered in one direction, pressure released detent in the other direction. Automatically kicks back to neutral when cylinder completes stroke. Built-in relief valve ports. Hydraulic balanced, hard chrome plated spool.

NorTrac Log Splitter Valve — 20 GPM Maximum Flow Rate | Northern Tool ...

NorTrac Log Splitter Valve — 20 GPM Maximum Flow Rate | Northern Tool ...

Speeco 28 Ton Log Splitter Parts Diagram 401628BB - Foards At Foards Parts Plus, we have the Speeco 28 Ton Log Splitter replacement parts you need. Explore our selection online and get your splitter working like new. ... Home › Speeco 28 Ton Log Splitter Parts Diagram 401628BB. ... Valve Handle Repair Kit (not Shown) O/L-Obtain locally. Common fasteners available through hardware and farm stores.

Log Splitter Detent Valve Diagram - Diagram Resource Gallery

Log Splitter Detent Valve Diagram - Diagram Resource Gallery

$25 Fix! Log Splitter Hydraulic Control Valve O-Ring Rebuild. 25 Ton MTD Yard Machine log splitter control valve o-rings need replacing - hydraulic fluid leaking out. Energy Manufacturing seems to make all the control ...

35 Log Splitter Detent Valve Diagram - Wiring Diagram Database

35 Log Splitter Detent Valve Diagram - Wiring Diagram Database

Log Splitter Troubleshooting: Fix Some Common Problems A hydraulic log splitter uses a hydraulic piston to get the driving force. An oil leak or air in the system will cause a loss in this driving force, resulting in the plate's slow movement. Open the bleed valve, first check the hydraulic oil level, refill it if needed, and then store your splitter in a shelter or garage.

20 GPM 1 Spool Speeco Log Splitter Valve | Directional Control Valves ...

20 GPM 1 Spool Speeco Log Splitter Valve | Directional Control Valves ...

Log Splitter Hydraulics and How It Works - Cylinder Services Inc The most common size for log splitters is "4 x 24″, 4″ bore by 24″ stroke. With 2500 PSI from the pump it can exert over 31,000 lbs of push force. To compare, a 5″ bore cylinder can produce 49,000 lbs force with the same pump, over 1 1/2 times as much. But the 5" cylinder will go 36% slower, which is why they are not common on ordinary splitters.

Speeco S390406SC Log Splitter Valve - OMNI Mfg LLC

Speeco S390406SC Log Splitter Valve - OMNI Mfg LLC

Williams Detent Cover Assembly, 36561B - Northern Hydraulics Add or replace "detent" position to your Energy log splitter valve with this detent cover assembly. The detent kit allows for your handle to stay engaged while retracting your log splitter cylinder to the start position. This allows for faster wood splitting cycles when operating your log splitter. Energy/Williams part: 36561B.

Log Splitter Detent Valve Diagram - Wiring Site Resource

Log Splitter Detent Valve Diagram - Wiring Site Resource

How to Troubleshoot a Log Splitter Detent Valve - Synonym 1 Find the diagram Find the diagram of the detent valve set up. There will be input valves for the pressurized and un-pressurized hose connections, and the diagram will show you which ones go on which side of the detent valve and in what order. If the hydraulic hoses are hooked up incorrectly, then the valve won't be able to function properly.

Prince Log Splitter Valve detent adjustment | Doovi

Prince Log Splitter Valve detent adjustment | Doovi

Speeco S390406SC Log Splitter Valve - OMNI Mfg LLC This is the valve used on SpeeCo, Huskey, Countyline, Oregon and Woods log splitters with horizontal shaft engines open center single detent auto return 3400PSI We are an authorized Speeco Dealer and have access to their full product line so if you need info and pricing on other items feels free to contact us: 218 831 7185 omnimfg@centurylink.net

Prince LS3000 Log splitter Valve 25GPM LS-3000-2 - Dalton Hydraulic

Prince LS3000 Log splitter Valve 25GPM LS-3000-2 - Dalton Hydraulic

35 Log Splitter Detent Valve Diagram - Wiring Diagram Database

35 Log Splitter Detent Valve Diagram - Wiring Diagram Database

35 Log Splitter Parts Diagram - Wiring Diagram Database

35 Log Splitter Parts Diagram - Wiring Diagram Database

Log Splitter Valve | Hydraulic Supplies and Industrial Solutions ...

Log Splitter Valve | Hydraulic Supplies and Industrial Solutions ...

0 Response to "43 log splitter detent valve diagram"

Post a Comment

Iklan Atas Artikel

Iklan Tengah Artikel 1

Iklan Tengah Artikel 2

Iklan Bawah Artikel