41 mercruiser power steering diagram

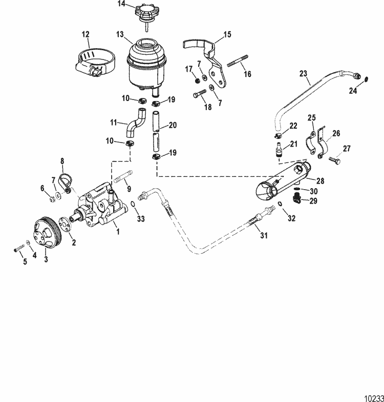
Mercruiser Power Steering Coolers Mercruiser is by volume the largest marine engine company on the planet providing high quality products with excellent distribution.The only difference you'll see with our replacement Mercruiser Power Steering coolers is the price. 25 Items Show per page Sort By Set Descending Direction 805561T Mercruiser Tandem Cooler $563.82 Add to Cart MerCruiser 5.0L MPI Alpha / Bravo Power Steering Components Parts View diagram and parts list below. Each product listed is an OEM or aftermarket equivalent part. [ Example ] Reference numbers in this diagram can be found in a light blue row below — scroll down to order. Each product listed is an OEM or aftermarket equivalent part. [ Example ]

Power Steering - MerCruiser - MarineEngineParts.com Mercury Marine 32-8M0063020 Hose-Power Steering. Our Price: $171.89. Mercury Marine.

Mercruiser power steering diagram

Mercruiser power steering diagram

Mercury/MerCruiser - Parts Diagrams Power Steering Pumps; Belt Tensioners; Generator Parts. Kohler Generator Parts ; ... Mercruiser Complete Drive Units; Mercruiser Complete Upper Units; ... Parts Diagrams. Crusader. V8 Small Block Engines / 5.0 Liter (305) & 5.7 Liter (350) 5.0 Liter (305) Model CM305XL; PDF Service Manual Number 28 Power Steering Steering Systems Installs the pulley on the power steering pump. 91-93656A1 Power Steering Test Gauge Kit 74167 Tests the power steering system pressure. 91-38053A4 Kent-Moore Tools Kent-Moore Tools, Inc. 29784 Little Mack Roseville, MI 48066 Phone: (313) 774-9500 Description Part Number Power Steering Pump Pulley Remover J-25034 OEM MerCruiser power steering actuator 8M0146217 - NuWave Marine Mercury / Quicksilver. Part Number: 710-8M0146217. Minimum Purchase: 1 unit. $1,393.21 $1,191.64. - You save $201.57. Buy this product to earn $35.75 in Store Credit. Buy in monthly payments with Affirm on orders over $50.

Mercruiser power steering diagram. Mercruiser Power Steering Woes - Lots of reads, pics, and a video! 2) A freely moving and non binding steering cable from the helm down to the actuator. 3) A freely moving outdrive leg. 5) A good condition and appropriately tensioned serpentine (or V) belt driving the pump. 6) A well maintained and operational power steering pump. 7) A working and operational power steering actuator. Mercruiser 898 POWER STEERING COMPONENTS(V-ENGINES) Diagram - boats TUBE EXTENDING-POWER STEERING 57633 Unavailable : 10: TUBE RETRACTING-POWER STEERING 57634 Unavailable : 11A: FITTING Grease POWER STEERING VALVE 67305 Unavailable : 11: VALVE ASSEMBLY POWER STEERING 52779A2 Unavailable : 12: STUD ADAPTOR-POWER STEERING VALVE 55109 Unavailable : 13: SCREW (.375-16 x 1.250) CLAMPING 37612 1998 Stern Drive 5.0L [ALPHA] - 4M11025RS POWER STEERING COMPONENTS diagram View parts diagrams and shop online for POWER STEERING COMPONENTS parts, 1998 Stern Drive 5.0L [ALPHA] 4M11025RS. Offering discount prices on OEM parts for over 50 years. FAST $4.95 shipping available. PDF ALPHA ONE GENERATION II STERNDRIVE 2 - Marine-J 2 - 4 Alpha One Generation II Sterndrive 90-806534970 1096 Power Steering Hose Connections 73786 a Typical Hose Routing a - Hose Fittings - Torque Both Fittings to 23 lb. ft. (31 N·m).

Genuine Mercury & Mercruiser parts. Lookup Mercury Parts Diagrams Mercury Marine Parts Lookup Drawings Find genuine factory OEM Mercury Marine, Mercruiser, Quicksilver and Mercury Racing parts for your engine, sterndrive or a Mercury accessory using detailed drawings and images with our Mercury Mercruiser online parts catalog. Mercruiser Steering Actuator Problem - YouTube About Press Copyright Contact us Creators Advertise Developers Terms Privacy Policy & Safety How YouTube works Test new features Press Copyright Contact us Creators ... Mercruiser Sterndrive Outdrives OEM Parts Diagram for POWER STEERING ... Mercruiser ALPHA ONE GEN. 2 1998 and Up POWER STEERING Diagram Check Availability Select your address Need Help Finding Parts? Why Boats.net? Lowest Prices Find a lower price and we'll match. Elite Distributor Over 5 million orders shipped! FREE Shipping on orders of $149 or more! * Restrictions apply. Click here for details Commercial Discounts OEM MerCruiser Power Steering Hose(Fittings 32-861317 20 OEM MerCruiser Power Steering Pressure Hose 32-862878 Mercury Marine / Quicksilver OEM MerCruiser Hose-Power Steer 32-8M0063020 $183.33 Mercury Marine / Quicksilver OEM MerCruiser Hose P/S Pres.Fittings 2 End 32-90494 $189.33 $146.81 OEM MerCruiser power steering actuator 8M0146217 $1,393.21 $1,191.64 Mercury Marine / Quicksilver

Power Steering | PerfProTech.com Find your Power Steering diagrams at PPT using our parts catalog. Login New Account Shopping Cart. International Shipping Options. Marine Parts + ... MERCRUISER > 496 MAG (Base Model) MERCRUISER > 496 MAG (H.O. Model) Contact Us 1-405-533-3812. 8002 West 6th Stillwater, OK 74074; Steering Power Steering | Mercury Marine Power Steering Your boat now steers like your car. True finger-tip steering. Power and speed. With you totally in control. The faster you go, the more you'll appreciate it. Available on FourStroke, Verado® and OptiMax® outboards 75 hp and up, gas and diesel sterndrives. More effort for us. Less effort for you. A total engineering effort. Mercruiser Power Steering Woes - iboats Boating Forums As far as i see it, there are a few critical components to the power steering: 1) A freely moving helm steering mechanism. 2) A freely moving and non binding steering cable from the helm down to the actuator. 3) A freely moving outdrive leg. 4) A freely flowing fluid system (including the power steering fluid cooler) Steering | Mercury Marine Power Steering. Relatively new to the marine market. Much like the power steering system in your car or truck. Uses hydraulic pumps and fluid to take the effort out of steering. True fingertip control. ... Axius and Axius Premier for MerCruiser® and Mercury Diesel applications, boats from 27 to 46 feet. Zeus for larger boats powered by pod drives.

Mercruiser power steering issues - The Hull Truth - Boating and Fishing ...

Mercruiser power steering issues - The Hull Truth - Boating and Fishing ...

Mercruiser 4.3L stiff power steering - iboats Boating Forums The nut at the end of the cable connects to the steering hyd. shuttle valve. The caution is due to the critical nature of getting this connection tight. You can do Scott Danforth 's test by leaving this alone, for now. The cable end is straight thru the cyl/valve, and is cotter key/pin attached. Remove this pin and check your steering effort.

Power Steering Components | PerfProTech.com

Power Steering Components | PerfProTech.com

Mercruiser Power Steering Actuator Boat Parts | Boat Parts & Inventory ... Nos Mercruiser Power Steering Actuator Cylinder 89645a15. 649.95. U3 Mercury Mercruiser Power Steering Assist Actuator Cylinder. Pre-alpha V-8.

Mercury MerCruiser Inboard Parts by Size & Serial Gas OEM Parts Diagram ...

Mercury MerCruiser Inboard Parts by Size & Serial Gas OEM Parts Diagram ...

MerCruiser Alpha One (Gen. II) 1991-1995 Power Steering Components Parts MerCruiser Alpha One (Gen. II) 1991-1995 Power Steering Components Parts MerCruiser alpha one (gen.ii) 1991-1995 power steering components parts. Buy a genuine Mercury Quicksilver or aftermarket part. Go (800) 209-9624 M-F 9-5 ET (800) 209-9624 M-F 9-5 ET important_devices Order online, get free downloads* Fast Trackable Insured Shipping Menu

Genuine Mercury & Mercruiser parts. Power Steering Actuator

Genuine Mercury & Mercruiser parts. Power Steering Actuator

Genuine Mercury & Mercruiser parts. Parts Diagrams | Mercruiser ... Find your Mercruiser, Mercury and Mercury Racing sterndrive, inboard, diesel or gas engine parts here with our detailed diagrams, parts drawings, images and parts breakdowns. Select your product then select your serial number range to locate your parts diagrams. Order online for discounted pricing. #1 and Alpha Drives 4 Cylinder Engines

Mercury MerCruiser Sterndrive Parts by Year Mercruiser OEM Parts ...

Mercury MerCruiser Sterndrive Parts by Year Mercruiser OEM Parts ...

Mercruiser power steering actuating - YouTube By pushing and pulling on the steering cable input, you can move the control valve to cause the steering rod to extend and retract.

Sterndrive Parts : Marine Engine Parts|Marine Engines|Manifolds|Risers ...

Sterndrive Parts : Marine Engine Parts|Marine Engines|Manifolds|Risers ...

PDF INSTALLATION INSTRUCTIONS - CP Performance For appropriate plumbing diagrams, please reference the following: Full Hydraulic, Single Bravo/Single Cylinder (assembly print drawing 137-9400 & 137- ... power steering pump must be removed and replaced with the power steering return dump cap provided. Simply tighten the center screw on the new cap snugly to prevent

MerCruiser 6.2L MPI Horizon MIE Standard Cooling System Parts

MerCruiser 6.2L MPI Horizon MIE Standard Cooling System Parts

Mercury Marine 8M0149869 Cyl-Pwr Str Kit Description. Additional Details. Mercury Marine 8M0149869 Cyl-Pwr Str Kit. Power steering cylinder kit fits Mercury Marine R, MR, Alpha One, Alpha One GEN-II, and Bravo sterndrives 1983-1993 with the older multi-piece power steering cylinder with current production cast aluminum 1-piece unit. Note: Will not fit older, pre-1982 applications.

MerCruiser Race Engine & Drive 500 EFI Power-assisted Steering ...

MerCruiser Race Engine & Drive 500 EFI Power-assisted Steering ...

Sterndrive Steering - SeaStar Solutions HOW TO SELECT A STERNDRIVE STEERING SYSTEM. 1. From the order guide select the drive configuration based on the number of drives. 2. From the application guide confirm that a cylinder is available for your specific make, model and year of drive unit. Select the cylinder that is appropriate for the drive. 3.

Genuine Mercury & Mercruiser parts. TRIM CYLINDERS AND HYDRAULIC HOSES

Genuine Mercury & Mercruiser parts. TRIM CYLINDERS AND HYDRAULIC HOSES

POWER STEERING COMPONENTS (STERN DRIVE) WITH HOSES - PerfProTech.com Find your POWER STEERING COMPONENTS (STERN DRIVE) WITH HOSES diagrams at PPT using our parts catalog. Login New Account Shopping Cart. ... POWER STEERING COMPONENTS (STERN DRIVE) WITH HOSES Ref ID Description ... MERCRUISER > 330 GM 454 V-8 1977-1981; MERCRUISER > 330 MIE GM 454 V-8 1977-1980; Contact Us

MerCruiser 898 (2 Barrel.) GM 305 V-8 1983-1984 Power Steering ...

MerCruiser 898 (2 Barrel.) GM 305 V-8 1983-1984 Power Steering ...

POWER STEERING ACTUATOR - Crowley Marine All diagrams for this model 1998 Stern Drive BRAVO 1 [1.36:1] - 5231100TP POWER STEERING ACTUATOR diagram Reference numbers in this diagram are listed below — scroll down to order. ALL PARTS LISTED ARE GENUINE OEM. Drag the image to move around or use the controls below. Print this page Show reference links Reference links are clickable 9

MerCruiser 4.3L MPI Alpha / Bravo Standard Cooling System (Easy Drain ...

MerCruiser 4.3L MPI Alpha / Bravo Standard Cooling System (Easy Drain ...

OEM MerCruiser power steering actuator 8M0146217 - NuWave Marine Mercury / Quicksilver. Part Number: 710-8M0146217. Minimum Purchase: 1 unit. $1,393.21 $1,191.64. - You save $201.57. Buy this product to earn $35.75 in Store Credit. Buy in monthly payments with Affirm on orders over $50.

Seastar Hydraulic Steering Parts Diagram - Ekerekizul

Seastar Hydraulic Steering Parts Diagram - Ekerekizul

PDF Service Manual Number 28 Power Steering Steering Systems Installs the pulley on the power steering pump. 91-93656A1 Power Steering Test Gauge Kit 74167 Tests the power steering system pressure. 91-38053A4 Kent-Moore Tools Kent-Moore Tools, Inc. 29784 Little Mack Roseville, MI 48066 Phone: (313) 774-9500 Description Part Number Power Steering Pump Pulley Remover J-25034

MerCruiser Bravo One Power Steering Parts

MerCruiser Bravo One Power Steering Parts

Mercury/MerCruiser - Parts Diagrams Power Steering Pumps; Belt Tensioners; Generator Parts. Kohler Generator Parts ; ... Mercruiser Complete Drive Units; Mercruiser Complete Upper Units; ... Parts Diagrams. Crusader. V8 Small Block Engines / 5.0 Liter (305) & 5.7 Liter (350) 5.0 Liter (305) Model CM305XL;

MerCruiser Bravo One Power Steering Actuator Parts

MerCruiser Bravo One Power Steering Actuator Parts

Mercruiser Power Steering CYLINDER

Mercruiser Power Steering CYLINDER

0 Response to "41 mercruiser power steering diagram"

Post a Comment

Iklan Atas Artikel

Iklan Tengah Artikel 1

Iklan Tengah Artikel 2

Iklan Bawah Artikel