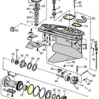
36 omc cobra lower unit diagram

OMC Cobra Trim - OMC Cobra Forums - iboats.com King Cobra Lower Outrive Lower Unit Lubrication Manifold Manual New No Spark Oil Outdrive Over Heating Part Plug Points Power Tilt Trim Power Trim Prop Remote Replace Reverse ... OMC King Cobra King Cobra 454 King Cobra 460 King Cobra OMC Series OMC Cobra 2.3 OMC Cobra 3.0 OMC Cobra 5.0 OMC Cobra 5.7 OMC Cobra 5.8 OMC Years 1964 ... OMC parts 400/800 sterndrive exploded view outdrive ... We carry new and used OMC repair parts for lower units 120/140 hp. in-line 4 cylinder Chevy, in-line 6 cylinder, 305/350 V8 Chevy and 302/351 V7 Ford model. Our techs have been repairing, rebuilding and re-manufacturing the OMC Stringer low profile and high profile sterndrives since 1990.

omc 2.3l ford cobra stern drive diagram - Irish Connections 0912507 Omc Cobra Ford 2 3l 4 Cyl Stern Drive Cooling Hoses Green Bay Propeller Marine Llc Galleries. Omc stern drive transom mount parts for 1993 boat engine repair manual lower unit assembly kit cobra 1 86 all american service sx exploded view gear help no water getting thru outdrive sterndrive fast untitled 1992 trim relays the hull gearcase assy dp s duoprop carburetor stringer 400 800 ...

Omc cobra lower unit diagram

Omc cobra lower unit diagram

Sterndrive Engineering: OMC Cobra® 1986-1993 Lower Unit ... OMC Cobra® 1986-1993 Lower Unit Replacements. OMC Cobra® 1986-1993 Lower Unit Replacements. Cobra Sterndrive Parts; Upper (1986-1993) OMC Cobra Lower; I4 | V6 4.3L, 5.0L, 5.7L, 5.8L Gearcase (1986-1993) Cobra Conversion Kit (1986-1993) Company Quick Links . Forum; About SEI; Become a Dealer; Technical; Marine Engine Depot. OMC 1986-1990 Cobra Lower Unit Seal ... OMC 1986-1990 Cobra Lower Unit Seal Kit Replaces 985612. Be the first to review this product. $29.37. OMC Cobra Lower Unit Seal Kit for 1986-1990 Cobra 2.3-3.0L 4-cyl, 85-130 Hp. Replaces: OMC 985612 and Sierra 18-2671. OMC Cobra outdrive parts drawings *Sterndrive tools 13 Dec 2021 — Lower unit OMC sterndrive anode, drive shaft, pinion bearings, forward - reverse gears, pinion gear, shims, propeller shaft · Repair manuals: ...

Omc cobra lower unit diagram. OMC Sterndrive - Cobra Lower Units - My Blog | My ... Remanufactured OMC Cobra Lower Units Gearcases and Repair Prices. Replaces OMC #987800. 90 day warranty with full technical phone support. Housing comes sandblasted, primed and finished with original color paint (OMC Cobra charcoal metallic) Assembled with all new parts - including OEM gear set #987670. Updated shift detent installed. OMC Cobra lower unit rebuild parts help - sterndrive 16330 OMC Cobra 800 lower unit thrust bearing. Item 26 P/N 16330 Thrust bearing OEM 387656 Required for shimming drive shaft and pinion gear. part number 0987670. 22623 gear set 987670. Item 30 OEM P/N 987670 Original Cobra parts pinion gear, nut and forward gear set included in kit for V8 Chevy / Ford motors. GLM Marine P/N 22623 Forward ... PDF OMC 2012 CatalogColor TOC - glmmarine.com OMC Stringer Lower Gear Housing Parts (1985 & Older)Section 7 OMC Stringer Upper Gear Housing Parts (1985 & Older)Section 6 OMC Cobra Replacement Sterndrives (1986-1993)Section 2 OMC Cobra Upper Gear Housing Parts (1986-1993)Section 3 Cobra SX Replacement Sterndrives (1994 & Up)Section 1 PDF 12 -62 STERN DRIVE COBRA AND COBRA - Discount Marine 12 -66 STERN-COBRA AND COBRA Fig. 242 A good look at the lower steeringsupport (except King Cobra) To install: 14. Coat the outer surface of a new lower pivot bearing with clean engine a and it into the bore on the bottom of the rina. Use the removal tool and drive it into the bore from the bottom of the 15.

Volvo Penta Sx Parts Diagram - Automotive Parts Diagram Images Description: Volvo Penta / Omc Cobra Sx Omc Parts Drawing regarding Volvo Penta Sx Parts Diagram, image size 598 X 743 px, and to view image details please click the image.. Actually, we also have been realized that volvo penta sx parts diagram is being just about the most popular subject right now. So we tried to find some great volvo penta sx parts diagram image for you. OMC Cobra parts drawings - YouTube OMC Cobra exploded view parts drawings mechanics performing their own outdrive work. Please see our web site for parts ... Omc Cobra Parts Diagram Recipes - TfRecipes Omc Cobra Parts Diagram Recipes with ingredients,nutritions,instructions and ... outdrive installation gasket kit, gasket sealing compound and lower unit ... omc cobra parts diagram | eurekaconsumer.com OMC Cobra Outdrive Parts Drawings-Sterndrive Tools. boatparts.ca. OMC Lower Unit Parts Diagram - Gears. Cobra outdrive gearcase breakdown diagram with gears. GLM Marine aftermarket pinion, forward and reverse gears.

Used OMC Cobra Parts - Green Bay Prop We have tons of 1980s and 1990s OMC Cobra Sterndrive parts especially 1988 OMC Cobra parts. We have all of the OMC Cobra Engine Parts like water pumps, omc shift cables, OMC cobra lower units, and complete OMC Cobra Engines. Do it yourself OMC Service! We stock OMC Cobra Service Manuals and Complete OMC Cobra outdrive for sale. 88 OMC Cobra Water Pump (Impeller) Flow From Housing This is an OMC Cobra outdrive. I took this video to show the water flow from the lower unit to the water pump / impeller housing without the engine running. This is an OMC Cobra outdrive. Evinrude, Johnson & OMC Parts Online & For Sale | Crowley ... Evinrude & Johnson & OMC Parts. Crowley Marine is pleased to offer an extensive inventory of OMC and Evinrude parts. Whether you are a fisherman and use your boat for weekend trips or own a lightning fast speedboat, we have the parts that you need to keep your boat on the water - at a price you can afford. drain water out of lower drive unit omc cobra please help ... Re: drain water out of lower drive unit omc cobra please help Welcome to the "I Messed up by pulling that plug on the port side of my OMC" club.I'm sure you've read at least one or more threads on this subject and now know that the drive must be removed to re-secure the screw and why.

Untitled

Untitled

SE109 (Replaces OMC Cobra Sterndrive Lower (1986-1993) Details. Replaces 1986-1993 Cobra Lower. Dog Clutch Lower Unit (Shifts in the lower) Does not replace King Cobra or Joint Venture. Does not replace 4cyl. units with 4 1/4" bullet diameter case. Standard Rotation. Uses the 1-1/4 propshaft so you will need a new thrust washer for the prop.

Omc Cobra Exploded View - Transom Assembly (1986-1993 ...

Omc Cobra Exploded View - Transom Assembly (1986-1993 ...

omc 2.3l ford cobra stern drive diagram - Wiring Diagram Line omc 2.3l ford cobra stern drive diagram Wiring Diagram Line Wiring Diagram. omc 2.3l ford cobra stern drive diagram Wiring Diagram Line Wiring Diagram ... Omc stern drive transom mount parts for 1990 3 0l 302amrpwc clymer cobra 1986 1993 boat engine repair manual lower unit assembly kit 1 86 glm28860 899 00 ebasicpower com marine fishing tackle ...

Cobra Conversion - Sterndrive Conversion Kits - Marine Parts ...

Cobra Conversion - Sterndrive Conversion Kits - Marine Parts ...

Stern Drive Parts: OMC Stern Drive Parts: Lower Upper Unit ... 983495 OMC Stringer Stern Drive Upper Unit Exhaust Housing 1984-85 0983495. GB584117071. $79.99. View Details.

OMC Cobra Stern Drive Repair Manual 1986-1993

OMC Cobra Stern Drive Repair Manual 1986-1993

How do I disassemble my OMC Cobra lower unit - YouTube Please see for tech support and exploded view drawing.Video includes the following:• Disassemble my OMC Cobra ...

Clymer OMC Cobra 1986-1993 Stern Drive Boat Engine Repair Manual

Clymer OMC Cobra 1986-1993 Stern Drive Boat Engine Repair Manual

OMC Lower Unit Reference Guide 78-91 - Outboard Lower Unit Sterndrive Replacement Part Number and Quick Reference Guide and Application Outboard. Marine OMC, Johnson, Evinrude. Find your model and year. ALSO REFER TO NOTES 1 TO 21. NOTES FROM 1 TO 21. 1 = Hydro Shift. 12 = STD RATIO HIGH ALTITUDE 13/26 NOT AVAILABLE. 2 = Needs 1991 & NEWER PROP TRUST WASHER. 13 = SHAFT N/A FOR OE 342250 22.5″ 60 ...

Possibly Blocked Water pick-up in Cobra Outdrive?rive - The ...

Possibly Blocked Water pick-up in Cobra Outdrive?rive - The ...

OMC Cobra Sterndrive Tech Info - h a s t i n g s . o r g OMC and Volvo have agreed to supply parts to each other, but OMC has left the sterndrive business. OMC continues to purchase SX and DP drives for boats produced by OMC subsidiary companies. OMC went bankrupt in December 2000. Bombardier has purchased the outboard business and the Evinrude and Johnson brandnames.

OMC Cobra Lower Sterndrive Assembly

OMC Cobra Lower Sterndrive Assembly

OMC Sterndrive - Cobra - Stringer / 800 Series The differences between the 400 and 800 drives are in the lower gearcase. The 4-cylinder gearcase and gears are smaller in diameter than the V6/V8 gearcase and gears. The only pieces to survive the OMC redesign from the stringer to the Cobra were the 400 and 800 lower gearcases.

OMC Cobra — All American Drive Service

OMC Cobra — All American Drive Service

1988 Stern Drive 2.3 [232AMRGDE] - Parts ... - Crowley Marine View parts diagrams and shop online for 232AMRGDE : 1988 Stern Drive 2.3. Offering discount prices on OEM parts for over 50 years. FAST $4.95 shipping available.

OMC parts 400/800 sterndrive exploded view outdrive drawing

OMC parts 400/800 sterndrive exploded view outdrive drawing

OMC parts *Exploded view drawings *Outdrive repair help video Jan 20, 2022 · Please note: the true King Cobra lower unit should only be used for the 7.4L (454) and 7.5L (460) motors. For the 5.7L (350) and 5.8L (351) motors, use the standard OMC Cobra lower unit gear-case parts.

OMC Cobra — All American Drive Service

OMC Cobra — All American Drive Service

OMC Cobra sterndrive lower unit parts drawing - Boatparts ... 87655 OMC lower gearcase seal kit 4 cylinder 2.3 liter. 87655 Lower gearcase seal kit for 2.3 liter outdrives. # 87655 $33.99 US. # 87655 $43.99 CDN. 87656. 87656 Lower gearcase OMC Cobra seal kit V6 with 4.3 liter V8 5.0, 5.7, 5.8 liter OMC sterndrives. # 87656 $61.99 US.

Discount OMC Boat Parts | OMC Sterndrive Boat Parts

Discount OMC Boat Parts | OMC Sterndrive Boat Parts

GLM Marine Aftermarket OMC Cobra Sterndrive Parts and ... King Cobra: trim / tilt cylinder used, gimbal bearing, water pump, lower unit, upper gears, lower gear sets, anodes, bolts, exhaust bellows, u-joint bellows, water pump adapter, plastic-metal shims Lower unit : stern drive anode, drive shaft, pinion bearings, forward - reverse gears, pinion gear, shims, propeller shaft

OMC Cobra parts drawing *V6-V8 Lower unit 1-22

OMC Cobra parts drawing *V6-V8 Lower unit 1-22

OMC Cobra Sterndrive Parts - wholesalemarine.com OMC Sterndrive Parts. Formed in 1929, the Outboard Marine Corporation went on to design their lines of outboards and sterndrives that recreational boaters today know as OMC. OMC would invest in new technologies, including the newer stern-drive engines that would change recreational boating forever.

OMC Cobra Gearcase Outdrive lower unit V6 V8 305 350 4.3L 5.0 ...

OMC Cobra Gearcase Outdrive lower unit V6 V8 305 350 4.3L 5.0 ...

OMC Complete Sterndrive Outdrives for sale - eBay OMC Cobra 400 Clutch Dog Complete Single Prop Sterndrive Outdrive. $3,995.99.

Needing help changing the lower-unit gear lube on an '89 OMC ...

Needing help changing the lower-unit gear lube on an '89 OMC ...

OMC Cobra - All American Drive Service Standard OMC Cobra 2.3L, 3.0L, 4.3L, 5.0L, 5.7L, 5.8L Produced 1986 – 1993. OEM parts are readily available for these units. Built properly, these units will last for the life of the boat. The main issue with the shift dog clutch units is the shift cable maintenance. All the cables manufactured, stretched and caused shifting and adjustment ...

Cobra Conversion - Sterndrive Conversion Kits - Marine Parts ...

Cobra Conversion - Sterndrive Conversion Kits - Marine Parts ...

OMC Cobra outdrive parts drawings *Sterndrive tools 13 Dec 2021 — Lower unit OMC sterndrive anode, drive shaft, pinion bearings, forward - reverse gears, pinion gear, shims, propeller shaft · Repair manuals: ...

OMC Cobra Sterndrive Tech Info

OMC Cobra Sterndrive Tech Info

Marine Engine Depot. OMC 1986-1990 Cobra Lower Unit Seal ... OMC 1986-1990 Cobra Lower Unit Seal Kit Replaces 985612. Be the first to review this product. $29.37. OMC Cobra Lower Unit Seal Kit for 1986-1990 Cobra 2.3-3.0L 4-cyl, 85-130 Hp. Replaces: OMC 985612 and Sierra 18-2671.

Untitled

Untitled

Sterndrive Engineering: OMC Cobra® 1986-1993 Lower Unit ... OMC Cobra® 1986-1993 Lower Unit Replacements. OMC Cobra® 1986-1993 Lower Unit Replacements. Cobra Sterndrive Parts; Upper (1986-1993) OMC Cobra Lower; I4 | V6 4.3L, 5.0L, 5.7L, 5.8L Gearcase (1986-1993) Cobra Conversion Kit (1986-1993) Company Quick Links . Forum; About SEI; Become a Dealer; Technical;

18-3348 Water Pump Housing Kit for OMC Sterndrive/Cobra Stern Drives

18-3348 Water Pump Housing Kit for OMC Sterndrive/Cobra Stern Drives

OMC Cobra Outdrive (complete) | Pensacola Fishing Forum

OMC Cobra Outdrive (complete) | Pensacola Fishing Forum

New OMC Sterndrive Lower Units for Sale | US Boatworks

New OMC Sterndrive Lower Units for Sale | US Boatworks

Help with fuel pumps on my first boat. OMC Cobra 5.8 : r/boating

Help with fuel pumps on my first boat. OMC Cobra 5.8 : r/boating

OMC Cobra upper gearcase disassembled Part 1

OMC Cobra upper gearcase disassembled Part 1

OMC Cobra Sterndrive Owner Hints

OMC Cobra Sterndrive Owner Hints

OMC parts *Exploded view drawings *Outdrive repair help video

OMC parts *Exploded view drawings *Outdrive repair help video

GLM Products Inc - 30 Years of the OMC Sterndrive

GLM Products Inc - 30 Years of the OMC Sterndrive

Sterndrive.info (@Sterndrive_info) / Twitter

Sterndrive.info (@Sterndrive_info) / Twitter

OMC 1988-1993 Cobra Water Pump Kit with Housing Replaces 984461

OMC 1988-1993 Cobra Water Pump Kit with Housing Replaces 984461

GENUINE OMC Cobra Outdrive Lower 14/26

GENUINE OMC Cobra Outdrive Lower 14/26 "COUNTER ROTATING ...

SOLVED: Need wiring diagram for an 89 omc sterndrive 262 - Fixya

SOLVED: Need wiring diagram for an 89 omc sterndrive 262 - Fixya

OMC parts *Exploded view drawings *Outdrive repair help video

OMC parts *Exploded view drawings *Outdrive repair help video

Help..no water getting thru outdrive (not the impeller)

Help..no water getting thru outdrive (not the impeller)

OMC COBRA

OMC COBRA

OMC Cobra Gearcase Outdrive Lower Unit 4cyl 120hp 140hp 2.5L ...

OMC Cobra Gearcase Outdrive Lower Unit 4cyl 120hp 140hp 2.5L ...

OMC parts 400/800 sterndrive exploded view outdrive drawing

OMC parts 400/800 sterndrive exploded view outdrive drawing

Omc Cobra SX Exploded View - Gear Housing (1994-1998 ...

Omc Cobra SX Exploded View - Gear Housing (1994-1998 ...

Gear Set Upper Unit for OMC Cobra Outdrive 21:19 Tooth V6 4.3L 984013  [GLM22542] - $1,309.95 : ebasicpower.com, Marine Engine Parts | Fishing  Tackle | ...

Gear Set Upper Unit for OMC Cobra Outdrive 21:19 Tooth V6 4.3L 984013 [GLM22542] - $1,309.95 : ebasicpower.com, Marine Engine Parts | Fishing Tackle | ...

0 Response to "36 omc cobra lower unit diagram"

Post a Comment

Iklan Atas Artikel

Iklan Tengah Artikel 1

Iklan Tengah Artikel 2

Iklan Bawah Artikel