45 john deere 112 parts diagram

John deere tractor fuse box diagram - behandlung-heilung.de John Deere parts lookup tool and diagram is an incredible online source. It is a complete catalog that shows you detailed. gta 5 british mods. You can shop for your John Deere parts by equipment model or by part number. Our extensive parts diagrams allow you to see every component of your equipment, ensuring that you are ordering parts that are ... Zero Series Round Balers | 560M Round Baler | John Deere US The 0 Series Round Baler family welcomes the first, John Deere, North-American built precutter. This feed system in front of these machines is the MegaWide HC 2. The MegaWide Plus name is known as the industry-leading feed system since its introduction with the 7 Series Balers. John Deere continues that legacy with the 0 Series.

Could Call of Duty doom the Activision Blizzard deal? - Protocol Oct 14, 2022 · A MESSAGE FROM QUALCOMM Every great tech product that you rely on each day, from the smartphone in your pocket to your music streaming service and navigational system in the car, shares one important thing: part of its innovative design is protected by intellectual property (IP) laws.

John deere 112 parts diagram

John deere 112 parts diagram

John deere 48c mower deck parts list - dachkoffer.info The emissions warranty applies only to those engines marketed by John Deere that have been certified by the EPA and/or CARB; and used in the United States and Canada in. John Deere 425 Lawn Tractor Parts 54 Mower Deck: Part Number: Description: Qty. Add to Cart: HE1401496: Air Filter (Paper - Inner Filter) 1 HE1402628: Air Filter (Foam.Search for Your John Deere Model. John deere s100 mulching blades - behandlung-heilung.de The 17.5-HP, single cylinder, John Deere engine has plenty of power to handle tough mulching, mowing and bagging conditions (coverage up to one acre) The 42-in two blade Edge™ Cutting System has a deep deck design, 13-gauge steel and manual PTO blade engagement to provide superior performance and even cuts with 1-in to 4-in cut height. 2016-5 ... 動画でスマホやデジカメの最新情報を紹介 - Watch Video 人気ライターがパーソナリティを務める番組を配信する映像サービスが、Watch Videoです。テキストと静止画では伝えにくい動作の様子や操作感などを、PCやケータイ、ガジェットの各ジャンルを代表するライター陣がていねいに解説します。

John deere 112 parts diagram. John deere pto stopped working - kau.xo-electric.de Take out the key and wait for the engine and attachments to completely stop moving before leaving the seat Please check back soon bs(01) - wire harness, work LAMP I've ran into a problem while winching a buddy out Description: Manual Steering [02G11] - Tractor John Deere 2130 - Tractor - 2030 pertaining to John Deere 790 Parts Diagram ... 動画でスマホやデジカメの最新情報を紹介 - Watch Video 人気ライターがパーソナリティを務める番組を配信する映像サービスが、Watch Videoです。テキストと静止画では伝えにくい動作の様子や操作感などを、PCやケータイ、ガジェットの各ジャンルを代表するライター陣がていねいに解説します。 John deere s100 mulching blades - behandlung-heilung.de The 17.5-HP, single cylinder, John Deere engine has plenty of power to handle tough mulching, mowing and bagging conditions (coverage up to one acre) The 42-in two blade Edge™ Cutting System has a deep deck design, 13-gauge steel and manual PTO blade engagement to provide superior performance and even cuts with 1-in to 4-in cut height. 2016-5 ... John deere 48c mower deck parts list - dachkoffer.info The emissions warranty applies only to those engines marketed by John Deere that have been certified by the EPA and/or CARB; and used in the United States and Canada in. John Deere 425 Lawn Tractor Parts 54 Mower Deck: Part Number: Description: Qty. Add to Cart: HE1401496: Air Filter (Paper - Inner Filter) 1 HE1402628: Air Filter (Foam.Search for Your John Deere Model.

JOHN DEERE 112 & 112H LAWN & GARDEN TRACTOR PARTS CATALOG MANUAL PC1027

JOHN DEERE 112 & 112H LAWN & GARDEN TRACTOR PARTS CATALOG MANUAL PC1027

HAPCO - Model 112 - 1967

HAPCO - Model 112 - 1967

John Deere 112 Motor To Deck Belt Routing ? | Garden Tractor ...

John Deere 112 Motor To Deck Belt Routing ? | Garden Tractor ...

John Deere 110, 110H, 112, and 112H Lawn Mower - Parts Catalog

John Deere 110, 110H, 112, and 112H Lawn Mower - Parts Catalog

John Deere 112 LAWN & GARDEN TRACTOR 12 HP. K301AS KOHLER ...

John Deere 112 LAWN & GARDEN TRACTOR 12 HP. K301AS KOHLER ...

John Deere 112 (10 HP K241AS KOHLER ENGINE) -PC1081 GRILLE ...

John Deere 112 (10 HP K241AS KOHLER ENGINE) -PC1081 GRILLE ...

JOHN DEERE 112 & 112H LAWN & GARDEN TRACTOR PARTS CATALOG MANUAL PC-1027

JOHN DEERE 112 & 112H LAWN & GARDEN TRACTOR PARTS CATALOG MANUAL PC-1027

Pin on John deere

Pin on John deere

John Deere 112 & 112H LAWN & GARDEN TRACTOR (10 HP HH100 ...

John Deere 112 & 112H LAWN & GARDEN TRACTOR (10 HP HH100 ...

John Deere 112 (10 HP K241AS KOHLER ENGINE) -PC1081 FRAME ...

John Deere 112 (10 HP K241AS KOHLER ENGINE) -PC1081 FRAME ...

John Deere 110 and 112 Lawn and Garden Tractors - Operator's Manual

John Deere 110 and 112 Lawn and Garden Tractors - Operator's Manual

Parts Manual John Deere 112 Lawn & Garden Tractor 250,001 & up pc1277

Parts Manual John Deere 112 Lawn & Garden Tractor 250,001 & up pc1277

John Deere 112 Tractor Parts Manual Catalog Lawn & Garden ...

John Deere 112 Tractor Parts Manual Catalog Lawn & Garden ...

Minneapolis Moline 112 Town & Country Lawn Tractor Gear Shift ...

Minneapolis Moline 112 Town & Country Lawn Tractor Gear Shift ...

John Deere 112 (10 HP K241AS KOHLER ENGINE) -PC1081 WIRING ...

John Deere 112 (10 HP K241AS KOHLER ENGINE) -PC1081 WIRING ...

John Deere 112 lawn mower in Buhler, KS | Item J6564 sold ...

John Deere 112 lawn mower in Buhler, KS | Item J6564 sold ...

John Deere 112 Tractor | Honda CRX Forum

John Deere 112 Tractor | Honda CRX Forum

John Deere 110 and 112 Lawn and Garden Tractors - Operator's Manual

John Deere 110 and 112 Lawn and Garden Tractors - Operator's Manual

My 1967 John Deere 112 Manual Lift Lawn Garden Tractor Build ...

My 1967 John Deere 112 Manual Lift Lawn Garden Tractor Build ...

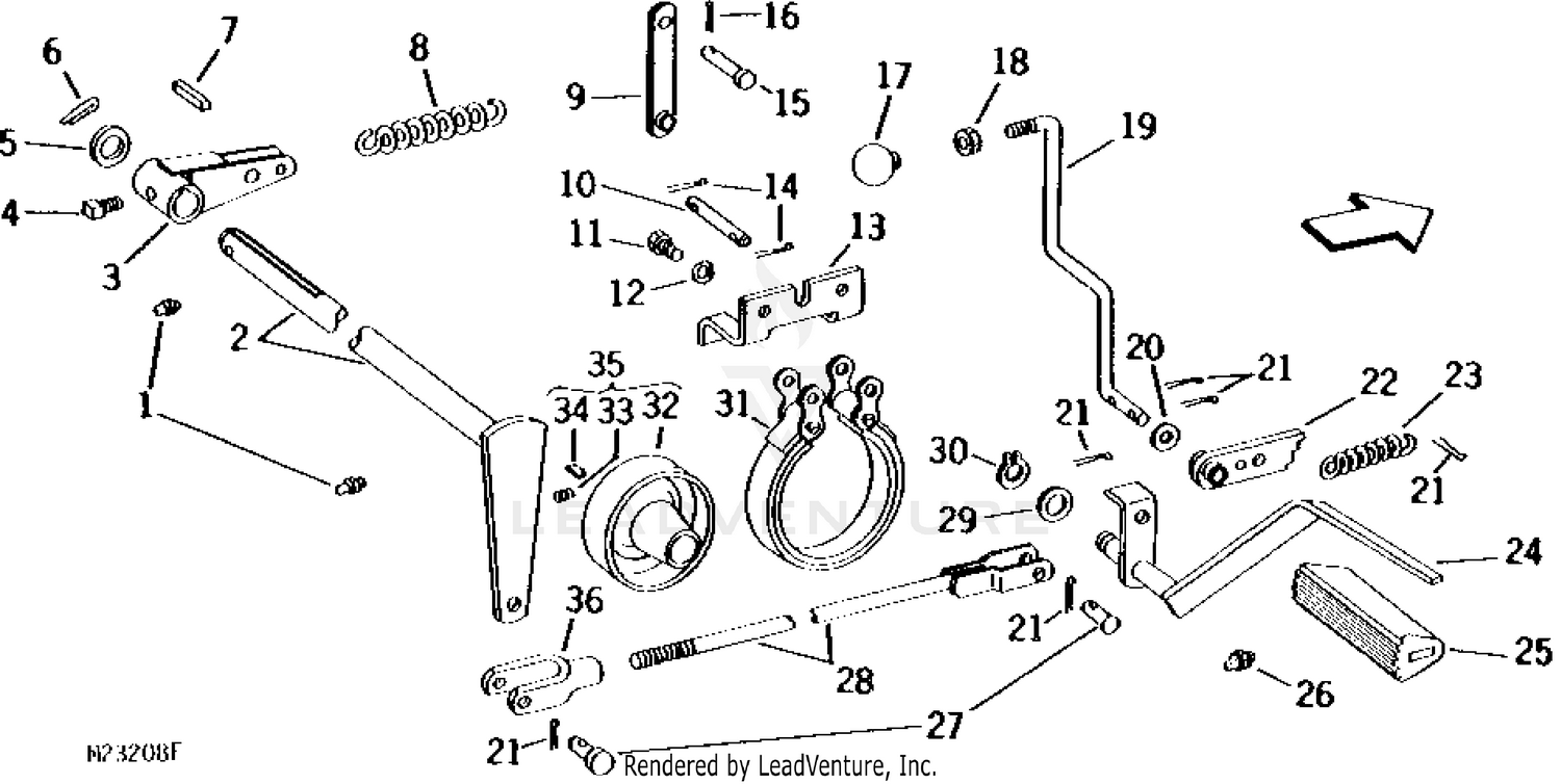
John Deere 110 & 112 LAWN & GARDEN TRACTOR -PC1081 GOVERNOR ...

John Deere 110 & 112 LAWN & GARDEN TRACTOR -PC1081 GOVERNOR ...

New member, new 214 owner | Green Tractor Talk

New member, new 214 owner | Green Tractor Talk

John Deere 110 & 112 LAWN & GARDEN TRACTOR -PC1081 PTO CLUTCH ...

John Deere 110 & 112 LAWN & GARDEN TRACTOR -PC1081 PTO CLUTCH ...

John Deere 3010 3020 4000 4010 4020 4320 4520 4620 5010 5020 and 6030  Tractor Manual

John Deere 3010 3020 4000 4010 4020 4320 4520 4620 5010 5020 and 6030 Tractor Manual

John Deere 112 garden tractor. This page is dedicated to all ...

John Deere 112 garden tractor. This page is dedicated to all ...

John Deere 112 Series Tractor Parts Manual for Serial No 250,001+

John Deere 112 Series Tractor Parts Manual for Serial No 250,001+

AM32789 New 12V Starter Fits John Deere 110 112 120 140 200 210 212 214 216  312 +

AM32789 New 12V Starter Fits John Deere 110 112 120 140 200 210 212 214 216 312 +

John Deere 112 Lawn Garden Tractor 1969 Owner & Parts (2 Manual s) sn  250,001-up

John Deere 112 Lawn Garden Tractor 1969 Owner & Parts (2 Manual s) sn 250,001-up

John Deere 110 and 112 LAWN GARDEN TRACTOR Technical Service ...

John Deere 110 and 112 LAWN GARDEN TRACTOR Technical Service ...

John Deere 110 & 112 Lawn Garden Tractors Service Manual SM2088

John Deere 110 & 112 Lawn Garden Tractors Service Manual SM2088

My 1967 John Deere 112 Manual Lift Lawn Garden Tractor Build ...

My 1967 John Deere 112 Manual Lift Lawn Garden Tractor Build ...

John Deere 112 Parts Diagrams

John Deere 112 Parts Diagrams

John Deere 38 ROTARY MOWER (110 & 112 L&G TRACTORS S.N. ...

John Deere 38 ROTARY MOWER (110 & 112 L&G TRACTORS S.N. ...

Parts Manual John Deere 112 Lawn & Garden Tractor 250,001 & up pc1277

Parts Manual John Deere 112 Lawn & Garden Tractor 250,001 & up pc1277

Pin on Giveaways

Pin on Giveaways

John Deere 112 LAWN & GARDEN TRACTOR 12 HP. K301AS KOHLER ...

John Deere 112 LAWN & GARDEN TRACTOR 12 HP. K301AS KOHLER ...

Allis Chalmers B-112 Parts Manual

Allis Chalmers B-112 Parts Manual

John Deere 112 Tractor Parts Manual Catalog Lawn & Garden ...

John Deere 112 Tractor Parts Manual Catalog Lawn & Garden ...

STENS New OEM Replacement Belt for John Deere 112, 160-320, GT242, GT262,  GT275 and LX172-LX178 w/ 44 in. & 48 in. Deck M77988 265-641 - The Home ...

STENS New OEM Replacement Belt for John Deere 112, 160-320, GT242, GT262, GT275 and LX172-LX178 w/ 44 in. & 48 in. Deck M77988 265-641 - The Home ...

Lawn Mower Parts | John Deere US

Lawn Mower Parts | John Deere US

Pin on Tractor jd

Pin on Tractor jd

John Deere 46-in W x 14-in H Steel Snow Blade in the Snow ...

John Deere 46-in W x 14-in H Steel Snow Blade in the Snow ...

Food and Farm Showcase: Lindsey Equipment

Food and Farm Showcase: Lindsey Equipment

1972 110 | Green Tractor Talk

1972 110 | Green Tractor Talk

John Deere 112 lawn mower in Victoria, KS | Item FG9321 sold ...

John Deere 112 lawn mower in Victoria, KS | Item FG9321 sold ...

John Deere 112 Lawn Garden Tractor 1972-1974 Parts Manual sn 250,001-up  300,000

John Deere 112 Lawn Garden Tractor 1972-1974 Parts Manual sn 250,001-up 300,000

0 Response to "45 john deere 112 parts diagram"

Post a Comment

Iklan Atas Artikel

Iklan Tengah Artikel 1

Iklan Tengah Artikel 2

Iklan Bawah Artikel