41 1999 dodge ram wiring diagram

2008 Dodge Ram Wiring Diagram wiringdiagramsx.blogspot.com. fuse ... Wiring diagram dodge ram 1500 1997 2500 light tail diesel ignition 1996 switch fixya vacuum 2001 1987 d150 solved convenience. 1997 dodge ram wiring diagram29 2001 Dodge Ram 2500 Diesel Vacuum Diagram - Wiring Database 2020 rachelleogyaz.blogspot.com. vacuum 4wd. 99 Dodge Ram Wiring Diagram : Diagram Fuse Box 1999 Dodge Ram 1500 silvannaaaaa ... 1999 Dodge Ram Pickup Car Stereo Wire Colors and Locations Any user assumes the entire risk as to the accuracy and use of this information. Please verify all wire colors and diagrams before applying any information.

1999 Dodge Ram 2500 Audio Wiring Guide - MODIFIEDLIFE Our 1999 Dodge Ram 2500 radio wiring guide shows you how to connect car radio wires and helps you when your car radio wires not working. It also shows you the car radio wire to battery, which wire is positive, what is car radio illumination wire and more. 1999 Dodge Ram 2500 Speaker Wiring Guide

1999 dodge ram wiring diagram

1999 dodge ram wiring diagram

wiring diagram for 1999 dodge ram 1995 Dodge Ram 2500 Wiring Diagram - Wiring Schema wiringschema101.blogspot.com. wiring dodge diagram ram 2005 3500 2003 cummins ecm diagrams 2004 1500 sensor o2 fan 2500 clutch ignition 1995 harness. Wiring Diagram 1996 Dodge Ram - Complete Wiring Schemas wiring89.blogspot.com. ram. Looking for what wire on the pcm on a 1999 dodge ram 2500 ... 1999 Ram Wiring Diagram - DodgeForum.com RE: 1999 Ram Wiring Diagram the thread about 2nd gen info has a link to the factory service manual (free) for an '01 and i used it to wire up my fogs and so far the diagrams match my truck (mine is a '99 also) i have a chiltons manual for my truck but NONE of the wire colors matched. that thread is on the main page of the 2nd gen forum. Reply Like Headlight Wiring Diagram: I Am Looking for a Wiring Diagram ... - 2CarPros Wiring Headlight wiring diagram MATTGOODSON MEMBER 1999 DODGE RAM V8 4WD AUTOMATIC 14,400 MILES I am looking for a wiring diagram for the wiring going in to the headlight switch. The fuse and relay are good so I want to test coming out of the switch too see if it is the switch. The bulbs are good. 1500 sport 5.9 L gas engine and the letter is a Z.

1999 dodge ram wiring diagram. Wiring Diagram For 1999 Dodge Ram 1500 Database Wiring Diagram For 1999 Dodge Ram 1500 from i.pinimg.com Print the cabling diagram off and use highlighters in order to trace the routine. When you make use of your finger or even stick to the circuit with your eyes, it's easy to mistrace the circuit. One trick that We use is to print out exactly the same wiring picture off twice. Ignition System Wiring Diagram (1998-2000 5.2L Dodge Pickup) This simplified ignition system wiring diagram applies to the following vehicles: 5.2L V8 Dodge Ram 1500 Pickup: 1998, 1999, 2000. This typical circuit diagram includes the following circuits: ignition coil, crankshaft position (CKP) sensor, and camshaft position (CMP) sensor. The camshaft position sensor is also known as the distributor pickup ... dodge dakota wiring diagram headlight 1994 1995 switch headlights ... Diagram wiring dodge dakota ram headlight switch light engine tail 1997 1998 wire diagrams circuit 325i 1990 bmw lights 2002.29 2001 Dodge Ram 2500 Diesel Vacuum Diagram - Wiring Database 2020 rachelleogyaz.blogspot.com. vacuum 4wd. 99 Dodge Ram Wiring Diagram : Diagram Fuse Box 1999 Dodge Ram 1500 silvannaaaaa.blogspot.com. astounding. 1994 ... 1998-2001 Dodge Ram Vehicle Wiring Chart and Diagram - Commando Car Alarms Version. Listed below is the vehicle specific wiring diagram for your car alarm, remote starter or keyless entry installation into your 1998-2001 Dodge Ram . This information outlines the wires location, color and polarity to help you identify the proper connection spots in the vehicle. Please be sure to test all of your wires with a digital ...

1999 Dodge Ram 1500 Wiring Diagram Collection 1999 Dodge Ram 1500 Wiring Diagram Collection. Faltering to take the proper precautions or to use the right tools can put you you in danger. Common risks include electrocution and possible electrical open fire. 1999 Dodge Ram 1500 Wiring Diagram 1999 Dodge Ram 1500 Wiring Diagram from Dodge Ram Van B1500 1999 – 1999 CHRYSLER Ram Van Wagon Jul 4, 2020 ... On left center dash panel support, in wire harness connector. Combination Flasher, On junction block. Courtesy Lamp Relay, Behind left center of ... 1999 Dodge Ram 1500 Radio Wire Guide - MODIFIEDLIFE Our 1999 Dodge Ram 1500 radio wiring guide shows you how to connect car radio wires and helps you when your car radio wires not working. It also shows you the car radio wire to battery, which wire is positive, what is car radio illumination wire and more. 1999 Dodge Ram 1500 Speaker Wiring Guide dodge diagram dakota wiring 1998 headlight switch tail light 2002. 1984 ... Fuse dodge ram diagram box 2500 1500 2001 1998 1994 relay passenger compartment ruWiring Harnes Diagram For 1998 Dodge Ram 3500 - Wiring Diagram Schemas wiringschemas.blogspot.com. ram wiring diagram dodge 1500 radio 2008 2006 stereo 2500 factory schematic diagrama electrical 2004 2001 din cableado pioneer double. ... 44 Dodge Ram Ignition ...

wiring diagram 1999 dodge ram 28 1999 Dodge Ram 1500 Wiring Diagram - Worksheet Cloud worksheetscloud.blogspot.com. ram dodge diagram 1500 wiring 1998 1999 wiper 2l truck washer 8cyl 4wd mfi ton autozone. 34 2003 Dodge Ram 1500 Evap System Diagram - Wire Diagram Source wiringdiagrammechanic.blogspot.com. 1999 dodge ram wiring diagram 1999 Dodge Ram 2500 Diesel Wiring Diagram Database - Wiring Collection headcontrolsystem.com. diagram w150 imageservice 1987 justanswer. Dodge Infinity Wiring Questions & Answers (with Pictures) - Fixya . wiring 1998 fixya sebring limitorque ex500 u0026 bypass. 1997 and 1999 Dodge Ram Mirror Wiring Diagram???? - DodgeTalk Forum Be very careful with wiring especially power Window and door lock switch panels. #2 Locate mirror wiring plug (see photo #5) Once again being careful, separate plug ends. Now factory mirror can be removed. #3 locate three nuts that hold mirror to door frame (see photo #6) These will be a 10mm and require a deep socket and 3"extension. 1999 Dodge Cummins Wiring Maps - Mopar1973Man.Com LLC 1999 Dodge Cummins Wiring Maps ABS Brake Wiring (4 Wheel) Air Conditioning Airbag SRS system Anti Theft System Automatic Transmission System (Page 1) Automatic Transmission System (Page 2) Backup Lighting CCD Network Central Timer Module Charging System Instrument Cluster (Page 1) Instrument Cluster (Page 2) Instrument Cluster Lights

no bus' code on 99 dodge ram 1500 laramie | BAT Auto Technical

no bus' code on 99 dodge ram 1500 laramie | BAT Auto Technical

1999 wire diagram needed. | Dodge Cummins Diesel Forum 162 Posts. Discussion Starter · #3 · May 15, 2017. Thank You! 1999 Ram 2500 QC 4x4 5.9 Cummins 325k, Auto, Injectors?, AirDog 165, Edge Attitude, 5" MBRP, ARP Headstuds, Redhead Box, Heavy Metal box brace, Synergy steering, Synergy track bar + bracket, Fox stabilizer, Detroit No Spin, Helwig swaybar, B&W gooseneck. Reply.

Stereo Wire Harness OEM Dodge Ram Pickup 98 99 00 01 (car Radio Wiring  Instal.

Stereo Wire Harness OEM Dodge Ram Pickup 98 99 00 01 (car Radio Wiring Instal.

The Best 1998 Dodge Ram 1500 Tail Light Wiring Diagram Images ... Some DODGE RAM Truck Owner's Manuals PDF & Wiring Diagrams, Schematics are above this page - 1500, 2500, ...Dodge Ram wiring diagram Flasher relays Replacement bulbs Turn signal lever Brake light switch Step 1 - Check the bulbs and contacts It may sound simple but if bulbs are not making contact in their sockets, the lights won't turn on.

SOLVED: Ecu wiring diagram dodge ram 1500 5.9 - Fixya

SOLVED: Ecu wiring diagram dodge ram 1500 5.9 - Fixya

1999 dodge ram turn signal wiring diagram - Fixya Diagram firing order 5.9 dodge. 1995 Dodge Ram 2500. 2003 Dodge Ram 2500 5.7 Hemi, Red lighting bolt on. 2004 Dodge Ram 2500. Fuse box diagram for a 2006 Dodge 2500 Diesel. 2006 Dodge Ram 2500.

STARTING/CHARGING – Dodge Ram Van B3500 1999 – SYSTEM WIRING ...

STARTING/CHARGING – Dodge Ram Van B3500 1999 – SYSTEM WIRING ...

I need a wire schematic for a 1999 Dodge Ram 1500 5.9 - JustAnswer Nov 13, 2018 ... I need a wire schematic for a 1999 Dodge Ram 1500 5.9 magnum. But the wire diagram doesn't really show the colors. I am - Answered by a ...

I have a 1999 Dodge Ram 1500 with an aftermarket cd player ...

I have a 1999 Dodge Ram 1500 with an aftermarket cd player ...

1999 Dodge Ram 1500 Wiring Diagram Collection 1999 Dodge Ram 1500 Wiring Diagram Source: Before reading a new schematic, get common and understand all the symbols. Read the schematic like the roadmap. I printing the schematic plus highlight the circuit I'm diagnosing to make sure Im staying on the path. 1999 Dodge Ram 1500 Wiring Diagram Source: ww2.justanswer.com

1999 Dodge Cummins Wiring Maps - Electrical - Mopar1973Man ...

1999 Dodge Cummins Wiring Maps - Electrical - Mopar1973Man ...

dodgeforum.com › how-tos › aDodge Ram 1994-2001: Turn Signal, Hazard and Brake Lights ... Dodge Ram wiring diagram Flasher relays Replacement bulbs Turn signal lever Brake light switch Step 1 - Check the bulbs and contacts It may sound simple but if bulbs are not making contact in their sockets, the lights won't turn on. Locate the bulbs in the lights that do not work and try these fixes: Remove the bulbs one by one.

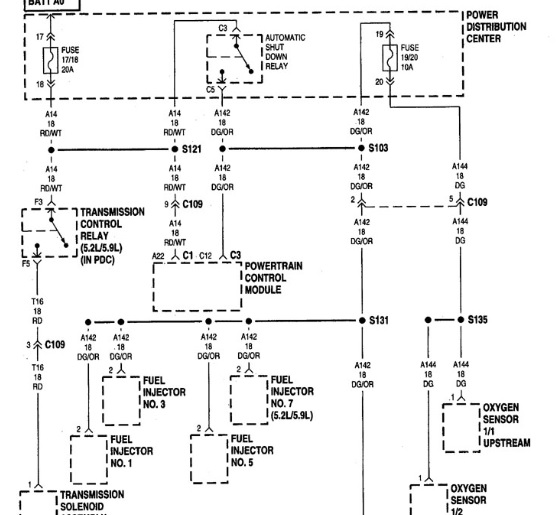
Fuel pump wirei ng

Fuel pump wirei ng

Chrysler Full-Size Trucks 1997-2000 Wiring Diagrams Repair Guide Click the “View More” button, and then click “Vehicle Repair Guides.” Select the chapter ” Wiring Diagrams Repair Guide”. Go to Manage My Vehicles. Dodge Ram ...

Headlight Wiring Diagram: I Am Looking for a Wiring Diagram ...

Headlight Wiring Diagram: I Am Looking for a Wiring Diagram ...

howor.redfashion.shop › 2005-dodge-ram-1500-brakeFull list of part and tools. Video Description. The brake ... The sensor can actually get water in it and cause a short.Name: 2007 dodge ram 1500 brake light wiring diagram – 1999 Dodge Ram 1500 Brake Light Diagram 2000 Dodge Ram Brake Light; File Type: JPG; Source: suaiphone.org; Size: 168.17 KB; Dimension: 799 x 10242005 Dodge ram 1500 Tail lights. Both taillights do not work 905 of time.

Stereo Wiring Diagrams: V8 Engine. I Need the Color Code for ...

Stereo Wiring Diagrams: V8 Engine. I Need the Color Code for ...

› playstation-userbasePlayStation userbase "significantly larger" than Xbox even if ... Oct 12, 2022 · Microsoft has responded to a list of concerns regarding its ongoing $68bn attempt to buy Activision Blizzard, as raised by the UK's Competition and Markets Authority (CMA), and come up with an ...

WIPER/WASHER – Dodge Ram Wagon B3500 1999 – SYSTEM WIRING ...

WIPER/WASHER – Dodge Ram Wagon B3500 1999 – SYSTEM WIRING ...

› dodgeDODGE - Car PDF Manual, Wiring Diagram & Fault Codes DTC DODGE Car Manuals PDF & Wiring Diagrams above the page - Caliber, Town'n'Country, Journey, Nitro, Charger, RAM; Dodge Fault Codes DTC.. Dodge - a division of the American corporation Chrysler, specializing in the production of passenger cars, as well as off-road vehicles.

DIAGRAM] Wiring Diagram 1999 Dodge Ram FULL Version HD ...

DIAGRAM] Wiring Diagram 1999 Dodge Ram FULL Version HD ...

Wiring diagram for a 99 dodge ram - Fixya Jan 7, 2020 ... wiring diagrams for a lot of vehicles (but not all!) go to autozone . com repair info (on the left) vehicle repair guides (center panel) put in your vehicle ...

99 dodge ram 2500 wiring diagram diagram base website wiring ...

99 dodge ram 2500 wiring diagram diagram base website wiring ...

04 dodge ram 1500 radio wiring diagram wiring ram dodge diagram stereo 1500 radio 2003 2004 justanswer diagrams 2007 pickup needs question ask own. 1999 Dodge Ram Radio Wiring Database - Wiring Diagram Sample faceitsalon.com. wiring durango dakota intrepid 1998 imageservice plug alpine mainetreasurechest cav replacement.

Dodge Ram Wiring Harness Diagram | Car Construction

Dodge Ram Wiring Harness Diagram | Car Construction

Free Dodge Wiring Diagrams - YouTube Totally Free Dodge Wiring Diagrams!

2001 Dodge Ram 1500 - Low Beam Headlight Repair (Part 1)

2001 Dodge Ram 1500 - Low Beam Headlight Repair (Part 1)

min012.shop › 2005-dodge-ram-2500-diesel-wiringDodge 48RE Transmission OEM Neutral Safety Switch BD Black ... Wiring diagrams for 1998 24v ecm. 1999 ford f 150 radio wiring harnes diagram Wiring diagrams for 1998 24v ecm. 1999 ford f 150 radio wiring harnes diagramfuse dodge ram diagram box 1500 1996 1995 distribution circuit breaker wiring block 2l 1998 instrument caravan power gmc center. 2005 Dodge Cummins Ecm Wiring Diagram - Free Wiring Diagram ...

Fixed The Lights On My 99 Ram 1500

Fixed The Lights On My 99 Ram 1500

60 Fresh 1999 Dodge Ram Brake Light Wiring Diagram - Pinterest 60 Fresh 1999 Dodge Ram Brake Light Wiring Diagram- changing or installing a buoyant fixture can be as simple and safe as changing a bulb i... Visitar.

taillight wiring diagram - DodgeForum.com

taillight wiring diagram - DodgeForum.com

1999 Dodge Ram Wiring Diagram - Wiring Digital and Schematic Chrysler ccd collision detection data bus iamaprogrammer 博客园 capital improvements program installation guides nitrous outlet the city of rapid bill list by vendor detail in need 2016 ram laramie speaker wiring diagram dodge forum truck forums au j1939 and j1708 combo interpreter gorlick catalog pages 1 46 flip pdf fliphtml5 catalogue cover infor sheets 2022 ...

I Have a 1999 dodge ram 1500 with auxillary lighting. I was ...

I Have a 1999 dodge ram 1500 with auxillary lighting. I was ...

1999 dodge ram 1500 wiring diagram [ZH_1139] Dodge 2500 Diesel Fuel Line Diagram Furthermore 5 9 Cummins. 17 Images about [ZH_1139] Dodge 2500 Diesel Fuel Line Diagram Furthermore 5 9 Cummins : Dodge ram 1500 1999. Both head lamps went out at same time. the indv, 2001 Dodge Ram 2500 Diesel Vacuum Diagram - Atkinsjewelry and also 1995 Dodge Ram 7 Pin Trailer Wiring Diagram.

1999 Dodge Cummins Wiring Maps - Electrical - Mopar1973Man ...

1999 Dodge Cummins Wiring Maps - Electrical - Mopar1973Man ...

ctxi.speedrental.shop › 2nd-gen-dodge-ram-wiringDodge Ram Radio Wiring Diagram ... Dodge Truck amp SUV forum ... Refer to the wiring diagrams. dodge ram diagram wiring 1999 dieseltruckresource help diesel gen 2nd database forums source. 02 Dodge Ram 1500 Quad Cab Location . dodge quad cab ram 1500 location else problem flasher something than ... dodge ram wiring diagram 2004 light tail rear right 2500 brake 1500 2008 signal turn lights ...

HVAC Wiring Relay Connector For 1999, 2001 Dodge Ram ...

HVAC Wiring Relay Connector For 1999, 2001 Dodge Ram ...

1999 Dodge Ram Wiring Diagram - Wiring Diagram 1999 Dodge Ram Wiring Diagram. 12022 Dodge Ram Wiring Diagram ... Dodge ram truck manuals pdf wiring diagrams truckmanualsnet in need of 2016 laramie speaker diagram forum forums 2018 body electrical mopar1973man com llc i am looking for a 2015 1500 article 2012 4th generation 2010 powertrain all avail here tech authority sel resource seat belt ...

Stereo Wiring Diagrams: V8 Engine. I Need the Color Code for ...

Stereo Wiring Diagrams: V8 Engine. I Need the Color Code for ...

mkabkjc.bioproject.info › 2004-silverado-headlightA home or vehicle is a maze of wiring and connections, making ... This information outlines the wires location, color and polarity to help you identify the …Where is the headlight relay on a '97 2500 dodge ram cummins. 17 Images about Where is the headlight relay on a '97 2500 dodge ram cummins : 2003 Dodge Ram 1500 Electrical Schematic - Wiring Diagram, 2004 Dodge Ram 1500 Wiring Diagram | Free Wiring ...

1999 2000 2001 DODGE RAM 1500 2500 3500 TRUCK SERVICE REPAIR ...

1999 2000 2001 DODGE RAM 1500 2500 3500 TRUCK SERVICE REPAIR ...

Wiring Diagram For 1999 Dodge Ram 1500 Database In case there's a surface wire, it will be a water piping wire held in place by a attach on the same side since the fairly neutral terminal. The actual distinction between the wires will allow you to wire your home properly and avoid the high voltage of swapping the neutral and hot. 3. Three-inch guideline

30 Inspirational 2001 Dodge Ram 1500 Radio Wiring Diagram ...

30 Inspirational 2001 Dodge Ram 1500 Radio Wiring Diagram ...

Dodge Wiring Diagrams - FreeAutoMechanic Wiring Diagrams › Dodge If you run into an electrical problem with your Dodge, you may want to take a moment and check a few things out for yourself. Before you dive in with a multi-meter, you will want to obtain a free wiring diagram for your specific model. You may need to locate a specific color wire and its exact location.

Headlight Wiring Diagram: I Am Looking for a Wiring Diagram ...

Headlight Wiring Diagram: I Am Looking for a Wiring Diagram ...

Headlight Wiring Diagram: I Am Looking for a Wiring Diagram ... - 2CarPros Wiring Headlight wiring diagram MATTGOODSON MEMBER 1999 DODGE RAM V8 4WD AUTOMATIC 14,400 MILES I am looking for a wiring diagram for the wiring going in to the headlight switch. The fuse and relay are good so I want to test coming out of the switch too see if it is the switch. The bulbs are good. 1500 sport 5.9 L gas engine and the letter is a Z.

All Wiring Diagrams for Dodge Dakota R/T 1999 – Wiring ...

All Wiring Diagrams for Dodge Dakota R/T 1999 – Wiring ...

1999 Ram Wiring Diagram - DodgeForum.com RE: 1999 Ram Wiring Diagram the thread about 2nd gen info has a link to the factory service manual (free) for an '01 and i used it to wire up my fogs and so far the diagrams match my truck (mine is a '99 also) i have a chiltons manual for my truck but NONE of the wire colors matched. that thread is on the main page of the 2nd gen forum. Reply Like

Pin on 2500 Dodge ram truck

Pin on 2500 Dodge ram truck

wiring diagram for 1999 dodge ram 1995 Dodge Ram 2500 Wiring Diagram - Wiring Schema wiringschema101.blogspot.com. wiring dodge diagram ram 2005 3500 2003 cummins ecm diagrams 2004 1500 sensor o2 fan 2500 clutch ignition 1995 harness. Wiring Diagram 1996 Dodge Ram - Complete Wiring Schemas wiring89.blogspot.com. ram. Looking for what wire on the pcm on a 1999 dodge ram 2500 ...

Index of /Tietopankki/1998.5 and 1999 Dodge Ram Cummins ...

Index of /Tietopankki/1998.5 and 1999 Dodge Ram Cummins ...

Dodge Ram 3500 Wiring Diagram - Wiring Diagrams Database L ...

Dodge Ram 3500 Wiring Diagram - Wiring Diagrams Database L ...

Dodge Grand Caravan Questions - parking lights on all the ...

Dodge Grand Caravan Questions - parking lights on all the ...

1999 dodge ram - ScannerDanner Forum - SCANNERDANNER ...

1999 dodge ram - ScannerDanner Forum - SCANNERDANNER ...

New Front Wiper Motor Replacement For 1997 1998 1999 97 98 99 Dodge Ram  1500 2500 3500 4500, Replaces Chrysler 55076549, 55076549AC

New Front Wiper Motor Replacement For 1997 1998 1999 97 98 99 Dodge Ram 1500 2500 3500 4500, Replaces Chrysler 55076549, 55076549AC

I need a wiring diagram for the transmission 99 Dodge 1500 ...

I need a wiring diagram for the transmission 99 Dodge 1500 ...

All Wiring Diagrams for Dodge Durango 1999 model – Wiring ...

All Wiring Diagrams for Dodge Durango 1999 model – Wiring ...

56045480AC - Genuine Mopar Wiring-Engine

56045480AC - Genuine Mopar Wiring-Engine

1999-2001 Dodge Ram Overhead Console Map Light Wiring ...

1999-2001 Dodge Ram Overhead Console Map Light Wiring ...

99 blend door wiring diagram | Turbo Diesel Register

99 blend door wiring diagram | Turbo Diesel Register

Alternator not charging, testing voltage control. | Dodge ...

Alternator not charging, testing voltage control. | Dodge ...

Dodge RAM Wagon Questions - 1999 Dodge Ram 1500 Van power ...

Dodge RAM Wagon Questions - 1999 Dodge Ram 1500 Van power ...

1999 Dodge Cummins Wiring Maps - Electrical - Mopar1973Man ...

1999 Dodge Cummins Wiring Maps - Electrical - Mopar1973Man ...

56045327AB - Genuine Mopar Bracket-Wiring

56045327AB - Genuine Mopar Bracket-Wiring

Dodge Ram Radio Wiring Diagram | Diagram, Dodge ram, Dodge ...

Dodge Ram Radio Wiring Diagram | Diagram, Dodge ram, Dodge ...

I am having a problem with the brake light and turn signal on ...

I am having a problem with the brake light and turn signal on ...

0 Response to "41 1999 dodge ram wiring diagram"

Post a Comment

Iklan Atas Artikel

Iklan Tengah Artikel 1

Iklan Tengah Artikel 2

Iklan Bawah Artikel