39 2007 suzuki xl7 parts diagram

Suzuki XL-7 Parts | Replacement, Maintenance, Repair Don't waste your time hunting all over for parts for your Suzuki XL-7. ... Suzuki. 1. XL-7. 2. 2009; 2008; 2007; 2006; 2005; 2004; 2003; 2002; 2001; 2000 ... 2007 Suzuki XL7 Values & Cars for Sale | Kelley Blue Book Learn more about the 2007 Suzuki XL7. Get 2007 Suzuki XL7 values, consumer reviews, safety ratings, and find cars for sale near you.

Engine Parts for 2007 Suzuki XL-7 - Suzuki Car Parts Engine Parts for 2007 Suzuki XL-7 No. Part # / Description Price 1 Engine Crankshaft Pulley 12610-78J00 Crankshaft Pulley Grand Vitara. Incl.Engine Harmonic Balancer. Xl7. 3.2L. $370.51 Add to Cart 2 Crankshaft Pulley Bolt 1261A-78J02 3.2L. Discontinued 3 Timing Cover 11380-78J02 Grand Vitara. Xl7. 3.2L. $800.41 Add to Cart 4 Front Crank Seal

2007 suzuki xl7 parts diagram

2007 suzuki xl7 parts diagram

Suzuki XL-7 Parts & Accessories Aftermarket Catalog Your Suzuki XL-7 cannot perform efficiently if its parts have become faulty or worn out. Good thing you can easily find the right OE-grade replacement Suzuki XL-7 parts and accessories here at CarParts.com. We have a wide range of Suzuki XL-7 aftermarket parts, such as key fobs, hitches, as well as brake disc and pad kits. 2007 Suzuki XL7 Water Pump - from $79.99+ | AutoZone.com Equip cars, trucks & SUVs with 2007 Suzuki XL7 Water Pump from AutoZone. Get Yours Today! We have the best products at the right price. 2007 SUZUKI XL-7 3.6L V6 Parts | RockAuto RockAuto ships auto parts and body parts from over 300 manufacturers to customers' doors worldwide, all at warehouse prices. Easy to use parts catalog. 2007 SUZUKI XL-7 3.6L V6 Parts | RockAuto

2007 suzuki xl7 parts diagram. Own a 2007 Suzuki XL7. Need an alternator. Specs call for ... Own a 2007 Suzuki XL7 . Need an alternator. Specs call for 100amp. All parts stores only show 150 or 170 amp. Would a higher amp alternator damage or burn up other engine components? Mechanic's Assistant: Have you checked all the fuses? Do you have a wiring diagram? Have checked fuses. Have a wiring diagram Suzuki XL7 Repair & Service Manuals (1 PDF) Select your Suzuki XL7 PDF Download from the list below: 2007 Suzuki XL7 (JC636) Service Manual (99500S78J00-33E) Other Manuals 3159 Pages. Get your hands on the complete Suzuki factory workshop software. £9.99 Download now. Get notified when we add a new Suzuki XL7 Manual. Diagrams For Suzuki :: Transfer Parts Add to cart for $ 25.00. Add to wish list Add to compare. Part #: S29951-83050. TRANSFER PINION NUT SUZUKI SAMURAI 1986-1995 . Transfer Parts. Suzuki OEM. Fits: Suzuki Samurai (1986-1995) Availability: 2007 Suzuki XL-7 Repair Manual Online - RepairSurge Unlimited access to your 2007 Suzuki XL-7 manual on a yearly basis. 100% No Risk Guarantee. We'll get you the repair information you need, every time, or we'll refund your purchase in full. This manual is specific to a 2007 Suzuki XL-7. RepairSurge is compatible with any internet-enabled computer, laptop, smartphone or tablet device.

2007 Suzuki Xl7 Wiring Diagram Electric Window 2007 Suzuki Xl7 Wiring Diagram Electric Window. Results 1 - 48 of Waterproof 6 Gang LED Rocker Switch Panel Electrical Circuit Breaker Marine Boat SUZUKI XL7 PASSENGER POWER WINDOW SWITCH OEM SUZUKI VITARA XL-7 Fuse RELAY Box Engine Compartment . Switch J00 (Number 7 In the Parts Diagram). looking for, by download PDF Dodge Stratus Wiring ... 2007 Suzuki XL-7 Replacement Engine Cooling Parts - CARiD.com Heavy duty bearings, sealed and lubed for life Factory tested to assure quality and proper operation. $36.81. UAC® Engine Coolant Radiator. 0. # mpn4812505243. Suzuki XL-7 2007, Engine Coolant Radiator by UAC®. Increase the life of your vehicle's engine by keeping your cooling system in top condition. 2007 suzuki XL-7 V6 3.6L power steering diagram - Fixya 2007 suzuki XL-7 V6 3.6L power steering diagram. Looking for general principles of operation and anatomy of power steering system, including flushing metal shavings out of the lines, troubleshooting, replacement, proper location of power steering fluid filter, etc. especially for a 2007-09 Suzuki XL-7. Haynes manuals fails to list anything for ... Suzuki XL-7 parts - OEM, aftermarket new, and remanufactured To find the car parts that you need, just select the right year, make and model of your car on our online catalog. As we have warehouses all across the US, Buy ...

2007 Suzuki XL7 Alarm/Remote Start Wiring - the12volt.com Joined: November 17, 2007 Posted: January 27, 2008 at 1:39 PM / IP Logged hey i was wondering if anybody has any wire info for a 2007 suzuki xl7. the 2006 is not the same Suzuki Grand Vitara Parts Diagram | Automotive Parts ... Description: 2008 Suzuki Grand Vitara Parts - Suzuki Car Parts Catalog Online Store within Suzuki Grand Vitara Parts Diagram, image size 600 X 1148 px, and to view image details please click the image.. Here is a picture gallery about suzuki grand vitara parts diagram complete with the description of the image, please find the image you need. Suzuki XL7 Service Repair Manual - Suzuki XL7 PDF Online ... Suzuki XL7 (a.k.a. Suzuki Grand Vitara XL-7) (JC636 Series) Workshop Service Repair Manual 2007-2009 (EN-ES) (7,000+ Pages, 229MB, Searchable, Printable, Indexed, iPad-ready PDF) 2007 Suzuki XL7 Owners Manual Download Suzuki XL7 (2007) - fuse box diagram - Auto Genius Suzuki XL7 (2007) - fuse box diagram. Year of production: 2007. Instrument Panel Fuse Block. The instrument panel fuse block is located on the passenger's side of the center console, to the left of the glove box near the floor.

Front Door for 2008 Suzuki XL-7 | World OEM Parts Subaru

Front Door for 2008 Suzuki XL-7 | World OEM Parts Subaru

2007 Suzuki XL7 Electrical and Lighting - AutoZone Equip cars, trucks & SUVs with 2007 Suzuki XL7 Electrical and Lighting from AutoZone. Get Yours Today! We have the best products at the right price. ... Most Popular Parts. 2007 Suzuki XL7 Headlight. 2007 Suzuki XL7 Brake Light Mini Bulb. 2007 Suzuki XL7 Window Lift Motor.

PARTS FOR 2007 SUZUKI XL-7 LUXURY CB9161

PARTS FOR 2007 SUZUKI XL-7 LUXURY CB9161

Suzuki XL7 Auto Parts - AutohausAZ Suzuki Parts; XL7 Parts; Suzuki XL7 Auto Parts. There are a lot of reasons that Americans love their cars. It's a simple equation: our vehicles take us from point A to point B in style and class, and we respond by taking good care of them for the duration of their lives. When you drive a Suzuki XL7, you have a solid little vehicle on your hands.

All Regions, Grand Vitara XL-7, JC636 (E28,E33:MY 2007 ...

All Regions, Grand Vitara XL-7, JC636 (E28,E33:MY 2007 ...

20 Complaints: 2007 Suzuki XL7 Engine Problems The contact owns a 2007 Suzuki XL7. The contact stated that the engine warning indicator illuminated. The vehicle was taken to an independent mechanic where it was diagnosed that the fuel pump ...

Bumper & Components - Front for 2007 Suzuki XL-7 | World OEM ...

Bumper & Components - Front for 2007 Suzuki XL-7 | World OEM ...

Suzuki XL7 Service Repair Manual - Suzuki XL7 PDF Downloads Suzuki XL7 (a.k.a. Suzuki Grand Vitara XL-7) (JC636 Series) Workshop Service Repair Manual 2007-2009 (EN-ES) (7,000+ Pages, 229MB, Searchable, Printable, Indexed, iPad-ready PDF) 2007 Suzuki XL7 Owners Manual Download

2007 XL7 coolant leak found, but what parts are these ...

2007 XL7 coolant leak found, but what parts are these ...

Genuine OEM Parts for Suzuki XL-7 for sale | eBay Get the best deals on Genuine OEM Parts for Suzuki XL-7 when you shop the largest online selection at eBay.com. Free shipping on many items | Browse your ...

Suzuki Motorcycle 2007 OEM Parts Diagram for WIRING HARNESS ...

Suzuki Motorcycle 2007 OEM Parts Diagram for WIRING HARNESS ...

2007 2008 SUZUKI XL7 XL 7 Parts Catalog Shop Manual ... 2007 2008 SUZUKI XL7 XL 7 Parts Catalog Shop Manual OEM BOOK 07 08 FACTORY [suzuki] on Amazon.com. *FREE* shipping on qualifying offers.

Amazon.com: General Motors 12591881, Engine Coolant ...

Amazon.com: General Motors 12591881, Engine Coolant ...

SUZUKI XL7 2007 AUTOMOBILE SERVICE MANUAL | ManualsLib View and Download Suzuki XL7 2007 service manual online. JC636. XL7 2007 automobile pdf manual download.

2007 Suzuki XL7 Values & Cars for Sale | Kelley Blue Book

2007 Suzuki XL7 Values & Cars for Sale | Kelley Blue Book

Wiring schematics for 2007 suzuki XL7 - Fixya 2007 suzuki xl7. replaced engine. all functions work, air, headlights, radio, etc. no communication to ecm, pcm, body control and trans control mods. symptom 00 Read full answer Be the first to answer Nov 14, 2017 • 2007 Suzuki XL-7

Please help, I'm at a loss here. I have a 2007 suzuki xl 7 ...

Please help, I'm at a loss here. I have a 2007 suzuki xl 7 ...

Fuel System Components for 2007 Suzuki XL-7 - Suzuki Car Parts Fuel System Components for 2007 Suzuki XL-7 No. Part # / Description Price 2 Strap 8936078J01 Strap, Left Discontinued 3 Strap Mount Bolt 8922478J01 Strap Mount Bolt, Right Discontinued 4 Protector 8932078J00 Discontinued 5 Filler Neck 8920178J03 Discontinued 6 Mount Bolt 8922178J00 Filler Neck Upper Bolt Discontinued 7 Filler Neck Lower Bolt

14192-78J01 - Exhaust Pipe - 2007-2009 Suzuki XL-7 | World ...

14192-78J01 - Exhaust Pipe - 2007-2009 Suzuki XL-7 | World ...

2008 Suzuki XL-7 Parts | Replacement, Maintenance, Repair ... To make sure your vehicle stays in top shape, check its parts for wear and damage at regular intervals and replace them in time. When you are in need of a reliable replacement part for your 2008 Suzuki XL-7 to restore it to 'factory like' performance, turn to CARiD's vast selection of premium quality products that includes everything you may need for routine maintenance and major repairs.

Purge Solenoid Valve Location: Six Cylinder Two Wheel Drive ...

Purge Solenoid Valve Location: Six Cylinder Two Wheel Drive ...

2007 Suzuki RM85 CARBURETOR Parts & OEM Diagram Navigate your 2007 Suzuki RM85 CARBURETOR schematics below to shop OEM parts by detailed schematic diagrams offered for every assembly on your machine. OEM is an acronym for original equipment manufacturer, which means that the 2007 Suzuki RM85 CARBURETOR OEM parts offered at BikeBandit.com are genuine Suzuki parts.

Suzuki Motorcycle 2007 OEM Parts Diagram for Front Master ...

Suzuki Motorcycle 2007 OEM Parts Diagram for Front Master ...

2005 Suzuki Xl7 Repair Manual - playermall.com 2007 Ford Escape Values & Cars for Sale | Kelley Blue Book ... 2016 · 2005 suzuki aerio fuse box diagram; 2005 suzuki gsxr 600 wiring diagram; 2005 suzuki xl7 fuel filter location; 2005 suzuki xl7 fuse box diagram; 2005 toyota sienna ... Used Auto Parts Market Suzuki Vitara, Grand Vitara, XL7 2000-06 Firing Orders Repair Guide. Tahoe, Yukon ...

Serpentine Belt Diagrams Please?: How Can I Get a Diagram for ...

Serpentine Belt Diagrams Please?: How Can I Get a Diagram for ...

Online Suzuki XL7 Repair Manual - Do It Yourself Suzuki Factory Service Manuals Online. This site provides a detailed review of the ALLDATA DIY product which is an affordable DIY version of the same professional technical data that over 70,000 independent repair shops and dealers use every day.. Only ALLDATA DIY provides instant online access to the complete Suzuki XL7 factory service manual with manufacturer specifications, diagrams, step ...

Timing Chain Marks Diagram Needed: Please, I Would Love for ...

Timing Chain Marks Diagram Needed: Please, I Would Love for ...

Suzuki XL7 Parts & Accessories Aftermarket Catalog ... Our aftermarket Suzuki XL7 parts and accessories come with a Lifetime Replacement Guarantee. Free 90-Day Returns. Check out our catalog now!

2007 Suzuki SX4 Parts Catalog Manual Convenience Rally Sport JLX JX AWD  2.0L | eBay

2007 Suzuki SX4 Parts Catalog Manual Convenience Rally Sport JLX JX AWD 2.0L | eBay

2007 Suzuki Xl7 Wiring Diagram Electric Window 2007 Suzuki Xl7 Wiring Diagram Electric Window. can anyone help me where the location of the relay power window? it seems my 4 door of . do you have manual repair for this vitara model. Wiring conducts power from your engine to the driver's master control switch. A fuse is The fuse is located with other fuses (check your manual for locations).

2007 Suzuki Xl-7 Installation Parts, harness, wires, kits ...

2007 Suzuki Xl-7 Installation Parts, harness, wires, kits ...

Suzuki XL7 Parts - PartsGeek.com The second-generation Suzuki XL7 debuted for 2007. It came with a five-speed automatic and optional third-row seat through the 2008 model year. The Suzuki XL7 was a well-equipped, seven-passenger midsize crossover SUV available in three trim levels: Premium, Luxury and Limited.

Suzuki XL7 (2007 year). Manual - part 14

Suzuki XL7 (2007 year). Manual - part 14

2007 SUZUKI XL-7 3.6L V6 Parts | RockAuto RockAuto ships auto parts and body parts from over 300 manufacturers to customers' doors worldwide, all at warehouse prices. Easy to use parts catalog. 2007 SUZUKI XL-7 3.6L V6 Parts | RockAuto

Suzuki Xl-7 Liftgate Tailgate Hatch Trunk Release Switch ...

Suzuki Xl-7 Liftgate Tailgate Hatch Trunk Release Switch ...

2007 Suzuki XL7 Water Pump - from $79.99+ | AutoZone.com Equip cars, trucks & SUVs with 2007 Suzuki XL7 Water Pump from AutoZone. Get Yours Today! We have the best products at the right price.

Windscreen Washer FORD Escort/Orion 1986-1990 (DA)

Windscreen Washer FORD Escort/Orion 1986-1990 (DA)

Suzuki XL-7 Parts & Accessories Aftermarket Catalog Your Suzuki XL-7 cannot perform efficiently if its parts have become faulty or worn out. Good thing you can easily find the right OE-grade replacement Suzuki XL-7 parts and accessories here at CarParts.com. We have a wide range of Suzuki XL-7 aftermarket parts, such as key fobs, hitches, as well as brake disc and pad kits.

All Regions, Grand Vitara XL-7, JC636 (E28,E33:MY 2008 ...

All Regions, Grand Vitara XL-7, JC636 (E28,E33:MY 2008 ...

Suzuki 2007 Xl7 Owners Manual

Suzuki 2007 Xl7 Owners Manual

United States, Grand Vitara XL-7, JC636 (E28,E33:MY 2007 ...

United States, Grand Vitara XL-7, JC636 (E28,E33:MY 2007 ...

Crankshaft Position Sensor Location: Crankshaft Position ...

Crankshaft Position Sensor Location: Crankshaft Position ...

Door Check Strap | Suzuki Forums

Door Check Strap | Suzuki Forums

Engine Diagram 7 Suzuki Xl7 Turbo

Engine Diagram 7 Suzuki Xl7 Turbo

Serpentine Belt Diagrams Please?: How Can I Get a Diagram for ...

Serpentine Belt Diagrams Please?: How Can I Get a Diagram for ...

SUZUKI XL7 2007 2.G Owners Manual (274 Pages)

SUZUKI XL7 2007 2.G Owners Manual (274 Pages)

Suzuki XL-7 2007 2008 2009 XL7 Factory Service Repair ...

Suzuki XL-7 2007 2008 2009 XL7 Factory Service Repair ...

Fuel System Components for 2007 Suzuki XL-7 | World OEM Parts ...

Fuel System Components for 2007 Suzuki XL-7 | World OEM Parts ...

2007 Suzuki XL7 Owner Reviews and Ratings

2007 Suzuki XL7 Owner Reviews and Ratings

BMW Rubber Ring Teilenummer: 31352510188 (31 35 2510188 ...

BMW Rubber Ring Teilenummer: 31352510188 (31 35 2510188 ...

United States, Grand Vitara XL-7, JC636 (E28,E33:MY 2007 ...

United States, Grand Vitara XL-7, JC636 (E28,E33:MY 2007 ...

Timing Chain Kit Fits 1999-2007 Suzuki Grand Vitara XL7 2.7L ...

Timing Chain Kit Fits 1999-2007 Suzuki Grand Vitara XL7 2.7L ...

2007-2009 Suzuki XL-7 Washer Nozzle 3884078J00 | XportAuto

2007-2009 Suzuki XL-7 Washer Nozzle 3884078J00 | XportAuto

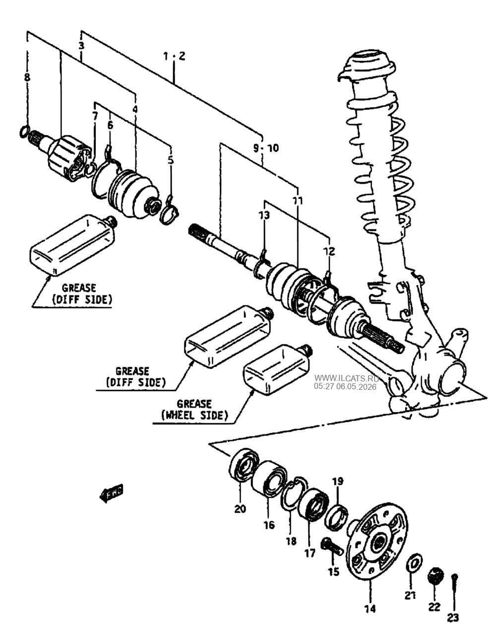
Rear Suspension for 2007 Suzuki XL-7 | Suzuki Car Parts

Rear Suspension for 2007 Suzuki XL-7 | Suzuki Car Parts

Crankshaft Position Sensor Location: Crankshaft Position ...

Crankshaft Position Sensor Location: Crankshaft Position ...

ELECTRICAL CONTROL SUZUKI FORSA/SPRINT/SWIFT (SA) SA310 (E01)

ELECTRICAL CONTROL SUZUKI FORSA/SPRINT/SWIFT (SA) SA310 (E01)

I have a 2007 suzuki xl7 3.6 that i i need instructions on ...

I have a 2007 suzuki xl7 3.6 that i i need instructions on ...

Suzuki XL7 Recalled for Faulty Fuel Pump Module

Suzuki XL7 Recalled for Faulty Fuel Pump Module

0 Response to "39 2007 suzuki xl7 parts diagram"

Post a Comment

Iklan Atas Artikel

Iklan Tengah Artikel 1

Iklan Tengah Artikel 2

Iklan Bawah Artikel