37 craftsman riding mower carburetor diagram

Craftsman 917276630 front-engine lawn tractor parts ... Craftsman 917276630 front-engine lawn tractor parts - manufacturer-approved parts for a proper fit every time! We also have installation guides, diagrams and manuals to help you along the way! I need a picture diagram of how the carb governor linkage ... I need a picture diagram of how the carb governor linkage works on craftsman riding mower, model 917.274641. Probably a bad spring.

Amazon.com: craftsman riding mower carburetor MOTOKU Carburetor for Briggs & Stratton 796587 591736 594601 19.5 HP Engine for Craftsman Riding Mower Lawn Tractor 19HP for Intek Single Cylinder OHV Motor for Nikki carb 4.4 out of 5 stars 170 $14.98 $ 14 . 98

Craftsman riding mower carburetor diagram

Craftsman riding mower carburetor diagram

Craftsman Riding Mower Drive Belt Diagram- A Step By Step ... Anti-Sway Bar: It's a metal part that fastens to the mower frame and the mower deck to reduce the mower's side-to-side movement. Front link: The front link attaches the mower's front deck to the bracket under the front axle. The job of the link is to help level the deck both up and down. How to Install/Replace Craftsman Riding Mower Drive ... kreuzkirche-osterode.de 23/03/2022 · EricN910. 5HP Engine Craftsman Riding Mower Lawn Tractor for Kawasaki FD501V Engine It is noRead Exmark Kawasaki Engine PDF on our digital library. Lazer Z HP S/N 160,000-169,999, LHP4417KA S/N 150,000-189,999 (1998), LHP4818KC S/N 150,000-189,999 (1998) OEM Exmark parts & accessories for lawn mowers, riding mowers, zero-turn mowers, … Craftsman Riding Mowers Parts with Diagrams - PartsTree Craftsman Riding Mowers Parts Lookup & Diagrams Craftsman Riding Mowers ( 240 Models ) 107.250040 (2691085-00) - Craftsman CTX9000 Series 42" Lawn Tractor, 20hp (2012)

Craftsman riding mower carburetor diagram. Craftsman Riding Lawn Mower Carburetor Diagram | Home ... This DIY riding mower repair guide gives step-by-step instructions for rebuilding the carburetor on a riding lawn mower.The carburetor blends air and fuel to .. by an electric starter. The carburetor on a Craftsman lawn tractor mixes the gasoline with air.. Locate the idle adjustment screw on the side of the carburetor. Riding mowers feature gasoline engines as a power source for propelling the. How to Replace the Carburetor on a Craftsman LT1000 Lawn Mower This Description May Contain Affiliate Links. 💥 New Carburetor Kit (Hoses & Filters) ----- 💥 Click on the ⭐ SHOW MORE ⭐ button bel... Briggs and stratton backfires through carb Briggs and stratton backfires through carb Lawn Mower and Snow Blower Carburetors | MTD Parts Shop by Parts Diagram; Login; Carburetors A properly operating carburetor is essential to a smooth running engine that is easy to start. Bring your equipment's engine back to life with a replacement carburetor. You'll find a carburetor for your Riding Lawn Mower or Snow Blower quickly so you can get back to your lawn and garden care. Our Part Finder makes it easy to …

Craftsman chainsaw parts | Sears PartsDirect Use the Craftsman 16 36cc chainsaw parts diagram on our Sears PartsDirect website to easily find the Sears Craftsman chainsaw parts you need to fix any failure. We also carry parts for other popular chain saw models. We have Craftsman 18 inch 42cc chainsaw parts and Craftsman chainsaw 18 inch 40 cc parts. Find the parts you need on the ... Craftsman Yt 3000 Parts Diagram Craftsman Yt 3000 Parts Diagram. REPAIR PARTS MANUAL. MODEL NO. This manual is designed to provide the customer with a means to identify the parts on his/her tractor when ordering repair .. Hydro Gear X Console Automatic YT/GT. diagramweb.net: Sears Craftsman YT YTS DLS DYS YS 46" Mower Deck Parts Rebuild Kit Spindle Assemblies Blades Belt ... How to rebuild a riding lawn mower carburetor | Repair guide This DIY riding mower repair guide gives step-by-step instructions for rebuilding the carburetor on a riding lawn mower. The carburetor blends air and fuel to produce a combustible mixture for the engine cylinder. If the carburetor runs rough because it's clogged or dirty, you can clean and rebuild it, using a manufacturer-approved replacement kit. Page Not Found - alexander-goers.de Carburetor For Riding Mower Kohler Courage SV470 SV471 SV480 SV530 SV540 SV541 SV590 SV591 SV600 SV601 SV620 SV610 15-20 Hp LTX 1040 YTH20K4615-20 Hp Troy Bilt ; For MTD CC LT1040 LT1042 LT1045 LTX1042 LTX1045 i1042 RZT42 LH4600H lawn mower ; For Toro 74363 74360 74380 Lawn Tractor MTD LT-4600H (13AX79TH090)Troy Bilt …

Amazon.com: diagram of craftsman carburetor 1-16 of 150 results for "diagram of craftsman carburetor" ... Carbhub 591137 Carburetor for Briggs and Stratton 591137 590948 775EX Lawn Mower Engine Carb 795066 796254 with Air Filter - 590948 775EX Carb. 4.5 out of 5 stars 372. $18.99 $ 18. 99. Get it as soon as Fri, Feb 11. Diagram 2003 Suzuki Aerio Engine Diagram Full Version Hd ... S&s Carburetor Diagram - Wiring Diagram Pictures Carb gy6 60cc carburetor moped scooter fit 50cc 49cc scooter 19mm pd19j taotao quality aftermarket replacement parts fits gy6 49cc 50cc 80cc 139qmb engine scooter moped atv for mopeds scooters and motorcycles of blade kinroad twister hammerheadhow to adjust 139qmb/gy6 carburetor mixture. The configuration found … Craftsman Gt5000 Lawn Tractor Parts Diagram - Diagrams ... Model 917 Craftsman Riding Lawn Mower Parts Diagram. ... Craftsman Riding Lawn Mower Carburetor Diagram. Troy Bilt Pony Lawn Tractor Belt Diagram. Honda Lawn Mower Carburetor Parts Diagram. Craftsman 42 Inch Riding Lawn Mower Drive Belt Diagram. John Deere Lawn Tractor Attachments Brochure. Craftsman Lt2000 Carburetor Diagram - schematron.org The carburetor on a Craftsman lawn tractor mixes the gasoline with air Locate the idle adjustment screw on the side of the carburetor. Did your Craftsman model lawn, tractor break down? SAVE money Parts Diagrams (11) file. How to Rebuild a Riding Lawn Mower Carburetor. I need a picture diagram of how the carb governor linkage works on craftsman ...

Craftsman Lawn Tractor Models Online Sales, UP TO 55% OFF ...

Craftsman Lawn Tractor Models Online Sales, UP TO 55% OFF ...

Craftsman 917288520 front-engine lawn tractor parts ... Craftsman 917288520 front-engine lawn tractor parts - manufacturer-approved parts for a proper fit every time! We also have installation guides, diagrams and manuals to …

Details about 594601 Carburetor carb for Craftsman YT3000 Riding Mower

Details about 594601 Carburetor carb for Craftsman YT3000 Riding Mower

Wiring Diagram For Husqvarna Riding Mower - U Wiring Husqvarna Yth21k46 96043012001 2011 01 Parts Diagram. Wiring diagram for husqvarna riding mower.October 20 2020 Wiring Diagram. Husqvarna yth24v48 96043018200 2018 96045004600 yth 2448 t 96043000800 lawn riding mower yth2348 parts diagram for wiring 48 deck belt repair user yth24k48 electrical problem my page 21 of s fuse when ened manual pdf a model ing fuses and not yth2148 schematic ...

Amazon.com: Compatible with Carburetor for Craftsman 17.5hp ...

Amazon.com: Compatible with Carburetor for Craftsman 17.5hp ...

Craftsman Riding Mower Wiring Diagram - Wiring Sample Craftsman Weed Eater Parts Diagram. Craftsman Lt1000 Riding Mower Parts Diagram. A wiring diagram is a streamlined conventional photographic depiction of an electrical circuit. Shop great deals on Craftsman 42 Riding Mower In Lawn Mower Parts Accessories. John deere saber 42 inh mower deck diagram.

CRAFTSMAN 536.270211 OWNER'S MANUAL Pdf Download | ManualsLib

CRAFTSMAN 536.270211 OWNER'S MANUAL Pdf Download | ManualsLib

Craftsman Riding Lawn Mower Carburetor Linkage Diagram ... Tecumseh Carburetor Linkage Picture Small Engines (Lawn Mowers, etc.).ENGINE BRIGGS AND STRATTON Parts Model 289707018601 Sears PartsDirect Engine Repair.Riding Mower and Garden Tractor Belt Routing Diagrams. Riding lawn mower will not start - Household Repair Series - YouTube Lawn Mower Repair,. Open. Briggs and Stratton HP I/C GOLD newer style 2 piece carburetor linkage setup.. .

Carburetor for Craftsman 20 Hp 42 In Deck Ys 4500 Lawn Tractor w/ Kohler  SV610 | eBay

Carburetor for Craftsman 20 Hp 42 In Deck Ys 4500 Lawn Tractor w/ Kohler SV610 | eBay

Craftsman Eager 1 Lawn Mower Carburetor Diagram Craftsman Eager 1 carburetor diagram. Does not look like a Briggs or Tecumseh carburetor. Can it be a Kohler. - Toro Lawn Mower With Toro. NEW TECUMSEH CRAFTSMAN HP EAGER 1 CARBURETOR . rebuild kit like new craftsman eager lawn mower started on the first pull fired right highly the main jet adjustment (thumb screw on the bottom/bowl) was wrong.

693480 Carburetor Replace Briggs & Stratton Craftsman LT1000 ...

693480 Carburetor Replace Briggs & Stratton Craftsman LT1000 ...

Craftsman Riding Lawn Mower - Model 13BOA1ZS093 - MTD Parts Find parts for your Craftsman T210 Riding Lawn Mower CMXGRAM1130043. Parts diagrams and manuals available. Free shipping on parts orders over $45.

How to replace a riding lawn mower carburetor | Repair guide

How to replace a riding lawn mower carburetor | Repair guide

[email protected] - cosmo-kasino350.de Dixon zero turn riding mower operators manual 16 pages lawn mower dixon ztr 427 technical data brochure 8 pages. Featuring Peak Power™+ technology, it can hold up to 6 EGO 56V ARC Lithium™ Batteries – the same battery technology powering all EGO products, making it the World’s First Platform Compatible Rider. Write and read opinions about this website here We …

Sears Craftsman 21

Sears Craftsman 21" Lawn Mower Carburetor Cleaning Craigslist Find - Part II - March 29, 2014

Craftsman Parts at Jack's - Lawn Mower Parts Craftsman Parts Craftsman Parts: We have a large selection of replacement Craftsman Parts for your walk behind lawn mowers, riding mowers, snow blowers, and more. Whether you need a new air filter, mower blade, carburetor, or oil filter, you can trust Jack's to provide a quality replacement part for your Craftsman mowers.

How to Clean a Craftsman Riding Lawnmower Carburetor, step by ...

How to Clean a Craftsman Riding Lawnmower Carburetor, step by ...

Craftsman Lawn Mower Carburetor Replacement Parts | Fast ... Craftsman Lawn Mower Carburetor Repair KitGenuine OEM Part # 498260 | RC Item # 1567909. Watch Video. $20.03. ADD TO CART. Briggs & Stratton Original Equipment 498260 Carburetor Overhaul Kit. If the carburetor is clogged, the engine won't get enough fuel. As a result, the engine may not start or may run poorly.

247.203700 (13A277XS099) - Craftsman T1000 Lawn Tractor (2014 ...

247.203700 (13A277XS099) - Craftsman T1000 Lawn Tractor (2014 ...

Craftsman Eager 1 Lawn Mower Carburetor Diagram Craftsman Eager 1 carburetor diagram. Does not look like a Briggs or Tecumseh carburetor. Can it be a Kohler. - Toro Lawn Mower With Toro. I have a Sears Craftsman Eager 1, hp, 22 inch self propelled lawn I found the area of the problem with the lawn mower. . Do not get carburetor cleaner on the new seat as it can make the needle stick to the seat.

Craftsman Tractor Parts Manual 944.604370

Craftsman Tractor Parts Manual 944.604370

Craftsman Lt1000 Carburetor Diagram Craftsman Lt1000 Carburetor Diagram. diagramweb.net: New Carburetor Craftsman LT lawn mower w/ Briggs & Stratton Intek Motor: Garden Adjustment screw was broken on arrival. Lucky I. by an electric starter. The carburetor on a Craftsman lawn tractor mixes the gasoline with air Locate the idle adjustment screw on the side of the carburetor.

New Carburetor Craftsman 2003 LT1000 lawn mower w/ Briggs & Stratton Intek  Motor

New Carburetor Craftsman 2003 LT1000 lawn mower w/ Briggs & Stratton Intek Motor

bubbles. 5HP 17" self driven Tiller. Local Pickup. For ... It has compression, needs tires. 5hp Craftsman Rear Tine Tiller. 5 hp throttle linkage diagram I believe the engine is the following: TECUMSEH POWER COMPANY H60-75487N 143-756012 CRAFTSMAN 75487N- Wizard 5hp tiller parts The forward-rotating tines pull the tiller through the soil while up to 7" into the earth. Details: The ROP Shop Carburetor for Tecumseh Craftsman …

Craftsman Push Mower Carburetor Clean

Craftsman Push Mower Carburetor Clean

Craftsman Model 917 Parts - Sears SEARS CRAFTSMAN Craftsman 917 Riding Lawn Mowers Fuel Cap with Gauge. Sold by APS. $28.95. Spu Carburetor for Craftsman 917.370921 917.374352 Lawn Mower. Sold by SPU Parts. ... Spu Gasket Carburetor For Craftsman 24 Hp 48" Lawn Tractor Mower DYT 4000 917.273621 24HP. Sold by SPU Parts.

Craftsman 6.5 Hp Lawn Mower Carburetor Outlet Shop, UP TO 59 ...

Craftsman 6.5 Hp Lawn Mower Carburetor Outlet Shop, UP TO 59 ...

Replacing a Carburetor on a Riding Lawn Mower - YouTube Use promo code YOUTUBE to save 10% on searspartsdirect.com.This video shows how to replace the carburetor in your riding lawn mower or lawn tractor. The carb...

I was wondering if anyone can tell me where the carb linkages ...

I was wondering if anyone can tell me where the carb linkages ...

Craftsman Parts Lookup by Model - Lawn Mower Parts Search for Your Craftsman Model. Enter your Craftsman model number below. Click the Search Button to See More Results. Parts lookup for Craftsman power equipment is simpler than ever. Enter your model number in the search box above or just choose from the list below. How to FIND Your Craftsman Model Number >.

Replaces Craftsman YS4500 Riding Lawn Mower Carburetor ...

Replaces Craftsman YS4500 Riding Lawn Mower Carburetor ...

759-3489. As one of the top brands of lawn mowers in the ... According to the manufacturer's website, Cub Cadet produces the only mower in the industry to incorporate a direct drive shaft, and marketed the first zero-turn riding lawn mower. 75 * {manytext_bing}. Fits Cub Cadet 2000 Series: 2130, 2135, 2146, 2150, 2155, 2166, 38" & 42" cut. Quantity. This engine can be equipped with Kohler or Walbro carburetor and magneto, battery …

Craftsman Riding Mower Electrical Diagram | Craftsman lawn ...

Craftsman Riding Mower Electrical Diagram | Craftsman lawn ...

Husqvarna Riding Mower Carburetor Diagram - Diagrams ... 21 Gallery Of Husqvarna Riding Mower Carburetor Diagram. Husqvarna Lawn Mower Carburetor Diagram. Husqvarna Lawn Mower Carburetor Linkage Diagram. Craftsman Riding Mower Carburetor Diagram. Craftsman Riding Lawn Mower Carburetor Diagram. Mtd Lawn Mower Carburetor Diagram. Honda Lawn Mower Carburetor Diagram.

Craftsman 247203724 front-engine lawn tractor parts | Sears ...

Craftsman 247203724 front-engine lawn tractor parts | Sears ...

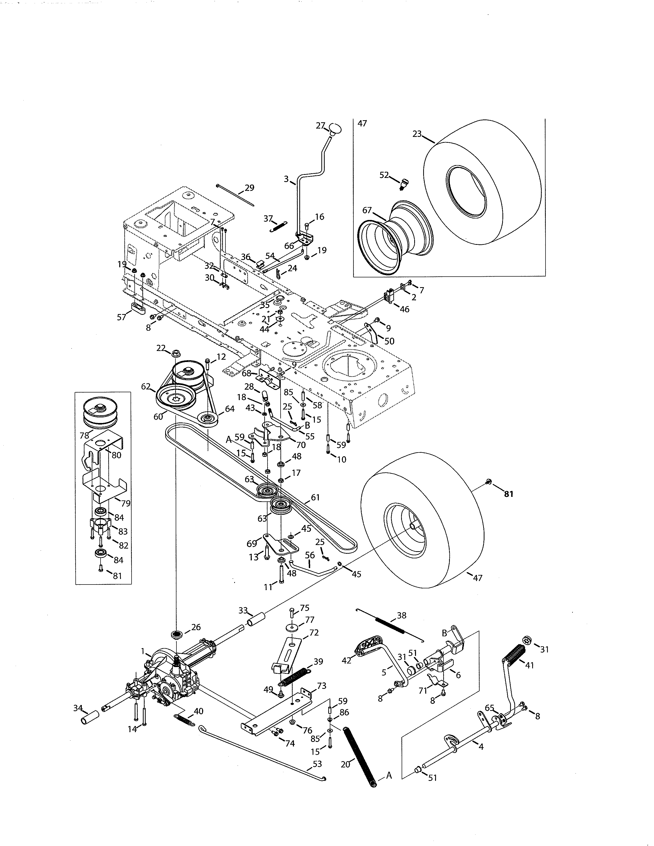
Craftsman 247.290000 (13B226JD099) - Craftsman R1000 Rear ... 4P90JUD Carburetor Assembly diagram and repair parts lookup for Craftsman 247.290000 (13B226JD099) - Craftsman R1000 Rear-Engine Riding Mower (2015) The Right Parts, Shipped Fast! Reviews

Amazon.com : Yomoly Carburetor Compatible with Craftsman 17 ...

Amazon.com : Yomoly Carburetor Compatible with Craftsman 17 ...

How to replace a dryer drum support roller | Repair guide Aug 01, 2014 · This DIY dryer repair guide explains how to install a drum support roller. The drum support roller holds the dryer drum in place as it turns. A damaged or worn support roller bearing typically makes a scraping or squealing noise, and the drum may make quick thumping sounds if the support roller has a flat spot.

Briggs & Stratton Riding Lawn Mower Engine Carburetor #591736

Briggs & Stratton Riding Lawn Mower Engine Carburetor #591736

Briggs and stratton 22 hp v twin carburetor - bodycoach-online.de Mar 23, 2022 · Genuine OEM BRIGGS AND STRATTON 393544 CARBURETOR OVERHAUL KIT. 5 21 HP Engine Craftsman Riding Mower Lawn Tractor 917270821 V-Twin + Carburetor Carb pdf - Briggs And Stratton 18hp V Twin Carburetor Adjustment This is my Huskee riding mower with a 22I have a hot air balloon inflation fan with a horizontal shaft Briggs and Stratton 8 hp, AT ...

How to Clean a Craftsman Riding Lawnmower Carburetor, step by ...

How to Clean a Craftsman Riding Lawnmower Carburetor, step by ...

Wiring Diagram For Mtd Lawn Mower - Wiring Sample Craftsman Riding Mower Electrical Diagram Wiring Diagram Craftsman Riding Lawn Mower I Need One For Craftsman Riding Lawn Mower Lawn Mower Riding Lawn Mowers . Gravely mower deck belt diagram. Wiring diagram for mtd lawn mower. Forming men for the priesthood after the model of Jesus Christ teacher priest and shepherd. 181-1269-14 Power Sport ...

Craftsman Lawn Tractor | 917270810 | eReplacementParts.com

Craftsman Lawn Tractor | 917270810 | eReplacementParts.com

Craftsman Lawn Tractor Carburetor - Sears ALL-CARB Carburetor Replacement for Briggs Stratton 796587 591736 594601 796109 19HP 19.5HP Engine Craftsman Riding Mower Lawn Tractor. Sold by GrowKart. $52.95. Generic Gasket Carburetor For Craftsman YT4000 Lawn Tractors ... Spu Gasket Carburetor For Craftsman Mower LT1500 Lawn Tractors. Sold by SPU Parts. $53.95. Spu Carburetor For Craftsman ...

Carburetor For Craftsman 247.374710 917.374890 Lawn Mowers ...

Carburetor For Craftsman 247.374710 917.374890 Lawn Mowers ...

[email protected] - betsson263-registrieren.de email protected]

Craftsman 17.5 hp 42 in. Deck Lawn Tractor - CA Model ...

Craftsman 17.5 hp 42 in. Deck Lawn Tractor - CA Model ...

Craftsman Riding Lawn Mower - Model 13AN77XS093 - MTD Parts Find parts for your Craftsman T110 Riding Lawn Mower CMXGRAM1130036. Parts diagrams and manuals available. Free shipping on parts orders over $45.

247.203700 (13A277XS099) - Craftsman T1000 Lawn Tractor (2014 ...

247.203700 (13A277XS099) - Craftsman T1000 Lawn Tractor (2014 ...

Craftsman Riding Mowers Parts with Diagrams - PartsTree Craftsman Riding Mowers Parts Lookup & Diagrams Craftsman Riding Mowers ( 240 Models ) 107.250040 (2691085-00) - Craftsman CTX9000 Series 42" Lawn Tractor, 20hp (2012)

Craftsman Riding Mower Runs Rough & Hard To Start. Troubleshoot & Repair

Craftsman Riding Mower Runs Rough & Hard To Start. Troubleshoot & Repair

kreuzkirche-osterode.de 23/03/2022 · EricN910. 5HP Engine Craftsman Riding Mower Lawn Tractor for Kawasaki FD501V Engine It is noRead Exmark Kawasaki Engine PDF on our digital library. Lazer Z HP S/N 160,000-169,999, LHP4417KA S/N 150,000-189,999 (1998), LHP4818KC S/N 150,000-189,999 (1998) OEM Exmark parts & accessories for lawn mowers, riding mowers, zero-turn mowers, …

247.203720 (13A278XS099) - Craftsman T1200 Lawn Tractor (2014 ...

247.203720 (13A278XS099) - Craftsman T1200 Lawn Tractor (2014 ...

Craftsman Riding Mower Drive Belt Diagram- A Step By Step ... Anti-Sway Bar: It's a metal part that fastens to the mower frame and the mower deck to reduce the mower's side-to-side movement. Front link: The front link attaches the mower's front deck to the bracket under the front axle. The job of the link is to help level the deck both up and down. How to Install/Replace Craftsman Riding Mower Drive ...

Carburetor Kit For Craftsman M110 M230 M400 Lawn Mower USA USPS | eBay

Carburetor Kit For Craftsman M110 M230 M400 Lawn Mower USA USPS | eBay

Carbhub Lawn Mowers Carburetor - Sears Marketplace

Carbhub Lawn Mowers Carburetor - Sears Marketplace

Craftsman Mower Carburetor Fix

Craftsman Mower Carburetor Fix

Craftsman Riding Lawn Mower - Model 13BOA1ZS093 | MTD Parts

Craftsman Riding Lawn Mower - Model 13BOA1ZS093 | MTD Parts

Craftsman Mower Carburetor Cleaning Online Sales, UP TO 55 ...

Craftsman Mower Carburetor Cleaning Online Sales, UP TO 55 ...

WHERE CAN I FIND A DIAGRAM TO SHOW CARB LINKAGE HOOK UP ON ...

WHERE CAN I FIND A DIAGRAM TO SHOW CARB LINKAGE HOOK UP ON ...

Throttle linkage for craftsman riding mower - Fixya

Throttle linkage for craftsman riding mower - Fixya

Pin on sears lt2000

Pin on sears lt2000

Linkages came off Craftsman Eager 1 lawn mower. Where do they ...

Linkages came off Craftsman Eager 1 lawn mower. Where do they ...

How to rebuild a riding lawn mower carburetor | Repair guide

How to rebuild a riding lawn mower carburetor | Repair guide

0 Response to "37 craftsman riding mower carburetor diagram"

Post a Comment

Iklan Atas Artikel

Iklan Tengah Artikel 1

Iklan Tengah Artikel 2

Iklan Bawah Artikel