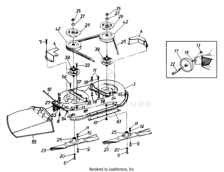
38 huskee 42 inch riding mower belt diagram

Belt Diagram for Huskee 42"cut - Ask Me Help Desk Need a Murray Automatic Drive 17 HP 42" Belt Diagram [ 8 Answers ] I need help bad! I have a 2002 Murray Riding Lawnmower 17 HP 42". I broke a belt and do not know how to put the new one back on. I need a belt diagram for the two belts at the top of the mower, not the deck with the one long belt. Riding Mower 42-inch Deck Belt - 490-501-M044 | MTD Parts Riding Mower 42-inch Deck Belt. Item: 490-501-M044. Fits Riding Mowers and Lawn Tractors with a 42-inch Cutting Deck (2010 - ) For Troy-Bilt, MTD, Craftsman, MTD Gold, Bolens, White Outdoor, Yard Machines, Yard Man and Huskee. Fits Cub Cadet LTX1040, LTX1042KH, LTX1042KW.

Amazon.com: MTD OEM-754-04060 42-Inch Deck Drive Belt for ... Arnold Deck Drive Belt is constructed to perform under the toughest conditions providing top performance results. Specially designed for 42" Troy-Belt, MTD, Yard Man, Huskie, Yard Machines and Bolen Units. Compatible with 2005 and newer lawn tractors and replaces models OE #754-04060B and 954-04060B. Include one belt.

Huskee 42 inch riding mower belt diagram

Huskee 42 inch riding mower belt diagram

Yardman 42 Inch Belt Diagram Yardman 42 Inch Belt Diagram. diagramweb.net: MTD Genuine Parts 36/38/Inch Drive Belt and Prior: Lawn Mower Belts Troy-Bilt, MTD, Yard-Man, Huskee, Yard Machines and Bolens units; Contains one belt MTD Replacement Belt 3/8-Inch by Inch. Changing the drive belt on a MTD Yardman riding mower is part of a routine Attach the deck belt to the ... Huskee 13AL608G731 - Huskee Lawn Tractor (2004) (Tractor ... Huskee repair parts and parts diagrams for Huskee 13AL608G731 - Huskee Lawn Tractor (2004) (Tractor Supply) The Right Parts, Shipped Fast! ... Deck Assembly 42 Inch. Drive, Controls, Wheels Rear. Engine Accessories. Frame Components & Seat. Hood, Fuel Tank, Electrical. salaeventi.it 28.02.2022 · email protected]

Huskee 42 inch riding mower belt diagram. MTD 42" Riding Lawn Mower | 13AT604G755 ... Need to fix your 13AT604G755 (2004) 42" Riding Lawn Mower? Use our part lists, interactive diagrams, accessories and expert repair advice to make your repairs easy. ... MTD 13AT604G755 (2004) 42" Riding Lawn Mower Parts. Search within model. Questions & Answers ... Models Equipped With a 42-Inch. $336.66. Discontinued 27 Cast Iron Pivot Bar ... Riding Mower 42-inch Deck Belt - MTD Parts Fits Riding Mowers and Lawn Tractors with a 42-inch Cutting Deck (2010 - ) For Troy-Bilt, MTD, Craftsman, MTD Gold, Bolens, White Outdoor, Yard Machines, Yard Man and Huskee. Fits Cub Cadet LTX1040, LTX1042KH, LTX1042KW. Fits Troy-Bilt Super Bronco 42 Hydro, TB42, Pony 42X, Pony 42T, Horse 42 Hydro, Pony 42, Bronco 42 Auto, TB1942, Pony, Bronco ... MTD 13W2775S031 (LT4200) (2012) Mower Deck 42-Inch Parts ... MTD 13W2775S031 (LT4200) (2012) Mower Deck 42-Inch Exploded View parts lookup by model. Complete exploded views of all the major manufacturers. ... MTD 13W2775S031 (LT4200) (2012) Mower Deck 42-Inch Parts Diagram SWIPE SWIPE.Quick Reference 13W2775S; 4P90JU Air Intake; 4P90JU Carburetor Assembly; ... Belt Keeper Rod . $11.25 Add to Cart. 41 ... Yardman 42 Riding Mower Manual - 02/2022 YARD-MAN RZT42 OPERATOR'S MANUAL Pdf Download | ManualsLib. Page 28: Section 5: Mower Deck. For Parts Call 606-678-9623 or 606-561-4983 For Parts Call 606-678-9623 or 606-561-4983 SECTION 5: MOWER DECK This section contains removal, installation, adjust- Rolling the belt off the PTO pulley. ment, and maintenance information for the 42-inch ...

Mtd 42 Inch Mower Deck Belt Diagram - Diagram : Resume ... Home Decorating Style 2022 for Mtd 42 Inch Mower Deck Belt Diagram, you can see Mtd 42 Inch Mower Deck Belt Diagram and more pictures for Home Interior Designing 2022 312781 at Resume Example Ideas. ... Craftsman Lt1000 Riding Lawn Mower Drive Belt Diagram. John Deere L120 Belt Diagram 48 Inch. 48 Inch John Deere La145 Belt Diagram. Craftsman ... Huskee Lt4200 Mower Deck Diagram - Diagram Niche Ideas Huskee lt4200 drive belt diagram online wiring diagram. Wiring diagram images huskee lt4200 gear shift will not engage. The mtd lt 4200 features dual blades that allow a wide path of grass to be cut with each pass across the yard. As part of the routine maintenance associated lay down beside the raised mower deck. Amazon.com : Huskee 42" Mower Deck Parts Rebuild Kit ... Huskee 42" Mower Deck Parts Rebuild Kit Spindle Assemblies Blades Belt Idler Pulleys . 4.4 out of 5 stars 25 ratings. $174.50 $ 174. 50. Enhance your purchase . ... 8TEN Deck Rebuild Kit for White Outdoor Troy Bilt Huskee 42 inch LT542H Pony 13AD771G731 Blade Spindle Belt Idler. Huskee Lawn Mower Belt Replacement Parts - Repair Clinic Find Huskee Lawn Mower Belt Replacement Parts at RepairClinic.com. Repair your Huskee Lawn Mower Belt for less. Fast, same day shipping. 365 day right part guaranteed return policy. En español Live Chat online. 1-800-269-2609 24/7. ... $23.42. ADD TO CART. Wheel drive belt 3L 34. Huskee Lawn Mower V-Belt. Genuine OEM Part # 954-0637A | RC Item ...

Shop for Huskee Mower Belts At Tractor Supply Co. Buy Online and call or use the app when you arrive. We'll bring it to your car or truck. While shopping online, select "Contactless Curbside Pickup In Store" for eligible items. Select the store where you would like to pick up your items. Place your order and wait to receive a "Ready For Customer Pickup" e-mail. MTD 13W2775S031 (LT4200) (2014) Mower Deck 42-Inch Parts ... MTD 13W2775S031 (LT4200) (2014) Mower Deck 42-Inch Exploded View parts lookup by model. Complete exploded views of all the major manufacturers. It is EASY and FREE Riding Mower 42-inch Deck Belt - 954-04060C | MTD Parts Item: 954-04060C. Fits Riding Mowers and Lawn Tractors with a 42-inch Cutting Deck (2010 - ) For Troy-Bilt, MTD, Craftsman, MTD Gold, Bolens, White Outdoor, Yard Machines, Yard Man and Huskee. Fits Cub Cadet LTX1040, LTX1042KH, LTX1042KW. Fits Troy-Bilt Super Bronco 42 Hydro, TB42, Pony 42X, Pony 42T, Horse 42 Hydro, Pony 42, Bronco 42 Auto ... salaeventi.it 28.02.2022 · email protected]

MTD 42-in/46-in Replacement Lawn Tractor Transmission Drive Belt

MTD 42-in/46-in Replacement Lawn Tractor Transmission Drive Belt

Yard Machine Mtd Belt Diagram - 02/2022 Yardman Riding Mower Belt Diagram - schematron.org Free schematron.org. Belt diagram for 46" mtd yard machine riding mower Belt diagram for 46" mtd. diagram of how to put the Blade belt on my Yardman 42' riding lawnmower I can& #39;t get my blade belt on Yeah, these belts can seem impossible to figure out.Fix your Yard Man Lawn Mower today with parts, diagrams, accessories and repair advice ...

Slipping deck belt for the blades | Tractor Forum

Slipping deck belt for the blades | Tractor Forum

I need the diagram for a mtd yardmachine 42" belt routing ... I need the diagram for a mtd yardmachine 42" belt routing. I do not have the configuration for this and am wondering if - Answered by a verified Technician ... I have a Yard Man by MTD 13A0665G302 42" deck riding mower I replaced the mower belt and now I can not get the blades to disengage they continue to run ... Huskee lawn tractor with a 23 ...

Mower Belt for Huskee LT4200 Troy-Bilt Pony Bronco TB42 TB2246  TB2142-1/2

Mower Belt for Huskee LT4200 Troy-Bilt Pony Bronco TB42 TB2246 TB2142-1/2"x96" | eBay

Yardman 42 Inch Deck Belt Diagram We have parts, diagrams, accessories and repair advice to make your tool repairs easy. Yard Man 13AOH () Lawn Tractor Parts . Deck Belt Cover Lh Rod, Shift (38/42" Decks) I have a Yardman mower 7 speed shift on the go when I first start 1,2 and 3 gears work fine, but when it heats up only. MTD 13ANG () Deck Assembly 42 inch Exploded View parts ...

Huskee OEM-190-183 Deck Wheel Kit 38

Huskee OEM-190-183 Deck Wheel Kit 38" 42"

MTD and Huskee Mower PTO/Deck Belt Replacement - YouTube - MTD REPLACEMENT PTO/DECK BELT (954-0486A 754-0486 954-0486 754-0486A 67-Inch by-5/8-inch)Buy me a coffee? - ...

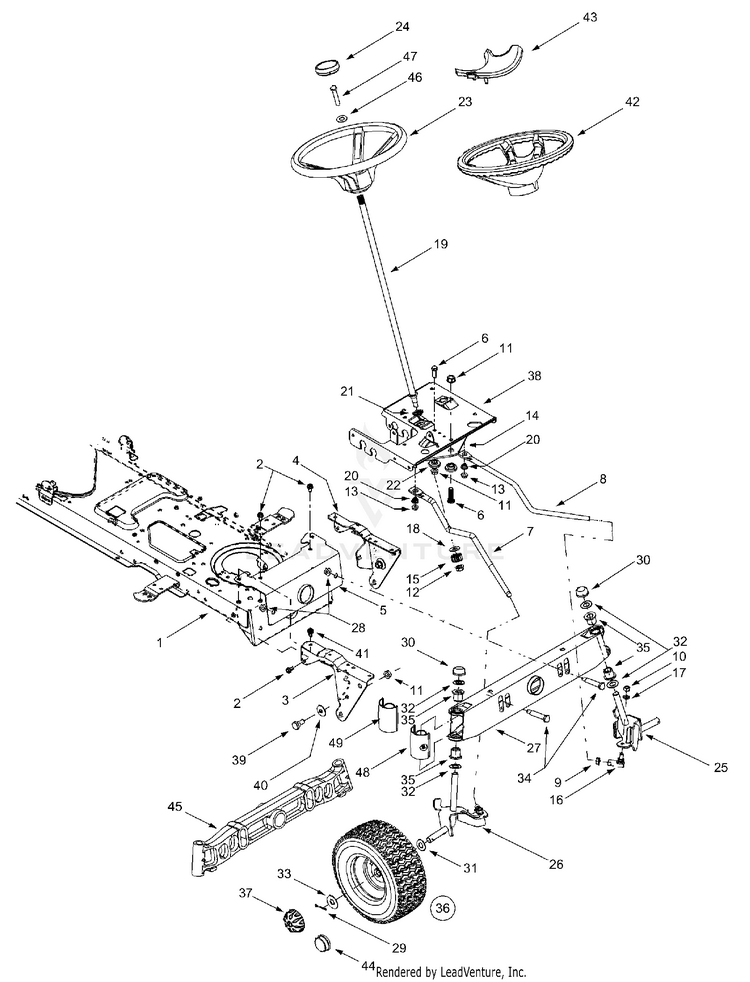
Huskee Riding Lawn Mower - Model 13AL608G731

Huskee Riding Lawn Mower - Model 13AL608G731

How do you adjust the drive belt (too loose) on a Huskee ... How do you adjust the drive belt (too loose) on a Huskee 4200 (42") lawn tractor? ... i put new spindles and pulleys and a belt on my murray 42 inch riding lawn mower. the mower will crank with belt off and it will not turn over with the ... I need to know how to change the transmission belt on a Huskee lt4200 18.5H.P. 42" riding mwer tractor ...

Festen sitzes in blech zu runden sitz traktor

Festen sitzes in blech zu runden sitz traktor

Parts for Huskee / Husky 13W277SS031 / 2015: Mower Deck 42 ... The MTD 712-04063 Flange Lock Nut OEM replacement can be used with Craftsman, White Outdoor, Yard Machines, MTD, or Columbia lawnmowers. It is a genuine or OEM MTD replacement part that measures 5/16-18. It is threaded and requires the use of a wrench. This replacement flange lock nut is sold individually.

MTD decks by crigby | Lawn tractor, Riding mower, Tractors

MTD decks by crigby | Lawn tractor, Riding mower, Tractors

Huskee Riding Mower Drive Belt Diagram - schematron.org Changing the drive belt on a MTD Yardman riding mower is part of a routine maintenance schedule. MTD, the maker of Yardman products, suggests changing the belt every two years or more with exceptional wear. Inspect the belt often throughout the mowing season for nicks, wear or damage. Mtd belt diagram 46 in yardman along with yard machine ...

John Deere GX21833 48-in Deck/Drive Belt for Riding Mower ...

John Deere GX21833 48-in Deck/Drive Belt for Riding Mower ...

Murray 42 Deck Belt Diagram - mtd 13an772g308 lawn tractor ... Murray 42 Deck Belt Diagram - 8 images - murray 42 deck belt diagram untpikapps, ... Craftsman 42 Inch Mower Deck Belt. Murray 40 Deck Belt Diagram. Murray 42 Mower Deck Parts. Murray 42 Mower Deck Parts. Poulan Pro Mower Belt Diagram. Diagram Murray Riding Mower Manual. MTD Riding Mower Deck Diagram. Huskee LT 4200 Drive Belt Diagram. John ...

Compatible Drive Belt for Huskee 13AJ771G031 Riding Mower ...

Compatible Drive Belt for Huskee 13AJ771G031 Riding Mower ...

Riding Mower 42-inch Deck Belt - MTD Parts Riding Mower 42-inch Deck Belt. Item: 954-0498. Riding Mower 42-inch Deck Belt. Item: 954-0498. Quantity. Availability: ... Read reviews and buy Riding Mower 42-inch Deck Belt954-0498. Free shipping on parts orders over $45. ... MTD, MTD Gold, Bolens, White Outdoor, Huskee, Yard Machines and Yard Man units. ...

Troy-Bilt 42-in Deck/Drive Belt for Riding Lawn Mowers in the ...

Troy-Bilt 42-in Deck/Drive Belt for Riding Lawn Mowers in the ...

Mtd 42 Mower Deck Belt Diagram | vincegray2014 Mtd 42 Inch Mower Deck Belt Diagram. Ferris Is2000z Mower Deck Belt Diagram. Husqvarna 48 Inch Mower Deck Belt Diagram. Craftsman 42 Inch Mower Deck Belt Diagram. Cub Cadet 1554 Mower Deck Belt Diagram. Simplicity 5212.5 Mower Deck Belt Diagram. Craftsman 54 Inch Mower Deck Belt Diagram. Husqvarna Yth2348 Mower Deck Belt Diagram.

SOLVED: Huskee mower did half my yard ok, now sputters - Fixya

SOLVED: Huskee mower did half my yard ok, now sputters - Fixya

Yard Machine 46 Inch Riding Mower Belt Diagram - Diagram ... Mtd belt 9540349 for mtd/troybilt/yard man/yard machine 46 mower deck. I forgot the belt routing on my mower.can anyone send me the belt diagram for a 18.5hp yardmachine mower, which has 6 pulleys and hydrostatic drive? Mtd 13an775s000 2012 mower deck 42 inch exploded view parts lookup by model. Troubleshoot the reason your push mower won't start.

Buy 8TEN Deck Rebuild Kit for White Outdoor Troy Bilt Huskee ...

Buy 8TEN Deck Rebuild Kit for White Outdoor Troy Bilt Huskee ...

Huskee 13AL608G731 - Huskee Lawn Tractor (2004) (Tractor ... Deck Assembly 42 Inch diagram and repair parts lookup for Huskee 13AL608G731 - Huskee Lawn Tractor (2004) (Tractor Supply) ... Huskee; Riding Mowers; ... Huskee Lawn Tractor (2004) (Tractor Supply) Deck Assembly 42 Inch Parts Diagram. Lawn Tractor. Deck Assembly 42 Inch Parts Diagram. Title; 1. MTD Part# 711-04069. Grass Catcher Pin, 1/4-20

Huskee 136H450F131 (44-9607-5) (1996) - PartsWarehouse

Huskee 136H450F131 (44-9607-5) (1996) - PartsWarehouse

Mtd 42 Inch Mower Deck Belt Diagram | vincegray2014 Gravely Mower Deck Belt Diagram. Husqvarna 54 Inch Deck Belt Diagram. Simplicity 38 Mower Deck Belt Diagram. Simplicity 50 Mower Deck Belt Diagram. Ferris Is2000z Mower Deck Belt Diagram. Mtd Yard Machine 42 Inch Deck Belt Diagram. Mtd Yard Machine 46 Inch Deck Belt Diagram. Husqvarna Yth2348 Mower Deck Belt Diagram.

42-inch Riding Mower Deck Belt

42-inch Riding Mower Deck Belt

salaeventi.it 28.02.2022 · email protected]

Parts for Huskee / Husky 13W277SS031 / 2015: Mower Deck 42 ...

Parts for Huskee / Husky 13W277SS031 / 2015: Mower Deck 42 ...

Huskee 13AL608G731 - Huskee Lawn Tractor (2004) (Tractor ... Huskee repair parts and parts diagrams for Huskee 13AL608G731 - Huskee Lawn Tractor (2004) (Tractor Supply) The Right Parts, Shipped Fast! ... Deck Assembly 42 Inch. Drive, Controls, Wheels Rear. Engine Accessories. Frame Components & Seat. Hood, Fuel Tank, Electrical.

MTD Genuine Parts 42-in Drive Belt for Riding Mower/Tractors (4-in W x  15.5-in L)

MTD Genuine Parts 42-in Drive Belt for Riding Mower/Tractors (4-in W x 15.5-in L)

Yardman 42 Inch Belt Diagram Yardman 42 Inch Belt Diagram. diagramweb.net: MTD Genuine Parts 36/38/Inch Drive Belt and Prior: Lawn Mower Belts Troy-Bilt, MTD, Yard-Man, Huskee, Yard Machines and Bolens units; Contains one belt MTD Replacement Belt 3/8-Inch by Inch. Changing the drive belt on a MTD Yardman riding mower is part of a routine Attach the deck belt to the ...

Belt that turns the blades keeps slipping off - Lawn Mower ...

Belt that turns the blades keeps slipping off - Lawn Mower ...

954-04033A Cub Cadet RZT Lawn Mower 42 Inch Deck Belt ...

954-04033A Cub Cadet RZT Lawn Mower 42 Inch Deck Belt ...

MTD Genuine Factory Parts Original Equipment Deck Drive Belt for Select 46  in. Front Engine Riding Lawn Mowers OE# 954-04219 490-501-M009

MTD Genuine Factory Parts Original Equipment Deck Drive Belt for Select 46 in. Front Engine Riding Lawn Mowers OE# 954-04219 490-501-M009

490-501-Y044

490-501-Y044

MTD 46

MTD 46" Deck Belt 754-0349,112-0317

Huskee 38 Inch Riding Mower | Online www.problemsolving.pro

Huskee 38 Inch Riding Mower | Online www.problemsolving.pro

Buy 8TEN Deck Rebuild Kit for White Outdoor Troy Bilt Huskee ...

Buy 8TEN Deck Rebuild Kit for White Outdoor Troy Bilt Huskee ...

Huskee Blue Kevlar V-Belt, 1/2 in. x 95 in., A93K

Huskee Blue Kevlar V-Belt, 1/2 in. x 95 in., A93K

Huskee lt4200 deck repair and belt replacement

Huskee lt4200 deck repair and belt replacement

I have a huskee supreme slt 4200 trying to change the drive ...

I have a huskee supreme slt 4200 trying to change the drive ...

Huskee 13AD771G731 - Huskee Lawn Tractor (2007) (Tractor ...

Huskee 13AD771G731 - Huskee Lawn Tractor (2007) (Tractor ...

Slipping deck belt for the blades | Tractor Forum

Slipping deck belt for the blades | Tractor Forum

MTD 13AC76LF031 (LT3800) (2011) Parts Diagram for Mower Deck

MTD 13AC76LF031 (LT3800) (2011) Parts Diagram for Mower Deck

MTD 13AL608G731 (2004) Deck Assembly 42 Inch

MTD 13AL608G731 (2004) Deck Assembly 42 Inch

Why won't my riding mower start?

Why won't my riding mower start?

Huskee LT3800 38

Huskee LT3800 38" Lawn Mower Deck Parts Kit Spindles Blades Belt FREE Shipping | eBay

huskee 46 inch deck belt diagram,therugbycatalog.com

huskee 46 inch deck belt diagram,therugbycatalog.com

MTD Rasentraktor »OPTIMA MINI-RIDER«, 8.6kW, Schnittbreite 76 ...

MTD Rasentraktor »OPTIMA MINI-RIDER«, 8.6kW, Schnittbreite 76 ...

KEIL vergütet: 800-1000 N/mm2

KEIL vergütet: 800-1000 N/mm2

Riding Mower 42-inch Deck Belt - Original Equipment Genuine Part (OEM)

Riding Mower 42-inch Deck Belt - Original Equipment Genuine Part (OEM)

Huskee heavy duty series 42

Huskee heavy duty series 42" lawn mower in Wamego, KS | Item ...

Download huskee images for free

Download huskee images for free

0 Response to "38 huskee 42 inch riding mower belt diagram"

Post a Comment

Iklan Atas Artikel

Iklan Tengah Artikel 1

Iklan Tengah Artikel 2

Iklan Bawah Artikel