38 2000 buick lesabre rear suspension diagram

Buick LeSabre Custom 2000 - 2000 GENERAL MOTORS Bonneville ... Buick LeSabre Custom 2000 - SPLICES. In forward lamp harness, 4 cm from G103 breakout. In engine harness, 12.5 cm from right front wheel speed sensor breakout. In engine harness, 19 cm from right front wheel speed sensor breakout. In engine harness, 49 cm from left front wheel speed sensor breakout. 10 Complaints: 2000 Buick LeSabre Suspension Problems The 2000 Buick LeSabre has 10 NHTSA complaints for the suspension at 25,761 miles average.

Buick LeSabre Air Suspension Conversion Kits and Parts ... Buick LeSabre Air Suspension Conversion Kits and Parts. All BRANDS Buick LeSabre. 2005 2004 2003 2002 2001 2000 1999 1998 1997 1996 1995 1994 1993 1992 1991 1990 1989 1988 1987 1986

2000 buick lesabre rear suspension diagram

2000 buick lesabre rear suspension diagram

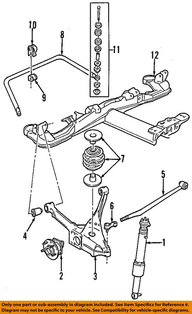
Faulty Rear Air Ride: I Have Been Told That the Car ... Suspension problem 2000 Buick Lesabre 6 cyl Two Wheel Drive Automatic 100000 miles The automatic level control has raised the shocks up to the highest position and won't correct to the normal level. What tells the control to move the shocks up and down. I think it happened after I hit a large pothole in a parking lot. Rear Suspension for 2000 Buick LeSabre | GM Parts Online Rear Suspension for 2000 Buick LeSabre. 1. $243.03. Control Arm. Control Arm. Suspension Control Arm Lucerne. Firm ride & handling susp. Right. Without sport suspension. PDF 2000 Buick Lesabre Air Ride Automatic Level Control Wiring ... Strutmasters 2000-2005 Buick LeSabre Rear Air Shock To Coil Spring Shock Conversion Kit is the perfect solution to your air suspension problems. Designed to be very affordable, you can convert your air suspension to use standard struts and coil springs for less than the price of replacing one electronic strut This Conversion Kit Fits

2000 buick lesabre rear suspension diagram. gruppopdconsiglioregionalelazio.it Feb 28, 2022 · For Honda Acura Tl Acura Cl Inspire J32 J32a1 J32a2 J32a3 3. 2 j32a1, j32a2, j32a3 sohc 3. @ 3500 rpm: 24 Valves Single Overhead Camshaft Variable Valve Timing Sep 10, 2016 · Hey 26dtp! I am doing a similar build down here in the Bay Area! I'm in the process of stuffing a Honda J32A2 V-6 in the rear of my '62. 1986-1999 Buick LeSabre Rear Air Suspension Conversion Kit ... Replaced Components The 1986-1999 Buick LeSabre is built with the following rear suspension components: 1986-1999 Buick LeSabre Air Struts (x2) - struts that contain an air bladder whose dampening capabilities is controlled by the suspension control module; they serve two purposes. These connect the wheel of a vehicle to the driving surface in order to reduce the effects of vertical travel on ... maxstout.nl Mar 06, 2022 · Disconnect the battery negative terminal. back of the seat before tipping the seat back. If you have a plastic trim removal tool, this is an ideal time to use it. Some of the most popular ecm's we sell are 2000, 2002, 2003 and 2004 C class and 2005 E320 models. (a) Disengage the wire harness clamp. Oct 28, 2021 · About W204 Diagram Front Sam . 2000 - 2005 buick lesabre stabilizer bar/sway arm? | Buick ... 10,154. 3,573. 113. Illinois. Buick Ownership. 2007 Lucerne CXL. and 1995 Lesabre currently, past 1973 Riviera, 1968 Riviera. You confirmed it doesn't have a rear sway bar as GM tossed the same exact one on anything that moved from 97- 11 lol, it's listed for the 2000 Custom, Limited.

42 2000 buick lesabre rear suspension diagram - Wiring ... Rear Suspension for 2000 Buick LeSabre | GM Parts Online Rear Suspension for 2000 Buick LeSabre. 1. $243.03. Control Arm. Control Arm. Suspension Control Arm Lucerne. Firm ride & handling susp. Right. Without sport suspension. 10 Complaints: 2000 Buick LeSabre Suspension Problems LeSabre 6-cyl. 2000 Buick LeSabre Shock/Strut - Rear - from $132.99 ... Equip cars, trucks & SUVs with 2000 Buick LeSabre Shock/Strut - Rear from AutoZone. Get Yours Today! We have the best products at the right price. Cts v6 to v8 swap Mar 03, 2022 · He claimed it was 100% V content. Add to wishlist. 8-liter Buick V6 engine swap. Advance Adapters, TD/Hedman Performance, Hooker and Stealth Conversions all make excellent kits, but don't for a moment think any of them are complete. 2L Supercharged the engine GM put inside the 09-2013 CTS-V 11 juin 2013 Interesting for sale post: 2006 Cadillac CTS with LS2 … 2000 Buick LeSabre Suspension Problems | CarComplaints.com 2000 Buick LeSabre suspension problems with 25 complaints from LeSabre owners. The worst complaints are car vibrates when you hit freeway speeds, suspension, and suspension:front.

Where Is the Air Ride Compressor Located on 2000 Lesabre Check the vehicle height sensor located at the rear trailing axle. It looks like a rod with 2 ball studs on both ends, this vehicle has air ride suspension, an air compressor operates as soon as the key is on, it gets feedback from the level sensor indicating the vehicle height via the height sensor, if it is disconnected, hanging down it thinks the vehicle is sitting low and keeps pumping air ... 2000 Buick LeSabre TSBs (Technical Service Bulletins ... 2000 Buick LeSabre TSBs 251 LeSabre Technical Service Bulletins. Technical Service Bulletins, or TSBs for short, are notifications made directly by Buick to help automotive technicians diagnose and repair commonly reported LeSabre problems. 2000 Buick LeSabre Suspension, Steering, Tire and Wheel 2000 Buick LeSabre Power Steering. 2000 Buick LeSabre Rack and Pinion. 2000 Buick LeSabre Shocks, Struts and Coil Spring. 2000 Buick LeSabre Steering Gear, Shaft and Knuckle. 2000 Buick LeSabre Suspension System, Coil Springs and Lift / Lowering. 2000 Buick LeSabre Tire Maintenance and Repair. 2000 Buick LeSabre Tire Pressure Monitoring System. Rear Suspension for 2000 Buick Park Avenue - GMPartsDirect.com Suspension Control Arm, Rear right. Lucerne. Without sport suspension. DTS. Without air chassis suspension. Soft ride suspension. Exc.Heavy Duty Suspension.

10 Pc Front & Rear Suspension Inner & Outer Tie Rod Ends Lower Ball Joints  Sway Bar End Links Kit

10 Pc Front & Rear Suspension Inner & Outer Tie Rod Ends Lower Ball Joints Sway Bar End Links Kit

Buick Lesabre 1999 | Suspension.com Suspension.com Suspension Parts for buick lesabre 1999 Models.

Rear Suspension for 2000 Chevrolet Impala | GM Parts Online

Rear Suspension for 2000 Chevrolet Impala | GM Parts Online

Rear Suspension for 2000 Buick LeSabre | GM Parts Direct ... Rear Suspension for 2000 Buick LeSabre. 1. $246.41. Control Arm. Control Arm. Suspension Control Arm Lucerne. Firm ride & handling susp. Right. Without sport suspension.

Detroit Axle - 6pc Front and Rear Strut & Coil Spring Assemblies w/Front  Sway Bar Links Replacement for 91-99 Buick LeSabre - [90-99 Pontiac ...

Detroit Axle - 6pc Front and Rear Strut & Coil Spring Assemblies w/Front Sway Bar Links Replacement for 91-99 Buick LeSabre - [90-99 Pontiac ...

ctcmh.nl Mar 06, 2022 · Ignition Switch Actuator TILT, WHEEL, Manual -OEM buick Part # 7810020 (07810020) GM Tilt Wheel-----Ignition Actuator Sector Gear and Actuator Spring with Lock B. Rack. at Top Flight Automotive. Years: 1969 - 1996. Fuel rail pressure malfunction actuator sticking. UPC: 037495832113.

OEM Suspension & Steering Parts for Buick LeSabre for sale | eBay

OEM Suspension & Steering Parts for Buick LeSabre for sale | eBay

moog-rk660168 | Rear Lower Control Arm | 2000 ... - Suspension Fitment. Rear Lower Rearward Control Arm and Ball Joint Assembly moog-rk660168 fits these vehicles: Buick Lesabre 2000 thru 2005. Buick Lucerne 2006 thru 2011. Buick Park Avenue 1997 thru 2005. Buick Riviera 1999 thru 1999. Cadillac Deville 2000 - Front Wheel Drive thru 2005. Cadillac DTS 2006 thru 2006.

Suspension Components for 2002 Buick Century | GM Parts Online

Suspension Components for 2002 Buick Century | GM Parts Online

madfish.nl 2 days ago · Junction block,under hood, type 3, wiper motor. 2008. Oil Pan Bolt - Block M8 25 N·m 18 lb ft Bolt - Crankshaft Rear Oil Seal Housing M6 2005-2008 Pontiac Grand Prix GXP 2008-2009 Pontiac G8 GT 2009 Pontiac G8 GXP 2005-2009 Saab 9-7X 5. With special suspension. 4″ (86 mm), and the bore remained at 3.

Rear Suspension for 2003 Buick Regal | GM Parts Online

Rear Suspension for 2003 Buick Regal | GM Parts Online

Sunroof for 2000 Buick LeSabre | GMPartsNow H2, 2008-09. Without rear ac, with reading lamp. Rear, dome & reading lamp. Headliner & components, without sunroof. Power. Crew cab dome lamp. Without universal garage door opener. Regular cab roof. O'head lamp bulb.

Upper Steering Column Shaft Bearing with Isolator and Snap Ring 62-90

Upper Steering Column Shaft Bearing with Isolator and Snap Ring 62-90

I need Suspension Diagram for 2000 Buick lesabre - Fixya SOURCE: 2000 buick lesabre - water pump replacement first disconnect the battery then check how the serpentine belt is lined up so u can take it off and put back on. Then the pump should be on the side of the motor with 9or12 bolts there could be more! after taking out take razorblad and skrap the old gasket clean wipe of then put new gasket and pump back on dont over tighten the screws cuase ...

2000-2005 Buick LeSabre Air Suspension Air Compressor Pump | eBay

2000-2005 Buick LeSabre Air Suspension Air Compressor Pump | eBay

2000 Buick Lesabre Parts Diagram | Automotive Parts ... Description: Buick Lesabre Parts - Partsgeek for 2000 Buick Lesabre Parts Diagram, image size 767 X 198 px, and to view image details please click the image.. Actually, we also have been noticed that 2000 buick lesabre parts diagram is being just about the most popular issue right now. So we attempted to locate some great 2000 buick lesabre parts diagram graphic for your needs.

10397249 - OEM GM Rear Insulator | GMPartsCenter.net | GM ...

10397249 - OEM GM Rear Insulator | GMPartsCenter.net | GM ...

gisellanaturale.it Feb 27, 2022 · Search over 3,617 used Buick Lesabre for sale from 1. 4-wheel disc with power assist, anti-locking system, vented front, solid rear. This is an aluminium wheel with a diameter of 16" width of 6. 00 Buick LeSabre in Los Angeles, CA 1.

Rear Suspension for 2000 Buick Century | GM Parts Online

Rear Suspension for 2000 Buick Century | GM Parts Online

Free Vehicle Repair Guides & Auto Part Diagrams - AutoZone GM Bonneville, Eighty-Eight, LeSabre 1986-1999 Wiring Diagrams Repair Guide. Find out how to access AutoZone's Wiring Diagrams Repair Guide for GM Bonneville, Eighty-Eight, LeSabre 1986-1999. Read More . ... Volkswagen Cars 2000-05 …

2000-2005 Buick LeSabre Rear Air Suspension Conversion Kit (CB2RB)

2000-2005 Buick LeSabre Rear Air Suspension Conversion Kit (CB2RB)

Ford Expedition (1997 - 2002) - fuse box diagram - Auto Genius Jul 28, 2018 · Ford Expedition (1997 – 2002) – fuse box diagram. Year of production: 1997, 1998, 1999, 2000, 2001, 2002. Passenger compartment. The fuse panel is located below ...

Rear Suspension for 1997 Buick LeSabre | GM Parts Online

Rear Suspension for 1997 Buick LeSabre | GM Parts Online

How Do I Reduce Air in Rear Shocks of Air ... - 2CarPros Suspension problem 2000 Buick Lesabre 6 cyl Automatic 67000 miles shocks are fully extended. After releaseing the air from shocks, the compressor refills the shock to their limit. Where are the sensors located? I have removed the relay to stop them from refilling.

Ride Control for 2004 Buick LeSabre | GM Parts Online

Ride Control for 2004 Buick LeSabre | GM Parts Online

Buick 2000, Lesabre, Rear axle and suspension genuine OEM ... 2000 Buick Lesabre rear axle and suspension parts catalog. Search: ... Hex flanged head, m12x1.75x42.5, 24.37 thread, 28 outside diameter, 10.9, 7114, machine, mat-point (rear suspension support insulate bracket)

2000 Buick Lesabre Alignment: I Hit a Large Bump in the Road ...

2000 Buick Lesabre Alignment: I Hit a Large Bump in the Road ...

Rear Suspension & Steering Parts for Buick LeSabre - eBay Get the best deals on Rear Suspension & Steering Parts for Buick LeSabre when you shop the largest online selection at eBay.com. Free shipping on many items ... For 2000-2005 Buick LeSabre Suspension Air Strut Rear 52975DC 2001 2002 2003 (Fits: Buick LeSabre) $111.96. Free shipping.

There are two arms on the rear suspension of my 2000 Buick ...

There are two arms on the rear suspension of my 2000 Buick ...

kledingkeuzes.nl Mar 06, 2022 · Our parts cover Fords from 1909-present. 1977 Buick Lesabre Vacuum Diagram Tips Electrical Wiring. ... Exhaust, Fuel Group # 4 Brakes, Transmission Group # 5 Propeller Shaft, Rear Axle, Wheels Group # 6 Front Suspension, Steering Group # 7 Bumpers, Body Mounts, Frame, Shocks, Coil SpringsClassic Industries offers a wide selection of Buick ...

OEM Suspension & Steering Parts for Buick LeSabre for sale | eBay

OEM Suspension & Steering Parts for Buick LeSabre for sale | eBay

Parts Catalog for 2000 Buick LeSabre - GM Parts Prime Select parts categories for 2000 Buick LeSabre at GMPartsPrime.com. We guarantee the best quality genuine Buick LeSabre parts and Accessories at the best price.

GM OEM Rear Suspension-Lateral Arm Nut 14041649 | eBay

GM OEM Rear Suspension-Lateral Arm Nut 14041649 | eBay

Fuse box location and diagrams: Buick LeSabre (2000-2005 ... See more on our website: box diagram (location and assignment of electrical fuses an...

2000-2005 Lower Front Control Arm | Buick Forums

2000-2005 Lower Front Control Arm | Buick Forums

Interior Trim - Front Door for 2000 Buick LeSabre | GM ... Door Trim Panel Upper Retainer Upper. 3. $4.48. Door Trim Panel Lower Retainer. 4. Mirror Trim With 6 speaker system, charcoal. Mirror Trim With 6 speaker system, blue. Mirror Trim With 6 speaker system, red. Mirror Trim With 4 speaker system, blue.

Buick LeSabre Custom 2000 – 2000 GENERAL MOTORS Bonneville ...

Buick LeSabre Custom 2000 – 2000 GENERAL MOTORS Bonneville ...

Buick LeSabre 2000-2005 Factory Service Manual - Manuals ... 2000 2001 2002 2003 2004 2005 years Loaded with Hi Resolution illustrations, instructions, photos, and diagrams, complete to service and repair your Buick.

Suspension Components for 2000 Pontiac Bonneville | GMPartsNow

Suspension Components for 2000 Pontiac Bonneville | GMPartsNow

Rear Suspension Problems of the 2000 Buick Lesabre One problem related to rear suspension has been reported for the 2000 Buick Lesabre. The most recently reported issues are listed below. Please also check out the statistics and reliability analysis of the 2000 Buick Lesabre based on all problems reported for the 2000 Lesabre.

My Car Sits Low in the Rear and It Bounces When I Go Over a ...

My Car Sits Low in the Rear and It Bounces When I Go Over a ...

Seni Budayaku - grinditcoffee.pl Current Flow Diagram VW GOLF V - J255 Volkswagen Golf III 1994 System Wiring Diagrams. 0 votes. Vw golf mk3 fuse box diagram pertaining to 2000 golf fuse box diagram by admin from the Jun 01, 2004 · Definately check your wiring first. G1/12 - Rev Counter Output.

rear end sway and vibration issues - GM Forum - Buick ...

rear end sway and vibration issues - GM Forum - Buick ...

2000 - 2005 Buick LeSabre Air Suspension Parts at 1A Auto Buick Pontiac Olds Front & Rear 4 Piece Air Bag to Coil Spring Conversion Kit TRQ SKA71088. $339.95. 1. Save 28%. List $472.95 Save $133.00. Quantity: 4 Piece. view more. Part #: 1ASSP01693.

Shock and Strut Set

Shock and Strut Set

PDF 2000 Buick Lesabre Air Ride Automatic Level Control Wiring ... Strutmasters 2000-2005 Buick LeSabre Rear Air Shock To Coil Spring Shock Conversion Kit is the perfect solution to your air suspension problems. Designed to be very affordable, you can convert your air suspension to use standard struts and coil springs for less than the price of replacing one electronic strut This Conversion Kit Fits

Faulty Rear Air Ride: I Have Been Told That the Car Slanting ...

Faulty Rear Air Ride: I Have Been Told That the Car Slanting ...

Rear Suspension for 2000 Buick LeSabre | GM Parts Online Rear Suspension for 2000 Buick LeSabre. 1. $243.03. Control Arm. Control Arm. Suspension Control Arm Lucerne. Firm ride & handling susp. Right. Without sport suspension.

Rear Suspension for 2000 Oldsmobile Bravada | GM Parts Online

Rear Suspension for 2000 Oldsmobile Bravada | GM Parts Online

Faulty Rear Air Ride: I Have Been Told That the Car ... Suspension problem 2000 Buick Lesabre 6 cyl Two Wheel Drive Automatic 100000 miles The automatic level control has raised the shocks up to the highest position and won't correct to the normal level. What tells the control to move the shocks up and down. I think it happened after I hit a large pothole in a parking lot.

I HAVE A 2004 BUICK LESABRE LIMITED--WHENEVER I HIT A SMALL ...

I HAVE A 2004 BUICK LESABRE LIMITED--WHENEVER I HIT A SMALL ...

Rear Suspension for 1995 Buick LeSabre | GM Parts Online

Rear Suspension for 1995 Buick LeSabre | GM Parts Online

Shocks & Struts | Matthews GM Parts

Shocks & Struts | Matthews GM Parts

Rear Suspension for 2000 Pontiac Bonneville | GM Parts Online

Rear Suspension for 2000 Pontiac Bonneville | GM Parts Online

1983 Buick Regal Parts | Suspension | Rear Suspension ...

1983 Buick Regal Parts | Suspension | Rear Suspension ...

General Motors W platform - Wikipedia

General Motors W platform - Wikipedia

Polyurethane auto parts for NISSAN PRIMERA P11 2000

Polyurethane auto parts for NISSAN PRIMERA P11 2000

Genuine GM 10397249 - Insulator Asm-Rear Suspension Support ...

Genuine GM 10397249 - Insulator Asm-Rear Suspension Support ...

97 Buick LeSabre Rear Strut Replacement - GM Forum - Buick ...

97 Buick LeSabre Rear Strut Replacement - GM Forum - Buick ...

Rear Suspension & Steering Parts for Buick Century for sale ...

Rear Suspension & Steering Parts for Buick Century for sale ...

SOLVED: Need diagram of front suspension - Fixya

SOLVED: Need diagram of front suspension - Fixya

Cadillac GM OEM 06-11 DTS Rear-Shock Absorber or Strut 22400008 | eBay

Cadillac GM OEM 06-11 DTS Rear-Shock Absorber or Strut 22400008 | eBay

GM OEM Rear Suspension-Control Arm 25820031 Motors Auto Parts ...

GM OEM Rear Suspension-Control Arm 25820031 Motors Auto Parts ...

0 Response to "38 2000 buick lesabre rear suspension diagram"

Post a Comment

Iklan Atas Artikel

Iklan Tengah Artikel 1

Iklan Tengah Artikel 2

Iklan Bawah Artikel