37 homelite xl chainsaw parts diagram

SXL-AO (UT-10045-C) - Homelite Chainsaw Parts & Diagrams ... SXL-AO (UT-10045-C) - Homelite Chainsaw Parts & Diagrams Parts Lists & Diagrams. Chainsaw. Recommended Parts Show $ SXL-AO (UT-10045-C) - Homelite Chainsaw > Parts Diagrams (10) Hide . Carburetor Chamber. Drive Case & Oil Pump. Engine Internals. Handles & Clutch. HS-179-B Carburetor. Ignition. SDC-62 Carburetor ... Homelite XL Chain Saw UT-10655 Parts Diagram for Housing ... Homelite XL Chain Saw UT-10655 Housing & Handles Exploded View parts lookup by model. Complete exploded views of all the major manufacturers. It is EASY and FREE

Homelite XL Chain Saw UT-10507-4 Chainsaw Parts- Suitable ... HOMELITE 16" BAR AND CHAIN 3/8" PITCH 59 DL. SUITABLE REPLACEMENT BAR AND CHAIN COMBO. Our Price: $39.95. We offer 27 subcategories of suitable replacement Homelite XL Chain Saw UT-10507-4 parts so you are sure to find just what you need to fix your chain saw and get back to cutting wood fast.

Homelite xl chainsaw parts diagram

Homelite xl chainsaw parts diagram

UT-10753 - Homelite Super 2 XL Chainsaw Parts & Diagrams ... UT-10753 - Homelite Super 2 XL ChainsawParts & DiagramsParts Lists & Diagrams. UT-10753 - Homelite Super 2 XL Chainsaw. Parts Lookup and OEM Diagrams | PartsTree Repair parts lookup and OEM diagrams for outdoor equipment like Toro lawn mowers, Cub Cadet tractors, Husqvarna chainsaws, Echo trimmers, Briggs engines. The Right Parts, Shipped Fast! ... Results for "xl ut 10655 homelite chainsaw" (4300 Models) Homelite XL12 Chain Saw UT-10541-C Parts Diagrams Homelite XL12 Chain Saw UT-10541-C Exploded View parts lookup by model. Complete exploded views of all the major manufacturers. It is EASY and FREE

Homelite xl chainsaw parts diagram. Homelite UT-10618 gas chainsaw parts | Sears PartsDirect Homelite UT-10618 gas chainsaw parts - manufacturer-approved parts for a proper fit every time! We also have installation guides, diagrams and manuals to help you along the way! Homelite Chainsaw - Leon's Chainsaw Parts & Repair Parts Diagrams Homelite Literature & Information Contact Blog Leon's Personal Collection ... Homelite XL-76, XL-101 to XL-123, XL-130, VI-123 Chainsaw Homelite XL-700 to XL-925, VI-944, VI-955 Chainsaw ... NOS Homelite Chainsaw Oregon 69C 7/16" X .063" Chipper Chain Link Repair Kit 45818 $8.99 $8.99 ... Homelite super xl parts manual - United States examples ... Parts Diagrams Homelite Literature & Information Contact Blog NOS Homelite Super XL, XL-12, XL-500 Chainsaw Pyramid Reed Cylinder Gasket 59771 .99 .99 NOS Homelite Super XL, XL-400, XL-500 Chainsaw Manual Oil Pickup & Filter A-59804 .99 .99 NOS Homelite 330, 360, Super XL, XL-12 Chainsaw 3-Shoe Clutch Spring 93638-A Homelite Illustrated Part Lists - Chainsawr Homelite Illustrated Part Lists 2009-06-03. Homelite XL 101, 102, 103 and 104.pdf. For more information about your chainsaw, and to locate the dealer nearest you visit Your friendly, local dealer is always the best source for new parts and service work.

Homelite Xl2 Parts List And Diagram : Ereplacementparts in ... homelite xl chainsaw parts diagram is among the most pics we found on the internet from reputable resources. We attempt to discuss this homelite xl chainsaw parts diagram picture in this post because according to info coming from Google search engine, It is one of the top searches key word on google. Homelite Chainsaws Parts with Diagrams - PartsTree All models of Homelite Chainsaws. Fix it fast with OEM parts list and diagrams. The Right Parts, Shipped Fast! ... Homelite Chainsaws Parts Lookup & Diagrams Homelite Chainsaws Parts Lookup & Diagrams Homelite Chainsaws ( 528 Models ) 150 (UT-10432) - Homelite Chainsaw. 150 (UT-10432-A) - Homelite Chainsaw ... PDF Homelite XL Chainsaw Owners Manual 24904 The HOMELITE@ XL Chain saw, despite its lightness and compactness, has a powerful 2-cycle type engine equipped with a diffuser type exhaust muffler to dampen the engine noise, an automatic chain oiler, and a cen- trifugal type automatic Clutch. It will pay you to familiarize yourself with the saw and a Homelite XL2 Chain Saw Chainsaw Parts- Suitable ... HOMELITE 12" BAR AND CHAIN 3/8" PITCH 48 DL. SUITABLE REPLACEMENT BAR AND CHAIN COMBO. Our Price: $35.95. HOMELITE 16" BAR AND CHAIN 3/8" PITCH 59 DL. SUITABLE REPLACEMENT BAR AND CHAIN COMBO. Our Price: $39.95. We offer 27 subcategories of suitable replacement Homelite XL2 Chain Saw parts so you are sure to find just what you need to fix your ...

Homelite XL gas chainsaw parts | Sears PartsDirect Homelite XL gas chainsaw parts - manufacturer-approved parts for a proper fit every time! We also have installation guides, diagrams and manuals to help you along the way! PDF Homelite Chain Saw Parts Manual for XL Chain Saw XL Chain Saw UT-10507-4. Page 1 of 8. For Homelite Discount Parts Call 606-678-9623 or 606-561-4983 ...8 pages PDF Homelite XL-2 Chainsaw IPL 24752 (Revision 3) Title: Homelite XL-2 Chainsaw IPL 24752 (Revision 3).pdf Author: Office Created Date: 12/29/2014 12:21:36 PM Homelite Xl Chainsaw Parts Diagram | Automotive Parts ... Description: Homelite Ut10501 Parts List And Diagram : Ereplacementparts with regard to Homelite Xl Chainsaw Parts Diagram, image size 620 X 1107 px, and to view image details please click the image.. Here is a picture gallery about homelite xl chainsaw parts diagram complete with the description of the image, please find the image you need.

Homelite XL Parts Manual - [PDF Document]

Homelite XL Parts Manual - [PDF Document]

PDF XLW Chain Saw UT-10618 Page 1 of 8 - gridserver.com XLW Chain Saw UT-10618 Page 5 of 8. XLW Chain Saw UT-10618 Page 6 of 8. XLW Chain Saw UT-10618 Page 7 of 8. XLW Chain Saw UT-10618 Page 8 of 8. Title: PartsList(s) Author: default Created Date: 3/18/2004 10:54:01 PM ...

Homelite XL - [PDF Document]

Homelite XL - [PDF Document]

Homelite XL Chain Saw UT-10694 10694-UT XL Chain Saw UT ... Homelite XL Chain Saw UT-10694 10694-UT XL Chain Saw UT-10694 XL Chain Saw Housing & Handles Exploded View parts lookup by model. Complete exploded views of all the major manufacturers. It is EASY and FREE

XL & Super 2,, Homelite Chain Saw Parts List

XL & Super 2,, Homelite Chain Saw Parts List

Homelite Chainsaw | XL2 | eReplacementParts.com There are online carburetor diagrams and parts lists available. Look at page B here for a breakdown of the carb parts if you have the Homelite XL2 chainsaw. Most are listed as obsolete, but at LEAST you will have the part number for the part you need (gasket) and can maybe find a newer one that is the same.

Homelite UT-10722-C - Homelite XL Chainsaw Engine Housing ...

Homelite UT-10722-C - Homelite XL Chainsaw Engine Housing ...

UT-10655 - Homelite XL Chainsaw Parts & Diagrams Parts ... UT-10655 - Homelite XL Chainsaw Parts & Diagrams Parts Lists & Diagrams. XL Chainsaw. Recommended Parts Show $ UT-10655 - Homelite XL Chainsaw > Parts Diagrams (6) Hide . Engine Internals. Housing & Handles. Peripheral Engine Parts. Tools & Accessories. Walbro Carburetor. Zama Carburetor ...

Homelite Chain Saw Parts Manual for SXLAO Chain Saw UT 10045 A

Homelite Chain Saw Parts Manual for SXLAO Chain Saw UT 10045 A

Homelite Chainsaw Model XL Parts - Repair Clinic Homelite Chainsaw Model XL Parts. Homelite Chainsaw Model XL Parts are easily labeled on this page to help you find the correct component for your repair. Filter results by category, title and symptom. You can also view diagrams and manuals, review common problems that may help answer your questions, watch related videos, read insightful articles or use our repair help guide to get started.

Homelite XL Chain Saw UT-10655 Parts and Accessories ...

Homelite XL Chain Saw UT-10655 Parts and Accessories ...

Homelite XL Chain Saw UT-10655 Parts Diagrams Homelite XL Chain Saw UT-10655 Exploded View parts lookup by model. Complete exploded views of all the major manufacturers. It is EASY and FREE

HOMELITE XL UT 10655 SUPER 2 UT 10654 CHAIN SAW PARTS LIST ...

HOMELITE XL UT 10655 SUPER 2 UT 10654 CHAIN SAW PARTS LIST ...

Homelite Chainsaw Parts | Fast Shipping ... Homelite Chainsaw parts that fit, straight from the manufacturer. Use our interactive diagrams, accessories, and expert repair help to fix your Homelite Chainsaw . ... UT-01274 Homelite XLS1.54 XL-Pump Parts UT-01294 Homelite XLS21B Pump Parts

Homelite XL 12 (UT-10490) - Homelite Chainsaw Parts Lookup ...

Homelite XL 12 (UT-10490) - Homelite Chainsaw Parts Lookup ...

Old Obsolete Homelite Parts Your source for Obsolete ... Obsolete Vintage Homelite chainsaw parts are better quality than most plastic items out there today we offer Homelite Super xl and Homelite xl12 chainsaw parts here on this site . ... We specialize in old obsolete homelite chainsaw and homelite trimmer parts From old obsolete homelite chainsaw parts diagrams to homelite chainsaw coils to ...

My homelite textron chain saw seems to have a a clutch ...

My homelite textron chain saw seems to have a a clutch ...

Homelite Chain Saws Parts Lookup by Model Homelite Chain Saws Exploded View parts lookup by model. Complete exploded views of all the major manufacturers. ... Homelite Chain Saws Parts Diagrams 150 Chain Saw UT-10432 10432-UT 150 Chain Saw UT-10432 150 Chain Saw. ... Super 2 XL Chain Saw UT-10722-E 10722-E-UT Super 2 XL Chain Saw UT-10722-E Super 2 XL Chain Saw.

Homelite XL-12 w/ Pyramid Reed & SXL-AO Chain Saw Parts Catalog Manual  Chainsaw | eBay

Homelite XL-12 w/ Pyramid Reed & SXL-AO Chain Saw Parts Catalog Manual Chainsaw | eBay

Homelite Super XL, XL-12, XL-15, XL-400, XL-500 Chainsaw Parts NOS Homelite Super 1050, Super 1130G, Super XL, XL-12, XL-925 Chainsaw Starter Rope Drum Retainer Screw 80825

Stator (Narex) | H-Fuchs

Stator (Narex) | H-Fuchs

Homelite VI-944*, VI-955*, XL-700, XL-800, XL-850, XL-870 ... Parts Diagrams Homelite Literature & Information Contact Blog Leon's Personal Collection Repair & Tip Videos ... VI-944, VI-955 Chainsaw. NOS Homelite Super XL-925, XL-98A Chainsaw & Cut-Off Saw Muffler Reinforcement Plate 69839 $6.99 $6.99 NOS Homelite XL-913M, XL-914M Chainsaw Walbro SDC-23 Carburetor Repair Kit 67965 $21.99 $21.99 ...

Homelite UT-10510-A - Homelite Super XL 925W Chainsaw ...

Homelite UT-10510-A - Homelite Super XL 925W Chainsaw ...

Homelite XL12 Chain Saw UT-10541-C Parts Diagrams Homelite XL12 Chain Saw UT-10541-C Exploded View parts lookup by model. Complete exploded views of all the major manufacturers. It is EASY and FREE

HOMELITE CHAIN SAW VI SUPER 2 SL PARTS MANUAL PART #17068 FIRST EDITION |  eBay

HOMELITE CHAIN SAW VI SUPER 2 SL PARTS MANUAL PART #17068 FIRST EDITION | eBay

Parts Lookup and OEM Diagrams | PartsTree Repair parts lookup and OEM diagrams for outdoor equipment like Toro lawn mowers, Cub Cadet tractors, Husqvarna chainsaws, Echo trimmers, Briggs engines. The Right Parts, Shipped Fast! ... Results for "xl ut 10655 homelite chainsaw" (4300 Models)

Original Homelite ~ SDC-31 SDC-32 Carburetor ~ Parts List | eBay

Original Homelite ~ SDC-31 SDC-32 Carburetor ~ Parts List | eBay

UT-10753 - Homelite Super 2 XL Chainsaw Parts & Diagrams ... UT-10753 - Homelite Super 2 XL ChainsawParts & DiagramsParts Lists & Diagrams. UT-10753 - Homelite Super 2 XL Chainsaw.

Homelite Chainsaw Homelite 180, LX30 Bandit, XL, Super 2 Clutch Mechanism  A97921 Box X

Homelite Chainsaw Homelite 180, LX30 Bandit, XL, Super 2 Clutch Mechanism A97921 Box X

Bob's Homelite XL Automatic Oiler Repair

Bob's Homelite XL Automatic Oiler Repair

Homelite XL Chain Saw UT-10694 Parts and Accessories ...

Homelite XL Chain Saw UT-10694 Parts and Accessories ...

USED Homelite Super XL Chainsaw Manual Oiler Drivecase & Tank ...

USED Homelite Super XL Chainsaw Manual Oiler Drivecase & Tank ...

Homelite XL 12 (UT-10445) - Homelite Chainsaw Zama Carburetor ...

Homelite XL 12 (UT-10445) - Homelite Chainsaw Zama Carburetor ...

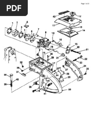
Homelite XL Chain Saw UT-10655 Parts Diagrams

Homelite XL Chain Saw UT-10655 Parts Diagrams

Homelite Super EZ Automatic Chainsaw Runs Good C154

Homelite Super EZ Automatic Chainsaw Runs Good C154

Details about Homelite XL, Super2 & VI SL Chain Saw Parts ( 3 Manual s)  Chainsaw

Details about Homelite XL, Super2 & VI SL Chain Saw Parts ( 3 Manual s) Chainsaw

Homelite XL Parts Manual | PDF | Ignition System | Carburetor

Homelite XL Parts Manual | PDF | Ignition System | Carburetor

Homelite Super XL Auto UT-10543-B | Manualzz

Homelite Super XL Auto UT-10543-B | Manualzz

Homelite XL12 Chain Saw UT-10541-C Parts Diagrams

Homelite XL12 Chain Saw UT-10541-C Parts Diagrams

Homelite XL12 Chain Saw UT-10541-C Parts Diagrams

Homelite XL12 Chain Saw UT-10541-C Parts Diagrams

Homelite XL Chain Saw UT-10655 Parts Diagrams

Homelite XL Chain Saw UT-10655 Parts Diagrams

Pin by Drruja on Má uložení | Ipl, Super, Chainsaw

Pin by Drruja on Má uložení | Ipl, Super, Chainsaw

Homelite XL12 Chain Saw UT-10541-C Parts Diagrams

Homelite XL12 Chain Saw UT-10541-C Parts Diagrams

Fixing a homelite chainsaw

Fixing a homelite chainsaw

UT-10753 - Homelite Super 2 XL Chainsaw Parts Lookup with ...

UT-10753 - Homelite Super 2 XL Chainsaw Parts Lookup with ...

homelite super 2 chainsaw starter cover and pulley assembly (plastic, late  model)

homelite super 2 chainsaw starter cover and pulley assembly (plastic, late model)

UT-10753 - Homelite Super 2 XL Chainsaw Parts Lookup with ...

UT-10753 - Homelite Super 2 XL Chainsaw Parts Lookup with ...

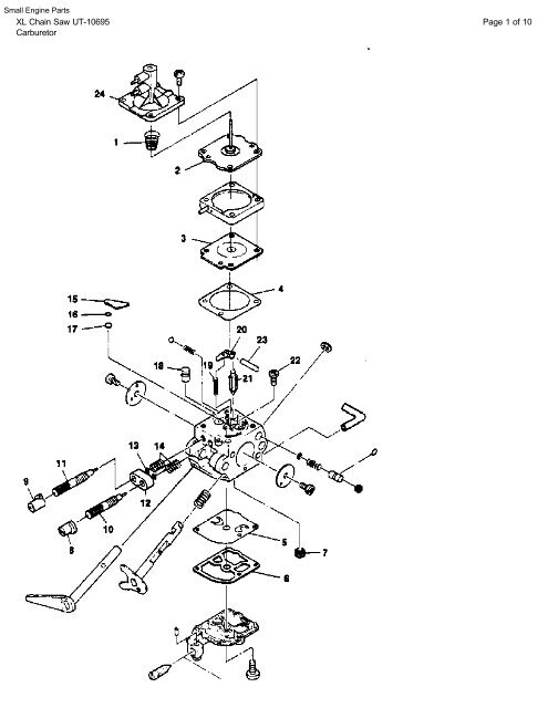
Homelite XL Chainsaw | UT-10695 | eReplacementParts.com

Homelite XL Chainsaw | UT-10695 | eReplacementParts.com

Homelite Super XL 925W Chain Saw UT-10510-C Parts Diagram for ...

Homelite Super XL 925W Chain Saw UT-10510-C Parts Diagram for ...

Homelite XL UT-10695 - Barrett Small Engine

Homelite XL UT-10695 - Barrett Small Engine

Homelite XL Chain Saw UT-10655 Parts Diagrams

Homelite XL Chain Saw UT-10655 Parts Diagrams

0 Response to "37 homelite xl chainsaw parts diagram"

Post a Comment

Iklan Atas Artikel

Iklan Tengah Artikel 1

Iklan Tengah Artikel 2

Iklan Bawah Artikel