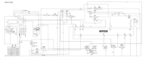
36 seadoo mpem wiring diagram

SeaDoo MPEM 278000423 278001135 (New) JetSkiPlus# z-SD281-zb Our diagrams are verified for accuracy against SeaDoo's OEM shop manual wiring diagrams for every model and year this MPEM fits. This MPEM does not require programming a dess key to it. It only uses the dess key for contact on the dess post to energize the starting circuit, so any key will start the ski. Mpem fix? - PWCToday I'm trying to fix my MPEM.... No spark ..! Everething is ok, AND NOT BLOW FUSE. If anyone has the wiring electric diagram answer me .. I will reply back to tell about the repair .. If I can fix this course. 1997 xp Seadoo, 787 .....Mpem part 278-001-078

96 Seadoo Xp Wiring Diagram - Wiring Sample Get discount sea doo parts at sea doo warehouse. Start date today at 9 31 am. 1997 seadoo xp wiring diagram. Help 1996 seadoo xp wiring diagram im in need of a wiring diagram for the front gray electrical box the manual does nt have one any help would be appericated thanks may last edited by madmay. This is a discussion on gtx within the sea ...

Seadoo mpem wiring diagram

Seadoo mpem wiring diagram

MPEM Ignition Module Reference - SeaDooSource MPEM Ref & Prog. MPEM Test Info My Opinion on Oil… Part Numbers List Rotax Case ID Rotax Engine Info Sea Doo Models 1988-2010 Sea Doo Paint Codes Seat Reference Chart SD Spark Plug Info 029/358 VTS Module Test Water Flooded 2 Stroke Wear Ring Removal. Technical Info. Sea Doo Tool Rental! . Sea Doo Tips. To avoid expensive ... Seadoo Cdi Mpem 1994 Sp Spx Spi Gtx Gts Xp 278000413 ... New Aftermarket CDI MPEM OEM quality aftermarket replacement part Compatible with Seadoo Direct Plug-in unit Includes: Wiring diagram Exact item is pictured Quantity: 1 Replaces the following Part Numbers:278000413278000070 (obsolete)278000262 (obsolete supersedes to 278000070)278000200 (obsolete supersedes to 278000070) Brand: JSP ... Seadoo Mpem Wiring Diagram Feb 11, 2018 · CDI MPEM Box Ignition Module Sea Doo SP SPI SPX GTS GTX XP 92 93 Our diagrams are verified for accuracy against SeaDoo's OEM shop manual wiring diagrams for every model and year this MPEM diagramweb.net Rating: % positive. Expert SeaDoo MPEM sales, testing, repair, Dess lanyard key programming.

Seadoo mpem wiring diagram. Seadoo Mpem Wiring Diagram - Wiring diagram online Mar 03, 2022 · Seadoo older mpem (wired) test instructions the tables below provide the test information to determine if a wired mpem is in specification. The Red / Purple Wire Is The 12 Vdc From The Battery Protected By A 5 A Fuse On The Mpem. The wiring diagram shows 5 amp fuse supply port mpem. 1994 Sea Doo Xp Mepm Wiring Diagram - schematron.org Sep 12, 2018 · 09.12.2018. 1 Comments. on 1994 Sea Doo Xp Mepm Wiring Diagram. schematron.org: JSP Manufacturing SeaDoo Mpem SP SPX SPI GTX GTS XP This MPEM comes with a wiring diagram and instructions to assist you. CDI MPEM Box Ignition Module Fits for Sea Doo SP SPI SPX GTS GTX XP Includes wiring instructions/diagram developed by Jet Ski Plus. Sea Doo Trailer Wiring Diagram - 4K Wallpapers Review Sea Doo Trailer Wiring Diagram Mpem Cdi Box Sea Doo 787 800 Xp Gsx Gtx 96 1996 278000510 278000897 Walmart Com. Previous Next. Suggested Wallpapers: Sea Doo Move Trailer Wiring Diagram, Related Gallery: ... SEADOO MPEM Box CDI Ignition Module1994 SP SPX SPI GTX GTS ... New Aftermarket CDI MPEM OEM quality aftermarket replacement part Compatible with Seadoo Direct Plug-in unit Includes: Wiring diagram Exact item is pictured Quantity: 1 Replaces the following Part Numbers:278000413278000070 (obsolete)278000262 (obsolete supersedes to 278000070)278000200 (obsolete supersedes to 278000070) Brand: JSP ...

Amazon.com: JSP Manufacturing New Seadoo Mpem 1994 Sp SPX ... Weishine CDI MODULE Fits Sea-Doo GTS GTX GT-X 1992-1994 JETSKI CDI MODULE OEM Repl.278000070 278000200 278000262 278000413 4.2 out of 5 stars 31 1 offer from $68.17 96 Seadoo Xp Wiring Diagram GSX XP & XP Models (Test For Sea-Doo MPEM Part # ). Meter (-), Meter (+), Reading. ... 1997 Seadoo Xp Wiring Diagram. RE/PU (male terminal), RE, 1 Ohms. RE/PU.This is a discussion on gtx within the Sea-Doo forums, part of the Technical Support . 95 xp (faster than the 94) I do now have a wiring diagram and will check the loose and clipped wires ... 1996 Seadoo XP - MPEM Diagnosis I have ready through several "MPEM Threads" also went to my printed manual. Need some confirmation from the forum experts. Problem: No Beeps when putting on DESS key on a 1996 Seadoo XP. History: Bought ski a couple weeks ago. Got it home. Put a fresh battery (PC625 Odyssey Dry Cell Fully Charged and known good). Put on DESS key. Got two solid BEEPS, VTS went up and down, Fuel Gauge even worked. 1996 Seadoo Xp 787 Wiring Diagram - schematron.org The BLACK wire is the ground. The RED / PURPLE wire is the 12 VDC from the battery protected by a 5 A fuse on the MPEM. If this wire is disconnected or if the fuse is blown, the Infor Center gauge will not turn on. The PINK wire is the signal for the red warning LED.96 Sea Doo Gtx Wiring Diagram | Wiring LibrarySEADOO SP SHOP MANUAL Pdf Download.

Seadoo Mpem Wiring Diagram - Wiring Diagram Dec 10, 2017 · Aftermarket Seadoo Mpem Sp Spx Spi Gtx Gts Xp 278000413 Sea Doo 94 95 Picclick. No spark ignition box issues w simple to read 94 xp mpem wiring diagram modulo cdi jet ski sea doo 2 1995 sdster conversion kit for 1996 1997 vs forum 580 587 278000070 tec observations on gauges similarities nonwiredmpemtest need electrical help asap spx peças osd 4 gts gti gtx aftermarket seadoo sp spi wraps ... 1994 Seadoo Xp Vts Wiring Diagram - schematron.org 1994 Seadoo Xp Vts Wiring Diagram. SEADOO ELECTRONIC VTS TRIM MODULE X 94 XP ONLY OEM . Sea-Doo XP LIMITED Repair Manual Clymer W Service. I was reading in another forum about repairing the VTS with a relay from here is the wiring for the m relay to seadoo's wiring for the vts. How to replace the VTS control module on a Seadoo with a 10 dollar ... '96 XP wiring diagram - AND general MPEM ... - Sea-Doo Forum Apr 22, 2021 · I can tell you that the 96 XP / GSX are unique in that they have a completely separate CDI unit, made by Nippondenso of Japan, mounted in the opposite cover from the front electrical box. In the later years, the CDI unit was combined into the MPEM. Some of the wires you are describing may be the communication wires between the two devices. Seadoo Mpem Wiring Diagram - schematron.org SeaDoo SP (), XP (), GTS (), GTX Service/Shop Pump, Repair and Adjustment 00 - ELECTRICAL 01 - Wiring Diagram 02 - Ignition. SeaDoo SP Manual Online: Wire Color Codes, Wiring Diagrams. First Color Of A Wire Is indicates a common circuit in the MPEM printed. circuit with another.

SEADOO MPEM Box CDI Ignition Module1994 SP SPX SPI GTX GTS XP 278000413  278000070 278000200 278000262

SEADOO MPEM Box CDI Ignition Module1994 SP SPX SPI GTX GTS XP 278000413 278000070 278000200 278000262

electric diagram for 1993 seadoo kill switch - Wiring ... electric diagram for 1993 seadoo kill switch Wiring Diagram Line Wiring Diagram. Wiring Diagram Line We are make source the schematics, wiring diagrams and technical photos ... 93 sl750 update to 94 pwc 278002773 278001734 004 119 01 64 31 parts reloaded your source for hard find motorsports seadoo mpem cdi unit 717 720 1995 1996 gti gts hx spx ...

Seadoo Mpem Sp SPI Xp GTX GTS SPX 278000070 278000262 ...

Seadoo Mpem Sp SPI Xp GTX GTS SPX 278000070 278000262 ...

Sea Doo Vts Wiring Diagram Introducing the Trim-FIX module for SeaDoo personal watercraft. the VTS housing and connect right to the existing wiring, the gauge position sensor The TrimFix comes complete with installation instructions which include diagrams and .Mar 29, · trying to work this vts wiring am i right in saying the two wires that go to the mpem are from the ...

SeaDoo MPEM CDI GTX SPX 278000981 278001255 278001202 278001133

SeaDoo MPEM CDI GTX SPX 278000981 278001255 278001202 278001133

96 seadoo speedster wiring diagram for elec. box Hi i recently hit a wave and caught some air time in my 96 twin rotax speedster ans the impact crashed my mpem so i have replaced but i's been so long since i took the electrical box apart, that now i'm having trouble re-wiring and I don't want to make any mistakes. If any one can send me a picture of their box or a wiring diagram I would truly appreciate it.

CDI, MPEM, Igniter, ECU, Engine control unit

CDI, MPEM, Igniter, ECU, Engine control unit

96 Seadoo Xp Wiring Diagram - easywiring 96 seadoo xp wiring diagram. I do now have a wiring diagram and will check the loose and page wire color codes wiring diagrams. Got two solid beeps vts went up and down fuel gauge even worked. I have ready through several mpem threads also went to my printed manual.

Case Puma 200 CVX Hydraulic System - #2 by whiterose ...

Case Puma 200 CVX Hydraulic System - #2 by whiterose ...

HELP!!!1996 seadoo xp wiring diagram - PWCToday HELP!!!1996 seadoo xp wiring diagram. Im in need of a wiring diagram for the front gray electrical box the manual does'nt have one any help would be appericated Thanks,May. Last edited by madmay; 11-10-2010 at 05:44 PM . Reason: title was not wright.

MPEM Conversion Kit for 1995/1996/1997 Speedster

MPEM Conversion Kit for 1995/1996/1997 Speedster

1996 Seadoo Gti Wiring Diagram - easywiring I do now have a wiring diagram and will check the loose and page wire color codes wiring diagrams. Check wiring solenoid and mpem. Section 13 wiring diagrams sub section 01 wiring diagrams wiring diagrams wire color codes amp connector first color of a wire is the main color. Download more free seadoo manuals now.

Observations on Sea Doo Gauges Similarities

Observations on Sea Doo Gauges Similarities

MPEM Conversion Kit for 1995/1996/1997 Speedster If you have a 1994 Speedster wiring diagram that would help speed kit development along too! With this mpem set, your engines will be separated so if you ever have a problem where one mpem fries, you still can get back to shore using the other engine. Also with this a bad mpem can easily be removed and a replacement can be installed.

CDI MPEM Ignition Sea Doo 580 587 278000070 278000200 ...

CDI MPEM Ignition Sea Doo 580 587 278000070 278000200 ...

Seadoo Mpem Wiring Diagram Feb 11, 2018 · CDI MPEM Box Ignition Module Sea Doo SP SPI SPX GTS GTX XP 92 93 Our diagrams are verified for accuracy against SeaDoo's OEM shop manual wiring diagrams for every model and year this MPEM diagramweb.net Rating: % positive. Expert SeaDoo MPEM sales, testing, repair, Dess lanyard key programming.

SEADOO MPEM Electornic Control Module XP GTX HX SPX Explorer ...

SEADOO MPEM Electornic Control Module XP GTX HX SPX Explorer ...

Seadoo Cdi Mpem 1994 Sp Spx Spi Gtx Gts Xp 278000413 ... New Aftermarket CDI MPEM OEM quality aftermarket replacement part Compatible with Seadoo Direct Plug-in unit Includes: Wiring diagram Exact item is pictured Quantity: 1 Replaces the following Part Numbers:278000413278000070 (obsolete)278000262 (obsolete supersedes to 278000070)278000200 (obsolete supersedes to 278000070) Brand: JSP ...

Victron Cyrix anstatt Original Trennrelais - Wohnmobilaufbau ...

Victron Cyrix anstatt Original Trennrelais - Wohnmobilaufbau ...

MPEM Ignition Module Reference - SeaDooSource MPEM Ref & Prog. MPEM Test Info My Opinion on Oil… Part Numbers List Rotax Case ID Rotax Engine Info Sea Doo Models 1988-2010 Sea Doo Paint Codes Seat Reference Chart SD Spark Plug Info 029/358 VTS Module Test Water Flooded 2 Stroke Wear Ring Removal. Technical Info. Sea Doo Tool Rental! . Sea Doo Tips. To avoid expensive ...

1992-1994 MPEM GTX Sea Doo

1992-1994 MPEM GTX Sea Doo

Igors Erbe - Punktschweißgerät - Fingers elektrische Welt

Igors Erbe - Punktschweißgerät - Fingers elektrische Welt

Steuergeräte, Jetski kaufen | eBay Kleinanzeigen

Steuergeräte, Jetski kaufen | eBay Kleinanzeigen

MPEM Conversion Kit for 1995/1996/1997 Speedster

MPEM Conversion Kit for 1995/1996/1997 Speedster

Yamaha Enduro 100 [ LT2 ] [ LT3 ] Enduro Motorcycle Wiring ...

Yamaha Enduro 100 [ LT2 ] [ LT3 ] Enduro Motorcycle Wiring ...

PWC CDI Box MPEM Sea-Doo 1995 GTS SP SPI 587 GTX SPX 657 278000423 WCP  116-0423

PWC CDI Box MPEM Sea-Doo 1995 GTS SP SPI 587 GTX SPX 657 278000423 WCP 116-0423

MPEM Conversion Kit for 1995/1996/1997 Speedster

MPEM Conversion Kit for 1995/1996/1997 Speedster

1997 vs 1996 mpem | Sea-Doo Forum

1997 vs 1996 mpem | Sea-Doo Forum

OSD Sea Doo MPEM #4 - SPX GTS GTI GTX HX EXPLORER [OSD4604 ...

OSD Sea Doo MPEM #4 - SPX GTS GTI GTX HX EXPLORER [OSD4604 ...

Bombardier 2003 Quest 500 4x4 Service Manual

Bombardier 2003 Quest 500 4x4 Service Manual

Wold Class Wraps for custom pwc seadoo XP graphics.

Wold Class Wraps for custom pwc seadoo XP graphics.

New OEM MPEMs for Sea Doo PWC & Boats

New OEM MPEMs for Sea Doo PWC & Boats

Sea Doo 580 587 MPEM CDI Box 278000070 278000200 278000262 ...

Sea Doo 580 587 MPEM CDI Box 278000070 278000200 278000262 ...

1995 Speedster Wiring Diagram | Sea-Doo Forum

1995 Speedster Wiring Diagram | Sea-Doo Forum

1997 vs 1996 mpem | Sea-Doo Forum

1997 vs 1996 mpem | Sea-Doo Forum

92 SEADOO XP 587 Electronic Module MPEM ECU CDI 278000200 for ...

92 SEADOO XP 587 Electronic Module MPEM ECU CDI 278000200 for ...

Buy SeaDoo MPEM CDI Ignition Unit 717 720 1995 1996 GTI GTS ...

Buy SeaDoo MPEM CDI Ignition Unit 717 720 1995 1996 GTI GTS ...

94 XP wiring Question (Lanyard and Start/stop) - Page 2

94 XP wiring Question (Lanyard and Start/stop) - Page 2

New After Market Seadoo Mpem 278000474 278000423 278001135 ...

New After Market Seadoo Mpem 278000474 278000423 278001135 ...

278002043 Sea-Doo Program. Module (mpem) - AdeptPowersports

278002043 Sea-Doo Program. Module (mpem) - AdeptPowersports

SEADOO CDI MPEM 580 620 720 SP SPI GTS XP HX SPX 278001135 278000474  278000423

SEADOO CDI MPEM 580 620 720 SP SPI GTS XP HX SPX 278001135 278000474 278000423

I purchased a 1994 Seadoo GTX from a guy for real cheap. It ...

I purchased a 1994 Seadoo GTX from a guy for real cheap. It ...

Seadoo solenoid trouble shoot and replacement

Seadoo solenoid trouble shoot and replacement

BRP Sea-Doo GTX 4-TEC SC, LTD SC, WE, RXP 4-TEC SC ...

BRP Sea-Doo GTX 4-TEC SC, LTD SC, WE, RXP 4-TEC SC ...

OEM SeaDoo MPEM 717 720 1995 1996 GTI GTS XP 278-000-423 278000474 278000821

OEM SeaDoo MPEM 717 720 1995 1996 GTI GTS XP 278-000-423 278000474 278000821

Regie 528 CEV528 Radio Braun; Frankfurt, build 1977/1978, 10 ...

Regie 528 CEV528 Radio Braun; Frankfurt, build 1977/1978, 10 ...

0 Response to "36 seadoo mpem wiring diagram"

Post a Comment

Iklan Atas Artikel

Iklan Tengah Artikel 1

Iklan Tengah Artikel 2

Iklan Bawah Artikel