45 john deere chainsaw parts diagram

John Deere Parts Catalog Find your genuine John Deere OEM parts here. John Deere parts lookup tool and diagram is an incredible online source. It is a complete catalog that shows you detailed parts diagrams of every part of your machine. This online parts catalog is robust and easy to use. Searching for your John Deere parts online has never been easier. John Deere CS40 Chainsaw Parts- Suitable Replacement Parts - Lil' Red Barn We offer 27 subcategories of suitable replacement John Deere CS40 parts so you are sure to find just what you need to fix your chain saw and get back to cutting wood fast. Nothing is worse than ordering a part online, waiting for it to get to you, and then finding out that you ordered the wrong part.

John Deere Chainsaw, Review & Manual **2022 - Pro Chainsaws John Deere's chain saw parts a wide range of lawnmowers, and the John Deere chainsaw parts diagram, are no exception. For example, the chainsaw motor on a John Deere lawnmower is usually only made a few months before it is needed. This means that when you go to your local dealership.

John deere chainsaw parts diagram

John deere chainsaw parts diagram

9+ john deere cs62 chainsaw parts most standard 1.John Deere CS62 Chain Saw Maintenance Guide & Parts List. Author: greenfarmparts.com. Publish: 19 days ago. Rating: 4 (1685 Rating) Highest rating: 4. Lowest rating: 3. Descriptions: John Deere CS62 Maintenance Guide identifies service schedule parts, maintenance intervals & common John Deere parts for this model. John deere z445 fuse box diagram - etmenc.mutations-online.info John deere z465 mowing belt diagram part 2 duration. Notethere is an adjustment to be made on the idler pulley which is directly. John deere transmission belt m160571 for z225 z425 and z445 series note please see product description section below and order accordingly based on model number serial number breaks engine models and deck sizes where. John Deere Chainsaw Parts for sale | eBay Vintage John Deere Model 81 Chainsaw Parts: Fuel And Chain Oil Caps. $10.29. $2.95 shipping. or Best Offer. SPONSORED. John Deere 3/8 .058 20" 72 Drive Links Saw Chain Fits Husqvarna Stihl Jonsred . $15.49. Free shipping. SPONSORED. Genuine John Deere PT9873 Handle fits chainsaw NOS OEM FREE SHIPPING.

John deere chainsaw parts diagram. John Deere Parts | Parts & Services | John Deere US Remanufactured Parts & Components All Makes Parts Maintenance Parts Oil, Filters, Grease and Coolants Protect your most valuable assets with Genuine John Deere oil, filters, grease, and coolants that give you the John Deere quality & standards that you expect. Check out our suggested Oil Change, Filter & Service Intervals Batteries John Deere Chainsaw Parts USED John Deere 230CS Chainsaw Crankcase & Tanks Assembly UP06754 U1615. $29.99. USED John Deere 230CS Chainsaw Short Block Engine Assembly UP03853, A-08672 U1616. $29.99. USED John Deere 230CS Chainsaw Chain Brake Band & Tension Spring U1617. $5.99. USED John Deere 200CS Chainsaw Drivecase Cover UP04553 U1619. Stihl MS 211 Chainsaw (MS211C) Parts Diagram - DIY Spare Parts Select a page from the Stihl MS 211 Chainsaw (MS211C) exploaded view parts diagram to find and buy spares for this machine. ego chainsaw manual 25 Walbro Carb Parts - cuvoj.same-as.info ego chainsaw manual 25 Walbro Carb Parts Diagram-Wiring Database 2020. 10 Pictures about 25 Walbro Carb Parts Diagram-Wiring Database 2020 : EGO 56V Cordless Chainsaw Review | Pro Tool Reviews, EGO Power+ 20-Inch 56-Volt Lithium-ion Cordless Lawn Mower Review 2020 and also Buyers CB200PB 200 Amp Circuit Breaker, Manual Reset ($28.80). Position the new safety switch on the engine and secure it ...

John Deere Gator Parts Diagram in Detail for Troubleshooting! 7. Seat Handle. In the John Deere Gator, the front 2 seats contain two-seat handles on each side. It helps a lot to get a good grip when riding in bumpy terrain. 8. Roll Bar Tube. To keep the vehicle in a stable state when making tight turns, this part supports a lot thanks to the solid tubing. 9. Stihl MS 391 Chainsaw (MS391) Parts Diagram - DIY Spare Parts Select a page from the Stihl MS 391 Chainsaw (MS391) exploaded view parts diagram to find and buy spares for this machine. +44 (0)1747 823039. Categories; Brands; John Deere Chainsaw Parts - Discount Online Parts | Page 2 Fits John Deere Chainsaws. DOP72LGX060GJD Loop-Saw Chain. 72 Series Super Guard® Chisel Chain. 3/8" Pitch .050 Gauge 60 Drive Links. Fits John Deere model 65, 65EV, 65SV, 66SV, 70V, 800V, 80EV, CS71, CS81 Chain Saws. $26.26 $14.06: Loop-Saw Chain. 72 Series Super Guard® Chisel Chain. 3/8" Pitch .050 Gauge 64 Drive Links. Fits John Deere ... Stihl MS 211 Chainsaw (MS211C) Parts Diagram, Handle Frame View Stihl MS 211 Chainsaw (MS211C) Parts Diagram , Handle Frame to easily locate and buy the spares that fit this machine. +44 (0)1747 823039. Categories; Brands;

John Deere Chainsaw Parts at Jack's - Jacks Small Engines Find all the John Deere Chainsaw Parts and Accessories you need, with fast shipping and low prices! ... See: Ariens exploded parts diagrams. We sell parts & accessories for your Briggs & Stratton equipment. We also carry New Briggs & Stratton Engines! John Deere 28, 30, 50V, 60V, 70V, 80EV, 40V, and 55V Chain Saw - Parts ... Product Description This is the complete parts catalog for the John Deere 30, 50V, 60V, 70V, 80EV, 40V, 28, and 55V chain saw. This parts book contains exploded parts views and product codes for every component of the chain saw. An absolute must if you are rebuilding, taking apart, or purchasing a part for your JD chainsaw. John Deere CS62 Chain Saw Maintenance Guide & Parts List - Green Farm Parts These are the parts on your John Deere CS62 Chain Saw & Parts List that need to be regularly serviced. Part Hour Interval Price Commonly Used Parts Outside of the schedule service intervals, you may need a part for a quick repair. ARIMain - WEINGARTZ John Deere Parts Lookup -John Deere-CS36, CS36LE, CS40, CS40LE, CS46, CS52, CS56, CS62, CS71 & CS81 CHAIN SAWS -PC2847 ARIMain - WEINGARTZ 855-669-7278

John Deere Parts Lookup Tool • John Deere Parts Catalog • OEM ...

John Deere Parts Lookup Tool • John Deere Parts Catalog • OEM ...

ARIMain - WEINGARTZ John Deere Parts Lookup -John Deere-65EV CHAIN SAW -PC1881. 855-669-7278 ... John Deere - 65EV CHAIN SAW -PC1881 : 25EV CHAIN SAW AIR CLEANER: 25EV CHAIN SAW ... Parts Diagrams Parts By Type Service Certified Pre-Owned Delivery Used Equipment Model Look Up ...

Kohler CV12.5-1249 JOHN DEERE 12.5 HP Parts Diagram for Fuel ...

Kohler CV12.5-1249 JOHN DEERE 12.5 HP Parts Diagram for Fuel ...

John Deere Spare Parts Online - All Mower Spares All Mower Spares stock a wide range of products from John Deere. Click here to see our full range. Australian owned & operated. The Australian and New Zealand Distribution Centre (ANZDC) is an integral part of the worldwide parts distribution network of John Deere and is mainly and essentially responsible for supporting the vast network of distributors of agricultural, building, turf, forestry ...

How to Do a Tune Up on a Stihl 021 023 025 Chainsaw - YouTube

How to Do a Tune Up on a Stihl 021 023 025 Chainsaw - YouTube

John Deere Chainsaw Parts - Discount Online Parts | Page 3 16" .325" Pitch .050 Gauge Power Match Chain saw Bar fits John Deere Chainsaws. Replaceable sprocket nose. Fits John Deere model CS46, CS52, CS56, CS62 Chainsaws. $68.48 $47.95: 16" 3/8" Pitch .043 Gauge Micro-Lite Chainsaw Bar fits John Deere Chainsaws. DOP164MLEA041JD 16" 3/8" Pitch .043 Gauge Micro-Lite Chain saw Bar fits John Deere Chainsaws.

Murray 7800575 - LP7800575 - JS36, 22

Murray 7800575 - LP7800575 - JS36, 22" John Deere RWD Walk ...

John Deere Parts Lookup by Model - Jacks Small Engines Parts lookup for John Deere power equipment is simpler than ever. Enter your model number in the search box above or just choose from the list below. How to FIND Your John Deere Model Number > John Deere Parts Diagrams Harvester Applicator Baler Bunker Rake Cane Harvester CANE LOADER Combine Commercial Mower Compact Loader Compact Tractor Compactor

Hipa Fuel Pump for LA110 LA115 LA145 LA105 LA120 LA125 LA130 LA135 LA140  LA150 LA155 LA165 LA175 Lawn Mower w Fuel Filter Tune Up Kit

Hipa Fuel Pump for LA110 LA115 LA145 LA105 LA120 LA125 LA130 LA135 LA140 LA150 LA155 LA165 LA175 Lawn Mower w Fuel Filter Tune Up Kit

Stihl MS 250 Chainsaw (MS250 C) Parts Diagram - DIY Spare Parts Select a page from the Stihl MS 250 Chainsaw (MS250 C) exploaded view parts diagram to find and buy spares for this machine.

Echo CS-301 Chain Saw Handle Parts Diagram | Lawnmower Pros

Echo CS-301 Chain Saw Handle Parts Diagram | Lawnmower Pros

john deere 60v chainsaw for sale: Search Result | eBay 20" Bar & 2x Chains for John Deere 50AV 51SV 55EV 60V, 200VXLHD176/ 72EXL070G (2) Brand New. $109.94. Save up to 5% when you buy more. Buy It Now. Free shipping.

John Deere 66SV (Echo 610) - Chainsaw Collectors.se

John Deere 66SV (Echo 610) - Chainsaw Collectors.se

10+ john deere j3816 chainsaw parts most standard Lowest rating: 1. Descriptions: John Deere SAW, CHAIN J3816 Chain Saw -PC9170 spare parts (up04239, up04090, up04188, up06602, up06732) shipping to Tajikistan from $42.57, New Caledonia …. More : John Deere SAW, CHAIN J3816 Chain Saw -PC9170 spare parts (up04239, up04090, up04188, up06602, up06732) shipping to Tajikistan from $42.57, New ...

John Deere X475 Garden Tractor -PC9110 HOOD & GRILLE: Wheels ...

John Deere X475 Garden Tractor -PC9110 HOOD & GRILLE: Wheels ...

Manuals and Training | Parts & Service | John Deere US Customer Service ADVISOR™. A digital database of Operator, Diagnostic, and Technical manuals for John Deere Products. This subscription allows users to connect to machines with an Electronic Data Link (EDL) to clear and refresh codes, take diagnostic readings, and perform limited calibrations. See Your Dealer for Details Submit a Request.

John Deere Parts | Parts & Services | John Deere US

John Deere Parts | Parts & Services | John Deere US

9400t john deere - SuperProdukty.eu Feb 15, 2022 · The John Deere 9400 is a 4WD four-wheel drive tractor from the 9000 series. This tractor was manufactured by John Deere in Waterloo, Iowa, USA from 1997 to 2001. The John Deere 9400 is equipped with a 12.5 L (765.0 cu·in) six-cylinder diesel engine and one of three transmissions: a partially synchronized transmission with 12 forward and 3 reverse gears, a partial power shift transmission with.

John Deere Chainsaw Parts for sale | eBay

John Deere Chainsaw Parts for sale | eBay

Stihl MS 290 Chainsaw (MS290) Parts Diagram - DIY Spare Parts Select a page from the Stihl MS 290 Chainsaw diagram to view the parts list and exploded view diagram. All parts that fit a MS 290 Chainsaw . Pages in this diagram. Cylinder MS 290. Engine housing. Oil pump - Clutch. Chain brake - Muffler. Ignition system. Fan housing with rewind starter. Handle housing.

John Deere PC-1353 Electric Chainsaw No 7 Parts Catalog ...

John Deere PC-1353 Electric Chainsaw No 7 Parts Catalog ...

Homelite Chainsaw | UT10945 | eReplacementParts.com Browse all Parts Starter - Ignition Muffler Engine Internal - Oil Pump Carburetor - Air Filter Engine Housing - Fuel Tank - Oil Tank Clutch - Chain Brake - Drive Case Cover Handles Previous Showing All Parts Starter - Ignition Hotspots Fig # 1 Starter Kit Obsolete - Not Available Part Number:UP07873A Discontinued 2 Spring & Container

John Deere Chainsaw Parts for sale | eBay

John Deere Chainsaw Parts for sale | eBay

John Deere | Chainsawr john deere 60v chainsaw clutch cover $25.00 USD Ready to ship John Deere 50V & Echo CS 452 vl Chainsaw Flywheel & Starter Pawls $9.95 USD Ready to ship (2 in stock) Echo John Deere 602VL + Chainsaw Clutch Rim Sprocket Drum New (Sprocket Box F) $19.95 USD Sold Out! John Deere 55sva Chainsaw Throttle Trigger $7.00 USD Sold Out!

Fuel Pump Fuel Filter For John Deere L105 107 108 111 118 120 130 LA105  LA115 Fuel Pump Fuel Filter Clamp

Fuel Pump Fuel Filter For John Deere L105 107 108 111 118 120 130 LA105 LA115 Fuel Pump Fuel Filter Clamp

John Deere 60V Chainsaw Parts- Suitable Replacement Parts - Lil' Red Barn Page of 1 20" BAR & CHAIN COMBO, 3/8", 70DL, NEW Suitable 20" Replacement Bar And Chain. Our Price: $49.95 We offer 27 subcategories of suitable replacement John Deere 60V parts so you are sure to find just what you need to fix your chain saw and get back to cutting wood fast.

John Deere 80EV CHAIN SAW -PC1598 IGNITION SYSTEM: SAW,CHAIN ...

John Deere 80EV CHAIN SAW -PC1598 IGNITION SYSTEM: SAW,CHAIN ...

John Deere | Chainsawr echo cs-351vl and john deere 40v chainsaw top handle bar Part: top front handlebar 351 606-1053 1, 35160610531 Condition: good used/working shape Fits: Echo CS 351 vl and John Deere 40 v View $9.95 Sold Out!

Homelite 8800 (UT-10731-A) - Homelite Chainsaw Chain Brake ...

Homelite 8800 (UT-10731-A) - Homelite Chainsaw Chain Brake ...

Read Now: John Deere Bagger Parts Diagram+ Experts Explanation! 1 Explanation Of John Deere Bagger Parts Diagram! 2 John Deere Bagger Parts List. 2.1 A Stand For Chute. 2.2 B Stand For Bags and Hangers. 2.3 C Stand For Hopper Top.

3-Pack 16-Inch Chainsaw Chain Replacement for John Deere 50V ...

3-Pack 16-Inch Chainsaw Chain Replacement for John Deere 50V ...

John Deere Parts Lookup - GreenPartStore Use the John Deere online Parts Catalog below where you will have full access to all John Deere parts breakdowns for most every machine John Deere has manufactured. Find your John Deere part numbers and enter them in our search box above. It's that easy.

John Deere CS56 Chain Saw Maintenance Guide & Parts List

John Deere CS56 Chain Saw Maintenance Guide & Parts List

John Deere Chainsaw Product Support | ManualsOnline.com Automobile Parts Manuals; Camper Manuals; Offroad Vehicle Manuals; Utility Trailer Manuals; Show All > Top Automotive Brands; Audiovox Manuals; Chevrolet Manuals; ... John Deere Chainsaw 28-inch UT10921. 1 Solutions. how to adjust chain oiler. John Deere Chainsaw jd3816. 0 Solutions. sharpening anles. John Deere Chainsaw cs52.

Homelite UT10945 John Deere Chain Saw | Partswarehouse

Homelite UT10945 John Deere Chain Saw | Partswarehouse

John Deere Parts Catalog Find parts & diagrams for your John Deere equipment. Search our parts catalog, order parts online or contact your John Deere dealer. Equipment Finance Parts & Service . menu. Back. Equipment ; Finance ; Parts & Service ; Purchase from. Select Your Dealer Shows pricing and availability. add. searchNew Parts Search . help_outline. settings. 0.

John Deere 200CS, 230CS, 300CS, 350CS, 550CS CHAIN SAWS 550CS ...

John Deere 200CS, 230CS, 300CS, 350CS, 550CS CHAIN SAWS 550CS ...

John Deere Chainsaw Parts for sale | eBay Vintage John Deere Model 81 Chainsaw Parts: Fuel And Chain Oil Caps. $10.29. $2.95 shipping. or Best Offer. SPONSORED. John Deere 3/8 .058 20" 72 Drive Links Saw Chain Fits Husqvarna Stihl Jonsred . $15.49. Free shipping. SPONSORED. Genuine John Deere PT9873 Handle fits chainsaw NOS OEM FREE SHIPPING.

John Deere Original Equipment V-Belt GX25628 + Free Shipping

John Deere Original Equipment V-Belt GX25628 + Free Shipping

John deere z445 fuse box diagram - etmenc.mutations-online.info John deere z465 mowing belt diagram part 2 duration. Notethere is an adjustment to be made on the idler pulley which is directly. John deere transmission belt m160571 for z225 z425 and z445 series note please see product description section below and order accordingly based on model number serial number breaks engine models and deck sizes where.

John Deere 790 clutch return spring/parts diagram | Green ...

John Deere 790 clutch return spring/parts diagram | Green ...

9+ john deere cs62 chainsaw parts most standard 1.John Deere CS62 Chain Saw Maintenance Guide & Parts List. Author: greenfarmparts.com. Publish: 19 days ago. Rating: 4 (1685 Rating) Highest rating: 4. Lowest rating: 3. Descriptions: John Deere CS62 Maintenance Guide identifies service schedule parts, maintenance intervals & common John Deere parts for this model.

John Deere Mower Deck and Lift Linkage Mower Deck Lift Linkage

John Deere Mower Deck and Lift Linkage Mower Deck Lift Linkage

CARBURETOR CARB FOR JOHN DEERE AM132076 MIA10568 AUC15287

CARBURETOR CARB FOR JOHN DEERE AM132076 MIA10568 AUC15287

Stihl MS 241 Chainsaw (MS241 CM2-Mix) Parts Diagram, Crankcase

Stihl MS 241 Chainsaw (MS241 CM2-Mix) Parts Diagram, Crankcase

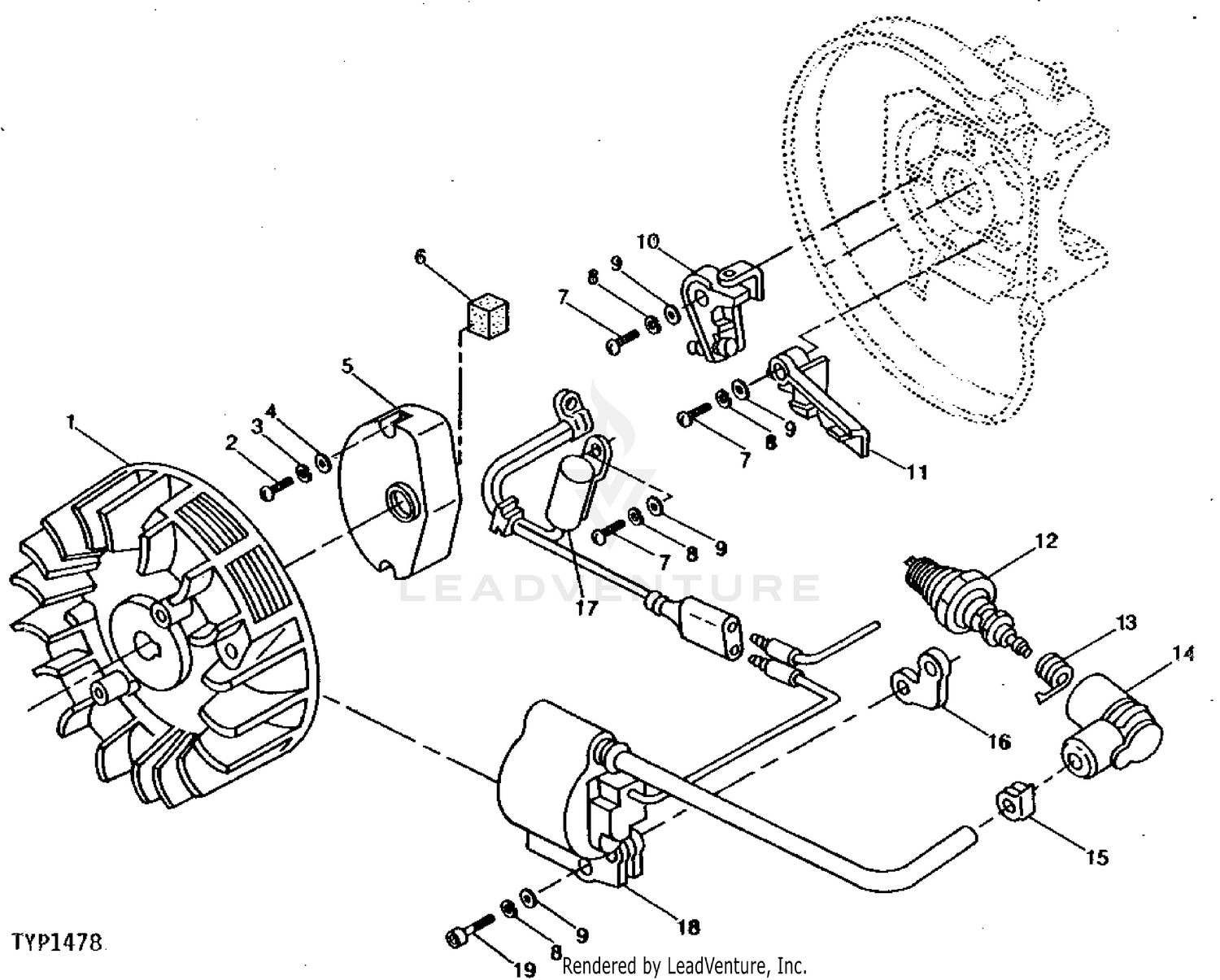
Stihl 015 Chainsaw (015AVQ) Parts Diagram, Ignition

Stihl 015 Chainsaw (015AVQ) Parts Diagram, Ignition

Kohler CV460-26511 JOHN DEERE 16 HP (11.9 kW) Parts Diagram ...

Kohler CV460-26511 JOHN DEERE 16 HP (11.9 kW) Parts Diagram ...

John Deere 2510 Parts

John Deere 2510 Parts

Stihl 024 Chainsaw (024WB) Parts Diagram, Tank Housing

Stihl 024 Chainsaw (024WB) Parts Diagram, Tank Housing

John Deere 66SV (Echo 610) - Chainsaw Collectors.se

John Deere 66SV (Echo 610) - Chainsaw Collectors.se

Kohler CV730-0020 JOHN DEERE 23.5 HP (17.5 kW) Parts Diagram ...

Kohler CV730-0020 JOHN DEERE 23.5 HP (17.5 kW) Parts Diagram ...

ECHO CS-370 Chainsaw Parts Diagram SN C08911001001-C08911999999

ECHO CS-370 Chainsaw Parts Diagram SN C08911001001-C08911999999

Efco 970, 971, 980, 981, MT-7200, MT-8200 Throttle Lever (Fig ...

Efco 970, 971, 980, 981, MT-7200, MT-8200 Throttle Lever (Fig ...

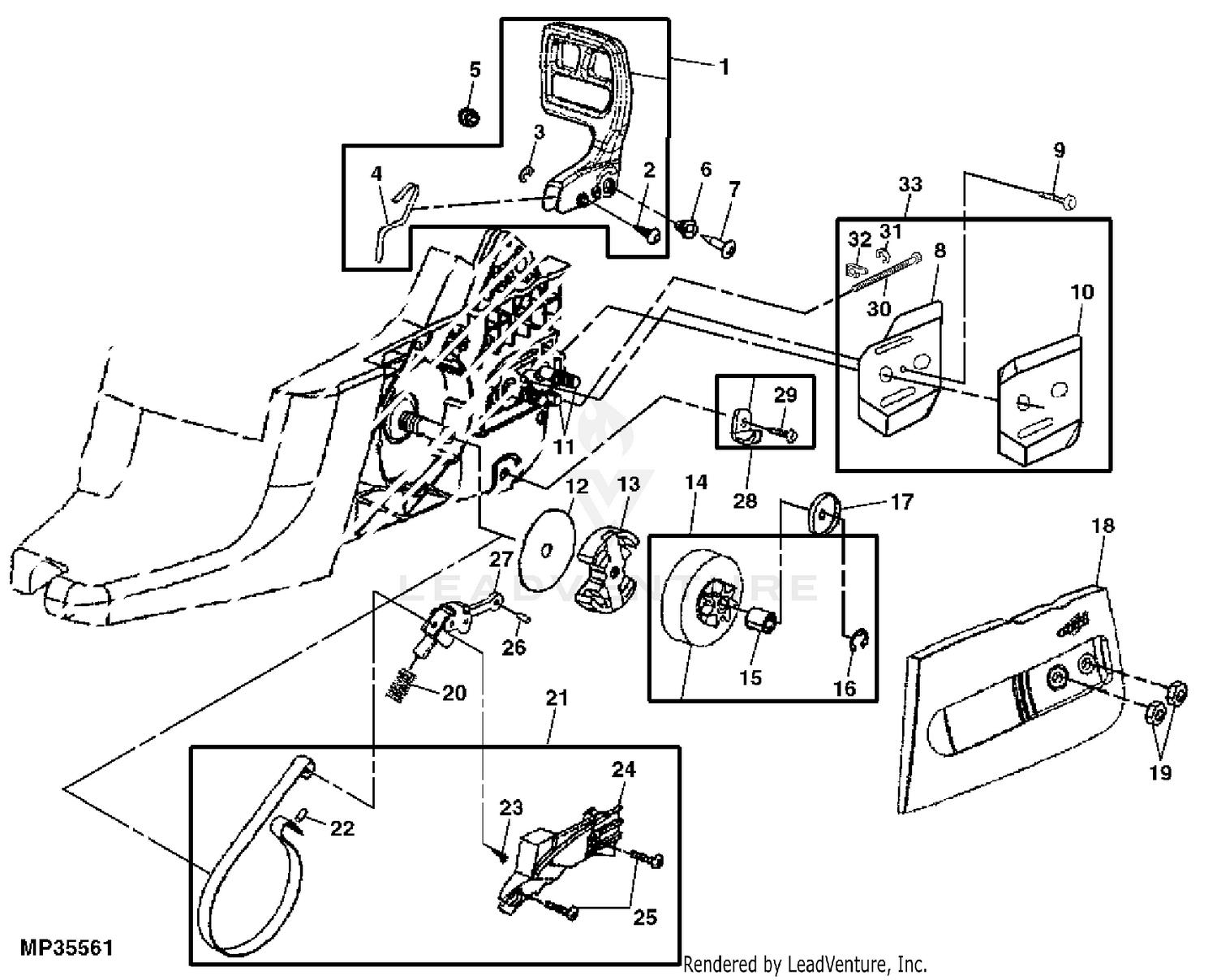
CS - SAW, CHAIN CHAIN BRAKE AND CLUTCH EPC John Deere PS03815 ...

CS - SAW, CHAIN CHAIN BRAKE AND CLUTCH EPC John Deere PS03815 ...

John Deere CS36, CS36LE, CS40, CS40LE, CS46, CS52, CS56, CS62 ...

John Deere CS36, CS36LE, CS40, CS40LE, CS46, CS52, CS56, CS62 ...

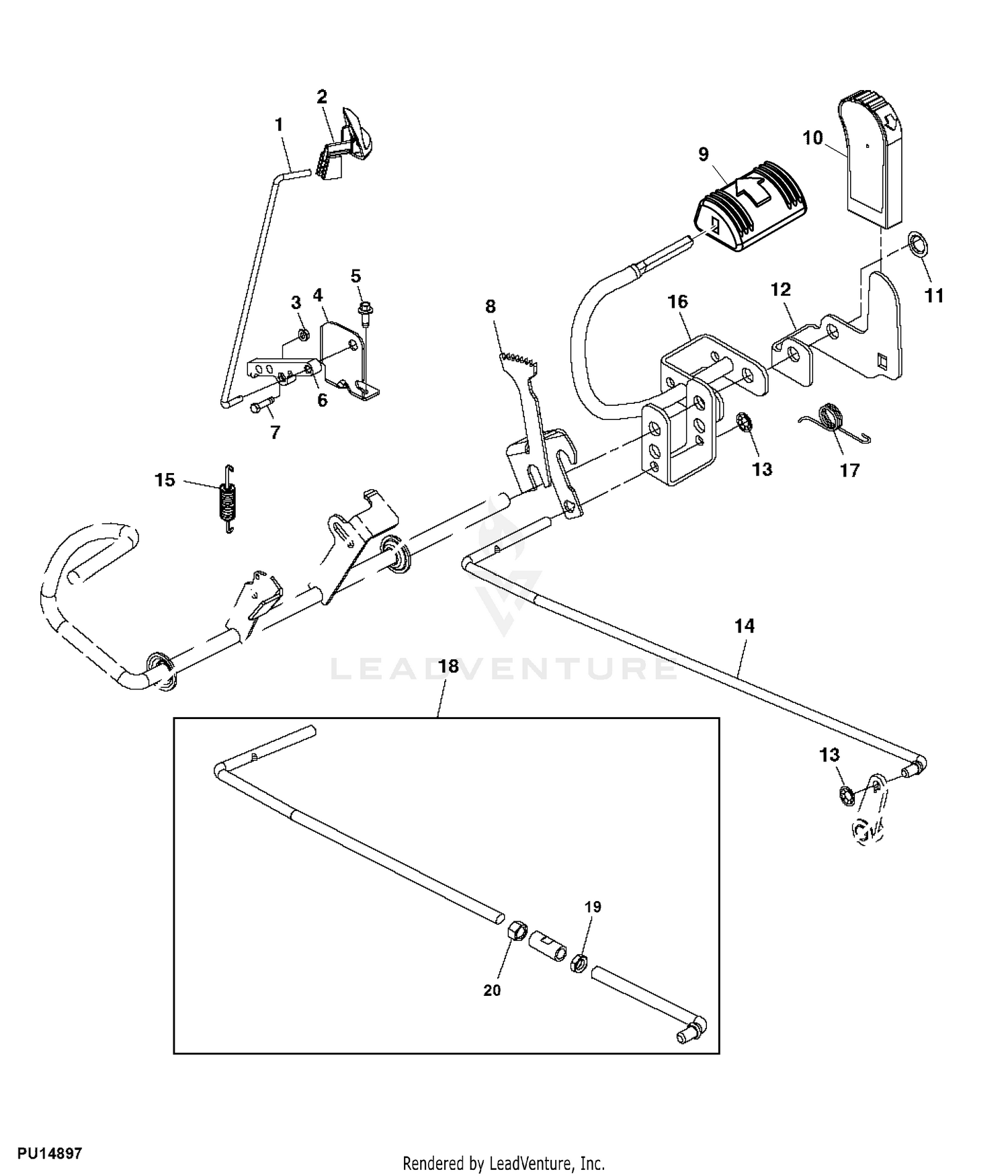
John Deere STEERING AND BRAKES Forward and Reverse Pedal Linkage

John Deere STEERING AND BRAKES Forward and Reverse Pedal Linkage

Briggs and Stratton Power Products 030419-0 - 6,200 Watt John ...

Briggs and Stratton Power Products 030419-0 - 6,200 Watt John ...

John Deere JS 61 21-IN, Walk-Behind Rotary Mowers (Steel Deck ...

John Deere JS 61 21-IN, Walk-Behind Rotary Mowers (Steel Deck ...

Tecumseh H70-130158A Parts Diagram for Engine Parts List #1

Tecumseh H70-130158A Parts Diagram for Engine Parts List #1

6-Pack 16-Inch Chainsaw Chain Replacement for John Deere 65 ...

6-Pack 16-Inch Chainsaw Chain Replacement for John Deere 65 ...

Echo CS-320T Chainsaw (CS320T) Parts Diagram, Page 2

Echo CS-320T Chainsaw (CS320T) Parts Diagram, Page 2

John Deere 2510 Parts

John Deere 2510 Parts

John Deere J3816 Chain Saw -PC9170 CHAIN BRAKE & CLUTCH: J3816

John Deere J3816 Chain Saw -PC9170 CHAIN BRAKE & CLUTCH: J3816

X730 Owner Information | Parts & Service | John Deere US

X730 Owner Information | Parts & Service | John Deere US

Tuff Torque Hydrostatic Drive Parts Diagrams Now Available ...

Tuff Torque Hydrostatic Drive Parts Diagrams Now Available ...

ECHO CS-352 Chainsaw Parts Diagram SN C19711001001-C19711999999

ECHO CS-352 Chainsaw Parts Diagram SN C19711001001-C19711999999

0 Response to "45 john deere chainsaw parts diagram"

Post a Comment

Iklan Atas Artikel

Iklan Tengah Artikel 1

Iklan Tengah Artikel 2

Iklan Bawah Artikel