43 kenmore dryer parts diagram

Kenmore Diagram Parts - AppliancePartsPros.com Dryer Manual for Whirlpool Gas An... ( 1) Covered brands include Whirlpool, Sears, Kenmore, Kitchen Aid, Roper, and Estate. Easy to follow photographs and step-by-step repair procedures. MFG Number 677818L Out of Stock Usually ships within 4 - 14 days Quantity Add to Cart Instructions`lp Kit ( 1) Instructions only MFG Number 316248105 Out of Stock Kenmore dryer parts | Sears PartsDirect Kenmore dryer parts - manufacturer-approved parts for a proper fit every time! We also have installation guides, diagrams and manuals to help you along the way! ... parts—from lint screens, dryer door parts and felt seals to belts, heating elements and exhaust vents. Sears has Kenmore electric dryer parts and gas dryer parts to fit 600 and ...

Official Kenmore Parts | Order Today, Ships Today | PartSelect This part replaces your appliances latch (Door Latch Kit, Door Catch, Dryer Door Latch Kit). On your appliance you will find both a strike and a catch. The strike is mounted on the body of the dryer, while the catch is mounted on the dryer door. These two parts work together to keep your dryer door closed.

Kenmore dryer parts diagram

Kenmore dryer parts diagram

Full Kenmore 90 Series Dryer Diagram - icasmt.com Schemes, Diagrams, Wiring Diagram Online Kenmore 90 Series Dryer Diagram We offer free Kenmore dryer troubleshooting and repair manuals. Fix your machine quickly and easily without having to pay for expensive service technicians. 70 series dryer fuse box - dryer thermal fuse thermal fuse dryer high mit thermostat cyc ng thermostat kit patible with. Parts for KENMORE SERIES 80 DRYER - AppliancePartsPros.com This product is an idler arm assembly or dryer idler pulley. This part is a replacement piece for a dryer or washer-dryer combo. This part works in combination with the dryer drum belt to help the dryer... more. Our Price. $47.80. Compare At. $57.36. Kenmore 90 series dryer parts diagram by jklasdf64 - Issuu The following KENMORE 90 SERIES DRYER PARTS DIAGRAM Pdf document begin with Introduction, Brief Discussion until the Index/Glossary page, see the table of content for additional information, if ...

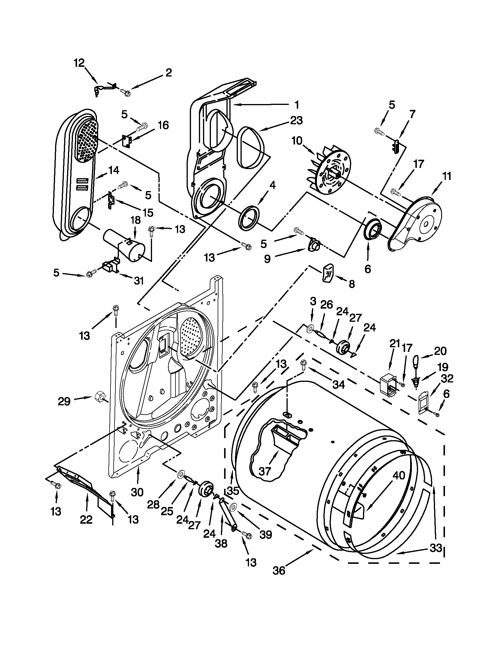
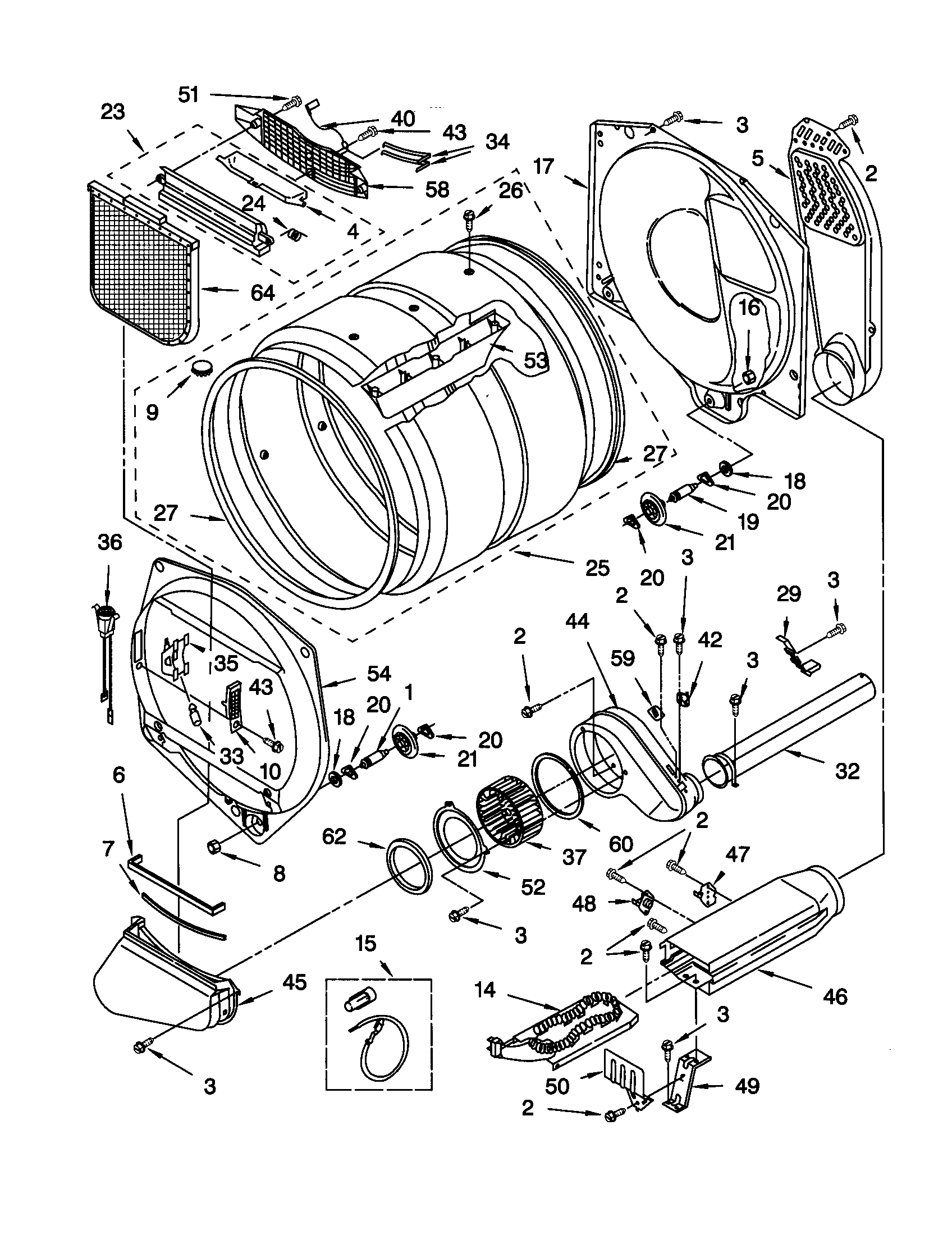
Kenmore dryer parts diagram. Electric Dryers | Kenmore Kenmore Elite 61632 9.2 cu. ft. Electric Dryer with SmartDry Ultra -... Kenmore 65232 7.0 cu. ft. Electric Dryer with Steam Refresh - White Kenmore 65212 5.9 cu. ft. Electric Dryer w/ Flat Back Long Vent - White Kenmore 60372 27" 7.4 cu. ft. Electric Dryer with Glass Hamper Door - White Kenmore 61112 7.4 cu. ft. Electric Dryer - White 41781122310 Kenmore Dryer Parts & Free Repair Help - AppliancePartsPros Kenmore Dryer 417.81122310 (41781122310, 417 81122310) Repair Parts. The best way to find parts for Kenmore / Sears dryer model 417.81122310 (41781122310, 417 81122310) is by clicking one of the diagrams below. You can also browse the most common parts for Kenmore / Sears dryer model 417.81122310. Not sure what part you need? Kenmore Dryer Parts | Kenmore Parts - Easy Appliance Parts Kenmore Dryer Parts Shop By Appliance Type Multi Rib Belt - 92-1/4" (33) Part Number: 341241 This dryer drum belt has four ridges, three grooves, 1/4-inch wide and 92 1/4-inch long. The belt helps rotate the drum. If the drum does not rotate and you can still hear the motor running, the belt may have broken and will need to be replaced. 11061202013 Kenmore Dryer Parts & Free Repair Help - AppliancePartsPros The best way to find parts for Kenmore / Sears dryer model 110.61202013 (11061202013, 110 61202013) is by clicking one of the diagrams below. You can also browse the most common parts for Kenmore / Sears dryer model 110.61202013.

Refrigerator Repair Help - Repair Clinic Start Right Here Find appliance parts, lawn & garden equipment parts, heating & cooling parts and more from the top brands in the industry here. Click on Shop Parts, or select the kind of product you're working with on the left and we'll help you find the right part. SHOP PARTS PPIC Statewide Survey: Californians and Their Government Oct 27, 2022 · Key Findings. California voters have now received their mail ballots, and the November 8 general election has entered its final stage. Amid rising prices and economic uncertainty—as well as deep partisan divisions over social and political issues—Californians are processing a great deal of information to help them choose state constitutional officers and state legislators and to make ... kenmore he3 dryer parts diagram Kenmore 400 washer cabinet removal. kenmore he3 dryer parts diagram.Kenmore elite parts diagram washer whirlpool tub he3 110 washing machine basket quiet smart plastic pak searspartsdirect sears smartwash door Whirlpool duet diagram washer dryer wiring load parts schematic wire yw 1127 Kenmore dryer wiring diagram heating element Kenmore he3 he3t fuse duet searspartsdirect bulkhead pak pldm ... Washer & Dryer Parts | Kenmore Kenmore 4" Round to Oval Fitting Kenmore 59027 5' Stainless-Steel Washing Machine Hose - 2 Pack Kenmore 59025 5' Rubber Universal Washing Machine Hose - 2 Pack Kenmore 58021 Universal Fit 3 Ft. Gas Dryer and Water Heater Connector Kenmore 57001 4-Prong 6' Round Dryer Cord - Black Laundry Pedestals

Kenmore / Sears Dryer Parts - AppliancePartsPros.com Size: Length 92-1/4", Width 1/4". 4 rib.This belt fits most Whirlpool made dryers (Whirlpool, Kenmore with prefix 110, Roper, KitchenAid, and Estate). Replaces 5 rib (wider) belt. Matching idler pulley... more MFG Number 341241 In Stock Ships Monday Guaranteed Quantity Add to Cart Whirlpool Dryer Heating Element ( 1420) Wiring Diagram Kenmore Dryer - Wiring Digital and Schematic Washing Machines Whirlpool Corporation Kenmore Clothes Dryer Wiring Diagram Hose With Water Angle Electrical Wires Cable Engineering Png Pngwing Whirlpool Dryers Appliance Aid Kenmore 417 64182300 Installation Instructions Manual Pdf Manualslib Kenmore Elite 11087088601 Dryer Parts Sears Partsdirect Electric, Gas & Portable Dryers | Kenmore Laundry Kenmore 65232 7.0 cu. ft. Electric Dryer with Steam Refresh - White Kenmore 65212 5.9 cu. ft. Electric Dryer w/ Flat Back Long Vent - White Kenmore 60372 27" 7.4 cu. ft. Electric Dryer with Glass Hamper Door - White Gas Dryers Kenmore 75132 7.0 cu. ft. Gas Dryer with SmartDry Plus Technology - White Kenmore 72332 7.0 cu. ft. Gas Dryer - White Kenmore refrigerator parts | Sears PartsDirect We have Kenmore refrigerator 253 parts and Kenmore refrigerator model 106 parts. Use the Kenmore refrigerator parts diagram on our Sears PartsDirect website to easily find the Kenmore fridge replacement parts you need to fix any refrigeration failure. Get the Kenmore refrigerator door parts and Kenmore refrigerator replacement shelves to make ...

UPGRADED 3406107 Dryer Door Switch Replacement part by BlueStars - Easy to  Install - Exact fit for Whirlpool & Kenmore Dryers - Replaces 3406109 ...

UPGRADED 3406107 Dryer Door Switch Replacement part by BlueStars - Easy to Install - Exact fit for Whirlpool & Kenmore Dryers - Replaces 3406109 ...

Kenmore Parts & Manuals | Parts Town Parts Town has the largest in-stock inventory of genuine OEM Kenmore parts with fast same day shipping until 9pm ET. Find the part you need today. ... Manuals & Diagrams; Add to My Parts. In My Parts. Kenmore 242252603 Solenoid Valve, Water, 120V, 60HZ ... Kenmore WP3392519 THERMAL FUSE L196 DRYER. In Stock. View Full Details. List Price: $ 14. ...

Kenmore 110.68102310 Heating Element - Genuine OEM

Kenmore 110.68102310 Heating Element - Genuine OEM

Kenmore he2 plus parts diagram there are a couple of ways to find the part or diagram you need: appliance talk kenmore series electric dryer wiring diagram schematic he2 110 8656 use care manual pdf manualslib 8751 6 7 cu ft manuals solved has no power at all lights nothing elite he3 ifixit my gas longer heat the is turned on drum turns there air flow through vent plus 4751 …

Kenmore 11078102310 Dryer | Partswarehouse

Kenmore 11078102310 Dryer | Partswarehouse

Kenmore elite dryer parts | Sears PartsDirect Most common Kenmore Elite HE3 and HE4 dryer parts that need replacing Door switch. The dryer door switch recognizes whether the door is open or closed. The dryer won't start unless the door switch senses that the dryer door is closed. The door switch also turns on and off the drum light on models with a light. Drive belt.

279838 Dryer Heating Element for Whirlpool Kenmore Roper Maytag Amana  Cabrio Admiral Dryer Heating Element Parts Dryer Thermostat Thermal Fuse ...

279838 Dryer Heating Element for Whirlpool Kenmore Roper Maytag Amana Cabrio Admiral Dryer Heating Element Parts Dryer Thermostat Thermal Fuse ...

Kenmore 11061202011 dryer parts | Sears PartsDirect Here are the diagrams and repair parts for Kenmore 11061202011 electric dryer, as well as links to manuals and error code tables, if available. There are a couple of ways to find the part or diagram you need: Click a diagram to see the parts shown on that diagram. In the search box below, enter all or part of the part number or the part's name.

Washer Dryer Library-Parts List for Kenmore Washer

Washer Dryer Library-Parts List for Kenmore Washer

Washing Machine Repair Help - Repair Clinic Start Right Here Find appliance parts, lawn & garden equipment parts, heating & cooling parts and more from the top brands in the industry here. Click on Shop Parts, or select the kind of product you're working with on the left and we'll help you find the right part.

Kenmore Elite 11095081402 Dryer | Partswarehouse

Kenmore Elite 11095081402 Dryer | Partswarehouse

Kenmore Dryer Parts | Genuine OEM Parts | Repairclinic.com Dryer drum drive belt. The belt is flat, 92-1/4 inches long, 1/4 inch wide and has 4 ribs and 3 grooves. It replaces many other belts, including some with 5 ribs and 4 grooves. If the drum does not turn, but you can hear the motor running then there is a good chance the belt has broken. Kenmore Dryer Heating Element

Kenmore Elite 11068062801 dryer parts | Kenmore, Whirlpool ...

Kenmore Elite 11068062801 dryer parts | Kenmore, Whirlpool ...

What Are the Parts of a Dryer? - Maytag Location: in the back panel of the dryer near the drum. Purpose: holds the drum in place during a drying cycle. If the dryer makes a loud rumbling noise during use, replace the drum rollers. May need to replace all rollers at once as they typically wear out at the same time. Shop Maytag ® replacement drum roller.

Kenmore Dryer Model 110.86872100 Schematic Diagram | Fixitnow ...

Kenmore Dryer Model 110.86872100 Schematic Diagram | Fixitnow ...

Official Kenmore Dryer Parts | Order Today, Ships Today ... Popular Kenmore Dryer Parts Your Price $ 16.60 In Stock Add to cart Multi Rib Belt - 92-1/4" ★★★★★ ★★★★★ (340) PartSelect Number PS346995 Manufacturer Part Number 341241 This dryer drum belt (Whirlpool Dryer Belt, Drive Belt) has four ridges, three grooves and is 1/4" wide, and 92 1/4 inches in length. It comes in black and is made of rubber.

11060222511 Kenmore Dryer Parts & Free Repair Help ...

11060222511 Kenmore Dryer Parts & Free Repair Help ...

Kenmore parts | Sears PartsDirect Kenmore is a leading manufacturer of high-quality appliances in the United States. Kenmore appliances are extremely reliable and rarely break down. Eventually parts can eventually wear out on your Kenmore appliance. When that happens, trust Sears PartsDirect to have the parts you need to get your Kenmore appliance back into top shape.

KENMORE HE2 110.8656* USE & CARE MANUAL Pdf Download | ManualsLib

KENMORE HE2 110.8656* USE & CARE MANUAL Pdf Download | ManualsLib

Dryer Parts: Fast Shipping - Frigidaire Appliance Parts Dryer thermal limiter (or thermal fuse). May be located on the blower housing or element. If the dryer overheats, the thermal fuse blows to cut off power to the dryer. If the thermal fuse has blown, the dryer won't start. The thermal fuse cannot be reset--if the fuse has blown, it must be replaced. OEM Part - Manufacturer #134120900

Official Kenmore Dryer Parts | Order Today, Ships Today ...

Official Kenmore Dryer Parts | Order Today, Ships Today ...

Kenmore Dryer Wiring Diagram Sample - Faceitsalon.com Please download these kenmore dryer wiring diagram by using the download button, or right click selected image, then use Save Image menu. Wiring diagrams help technicians to see how the controls are wired to the system. Many people can understand and understand schematics generally known as label or line diagrams.

Kenmore 11069622800 dryer parts | Sears PartsDirect

Kenmore 11069622800 dryer parts | Sears PartsDirect

Kenmore Dryer Parts - GenuineReplacementParts.com We quick ship Replacement Parts from Orange County, CA; Chicago, IL; Houston, TX; & Boston Massachusets, and many other locations. ... Shopping Cart : $0.00. Home > Appliance Parts > Kenmore > Dryer. Appliance Brand Lookup A.O. Smith (3) By Part# (3) Admiral (14515)

Dryer Rear Panel Whirlpool, Roper, Kenmore Dryer Back Cover ...

Dryer Rear Panel Whirlpool, Roper, Kenmore Dryer Back Cover ...

OEM Kenmore Dryer Parts | Expert DIY Repair Help & Fast Shipping - Fix.com Multi Rib Belt - 92-1/4". ★★★★★. ★★★★★. (17) Fix Number FIX346995. Manufacturer Part Number 341241. This multi rib belt is an OEM replacement part for a dryer. It attaches to the drum, idler pulley, and motor pulley, and is responsible for spinning the drum. Over time, the belt can become frayed, brittle, and inflexible.

OEM Kenmore Dryer Lint Filter Cover Guide Originally Shipped With  796.91382410, 796.91383410, 796.91472210, 796.91473210

OEM Kenmore Dryer Lint Filter Cover Guide Originally Shipped With 796.91382410, 796.91383410, 796.91472210, 796.91473210

Kenmore range parts | Sears PartsDirect Trust Sears PartsDirect to have the Kenmore range parts you need to fix the stove quickly when a failure occurs. We have model 790 Kenmore gas stove parts and Kenmore electric range model 790 parts. Use the Kenmore gas stove parts diagram for your model on our Sears PartsDirect website to easily find the Kenmore range replacement parts and ...

Kenmore Elite 11087089601 dryer parts | Sears PartsDirect

Kenmore Elite 11087089601 dryer parts | Sears PartsDirect

Kenmore Dryer Models - Whirlpool Replacement Parts Below is our selection of Kenmore Dryer model numbers. Select a model from the list to see an overview of its replacement parts. You can quickly narrow your search by entering your product's model number into the search bar above. If you don't know how to locate your model number, view our How To Find Your Model Number videos and diagrams here .

Kenmore 11075102310 dryer parts | Sears PartsDirect

Kenmore 11075102310 dryer parts | Sears PartsDirect

kenmore electric dryer parts diagram kenmore dryer elite diagram gas sears parts light electric its series wire burner quiet duty heavy washer helped appliance justanswer. How to fix a kenmore 90 series gas dryer that will not heat · share. Kenmore dryer elite diagram gas sears parts light electric its series wire burner quiet duty heavy washer helped appliance justanswer.

8544771 Dryer Heating Element Replacement for Kenmore/Sears 11087089601  Dryer - Compatible with 8544771 Heater Element Parts - UpStart Components  ...

8544771 Dryer Heating Element Replacement for Kenmore/Sears 11087089601 Dryer - Compatible with 8544771 Heater Element Parts - UpStart Components ...

kenmore washer model 110 parts diagram Kenmore 110 series washing ... kenmore washer model 110 parts diagram Kenmore 110 series washing machine drive belt replacement If you are looking for Get Wiring Diagram for Kenmore Dryer Model 110 Download you've visit to the right place.

Whirlpool WGD5000DW1 Parts List | Coast Appliance Parts

Whirlpool WGD5000DW1 Parts List | Coast Appliance Parts

Kenmore 90 series dryer parts diagram by jklasdf64 - Issuu The following KENMORE 90 SERIES DRYER PARTS DIAGRAM Pdf document begin with Introduction, Brief Discussion until the Index/Glossary page, see the table of content for additional information, if ...

Kenmore 110.78632700 Dryer Belt Maintenance-Repair Kit ...

Kenmore 110.78632700 Dryer Belt Maintenance-Repair Kit ...

Parts for KENMORE SERIES 80 DRYER - AppliancePartsPros.com This product is an idler arm assembly or dryer idler pulley. This part is a replacement piece for a dryer or washer-dryer combo. This part works in combination with the dryer drum belt to help the dryer... more. Our Price. $47.80. Compare At. $57.36.

Kenmore 11087511702 dryer parts | Sears PartsDirect

Kenmore 11087511702 dryer parts | Sears PartsDirect

Full Kenmore 90 Series Dryer Diagram - icasmt.com Schemes, Diagrams, Wiring Diagram Online Kenmore 90 Series Dryer Diagram We offer free Kenmore dryer troubleshooting and repair manuals. Fix your machine quickly and easily without having to pay for expensive service technicians. 70 series dryer fuse box - dryer thermal fuse thermal fuse dryer high mit thermostat cyc ng thermostat kit patible with.

Name that Part | Appliance Aid

Name that Part | Appliance Aid

279827 Dryer Drive Motor Replacement for Kenmore > Speedy ...

279827 Dryer Drive Motor Replacement for Kenmore > Speedy ...

How to Fix a Kenmore 90 Series Gas Dryer That Will Not Heat ...

How to Fix a Kenmore 90 Series Gas Dryer That Will Not Heat ...

Kenmore Elite Owner Instruction Manual Sensor Smart Electric Clothes Dryer

Kenmore Elite Owner Instruction Manual Sensor Smart Electric Clothes Dryer

Kenmore 110985751 Washer/Dryer Timer - Stove Clocks and ...

Kenmore 110985751 Washer/Dryer Timer - Stove Clocks and ...

How To: Disassemble Whirlpool/Kenmore Dryer

How To: Disassemble Whirlpool/Kenmore Dryer

Kenmore 11084832201 dryer parts | Sears PartsDirect

Kenmore 11084832201 dryer parts | Sears PartsDirect

Kenmore Dryer Parts | Kenmore Parts

Kenmore Dryer Parts | Kenmore Parts

Appliance411: Repair Parts: Appliance Parts Lists, Schematic ...

Appliance411: Repair Parts: Appliance Parts Lists, Schematic ...

Kenmore 70 series electric - Safe after repair ...

Kenmore 70 series electric - Safe after repair ...

FIXED - Kenmore elite 110.63032100 won't start ...

FIXED - Kenmore elite 110.63032100 won't start ...

Kenmore Dryer Parts | Kenmore Parts

Kenmore Dryer Parts | Kenmore Parts

Kenmore 11060902990 dryer parts | Sears PartsDirect

Kenmore 11060902990 dryer parts | Sears PartsDirect

Vintage Sears Kenmore Washer Dryer Parts List Sears Reobuck ...

Vintage Sears Kenmore Washer Dryer Parts List Sears Reobuck ...

Dryer Motor Fits Whirlpool Kenmore # 690870 691227 694051 695074 695075  695089

Dryer Motor Fits Whirlpool Kenmore # 690870 691227 694051 695074 695075 695089

Kenmore 11062622101 dryer parts | Sears PartsDirect

Kenmore 11062622101 dryer parts | Sears PartsDirect

Kenmore Electric Dryer - Not Heating, What to Test and How to Test

Kenmore Electric Dryer - Not Heating, What to Test and How to Test

Kenmore Dryer 110.86863100 Schematic | Fixitnow.com Samurai ...

Kenmore Dryer 110.86863100 Schematic | Fixitnow.com Samurai ...

Vintage Kenmore Electric Dryer Model 110.5808810 Parts List Sears Roebuck  #UH1-3 | eBay

Vintage Kenmore Electric Dryer Model 110.5808810 Parts List Sears Roebuck #UH1-3 | eBay

Kenmore Elite 79681073310 dryer parts | Sears PartsDirect

Kenmore Elite 79681073310 dryer parts | Sears PartsDirect

Kenmore 41788042700 Dryer | Partswarehouse

Kenmore 41788042700 Dryer | Partswarehouse

Maytag MGD5801TW0 Parts List | Coast Appliance Parts

Maytag MGD5801TW0 Parts List | Coast Appliance Parts

GE Electric Dryer | DCL333EA0WW | eReplacementParts.com

GE Electric Dryer | DCL333EA0WW | eReplacementParts.com

0 Response to "43 kenmore dryer parts diagram"

Post a Comment

Iklan Atas Artikel

Iklan Tengah Artikel 1

Iklan Tengah Artikel 2

Iklan Bawah Artikel