43 ryobi 410r tiller fuel line diagram

Ryobi Fuel Line Routing - YouTube Ryobi fuel line routing for a 766r weed trimmer Ryobi 410r fuel line diagram - partsdiagram.netlify.app Ryobi 410r tiller fuel line diagram 1 assmy, air cleaner cover (square) 180349 5131005860 2 filter, air cleaner 180350 5131005861 3 assmy, carburetor mounting screws 180351 5131017003 4 rondelle a entaille serie 3100e 180352 1000069953 5 assmy, choke lever & plate 180353 5131005862 6 throttle adjusting assembly walbro. Ryobi 410r tiller fuel line.

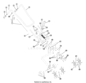
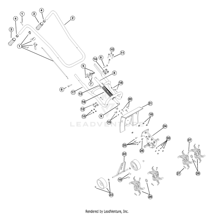
Ryobi Tiller | 410r | eReplacementParts.com Need to fix your 410r (21DK410G034) Tiller? Use our part lists, interactive diagrams, accessories and expert repair advice to make your repairs easy. ... have replaced all fuel lines on my ryobi tiller. It will now start but will cut out shortly after I get it started. ... The fuel tank for all of the Ryobi 410R Tillers is the same it is part ...

Ryobi 410r tiller fuel line diagram

Ryobi 410r tiller fuel line diagram

Ryobi 410r Tiller Fuel Line Diagram Ryobi 410r Tiller Fuel Line Diagram 4 The standard manual doesn't show the fuel line routing. Ryobi 410r (21FK410G034) Tiller Parts But I've worked it out anyhow. Run 3 new lines as follows: Route 1 line from the fuel. Get Parts and Repair Help for R Ryobi Tiller - Tiller. View parts like Fuel Line and Filter and Fuel Return Line. Ryobi Tiller | 410r | eReplacementParts.com Need to fix your 410r (21A-121R034) Tiller? Use our part lists, interactive diagrams, accessories and expert repair advice to make your repairs easy. ... AMAZON: Ryobi fuel line kits Question: Primer . sabre23. ... The fuel tank for all of the Ryobi 410R Tillers is the same it is part number 753-04306. Hope this helps,-WJA Fixing things makes ... Ryobi Cultivator 410r fuel line diagram | ManualsOnline.com Route 2nd line from the brass Carb outlet tube (straight tube on the opposite side of the Carb from the muffler) to the suction side of the primer bulb. Route 3rd line from the pressure side of the primer bulb into the return hole on the fuel tank. Pull it about 1/2 inch into the tank with some needle nose pliers.

Ryobi 410r tiller fuel line diagram. Ryobi 410r Fuel Line Diagram | champion Ryobi 410r Fuel Line Diagram Free Download 2022 by dannie.bins. Find The BestTemplates at champion. champion. Menu. Home; About; ... 21 posts related to Ryobi 410r Fuel Line Diagram. Ryobi 410r Tiller Fuel Line Diagram. Ryobi 410r Tiller Fuel Line Routing. Ryobi Fuel Line Diagram. Ryobi Bc30 Fuel Line Diagram. Ryobi Cs30 Fuel Line Diagram ... RYOBI Cultivator 410r Replacing fuel lines 32cc? = Answered | Mend D.I ... 1) The main fuel line that connects to the filter inside the fuel tank, goes to the bottom of the carburetor (or the elbow shaped nipple). 2) The fuel intake line runs from the top of the carburetor (straight nipple) and goes to the short post on the back of the primer bulb. HOW TO REPLACE Fuel Line & Filter on 2 Cycle Ryobi Grass Trimmer Visit my channel for more repair videos; FREE RYOBI 31CC 410R GAS ROTOTILLER CULTIVATOR FUEL LINE ... - YouTube I picked this ryobi roto portable tiller cultivator off the side of the street. I replaced the fuel lines as they were all cracked, broken and missing. The...

Ryobi 410r Tiller Fuel Line Diagram | champion Ryobi 790r Fuel Line Routing. 62 Diesel Fuel Line Diagram. Echo Srm 225 Fuel Line Diagram. 5.9 Cummins Fuel Line Diagram. 05 Duramax Fuel Line Diagram. 05 5.9 Cummins Fuel Line Diagram. Briggs And Stratton Fuel Line Diagram. 2007 5.9 Cummins Fuel Line Diagram. Stihl Ms290 Fuel Line Diagram. Ryobi Tiller: Model 410R/2001 Parts & Repair Help | Repair Clinic Ryobi Tiller Model 410R/2001 Parts. Ryobi Tiller Model 410R/2001 Parts are easily labeled on this page to help you find the correct component for your repair. Filter results by category, title and symptom. You can also view diagrams and manuals, review common problems that may help answer your questions, watch related videos, read insightful articles or use our repair help guide to get started. PDF Ryobi 410r tiller fuel line diagram - Weebly ryobi 410r tiller fuel line diagram 1 assmy, air cleaner cover (square) 180349 5131005860 2 filter, air cleaner 180350 5131005861 3 assmy, carburetor mounting screws 180351 5131017003 4 rondelle a entaille serie 3100e 180352 1000069953 5 assmy, choke lever & plate 180353 5131005862 6 throttle adjusting assembly walbro ... pump 682039 5131001086 ... 410R Ryobi Tiller Parts & Repair Help | PartSelect Manufacturer #: 791-682039. This OEM fuel line and filter supply fuel from the tank of your engine to its carburetor. Made of clear plastic and sold individually, the fuel line may end up clogged or cracked, causing fuel to leak... $ 14.26. In Stock.

Ryobi Tiller | 410r | eReplacementParts.com Ryobi Parts Ryobi 410r (21FK410G034) Tiller Parts Ryobi 410r (21FK410G034) Tiller Parts $19.48 Search within model Questions & Answers Browse all Parts Page A Page B Showing All Parts Page A Fig # A1 Throttle Trigger and Cable Assembly Obsolete - Not Available Part Number:791-00023 Discontinued A2 Replacing the Fuel Line and Filter (Ryobi Part - YouTube Click here for more information on this part, installation instructions and more.This par... Ryobi 410r Tiller Fuel Line Routing | champion Ryobi Cs30 Fuel Line Diagram. Ryobi Rgbv3100 Fuel Line Diagram. Husqvarna 235 Chainsaw Fuel Line Routing. 1969 Chevelle Fuel Line Routing. Craftsman 18 42cc Chainsaw Fuel Line Routing. 2006 Gmc Sierra Brake Line Routing. 1970 Chevelle Brake Line Routing. 5.9 Cummins Fuel Line Diagram. Echo Srm 225 Fuel Line Diagram. Ryobi 410r 21DK410G034 21DK410G034 410r Parts Diagrams There are (81) parts used by this model. Found on Diagram: Engine 75304511 Cover Asm Muffler (includes 2 & 40) $32.32 Add to Cart 791180350B Air Cleaner Filter Options 791180351 NO LONGER AVAILABLE No Longer Available 9360271 Spring Washer $3.53 Add to Cart 75304418 CHOKE LEVER ASM W/ (includes 6) $8.51 Add to Cart 791182202 ASM CHOKE KNOB $12.43

SOLVED: Fuel line routing on ryobi 775r - Fixya

SOLVED: Fuel line routing on ryobi 775r - Fixya

Ryobi Tiller | 410r | eReplacementParts.com Ryobi Parts Ryobi 410r (21AK410G034) Tiller Parts Ryobi 410r (21AK410G034) Tiller Parts $19.48 Search within model Questions & Answers Browse all Parts Page A Page B Showing All Parts Page A Fig # A1 Throttle Trigger and Cable Assembly Obsolete - Not Available Part Number:791-181573 Discontinued A2

How to Replace the Replacement Fuel Lines on a Mantis Tiller

How to Replace the Replacement Fuel Lines on a Mantis Tiller

Have 410R 31cc Ryobi tiller 1MTDS 0314RA;EM need fuel and primer line ... curtis b : The primer has to pull the fuel through the carburetor. The line from the tank with the strainer goes to the top connection on the carburetor, the bottom connection on carburetor goes to the inlet of the primer, and the outlet of the primer goes back to the fuel tank as return. curtis b : Curtis B., Technician. Category: Small Engine.

Part Carburetor Homelite Trimmer 985624001 and 50 similar items

Part Carburetor Homelite Trimmer 985624001 and 50 similar items

video.watch.impress.co.jp動画でスマホやデジカメの最新情報を紹介 - Watch Video 人気ライターがパーソナリティを務める番組を配信する映像サービスが、Watch Videoです。テキストと静止画では伝えにくい動作の様子や操作感などを、PCやケータイ、ガジェットの各ジャンルを代表するライター陣がていねいに解説します。

Ryobi 410r (21A-121R034) - Ryobi Tiller Engine Parts Lookup ...

Ryobi 410r (21A-121R034) - Ryobi Tiller Engine Parts Lookup ...

Ryobi Cultivator 410r fuel line diagram | ManualsOnline.com Route 2nd line from the brass Carb outlet tube (straight tube on the opposite side of the Carb from the muffler) to the suction side of the primer bulb. Route 3rd line from the pressure side of the primer bulb into the return hole on the fuel tank. Pull it about 1/2 inch into the tank with some needle nose pliers.

Carburetor Kit For Ryobi 410r 750r 767rJ 775r 780r String Trimmer Spare Part

Carburetor Kit For Ryobi 410r 750r 767rJ 775r 780r String Trimmer Spare Part

Ryobi Tiller | 410r | eReplacementParts.com Need to fix your 410r (21A-121R034) Tiller? Use our part lists, interactive diagrams, accessories and expert repair advice to make your repairs easy. ... AMAZON: Ryobi fuel line kits Question: Primer . sabre23. ... The fuel tank for all of the Ryobi 410R Tillers is the same it is part number 753-04306. Hope this helps,-WJA Fixing things makes ...

Ryobi Handheld Trimmer | 725r | eReplacementParts.com

Ryobi Handheld Trimmer | 725r | eReplacementParts.com

Ryobi 410r Tiller Fuel Line Diagram Ryobi 410r Tiller Fuel Line Diagram 4 The standard manual doesn't show the fuel line routing. Ryobi 410r (21FK410G034) Tiller Parts But I've worked it out anyhow. Run 3 new lines as follows: Route 1 line from the fuel. Get Parts and Repair Help for R Ryobi Tiller - Tiller. View parts like Fuel Line and Filter and Fuel Return Line.

Ryobi 410r 21A-121R034 21A-121R034 410r Tiller |PartsWarehouse

Ryobi 410r 21A-121R034 21A-121R034 410r Tiller |PartsWarehouse

Ryobi Fuel Line Routing

Ryobi Fuel Line Routing

Cultivator Repair - Replacing the Fuel Filter & Lines (Powermate Part #  A200780)

Cultivator Repair - Replacing the Fuel Filter & Lines (Powermate Part # A200780)

MHIlEEmII-·- Vi Q

MHIlEEmII-·- Vi Q

How to Replace the Fuel Tank on a Ryobi String Trimmer

How to Replace the Fuel Tank on a Ryobi String Trimmer

Robin/Subaru W1-230 Parts Diagram for Governor

Robin/Subaru W1-230 Parts Diagram for Governor

How to Replace Fuel Lines on 2-Cycle Engines ...

How to Replace Fuel Lines on 2-Cycle Engines ...

Replacing Cultivator Fuel Lines

Replacing Cultivator Fuel Lines

Husqvarna 125B Handheld Blower Carburetor Assembly Kit 545081811

Husqvarna 125B Handheld Blower Carburetor Assembly Kit 545081811

Ryobi Tiller | 410r | eReplacementParts.com

Ryobi Tiller | 410r | eReplacementParts.com

Ryobi 410r 21FK410G034 21FK410G034 410r Parts Diagrams

Ryobi 410r 21FK410G034 21FK410G034 410r Parts Diagrams

Buy Ryobi 780R (41FD780G034) Replacement Tool Parts | Ryobi ...

Buy Ryobi 780R (41FD780G034) Replacement Tool Parts | Ryobi ...

Yard Machines 121 R (21A-121R700) - Yard Machines Tiller ...

Yard Machines 121 R (21A-121R700) - Yard Machines Tiller ...

HURI Fuel Line Fuel Filter Primer Bulb for Ryobi 410r Tiller RGBV3100  320BVR Blower

HURI Fuel Line Fuel Filter Primer Bulb for Ryobi 410r Tiller RGBV3100 320BVR Blower

Ryobi fuel line size? | My Tractor Forum

Ryobi fuel line size? | My Tractor Forum

Fuel Line Configuration On 2 Cycle Ryobi Grass Trimmer

Fuel Line Configuration On 2 Cycle Ryobi Grass Trimmer

Ryobi Tiller | 410r | eReplacementParts.com

Ryobi Tiller | 410r | eReplacementParts.com

Carburetor Carb For Ryobi 410r Tiller Replace Ryobi OEM # 791-182875  Carburetor | eBay

Carburetor Carb For Ryobi 410r Tiller Replace Ryobi OEM # 791-182875 Carburetor | eBay

How to replace primer bulb on a Ryobi 725R?

How to replace primer bulb on a Ryobi 725R?

Carburetor For MTD Ryobi 790r 775r 410r 700r 725r 720r 704r 767r Trimmers  USA | eBay

Carburetor For MTD Ryobi 790r 775r 410r 700r 725r 720r 704r 767r Trimmers USA | eBay

Buy Ryobi 410R (21DK410G034) Replacement Tool Parts | Ryobi ...

Buy Ryobi 410R (21DK410G034) Replacement Tool Parts | Ryobi ...

Genuine Factory Parts String Trimmer Fuel Line Repair Kit

Genuine Factory Parts String Trimmer Fuel Line Repair Kit

Carburetor Air fuel filter for Ryobi 410r 600r 705r 725r 765r RGBV3100  320BVR | eBay

Carburetor Air fuel filter for Ryobi 410r 600r 705r 725r 765r RGBV3100 320BVR | eBay

Ryobi Lawn Hornet Line Trimmer Fuel Hose Replacement

Ryobi Lawn Hornet Line Trimmer Fuel Hose Replacement

Cub Cadet 2160 Tractor S/N 326,006 - 389,000 136-266-100 13A ...

Cub Cadet 2160 Tractor S/N 326,006 - 389,000 136-266-100 13A ...

Ryobi Tiller 410R - OEM Parts & Repair Help - Fix.com

Ryobi Tiller 410R - OEM Parts & Repair Help - Fix.com

Ryobi Trimmer Cycle

Ryobi Trimmer Cycle

Ryobi 410r 21FK410G034 21FK410G034 410r Tiller |PartsWarehouse

Ryobi 410r 21FK410G034 21FK410G034 410r Tiller |PartsWarehouse

MHIlEEmII-·- Vi Q

MHIlEEmII-·- Vi Q

Hipa Carburetor for Troy Bilt TB20CS TB70SS String Trimmer #753-05133

Hipa Carburetor for Troy Bilt TB20CS TB70SS String Trimmer #753-05133

FREE RYOBI 31CC 410R GAS ROTOTILLER CULTIVATOR FUEL LINE ...

FREE RYOBI 31CC 410R GAS ROTOTILLER CULTIVATOR FUEL LINE ...

753-04333 Carburetor Air Filter Tune-Up Kit for MTD Ryobi 704rVP 705r 720r  725r 750r 280 280r 310BVR 410r 600r 700r 704r 765r

753-04333 Carburetor Air Filter Tune-Up Kit for MTD Ryobi 704rVP 705r 720r 725r 750r 280 280r 310BVR 410r 600r 700r 704r 765r

Ryobi Tiller | 410r | eReplacementParts.com

Ryobi Tiller | 410r | eReplacementParts.com

Ryobi 410r 21FK410G034 21FK410G034 410r Parts Diagrams

Ryobi 410r 21FK410G034 21FK410G034 410r Parts Diagrams

Ryobi Tiller | 410r | eReplacementParts.com

Ryobi Tiller | 410r | eReplacementParts.com

Buy A Ryobi 410R Spare part or Replacement part for Your ...

Buy A Ryobi 410R Spare part or Replacement part for Your ...

Tiller Carburetors And Parts 2 Cycle - Jacks Small Engines

Tiller Carburetors And Parts 2 Cycle - Jacks Small Engines

0 Response to "43 ryobi 410r tiller fuel line diagram"

Post a Comment

Iklan Atas Artikel

Iklan Tengah Artikel 1

Iklan Tengah Artikel 2

Iklan Bawah Artikel